Estacione a mquina numa superfcie nivelada, desa a plataforma do cortador, engate o travo de estacionamento, desligue o motor e retire a chave.
Assegure-se de que o pedal de trao est em PONTO MORTO e a alavanca da tomada de fora est na posio DESLIGADO.
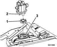
Retire os parafusos que fixam o motor hidrulico plataforma do cortador (Figure 1).
Eleve o motor da plataforma do cortador e coloque-o numa superfcie limpa, fora do caminho.
Note: Certifique-se de que no danifica o acoplador de alumnio.

Retire a aranha elastomrica do acoplador do interior do acoplador da polia (Figure 2).
Verifique se a aranha elastomrica apresenta desgaste e substitua-a se estiver danificada. Guarde-a para instalao na nova plataforma frontal do cortador.

Os braos de elevao sobem quando a plataforma do cortador removida e a mquina ligada.
Mova a plataforma do cortador para debaixo da mquina e ligue-a antes de ligar a mquina.
Retire os pernos de gancho e pinos de segurana que fixam as correntes da altura de corte traseira da plataforma do cortador (Figure 3). Guarde as ferragens para instalao na nova plataforma do cortador.

Retire os parafusos, anilhas e porcas que fixam cada montagem do brao de elevao ao tubo do brao da roda giratria (Figure 4).

Mova a plataforma do cortador afastando-a da unidade de trao.
Mova a nova plataforma do cortador para a posio e monte-a em cada tubo do brao da roda giratria invertendo a ordem do procedimento.
Ajuste a altura de corte da plataforma do cortador; consulte o procedimento no Manual do utilizador da mquina.