Aparque la mquina en una superficie nivelada, baje las carcasas del cortacsped, accione el freno de estacionamiento, apague el motor y retire la llave.
Compruebe que el pedal de traccin est en la posicin de PUNTO MUERTO y que el interruptor de la TDF est la posicin de DESACTIVADO.
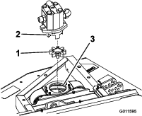
Retire los pernos que sujetan el motor hidrulico a la carcasa de corte (Figure 1).
Retire el motor de la carcasa del cortacsped y colquelo en una superficie limpia donde no estorbe.
Note: Asegrese de no daar el acoplamiento de aluminio.

Retire la araa de enganche elastomrico del interior del acoplamiento de la polea (Figure 2).
Inspeccione la araa de enganche elastomrico y cmbiela si est desgastada. Gurdela para su instalacin en la nueva carcasa delantera del cortacsped.

Los brazos de elevacin se levantan cuando se retira la carcasa del cortacsped y la mquina se enciende.
Coloque la carcasa del cortacsped debajo de la mquina y conctela antes de encender la mquina.
Retire los pasadores de horquilla y las chavetas que fijan las cadenas de ajuste de la altura de corte a la parte trasera de la carcasa del cortacsped (Figure 3). Guarde las fijaciones para su instalacin en la nueva carcasa del cortacsped.

Retire los pernos, las arandelas y las contratuercas que sujetan los soportes de los brazos de elevacin al tubo de los brazos de las ruedas giratorias (Figure 4).

Aleje la carcasa del cortacsped de la unidad de traccin.
Coloque la carcasa del cortacsped en su posicin y mntela en cada tubo de los brazos de las ruedas giratorias invirtiendo el procedimiento anterior.
Ajuste la altura de corte de la carcasa del cortacsped; consulte el procedimiento en el Manual del operador de la mquina.