Parkera maskinen p ett plant underlag, snk ned klippdcket, koppla in parkeringsbromsen, stng av motorn och ta ut nyckeln.
Koppla in parkeringsbromsen och kontrollera att gaspedalen r i NEUTRALLGET och kraftuttagsspaken i det AVSTNGDA lget.
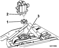
Avlgsna de skruvar som fster hydraulmotorn vid klippdcket (Figure 1).
Lyft bort motorn frn klippdcket och lgg den p ett rent underlag dr den inte r i vgen.
Note: Var frsiktig s att du inte skadar kopplingen i aluminium.

Ta bort den elastomeriska spindeln frn remskivekopplingens insida (Figure 2).
Inspektera den elastomeriska spindeln och byt ut den om den r sliten. Spara den fr montering p det nya frmre klippdcket.

Lyftarmarna hjs upp nr klippdcket tas bort och maskinen sls p.
Stt klippdcket under maskinen och anslut det innan du slr p maskinen.
Ta bort hrnlssprintarna och sprintbultarna som fster klipphjdskedjorna vid klippdckets bakre del (Figure 3). Spara fstelementen fr montering p det nya klippdcket.

Ta bort skruvarna, brickorna och lsmuttrar som fster respektive lyftarmsfste vid svnghjulsarmens rr (Figure 4).

Flytta bort klippdcket frn traktorenheten.
Flytta det nya klippdcket p plats och montera det vid respektive svnghjulsarmrr genom att utfra proceduren i omvnd ordning.
Justera klippdckets klipphjd, se frfarandet i maskinens bruksanvisning.