Pyski kone tasaiselle alustalle, laske leikkuupyt, kytke seisontajarru, sammuta moottori ja irrota virta-avain.
Varmista, ett ajopoljin on VAPAA-asennossa ja voimanulosoton vipu on POIS-asennossa.
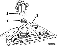
Irrota pultit, joilla hydraulimoottori on kiinnitetty leikkuupytn (Figure 1).
Nosta moottori irti leikkuupydst ja aseta se syrjn puhtaalle alustalle.
Note: Varmista, ettet vaurioita alumiinista kytkentkappaletta.

Irrota elastomeerinen sakarakytkin hihnapyrn kytkentkappaleen sislt (Figure 2).
Tarkista, ettei elastomeerisessa sakarakytkimess ole kulumia, ja vaihda se tarvittaessa. Silyt se uuteen etuleikkuupytn asennusta varten.

Nostovarret nousevat, kun leikkuupyt irrotetaan ja kone kynnistetn.
Siirr leikkuupyt koneen alle ja kytke se ennen koneen kynnistmist.
Irrota sokat ja liitintapit, joilla leikkuukorkeusketjut on kiinnitetty leikkuupydn takaosaan (Figure 3). Silyt kiinnitystarvikkeet uuteen leikkuupytn asennusta varten.

Irrota pultit, aluslaatat ja lukkomutterit, joilla jokainen nostovarren pidin on kiinnitetty kntpyrn varren putkeen (Figure 4).

Siirr leikkuupyt irti ajoyksikst.
Siirr uusi leikkuupyt paikalleen ja kiinnit se jokaiseen kntpyrn varren putkeen suorittamalla toimenpide pinvastaisessa jrjestyksess.
Sd leikkuupydn leikkuukorkeus. Katso toimenpide koneen kyttoppaasta.