Parkeer de machine op een horizontaal oppervlak, laat het maaidek naar beneden, stel de parkeerrem in werking, zet de motor af en verwijder het sleuteltje.
Zorg ervoor dat het tractiepedaal in NEUTRAAL staat en de aftakashendel in de stand UIT.
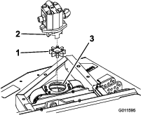
Verwijder de bouten waarmee de hydraulische motor aan het maaidek is bevestigd (Figure 1).
Til de motor uit het maaidek en leg deze op een schoon oppervlak. Zorg dat hij niet in de weg ligt.
Note: Zorg ervoor dat u de aluminium koppeling niet beschadigt.

Verwijder de ster van elastomeer vanuit de binnenzijde van de poeliekoppeling (Figure 2).
Controleer de ster van elastomeer op slijtage en vervang deze indien hij beschadigd is. Bewaar de ster voor montage op het nieuwe voorste maaidek.

De hefarmen komen omhoog wanneer het maaidek wordt verwijderd en de machine ingeschakeld is.
Plaats het maaidek onder de machine en sluit het aan voordat u de machine inschakelt.
Verwijder de R-pennen en de gaffelpennen waarmee de maaihoogtekettingen zijn bevestigd aan de achterkant van het maaidek (Figure 3). Bewaar het bevestigingsmateriaal voor montage op het nieuwe maaidek.

Verwijder de bouten, ringen en borgmoeren waarmee elke hefarmbevestiging aan de buis van de zwenkwielarm is bevestigd (Figure 4).

Plaats het maaidek weg van de tractie-eenheid.
Zet het nieuwe maaidek op de juiste plaats en monteer het aan elke buis van de zwenkwielarm door de bovenstaande procedure in omgekeerde volgorde uit te voeren.
Stel de maaihoogte in voor het maaidek; raadpleeg de procedure in de Gebruikershandleiding van de machine.