Parker maskinen p en jevn overflate, senk klippeenheten, koble inn parkeringsbremsen, stans motoren og ta ut nkkelen.
Koble inn parkeringsbremsen, pse at trekkpedalen er i NYTRAL stilling og kraftuttaksspaken er i AV-stilling.
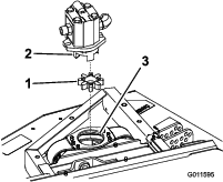
Fjern boltene som fester den hydrauliske motoren til klippeenheten (Figure 1).
Lft motoren ut av klippeenheten og legg den p en ren overflate hvor den ikke er i veien.
Note: Pse at du ikke skader aluminiumskoblingen.

Fjern den stjerneformede elastomerkoblingen fra innsiden av remskivekoblingen (Figure 2).
Inspiser den stjerneformede elastomerkoblingen for slitasje og skift den ut hvis den er slitt. Behold den for montering p den nye fremre klippeenheten.

Lftearmene heves opp nr klippeenheten er fjernet og maskinen sls p.
Flytt klippeenheten under maskinen og koble den til fr du slr p maskinen.
Fjern hrnlssplintene og splittpinnene som fester klippehydekjedene til bakre del av klippeenheten (Figure 3). Ta vare p monteringsdelene for montering av den nye klippeenheten.

Fjern boltene, skivene og lsemutterne som fester hvert enkelt lftearmfeste til styrearmrret (Figure 4).

Flytt klippeenheten bort fra trekkenheten.
Plasser den nye klippeenheten i korrekt stilling, og monter den p hvert styrearmrr ved flge prosedyren i omvendt rekkeflge.
Juster klippehyden for klippeenheten. Se prosedyren i maskinens brukerhndbok.