Garez la machine sur une surface plane et horizontale, abaissez le plateau de coupe, serrez le frein de stationnement, coupez le moteur et enlevez la cl.
Vrifiez que la pdale de dplacement est en position NEUTRE et que la commande de la prise de force est en position DSENGAGE.
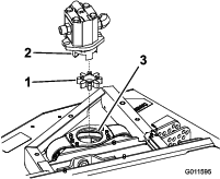
Enlevez les boulons qui fixent le moteur hydraulique au plateau de coupe (Figure 1).
Soulevez le moteur hors du plateau et posez-le l'cart sur une surface propre.
Note: Veillez ne pas endommager le coupleur en aluminium.

Retirez l'amortisseur en toile en lastomre qui se trouve l'intrieur du coupleur de poulie (Figure 2).
Vrifiez l'tat de l'amortisseur en toile en lastomre et remplacez-le s'il est us. Sinon, mettez-le de ct pour le monter sur le nouveau plateau avant.

Les bras de levage s'lvent quand le plateau de coupe est dpos et que la machine est mise en marche.
Poussez le plateau de coupe sous la machine et accouplez-le avant de mettre la machine en marche.
Enlevez les goupilles fendues et les axes de chape qui fixent les chanes de hauteur de coupe l'arrire du plateau (Figure 3). Conservez les fixations pour le nouveau plateau de coupe.

Retirez les boulons, les rondelles et les contre-crous qui fixent chaque support de bras de levage au tube de bras de pivot (Figure 4).

loignez le plateau de coupe du groupe de dplacement.
Poussez le nouveau plateau de coupe en place et fixez-le chaque tube de bras de pivot en inversant la procdure.
Rglez la hauteur de coupe du plateau de coupe; voir la procdure dcrite dans le Manuel de l'utilisateur de la machine.