Parker maskinen p en plan overflade, snk plneklipperskjoldet, aktiver parkeringsbremsen, sluk for motoren, og tag nglen ud.
Srg for, at traktionspedalen er i positionen NEUTRAL, og at kraftudtagets hndtag er i positionen OFF (fra).
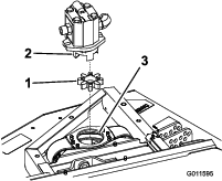
Fjern boltene, som fastholder hydraulikmotoren p plneklipperskjoldet (Figure 1).
Lft motoren af plneklipperskjoldet, og lg den til side p en ren overflade.
Note: Srg for, at du ikke kommer til at beskadige aluminumskoblingen.

Fjern elastomerdifferentialekrydset fra indersiden af remskivekoblingen (Figure 2).
Efterse elastomerdifferentialekrydset for slid, og udskift det, hvis det er slidt. Gem det til montering p det nye frontplneklipperskjold.

Lftearmene hves, nr plneklipperskjoldet er blevet afmonteret, og maskinen startes.
Flyt plneklipperskjoldet ind under maskinen, og tilslut det, inden der tndes for maskinen.
Fjern lseclipsene og gaffelboltene, som fastgr klippehjdekderne til plneklipperskjoldets bageste del (Figure 3). Gem metaldelene til montering p det nye frontplneklipperskjold.

Fjern boltene, spndeskiverne og lsemtrikkerne, der fastgr hver lftearmsbeslag til styrehjulsarmsrret (Figure 4).

Flyt plneklipperskjoldet vk fra traktionsenheden.
Anbring det nye plneklipperskjold p plads, og monter det p hvert styrehjulsarmsrr ved at udfre proceduren i omvendt rkkeflge.
Juster klippehjden efter plneklipperskjoldet. Se proceduren i maskinens betjeningsvejledning.