Parken Sie die Maschine auf einer ebenen Flche, senken Sie das Mhwerk ab, aktivieren Sie die Feststellbremse, stellen Sie den Motor ab und ziehen Sie den Schlssel ab.
Stellen Sie sicher, dass das Fahrpedal in der NEUTRAL-Stellung und der Zapfwellenhebel in der AUS-Stellung ist.
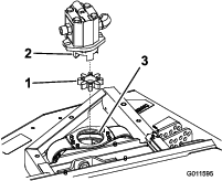
Entfernen Sie die Schrauben, mit denen der Hydraulikmotor am Mhwerk befestigt ist (Figure 1).
Heben Sie den Motor vom Mhwerk ab und und legen Sie ihn auf eine saubere, abgelegene Oberflche.
Note: Achten Sie darauf, dass Sie die Aluminiumkupplung nicht beschdigen.

Nehmen Sie das dehnbare Drehkreuz von der Innenseite der Riemenscheibenkupplung ab (Figure 2).
Prfen Sie das dehnbare Drehkreuz auf Abnutzung und tauschen Sie es aus, wenn es abgenutzt ist. Bewahren Sie sie fr den Einbau am neuen Frontmhwerk auf.

Die Hubarme werden angehoben, wenn das Mhwerk abgenommen ist und die Maschine eingeschaltet wird.
Schieben Sie das Mhwerk unter die Maschine und schlieen es an, bevor Sie die Maschine anlassen.
Entfernen Sie die Splinte und die Lastsenbolzen, mit denen die Schnitthhenketten am Heck des Mhwerks befestigt sind (Figure 3). Bewahren Sie die Befestigungen fr den Einbau am neuen Mhwerk auf.

Entfernen Sie die Schrauben, Scheiben und Sicherungsmuttern, mit denen jede Hubarmbefestigung am Laufarmrohr befestigt ist (Figure 4).

Schieben Sie das Mhwerk von der Zugmaschine weg.
Schieben Sie das neue Mhwerk in die richtige Stellung und befestigen es an jedem Laufradarmrohr; gehen Sie in umgekehrter Reihenfolge vor.
Stellen Sie die Schnitthhe fr das Mhwerk ein; die Schritte finden Sie in der Bedienungsanleitung der Maschine.