| Intervalo de mantenimiento y servicio | Procedimiento de mantenimiento |
|---|---|
| Cada vez que se utilice o diariamente |
|
Este cortacésped con conductor de cuchillas rotativas está diseñado para ser usado por usuarios domésticos o por operadores profesionales contratados. Está diseñado principalmente para segar césped bien mantenido en zonas verdes residenciales o comerciales. No está diseñado para cortar maleza o para aplicaciones agrícolas.
Lea este manual detenidamente para aprender a utilizar y mantener correctamente su producto, y para evitar lesiones y daños al producto. Usted es el responsable de operar el producto de forma correcta y segura.
Puede ponerse en contacto con Toro directamente en www.Toro.com si desea materiales de formación y seguridad o información sobre accesorios, para localizar un distribuidor o para registrar su producto.
Cuando necesite asistencia técnica, piezas genuinas Toro o información adicional, póngase en contacto con un Distribuidor de Servicio Autorizado o con Asistencia al Cliente Toro, y tenga a mano los números de modelo y serie de su producto. La Figura 1 identifica la ubicación de los números de serie y de modelo en el producto. Escriba los números en el espacio provisto.

Este manual identifica peligros potenciales y contiene mensajes de seguridad identificados por el símbolo de alerta de seguridad (Figura 2), que señala un peligro que puede causar lesiones graves o la muerte si usted no sigue las precauciones recomendadas.

Este manual utiliza 2 palabras para resaltar información. Importante llama la atención sobre información mecánica especial, y Nota resalta información general que merece una atención especial.
Este sistema de encendido por chispa cumple la norma canadiense ICES-002
El uso o la operación del motor en cualquier terreno forestal, de monte o cubierto de hierba a menos que el motor esté equipado con parachispas (conforme a la definición de la sección 4442) mantenido en buenas condiciones de funcionamiento, o que el motor haya sido fabricado, equipado y mantenido para la prevención de incendios, constituye una infracción de la legislación de California (California Public Resource Code Section 4442 o 4443).
Retirar piezas originales estándar del equipo puede afectar a la garantía, la tracción y la seguridad de la máquina. El no utilizar piezas originales Toro puede causar lesiones graves o la muerte. Los cambios no autorizados en el motor, el sistema de combustible o el sistema de ventilación pueden infringir las normativas EPA y CARB.
Sustituya todas las piezas, incluyendo pero sin limitarse a neumáticos, correas, cuchillas y componentes del sistema de combustible, con piezas originales Toro.
Consulte la información del fabricante del motor incluida con la máquina.
CALIFORNIA
Advertencia de la Propuesta 65
Los gases de escape de este producto contienen productos químicos que el Estado de California sabe que causan cáncer, defectos congénitos u otros peligros para la reproducción.
Esta máquina ha sido diseñada con arreglo a lo estipulado en la norma ANSI B71.4-2012.
Este producto es capaz de amputar manos y pies y de lanzar objetos al aire. Siga siempre todas las instrucciones de seguridad con el fin de evitar lesiones personales graves.
El uso de este producto para otros propósitos que los previstos podría ser peligroso para usted y para otras personas.
Lea y comprenda el contenido de este manual del operador antes de arrancar el motor. Asegúrese de que todas las personas que usen este producto conozcan cómo usarlo y comprendan las advertencias.
No coloque las manos o los pies cerca de los componentes en movimiento de la máquina.
No haga funcionar la máquina sin que estén colocados y en buenas condiciones de funcionamiento todos los protectores y otros dispositivos de seguridad.
Mantener libre de aberturas de descarga. Mantenga a otras personas a una distancia prudencial de la máquina.
Mantenga a los niños fuera del área de operación. Nunca permita a los niños utilizar la máquina.
Detenga la máquina y pare el motor antes de realizar tareas de mantenimiento, repostar o desobstruir la máquina.
El uso o mantenimiento incorrecto de esta máquina puede causar lesiones. Para reducir el peligro de lesiones, cumpla estas instrucciones de seguridad y preste atención siempre al símbolo de alerta de seguridad, que significa Cuidado, Advertencia o Peligro – instrucción relativa a la seguridad personal. El incumplimiento de estas instrucciones puede dar lugar a lesiones personales e incluso la muerte.
Puede encontrar más información de seguridad en las secciones respectivas de este manual.

![]() |
Las pegatinas de seguridad e instrucciones están a la vista del operador y están ubicadas cerca de cualquier zona de peligro potencial. Sustituya cualquier pegatina que esté dañada o que falte. |





























Familiarícese con todos los controles antes de poner en marcha el motor y trabajar con la máquina (Figura 4 y Figura 5).

El contador de horas registra el número de horas de operación de la máquina. Funciona cuando el motor está en marcha. Utilice el recuento de horas para programar el mantenimiento regular (Figura 6).
El indicador de combustible está situado junto al contador de horas, y las barras se encienden cuando el interruptor de encendido está en posición de CONECTADO (Figura 6).
El indicador aparece cuando el nivel de combustible es bajo (queda aproximadamente 3.8 litros [1 galón] en el depósito).
Hay una serie de símbolos en el contador de horas, que indican con un triángulo negro si el componente de seguridad está en la posición correcta (Figura 6).
Si se gira la llave de contacto a la posición de CONECTADO durante unos segundos, se mostrará la tensión de la batería en la zona donde normalmente se muestran las horas de uso.
La luz de la batería se enciende al accionarse la llave de contacto, y cuando la carga está por debajo del nivel correcto de operación Figura 6.

El acelerador controla la velocidad del motor y tiene un ajuste variable continuo de LENTO a RáPIDO (Figura 5).
El mando de control de las cuchillas (TDF) engrana y desengrana la transmisión de potencia a las cuchillas del cortacésped (Figura 5).
Este interruptor se utiliza para arrancar el motor del cortacésped. Tiene tres posiciones: ARRANQUE, MARCHA y DESCONECTADO.
Las palancas de control de movimiento se utilizan para conducir la máquina hacia adelante, hacia atrás y girarla en ambos sentidos.
La posición de BLOQUEO/PUNTO MUERTO se utiliza junto con el sistema de interruptores de seguridad para engranar y determinar la posición de PUNTO MUERTO.
Cierre la válvula de cierre de combustible (debajo del asiento) antes de transportar o almacenar el cortacésped.
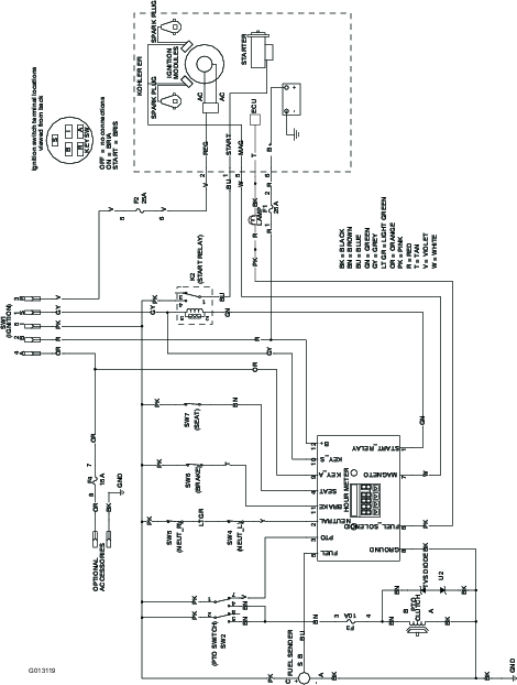
La unidad de control electrónica (UCE) monitoriza constantemente el funcionamiento del sistema de control de combustible.
Si se detecta un problema o una avería en el sistema, se enciende el indicador de avería multifunción (IAM).
El IAM es el piloto rojo situado en el panel derecho de la consola.
Si se enciende el IAM, realice las comprobaciones iniciales de localización de fallos; consulte la sección IAM, en .
Si estas comprobaciones no corrigen el problema, será necesario que un Servicio Técnico Autorizado realice un diagnóstico y mantenimiento completos.
Está disponible una selección de aperos y accesorios homologados por Toro que se pueden utilizar con la máquina a fin de potenciar y aumentar sus prestaciones. Póngase en contacto con su Distribuidor o Servicio Técnico Autorizado o visite www.Toro.com para obtener una lista de todos los aperos y accesorios aprobados.
Note: Especificaciones y diseño están sujetos a modificación sin previo aviso.
| Sin carcasa | 135 cm (53") |
| Deflector elevado | 157 cm (62") |
| Deflector bajado | 192 cm (76") |
| Barra antivuelco elevada | 211 cm (83") |
| Barra antivuelco bajada | 215 cm (85") |
| Barra antivuelco elevada | Barra antivuelco bajada |
|---|---|
| 179 cm (71") | 127.8 cm (50.3") |
| Bandeja | 587 kg (1,295 libras) |
Note: Los lados derecho e izquierdo de la máquina se determinan desde la posición normal del operador.
No deje nunca que la máquina sea utilizada o reparada por niños o por personas que no hayan recibido la formación adecuada al respecto. La normativa local puede imponer límites sobre la edad del operador. El propietario es responsable de proporcionar formación a todos los operadores y mecánicos.
Familiarícese con la operación segura del equipo, los controles del operador y las señales de seguridad.
Sepa cómo parar rápidamente la máquina y el motor.
Compruebe que los controles de presencia del operador, los interruptores de seguridad y los protectores están instalados y que funcionan correctamente. No utilice la máquina si no funcionan correctamente.
Antes de segar, inspeccione siempre la máquina para asegurarse de que las cuchillas, los pernos de las cuchillas y los conjuntos de corte están en buenas condiciones de uso. Sustituya cuchillas o pernos gastados o dañados en conjuntos completos para no desequilibrar la máquina.
Inspeccione el área donde se va a utilizar la máquina y retire cualquier objeto que la máquina podría lanzar al aire.
Evalúe el terreno para determinar cuáles son los equipos y aperos o accesorios apropiados que se requieren para operar la máquina de manera adecuada y segura.
Para evitar lesiones personales o daños materiales, extreme las precauciones al manejar el combustible. Los vapores de combustible son inflamables y explosivos.
Apague cualquier cigarrillo, cigarro, pipa u otra fuente de ignición.
Utilice solamente un recipiente de combustible homologado.
No retire el tapón de combustible ni añada combustible al depósito de combustible si el motor está en marcha o está caliente.
No reposte combustible dentro de un edificio.
No guarde la máquina o un recipiente de combustible en un lugar donde pudiera haber una llama desnuda, chispas o una llama piloto, por ejemplo en un calentador de agua u otro electrodoméstico.
No llene los recipientes dentro de un vehículo o sobre la plataforma de un camión o remolque con un forro de plástico. Coloque siempre los recipientes de gasolina en el suelo, lejos del vehículo, antes de llenarlos.
Retire el equipo del camión o del remolque y repóstelo mientras se encuentra sobre el suelo. Si esto no es posible, repóstelo usando un recipiente portátil, en vez de usar un surtidor de combustible con boquilla.
No utilice la máquina a menos que esté instalado un sistema completo de escape en buenas condiciones de funcionamiento.
Mantenga la boquilla en contacto con el borde del depósito de combustible o el orificio del recipiente en todo momento hasta que termine de repostar. No utilice dispositivos que mantengan abierta la boquilla.
Si se derrama combustible sobre su ropa, cámbiese de ropa inmediatamente. Limpie cualquier combustible derramado.
Nunca llene demasiado el depósito de combustible. Vuelva a colocar el tapón de combustible y apriételo firmemente.
Almacene el combustible en un recipiente homologado y manténgalo fuera del alcance de los niños. No compre nunca carburante para más de 30 días de consumo normal.
No llene completamente el depósito de combustible. Añada combustible al depósito de combustible hasta que el nivel alcance de 6 a 13 mm (¼" a ½") por debajo de la parte inferior del cuello de llenado. Este espacio vacío en el depósito permitirá la dilatación del combustible.
Evite la respiración prolongada de los vapores.
Mantenga la cara alejada de la boquilla y de la abertura del depósito de combustible.
Evite el contacto con la piel; lave el producto derramado con agua y jabón.
Para obtener los mejores resultados, utilice solamente gasolina fresca (comprada hace menos de 30 días), sin plomo, de 87 o más octanos (método de cálculo (R+M)/2).
Etanol: Es aceptable el uso de gasolina con hasta el 10% de etanol (gasohol) o el 15% de MTBE (éter metil tert-butílico) por volumen. El etanol y el MTBE no son lo mismo. No está autorizado el uso de gasolina con el 15% de etanol (E15) por volumen. No utilice nunca gasolina que contenga más del 10% de etanol por volumen, como por ejemplo la E15 (contiene el 15% de etanol), la E20 (contiene el 20% de etanol) o la E85 (contiene hasta el 85% de etanol). El uso de gasolina no autorizada puede causar problemas de rendimiento o daños en el motor que pueden no estar cubiertos bajo la garantía.
No utilice gasolina que contenga metanol.
No guarde combustible en el depósito de combustible o en recipientes de combustible durante el invierno a menos que haya añadido un estabilizador.
No añada aceite a la gasolina.
Use un estabilizador/acondicionador en la máquina para obtener las siguientes ventajas:
Mantiene el combustible fresco durante un periodo de almacenamiento de 90 días o menos (drene el depósito de combustible antes de almacenar la máquina durante más de 90 días)
Limpia el motor durante el funcionamiento.
Elimina la formación de depósitos pegajosos, con aspecto de barniz, en el sistema de combustible, que pueden dificultar el arranque.
Important: No utilice aditivos de combustible que contengan metanol o etanol.
Agregue la cantidad adecuada de estabilizador/acondicionador de combustible al combustible.
Note: Un estabilizador/acondicionador de combustible es más eficaz cuando se mezcla con combustible fresco. Para reducir al mínimo los depósitos de barniz en el sistema de combustible, utilice siempre un estabilizador de combustible.
Aparque la máquina en una superficie nivelada.
Apague el motor y ponga el freno de estacionamiento.
Limpie alrededor del tapón del depósito de combustible.
Llene el depósito de combustible hasta la parte inferior del cuello de llenado (Figura 7).
Note: No llene completamente el depósito de combustible. El espacio vacío en el depósito permitirá la dilatación de la gasolina.

Antes de arrancar el motor y utilizar la máquina, compruebe el nivel de aceite de motor en el cárter; consulte Comprobación del nivel de aceite del motor.
Los motores nuevos necesitan tiempo para desarrollar toda su potencia. La fricción generada por las carcasas y los sistemas de propulsión de los cortacéspedes es mayor cuando éstos son nuevos, lo que supone una carga adicional para el motor. Las máquinas nuevas necesitan un periodo de rodaje de 40–50 horas para desarrollar la máxima potencia y el mejor rendimiento.
Para evitar lesiones o la muerte en caso de un vuelco: mantenga la barra antivuelco en posición totalmente elevada y bloqueada, y utilice el cinturón de seguridad.
Asegúrese de que el asiento está sujeto a la máquina.
No hay protección contra vuelcos cuando la barra antivuelco está bajada.
Baje la barra antivuelco únicamente cuando sea imprescindible.
No use el cinturón de seguridad si la barra antivuelco está bajada.
Conduzca lentamente y con cuidado.
Eleve la barra antivuelco tan pronto como haya espacio suficiente.
Compruebe cuidadosamente que hay espacio suficiente antes de conducir por debajo de cualquier objeto en alto (por ejemplo, ramas, portales, cables eléctricos) y no entre en contacto con ellos.
Important: Baje la barra antivuelco únicamente cuando sea imprescindible.
Important: Asegúrese de que el asiento está sujeto a la máquina.
Para bajar la barra antivuelco, presione hacia adelante la parte superior de la barra.
Tire de ambos pomos hacia fuera y gírelos 90º para desengranarlos (Figura 8).
Coloque la barra antivuelco en la posición de bajada (Figura 8).

Para elevar la barra antivuelco, suba la barra a la posición de uso, y gire los pomos para que se introduzcan parcialmente en las ranuras (Figura 8).
Eleve la barra a la posición vertical, presionando sobre la parte superior de la misma; las clavijas encajarán en cuanto se alineen con los orificios (Figura 8).
Important: Utilice siempre el cinturón de seguridad cuando la barra antivuelco está en la posición elevada.
Presione sobre la barra para asegurarse de que las clavijas han quedado encajadas.
Le rogamos lea todas las instrucciones y símbolos relativos a la seguridad en la sección de seguridad. El conocer esta información puede ayudar a evitarle lesiones a usted o a otras personas.
La operación sobre hierba mojada o en pendientes escarpadas puede hacer que la máquina patine y que usted pierda el control.
No opere en pendientes o cuestas de más de 15 grados.
Reduzca la velocidad y extreme las precauciones en cuestas o pendientes.
No utilice la máquina cerca del agua.
Si una rueda pasa por el borde de un terraplén o una zanja, puede causar un vuelco, que puede dar lugar a lesiones graves o la muerte.
No utilice la máquina cerca de taludes.
El uso de la máquina con la barra antivuelco bajada puede causar graves lesiones o incluso la muerte en caso de un vuelco.
Mantenga siempre la barra antivuelco en la posición de totalmente elevada y bloqueada, y utilice el cinturón de seguridad.

Esta máquina produce niveles sonoros que superan los 85 dBA en el oído del operador, que pueden causar pérdidas auditivas en caso de periodos extendidos de exposición.
Lleve protección auditiva mientras opera esta máquina.
Se recomienda el uso de equipos de protección para los ojos, los oídos, las manos, los pies y la cabeza.

Si los interruptores de seguridad están desconectados o dañados, la máquina podría ponerse en marcha inesperadamente, causando lesiones personales.
No manipule los interruptores de seguridad.
Compruebe la operación de los interruptores de seguridad cada día, y sustituya cualquier interruptor dañado antes de utilizar la máquina.
El sistema de interruptores de seguridad ha sido diseñado para impedir que el motor arranque, a menos que:
El freno de estacionamiento esté puesto.
El mando de control de las cuchillas (TDF) está desengranado.
Las palancas de control de movimiento estén en la posición de BLOQUEO/PUNTO MUERTO.
El sistema de interruptores de seguridad también está diseñado para parar el motor cuando se muevan los controles de tracción desde la posición de bloqueo con el freno de estacionamiento puesto, o si usted se levanta del asiento cuando la toma de fuerza está engranada.
El contador de horas tiene una serie de símbolos que indican si el componente de seguridad está en la posición correcta. Cuando el componente está en la posición correcta, se enciende un triángulo en el recuadro correspondiente.

| Intervalo de mantenimiento y servicio | Procedimiento de mantenimiento |
|---|---|
| Cada vez que se utilice o diariamente |
|
Compruebe el sistema de interruptores de seguridad cada vez que vaya a trabajar con la máquina. Si el sistema no funciona de la forma que se describe a continuación, póngase en contacto con un Servicio Técnico Autorizado para que lo reparen inmediatamente.
Siéntese en el asiento, ponga el freno de estacionamiento y mueva el mando de control de las cuchillas (TDF) a ENGRANADO. Intente arrancar el motor; el motor no debe arrancar.
Siéntese en el asiento, ponga el freno de estacionamiento y mueva el mando de control de las cuchillas (TDF) a DESENGRANADO. Mueva cualquiera de las palancas de control de movimiento (fuera de la posición de BLOQUEO/PUNTO MUERTO). Intente arrancar el motor; el motor no debe arrancar. Repita con la otra palanca de control.
Siéntese en el asiento, ponga el freno de estacionamiento, mueva el mando de control de las cuchillas (TDF) a DESENGRANADO y mueva las palancas de control de movimiento a la posición de BLOQUEO/PUNTO muerto. Ahora arranque el motor. Con el motor en marcha, quite el freno de estacionamiento, engrane el mando de control de las cuchillas (TDF) y levántese un poco del asiento; el motor debe pararse.
Siéntese en el asiento, ponga el freno de estacionamiento, mueva el mando de control de las cuchillas (TDF) a DESENGRANADO y mueva las palancas de control de movimiento a la posición de BLOQUEO/PUNTO muerto. Ahora arranque el motor. Con el motor en marcha, ponga cualquiera de las palancas de control de movimiento en posición central y muévala (hacia adelante o hacia atrás); el motor debe pararse. Repita con la otra palanca de control.
Siéntese en el asiento, quite el freno de estacionamiento, mueva el mando de control de las cuchillas (TDF) a DESENGRANADO y mueva las palancas de control de movimiento a la posición de BLOQUEO/PUNTO MUERTO. Intente arrancar el motor; el motor no debe arrancar.
Para desenganchar el asiento, mueva el enganche del asiento hacia adelante (Figura 12).

El sistema de suspensión MyRide™ se ajusta para brindar una conducción sea más suave y cómoda. El ajuste de los 2 conjuntos de choque traseros es el ajuste más fácil y rápido para el cambio del sistema de suspensión. Coloque el sistema de suspensión donde le quede más cómodo.
Las ranuras para los conjuntos de choque traseros tienen posiciones de palancas de bloqueo para files de referencia. Los conjuntos de amortiguador traseros pueden colocarse en cualquier lugar de la ranura, no solo en las muescas de posicionamiento.
El siguiente gráfico muestra la posición para una conducción blanda y firme y las diferentes posiciones de las palancas de bloqueo (Figura 13).

Note: Asegúrese de que los conjuntos de choque traseros izquierdos y derechos siempre se ajusten en las mismas posiciones.
Ajuste los conjuntos de choque traseros (Figura 14).


El propietario/operador puede prevenir, y es responsable de cualquier accidente que pueda provocar lesiones personales o daños materiales.
Lleve ropa adecuada, incluso protección ocular, calzado resistente y antideslizante y protección auricular. Si tiene el pelo largo, recójaselo, y no lleve joyas o bisutería.
No utilice la máquina si está enfermo, cansado, o bajo la influencia de alcohol o drogas.
Nunca traslade pasajeros en la máquina y mantenga a otras personas y mascotas alejadas de la máquina mientras esté funcionando.
Utilice la máquina únicamente con buena visibilidad para evitar agujeros o peligros ocultos.
Evite segar hierba mojada. Una tracción reducida podría hacer que la máquina se deslice.
Antes de arrancar el motor, asegúrese de que todas las transmisiones están en punto muerto, que el freno de estacionamiento está puesto y que usted se encuentra en el puesto del operador.
Mantenga las manos y los pies alejados de las unidades de corte. Manténgase alejado del conducto de descarga en todo momento.
Mire hacia atrás y hacia abajo antes de poner marcha atrás para asegurarse de que el camino está despejado.
Tenga cuidado al acercarse a esquinas ciegas, arbustos, árboles u otros objetos que puedan dificultar su visión.
No siegue cerca de terraplenes, fosas o taludes. La máquina podría volcar repentinamente si una rueda pasa por el borde, o si se socava el borde.
Pare las cuchillas siempre que no esté segando.
Pare la máquina e inspeccione las cuchillas después de golpear un objeto o si se produce una vibración anormal en la máquina. Haga todas las reparaciones necesarias antes de volver a utilizar la máquina.
Vaya más despacio y tenga cuidado al girar y al cruzar calles y aceras con la máquina. Ceda el paso siempre.
Desconecte la transmisión a la unidad de corte y pare el motor antes de ajustar la altura de corte (a menos que pueda ajustarla desde el puesto del operador).
Nunca haga funcionar un motor donde haya gases de escape encerrados.
No deje nunca desatendida la máquina si está funcionando.
Antes de abandonar el puesto del operador (vaciar los receptores y destapar el conducto), haga lo siguiente:
Pare la máquina en una superficie nivelada.
Desengrane la toma de fuerza y baje los accesorios.
Ponga el freno de estacionamiento.
Apague el motor y retire la llave.
Espere a que se detengan todas las piezas en movimiento.
No haga funcionar la máquina cuando hay riesgo de tormentas eléctricas.
No use la máquina como un vehículo de remolque.
No cambie la velocidad del regulador ni haga funcionar el motor a una velocidad excesiva.
Utilice solamente accesorios y aperos homologados por Toro.
No retire la barra anti vuelco de la máquina.
Asegúrese de que el cinturón de seguridad esté enganchado y de que pueda desabrocharse rápidamente en caso de emergencia.
Use siempre su cinturón de seguridad cuando la barra antivuelco está subida.
Verifique con atención si hay obstrucciones en alto y evite el contacto con ellas.
Mantenga la barra antivuelco en condiciones seguras de funcionamiento, inspeccionándola periódicamente en busca de daños y manteniendo bien apretados todos los herrajes de montaje.
Si la barra antivuelco está dañada, cámbiela. No la repare ni la cambie.
Establezca sus propios procedimientos y reglas para trabajar en pendientes. Estos procedimientos deben incluir un estudio del lugar de trabajo para determinar en qué cuestas o pendientes es seguro trabajar con la máquina. Utilice siempre el sentido común y el buen juicio al realizar este estudio.
Las pendientes son una de las principales causas de accidentes por pérdida de control y vuelcos, que pueden causar lesiones graves o la muerte. El uso de la máquina en cualquier pendiente exige un cuidado especial.
Utilice la máquina a una velocidad menor cuando esté en una pendiente.
Si no se siente cómodo usando la máquina en una pendiente, no lo haga.
Esté alerta a agujeros, surcos, montículos, rocas u otros objetos ocultos. Un terreno irregular puede hacer que la máquina vuelque. La hierba alta puede ocultar obstáculos.
Seleccione una velocidad de avance baja para que no tenga que parar o cambiar de marcha mientras esté en la pendiente.
Puede producirse un vuelco antes de que los neumáticos pierdan tracción.
Evite utilizar la máquina sobre hierba mojada. Los neumáticos pueden perder la tracción, incluso si los frenos están disponibles y funcionan correctamente.
Evite arrancar, parar o girar la máquina en una pendiente.
Haga todos los movimientos en cuestas y pendientes de forma lenta y gradual. No cambie repentinamente la velocidad o la dirección de la máquina.
No utilice la máquina cerca de terraplenes, zanjas, taludes o láminas de agua. La máquina podría volcar repentinamente si una rueda pasa por el borde de un terraplén o fosa, o si se socava un talud. Establezca una zona de seguridad entre la máquina y cualquier obstáculo (el doble de la anchura de la máquina).
Ponga siempre el freno de estacionamiento cuando pare la máquina o cuando la deje desatendida.
El freno de estacionamiento puede no sujetar la máquina si está aparcada en una pendiente, y pueden producirse lesiones personales o daños materiales.
No deje el vehículo aparcado en pendientes sin calzar o bloquear las ruedas.


El mando de control de las cuchillas (TDF) arranca y detiene las cuchillas del cortacésped y cualquier accesorio conectado.
Note: El uso del mando de control de las cuchillas (TDF) con el acelerador en la posición intermedia o menos producirá un desgaste excesivo en las correas de transmisión.


Puede mover el control del acelerador entre las posiciones de RáPIDO y LENTO (Figura 19).
Utilice siempre la posición RáPIDO al activar la carcasa de corte con el mando de control de las cuchillas (TDF).

Gire la llave de contacto a la posición de ARRANQUE (Figura 20).
Note: Cuando el motor arranque, suelte la llave.
Important: No active el motor de arranque durante más de 5 segundos cada vez. Si el motor no arranca, deje que se enfríe durante 15 segundos entre intentos. Si no se siguen estas instrucciones, puede quemarse el motor de arranque.
Note: Pueden ser necesarios varios intentos de arranque para arrancar el motor por primera vez después de quedarse el sistema de combustible totalmente vacío de combustible.

Gire la llave de contacto para parar el motor.
Eleve la barra antivuelco y bloquéela, siéntese en el asiento y abroche el cinturón de seguridad.
Mueva las palancas de control de movimiento a la posición de BLOQUEO/PUNTO MUERTO.
Ponga el freno de estacionamiento; consulte Activación del freno de estacionamiento.
Mueva el mando de control de las cuchillas (TDF) a la posición de DESENGRANADO (Figura 21).
Mueva la palanca del acelerador a un punto intermedio entre las posiciones LENTO y RáPIDO.

Gire la llave de contacto a la posición de ARRANQUE (Figura 22).
Note: Cuando el motor arranque, suelte la llave.
Important: No active el motor de arranque durante más de 5 segundos cada vez. Si el motor no arranca, deje que se enfríe durante 15 segundos entre intentos. Si no se siguen estas instrucciones, puede quemarse el motor de arranque.
Note: Es posible que se requieran ciclos de arranque adicionales al arrancar el motor por primera vez si el sistema de combustible ha estado totalmente vacío.

Los niños u otras personas podrían resultar lesionados si mueven o intentan operar la máquina mientras está desatendida.
Retire siempre la llave de contacto y ponga el freno de estacionamiento cuando deje la máquina sin supervisión, aunque sea por unos pocos minutos.
Deje que el motor funcione en ralentí (tortuga) durante 60 segundos antes de girar el interruptor de encendido a la posición de DESCONECTADO.

Important: Asegúrese de que la válvula de cierre de combustible está cerrada antes de transportar o almacenar la máquina; si no, puede haber fugas de combustible. Ponga el freno de estacionamiento antes de transportar la máquina. Asegúrese de retirar la llave, puesto que la bomba de combustible puede funcionar y hacer que la batería pierda su carga.

Las ruedas motrices giran de manera independiente, impulsadas por motores hidráulicos en cada eje. Un lado puede girar hacia atrás mientras que el otro lado gira hacia adelante, haciendo que la máquina rote sobre su eje en lugar de trazar una curva. Esto mejora mucho la maniobrabilidad de la máquina, pero puede ser necesario un periodo de adaptación si no está familiarizado con este sistema.
El control del acelerador regula la velocidad del motor en rpm (revoluciones por minuto). Ponga el acelerador en posición RáPIDO para conseguir el mejor rendimiento. Siegue siempre con el acelerador en posición rápido.
La máquina puede girar muy rápidamente. Usted puede perder el control de la máquina y causar lesiones personales o daños a la máquina.
Extreme las precauciones al girar.
Reduzca la velocidad de la máquina antes de hacer giros cerrados.
Note: El motor se para si usted mueve el control de tracción con el freno de estacionamiento puesto.
Para detenerse, tire de las palancas de control de movimiento a la posición de Punto MUERTO.
Quite el freno de estacionamiento; consulte Desactivación del freno de estacionamiento.
Mueva las palancas a la posición central de desbloqueo.
Para ir hacia adelante, empuje lentamente las palancas de control de movimiento hacia adelante (Figura 25).

Mueva las palancas a la posición central, desbloqueadas.
Para ir hacia atrás, tire lentamente de las palancas de control de movimiento hacia atrás (Figura 26).

Para detener la máquina, ponga las palancas de control de tracción en punto muerto y muévalas a la posición de bloqueo, desengrane el mando de control de las cuchillas (TDF) y gire la llave de contacto a la posición de DESCONECTADO.
Ponga el freno de estacionamiento si va a dejar la máquina desatendida; consulte Activación del freno de estacionamiento. Recuerde retirar la llave del interruptor de encendido.
Los niños u otras personas podrían resultar lesionados si mueven o intentan operar la máquina mientras está desatendida.
Retire siempre la llave de contacto y ponga el freno de estacionamiento cuando deje la máquina sin supervisión, aunque sea por unos pocos minutos.
El cortacésped cuenta con un deflector de hierba abisagrado que dispersa los recortes de hierba a un lado y hacia abajo, hacia el césped.
Si la máquina no tiene correctamente montado un deflector de hierba, una tapa de descarga o un recogedor completo, usted y otras personas están expuestos a contacto con las cuchillas y a residuos lanzados al aire. El contacto con las cuchillas del cortacésped en rotación y con los residuos lanzados al aire causará lesiones o muerte.
No retire nunca el deflector de hierba del cortacésped porque el deflector de hierba dirige el material hacia abajo al césped. Si el deflector de hierba se deteriora alguna vez, sustitúyalo inmediatamente.
No coloque nunca las manos o los pies debajo del cortacésped.
No intente nunca despejar la zona de descarga o las cuchillas del cortacésped sin antes mover la toma de fuerza (mando de control de las cuchillas/TDF) a la posición de DESENGRANADO, girar la llave de contacto a DESCONECTADO y retirar la llave.
Compruebe que el deflector de hierba está bajado.
El bloqueo de transporte tiene dos posiciones y se utiliza conjuntamente con el pedal de elevación de la carcasa. Hay una posición de BLOQUEADO y una posición de DESBLOQUEADO para la posición de transporte (Figura 27).

La altura de corte se ajusta desde 25 mm a 140 mm (1" a 5½") en incrementos de 6 mm (¼") colocando el pasador en diferentes taladros.
Mueva el bloqueo de transporte a la posición de bloqueado.
Pise el pedal de elevación de la carcasa y eleve la carcasa a la posición de transporte (que es también la posición de altura de corte de 140 mm [5½"]) como se muestra en Figura 28.
Para ajustar la altura de corte, gire el pasador 90 grados y retire el pasador del soporte de altura de corte (Figura 28).
Seleccione el taladro del soporte de altura de corte que corresponde a la altura de corte deseada, e inserte el pasador (Figura 28).
Pise el pedal de elevación de la carcasa y baje lentamente la carcasa del cortacésped.

Se recomienda que cada vez que usted cambie la altura de corte, ajuste también la altura de los rodillos protectores del césped.
Desengrane el mando de control de las cuchillas (TDF), ponga las palancas de control de movimiento en la posición de BLOQUEO/PUNTO MUERTO, y ponga el freno de estacionamiento.
Pare el motor, retire la llave y espere a que se detengan todas las piezas en movimiento antes de abandonar el puesto del operador.
Ajuste los rodillos protectores del césped según se muestra en Figura 29, Figura 30 y Figura 31.



Este procedimiento es aplicable solamente a máquinas equipadas con bloqueos del deflector de flujo. Algunos modelos tienen pernos y tuercas en lugar de los bloqueos del deflector, y se ajustan de la misma manera.
El flujo de descarga del cortacésped puede ajustarse para diferentes condiciones de siega. Coloque los bloqueos de leva y el deflector para obtener la mejor calidad de corte.
Desengrane el mando de control de las cuchillas (TDF), ponga las palancas de control de movimiento en la posición de BLOQUEO/PUNTO MUERTO, y ponga el freno de estacionamiento.
Pare el motor, retire la llave y espere a que se detengan todas las piezas en movimiento antes de abandonar el puesto del operador.
Para ajustar los bloqueos de leva, levante la palanca para aflojar el bloqueo de leva (Figura 32).
Ajuste el deflector y los bloqueos de leva en las ranuras según el flujo de descarga deseado.
Devuelva la palanca a su posición original para apretar el deflector y los bloqueos de leva (Figura 32).
Si las levas no inmovilizan correctamente el deflector, o si éste está demasiado apretado, afloje la palanca y luego gire el bloqueo de leva.
Note: Ajuste el bloqueo de leva hasta obtener la presión de fijación deseada.

Las figuras siguientes son simplemente recomendaciones de uso. Los ajustes variarán según el tipo de hierba, el contenido de humedad y la altura de la hierba.
Note: Si la potencia del motor empieza a caer, y la velocidad de avance del cortacésped es la misma, abra más el deflector.
Esta es la posición más atrasada. Los usos recomendados para esta posición son:
Siega de hierba corta y ligera
Condiciones secas
Recortes de hierba más pequeños
Propulsa los recortes de hierba más lejos del cortacésped

Utilice esta posición para ensacar. Alinéelo siempre con la abertura del deflector.

Ésta es la posición más abierta posible. Los usos recomendados para esta posición son:
Siega de hierba larga y densa.
Condiciones húmedas
Reduce el consumo del motor
Permite una mayor velocidad de avance en condiciones pesadas

Para aumentar al máximo la calidad de corte y la circulación de aire, opere el motor en la posición de RáPIDO. Se requiere aire para cortar bien la hierba, así que no ponga la altura de corte tan baja como para rodear totalmente el cortacésped de hierba sin cortar. Trate siempre de tener un lado del cortacésped libre de hierba sin cortar, para permitir la entrada de aire en la máquina.
Corte la hierba algo más larga de lo habitual para asegurar que la altura de corte del cortacésped no deje “calvas” en terrenos desiguales. Sin embargo, la altura de corte utilizada habitualmente suele ser la mejor. Si la hierba tiene más de 15 cm (6") de alto, es preferible cortar el césped dos veces para asegurar una calidad de corte aceptable.
Es mejor cortar solamente un tercio aproximadamente de la hoja de hierba. No se recomienda cortar más, a menos que la hierba sea escasa o al final del otoño, cuando la hierba crece más despacio.
Alterne la dirección de corte para mantener la hierba erguida. De esta forma también se ayuda a dispersar mejor los recortes sobre el césped y se conseguirá una mejor descomposición y fertilización.
La hierba crece a velocidades diferentes en diferentes épocas del año. Para mantener la misma altura de corte, corte el césped con más frecuencia durante la primavera. A medida que avanza el verano, la velocidad de crecimiento de la hierba decrece, por ello debe cortarse con menor frecuencia. Si no puede segar durante un período de tiempo prolongado, siegue primero con una altura de corte alta y, después de dos días, vuelva a segar con un ajuste más bajo.
Para mejorar la calidad de corte, utilice una velocidad de avance más baja en determinadas condiciones.
Al cortar césped de altura irregular, eleve la altura de corte para evitar arrancar el césped.
Si es necesario detener el avance de la máquina mientras se corta el césped, es posible que caiga un montón de recortes sobre el césped. Para evitar esto, diríjase con las cuchillas engranadas a una zona del césped que ya haya sido segada, o desengrane la carcasa de corte al desplazarse hacia adelante.
Limpie los recortes y la suciedad de los bajos del cortacésped después de cada uso. Si la hierba y la suciedad se acumulan en el interior del cortacésped, se deteriorará la calidad del corte.
Mantenga las cuchillas afiladas durante toda la temporada de corte, ya que una cuchilla afilada corta limpiamente y sin rasgar o deshilachar las hojas de hierba. Si se rasgan o se deshilachan, los bordes de las hojas se secarán, lo cual retardará su crecimiento y favorecerá la aparición de enfermedades. Compruebe después de cada uso que las cuchillas están bien afiladas y que no están desgastadas o dañadas. Elimine cualquier mella con una lima, y afile las cuchillas si es necesario. Si una cuchilla está desgastada o deteriorada, sustitúyala inmediatamente por una cuchilla nueva genuina Toro.
Limpie la hierba y los residuos de las unidades de corte, los silenciadores y el compartimiento del motor para ayudar a prevenir incendios. Limpie cualquier aceite o combustible derramado.
Cierre el combustible antes de almacenar o transportar la máquina.
Desconecte la transmisión a los accesorios siempre que transporte la máquina o no vaya a utilizarla.
Utilice rampas de ancho completo para cargar la máquina en un remolque o un camión.
Amarre la máquina firmemente con correas, cadenas, cables o cuerdas. Tanto las correas delanteras como las traseras deben orientarse hacia abajo y hacia fuera respecto a la máquina.
Espere a que se enfríe el motor antes de guardar la máquina en un recinto cerrado.
No guarde nunca la máquina o un recipiente de combustible en un lugar donde pudiera haber una llama desnuda, chispas o una llama piloto, por ejemplo en un calentador de agua u otro electrodoméstico.
La válvula de cierre de combustible está situada debajo del asiento. Mueva el asiento hacia adelante para tener acceso.
Cierre la válvula de cierre de combustible durante el transporte, el mantenimiento y el almacenamiento.
Asegúrese de que la válvula de cierre del combustible está abierta antes de arrancar el motor.

Las manos pueden enredarse en los componentes giratorios de la transmisión, debajo de la carcasa del motor, lo que podría dar lugar a lesiones graves.
Pare el motor, retire la llave y espere a que se detengan todas las piezas móviles antes de acceder a las válvulas de liberación de las ruedas motrices.
El motor y las transmisiones hidráulicas pueden alcanzar temperaturas muy altas. El contacto con un motor o una transmisión hidráulica caliente puede causar quemaduras graves.
Deje que se enfríen totalmente el motor y las transmisiones hidráulicas antes de acceder a las válvulas de liberación de las ruedas motrices.
Las válvulas de liberación de las ruedas motrices están situadas en la parte trasera de cada unidad de transmisión hidráulica, debajo del asiento.
Note: Asegúrese de que las válvulas de desvío están en posición totalmente horizontal antes de utilizar la máquina; de lo contrario pueden producirse graves daños en el sistema hidráulico.
Desengrane el mando de control de las cuchillas (TDF), gire la llave de contacto a la posición de DESCONECTADO, mueva las palancas a la posición de BLOQUEO/PUNTO MUERTO, ponga el freno de estacionamiento y retire la llave.
Gire las palancas de las válvulas de liberación a la posición vertical para empujar la máquina. Esto permite que el fluido hidráulico se desvíe alrededor de la bomba, dejando que las ruedas giren (Figura 37).
Desengrane el freno de estacionamiento antes de empujar la máquina.

Gire las palancas de las válvulas de desvío a la posición horizontal para conducir la máquina (Figura 37).
Utilice un remolque para cargas pesadas o un camión para transportar la máquina. Asegúrese de que el remolque o el camión tenga todos los frenos y todas las luces y señalizaciones requeridos por la ley. Por favor, lea cuidadosamente todas las instrucciones de seguridad. Esta información puede ayudarle a evitar lesiones al operador, a su familia, a sus animales domésticos o a personas que se encuentren en las proximidades.
Conducir en una calle o carretera sin señales de giro, luces, marcas reflectantes o un indicador de vehículo lento es peligroso y puede ser causa de accidentes que pueden provocar lesiones personales.
No conduzca la máquina en una calle o carretera pública.
Si utiliza un remolque, conéctelo al vehículo que lo arrastra y conecte las cadenas de seguridad.
En su caso, conecte los frenos del remolque.
Cargue la máquina en el remolque o camión.
Apague el motor, retire la llave, ponga el freno de estacionamiento y cierre la válvula de combustible.
Utilice los puntos de amarre de la máquina para sujetarla firmemente al remolque o al camión con correas, cadenas, cables o cuerdas (Figura 38).

Extreme las precauciones al cargar o descargar la máquina en o desde un remolque o un camión. Utilice una rampa de ancho completo que sea más ancha que la máquina durante este procedimiento. Suba la máquina por la rampa en marcha atrás y baje la máquina por la rampa conduciendo hacia adelante (Figura 39).

Important: No utilice rampas estrechas individuales en cada lado de la máquina.
El cargar la máquina en un remolque o un camión aumenta la posibilidad de un vuelco y podría causar lesiones graves o la muerte.
Extreme las precauciones al hacer funcionar la máquina en una rampa.
Asegúrese de que la barra antivuelco está en la posición elevada, y utilice el cinturón de seguridad al cargar o descargar la máquina. Asegúrese de que hay espacio suficiente entre la barra antivuelco y el techo si usa un remolque cerrado.
Utilice únicamente una rampa de ancho completo; no utilice rampas individuales para cada lado de la máquina.
No supere un ángulo de 15 grados entre la rampa y el suelo, o entre la rampa y el remolque o camión.
Asegúrese de que la rampa tiene una longitud de al menos cuatro veces la altura de la plataforma del remolque o del camión sobre el suelo. De esta forma se asegura que el ángulo de la rampa no supere los 15 grados en terreno llano.
Suba la máquina por la rampa en marcha atrás y baje la máquina por la rampa conduciendo hacia adelante.
Evite acelerar o desacelerar bruscamente al conducir la máquina en una rampa, porque esto podría provocar un vuelco o una pérdida de control.

| Intervalo de mantenimiento y servicio | Procedimiento de mantenimiento |
|---|---|
| Después de las primeras 8 horas |
|
| Después de las primeras 100 horas |
|
| Después de las primeras 250 horas |
|
| Cada vez que se utilice o diariamente |
|
| Cada 50 horas |
|
| Cada 100 horas |
|
| Cada 150 horas |
|
| Cada 200 horas |
|
| Cada 250 horas |
|
| Cada 300 horas |
|
| Cada 500 horas |
|
| Cada 600 horas |
|
| Cada mes |
|
| Cada año |
|
| Cada año o antes del almacenamiento |
|
Important: Consulte los demás procedimientos de mantenimiento del manual del propietario del motor.
Si deja la llave en el interruptor de encendido, alguien podría arrancar el motor accidentalmente y causar lesiones graves a usted o a otras personas.
Retire la llave de contacto antes de realizar cualquier operación de mantenimiento.
Antes de reparar la máquina, haga lo siguiente:
Desengrane las transmisiones.
Ponga el freno de estacionamiento.
Apague el motor y retire la llave.
Desconecte el cable de la bujía.
Aparque la máquina en una superficie nivelada.
Limpie la hierba y los residuos de la unidad de corte, las transmisiones, los silenciadores y el motor para prevenir incendios.
Limpie cualquier aceite o combustible derramado.
Deje que el motor se enfríe antes de almacenar la máquina.
No almacene la máquina o el combustible cerca de una llama, y no drene el combustible dentro de un edificio.
No permita que personas que no hayan recibido formación realicen mantenimiento en la máquina.
Utilice soportes fijos para apoyar la máquina y/o sus componentes cuando sea necesario.
Alivie con cuidado la tensión de aquellos componentes que tengan energía almacenada.
Desconecte la batería o retire el cable de la bujía antes de efectuar una reparación. Desconecte primero el terminal negativo y luego el positivo. Conecte primero el positivo y luego el terminal negativo.
Tenga cuidado al comprobar las cuchillas. Envuelva la(s) cuchilla(s) o lleve guantes gruesos, y extreme las precauciones al realizar tareas de mantenimiento. Cambie las cuchillas únicamente; no las enderece ni las suelde nunca.
Mantenga las manos y los pies alejados de las piezas en movimiento. Si es posible, no haga ajustes mientras el motor está funcionando.
Mantenga todas las piezas en buenas condiciones de uso y todos los herrajes bien apretados, especialmente los pernos de fijación de cuchillas. Sustituya cualquier pegatina desgastada o deteriorada.
No interfiera nunca con la funcionalidad prevista de un dispositivo de seguridad, ni reduzca la protección proporcionada por un dispositivo de seguridad. Compruebe regularmente que funcionan correctamente.
Para asegurar un rendimiento óptimo y mantener la certificación de seguridad de la máquina, utilice solamente piezas y accesorios genuinos Toro. Las piezas de repuesto y accesorios de otros fabricantes podrían ser peligrosos, y su uso podría invalidar la garantía del producto.
Compruebe frecuentemente el funcionamiento del freno de estacionamiento. Ajústelos y realice el mantenimiento de los mismos cuando sea necesario.
Engrase con más frecuencia si la zona de trabajo tiene mucho polvo o arena.
Tipo de grasa: Grasa de litio Nº 2 o grasa de molibdeno
Desengrane el mando de control de las cuchillas (TDF), ponga las palancas de control de movimiento en la posición de BLOQUEO/PUNTO MUERTO, y ponga el freno de estacionamiento.
Pare el motor, retire la llave y espere a que se detengan todas las piezas en movimiento antes de abandonar el puesto del operador.
Limpie con un trapo los puntos de engrase.
Note: Asegúrese de rascar cualquier pintura de la parte delantera de los acoplamientos.
Conecte una pistola de engrasar al punto de engrase.
Bombee grasa hasta que empiece a rezumar grasa de los cojinetes.
Limpie cualquier exceso de grasa.
| Intervalo de mantenimiento y servicio | Procedimiento de mantenimiento |
|---|---|
| Cada 100 horas |
|
Lubrique los pivotes de elevación de la carcasa.

| Intervalo de mantenimiento y servicio | Procedimiento de mantenimiento |
|---|---|
| Cada 50 horas |
|
Important: Asegúrese cada semana de que los ejes de la unidad de corte están llenos de grasa.
Desengrane el mando de control de las cuchillas (TDF), ponga las palancas de control de movimiento en la posición de BLOQUEO/PUNTO MUERTO, y ponga el freno de estacionamiento.
Pare el motor, retire la llave y espere a que se detengan todas las piezas en movimiento antes de abandonar el puesto del operador.
Engrase el pivote de la polea tensora de la carcasa de corte hasta que salga grasa por el extremo inferior (Figura 42).
Si su máquina tiene ejes engrasables, engrase los cojinetes de los 3 ejes hasta que salga grasa de las juntas inferiores (Figura 42).

| Intervalo de mantenimiento y servicio | Procedimiento de mantenimiento |
|---|---|
| Cada año |
|
Engrase el brazo tensor de la correa de la bomba (Figura 43).

| Intervalo de mantenimiento y servicio | Procedimiento de mantenimiento |
|---|---|
| Cada año |
|
Retire el tapón antipolvo y ajuste los pivotes de las ruedas.
Note: No coloque el tapón hasta que termine de engrasar.
Retire el tapón hexagonal.
Enrosque un engrasador en el orificio.
Bombee grasa en el engrasador hasta que rezume por el cojinete superior.
Retire el engrasador del orificio.
Instale el tapón hexagonal y la tapa (Figura 44).

Engrase los cojinetes de las ruedas giratorias (Figura 44).
| Intervalo de mantenimiento y servicio | Procedimiento de mantenimiento |
|---|---|
| Cada año |
|
Pare el motor, espere a que se detengan todas las piezas en movimiento, retire la llave y ponga el freno de estacionamiento.

Eleve el cortacésped para facilitar el acceso.
Retire la rueda giratoria de la horquilla.
Retire los protectores de los retenes del cubo de la rueda.
Retire una tuerca espaciadora del eje de la rueda giratoria.
Note: Las tuercas espaciadoras llevan adhesivo de roscas para pegarlas al eje.
Retire el eje (con la otra tuerca espaciadora aún montada en el mismo) del conjunto de la rueda.
Retire los retenes haciendo palanca, e inspeccione los cojinetes en busca de señales de desgaste o daños; sustitúyalos si es necesario.
Llene los cojinetes con grasa de propósito general.
Introduzca un cojinete y un retén nuevo en la rueda.
Note: Cambie las juntas.
Si en el conjunto del eje faltan ambas tuercas espaciadoras, aplique un adhesivo de roscas a 1 tuerca espaciadora y enrósquela en el eje con los segmentos planos hacia fuera.
Note: No enrosque la tuerca espaciadora completamente en el extremo del eje. Deje un espacio de 3 mm (⅛") aproximadamente entre la superficie exterior de la tuerca espaciadora y el extremo del eje, dentro de la tuerca).
Introduzca el eje con la tuerca montada en él en la rueda, en el lado que contiene el retén nuevo y el cojinete.
Con la cara abierta de la rueda hacia arriba, llene el interior de la rueda alrededor del eje con grasa de propósito general.
Introduzca el segundo cojinete y un retén nuevo en la rueda.
Aplique adhesivo de roscas a la segunda tuerca espaciadora y enrósquela sobre el eje con los segmentos planos para llave inglesa hacia fuera.
Apriete la tuerca a 8–9 N·m (75–80 pulgadas-libra), aflójela, luego apriétela a 2–3 N·m (20–25 pulgadas-libra).
Note: Asegúrese de que el eje no sobresale de ninguna de las tuercas.
Instale los protectores de los retenes sobre el cubo de la rueda e introduzca la rueda en la horquilla.
Instale el perno de la rueda y apriete la tuerca del todo.
Important: Para evitar que se dañen el cojinete y el retén, compruebe el ajuste del cojinete a menudo. Gire la rueda. La rueda no debe girar libremente (más de 1–2 vueltas), ni tener holgura lateral. Si la rueda gira libremente, ajuste el apriete de la tuerca espaciadora hasta que quede ligeramente frenada. Aplique otra capa de adhesivo sellador de roscas.
El contacto con superficies calientes puede causar lesiones personales.
Mantenga las manos, los pies, la cara, la ropa y otras partes del cuerpo alejados del tubo de escape y de otras superficies calientes.
Pare el motor antes de comprobar el aceite o añadir aceite al cárter.
| Intervalo de mantenimiento y servicio | Procedimiento de mantenimiento |
|---|---|
| Cada 150 horas |
|
| Cada 300 horas |
|
| Cada 600 horas |
|
Note: Compruebe los filtros con más frecuencia en condiciones de funcionamiento de mucho polvo o arena.
Desengrane la TDF, mueva las palancas de control de movimiento a la posición de BLOQUEO/PUNTO MUERTO, y ponga el freno de estacionamiento.
Pare el motor, retire la llave y espere a que se detengan todas las piezas en movimiento antes de abandonar el puesto del operador.
Abra los cierres del limpiador de aire y tire de la tapa de la entrada de aire para separarla del cuerpo del limpiador de aire (Figura 46).
Limpie la rejilla y la tapa del filtro de aire.
Instale la tapa de la entrada de aire y sujétela con los enganches (Figura 46).

Abra los cierres del limpiador de aire y tire de la tapa de la entrada de aire para separarla del cuerpo del limpiador de aire (Figura 47).
Limpie el interior de la tapa del limpiador de aire con aire comprimido.
Extraiga con cuidado el filtro primario de la carcasa del limpiador de aire (Figura 47).
Note: Evite golpear el filtro contra el lado de la carcasa.
Retire el filtro interno únicamente si piensa cambiarlo.
Important: No intente nunca limpiar el filtro interno. Si el filtro de seguridad está sucio, entonces el filtro primario está dañado. Cambie ambos filtros.

Inspeccione el filtro primario mirando dentro del mismo mientras dirige una luz potente al exterior del filtro.
Note: Cualquier agujero del filtro aparecerá en forma de punto luminoso. Si el filtro está dañado, deséchelo.
Si el filtro primario está sucio, doblado o dañado, cámbielo.
No limpie el filtro primario.
Cambie el filtro de seguridad; no lo limpie nunca.
Important: No intente limpiar el filtro de seguridad. Si el filtro de seguridad está sucio, entonces el filtro primario está dañado. Cambie ambos filtros.
Important: Para evitar dañar el motor, no haga funcionar nunca el motor sin que estén instalados ambos filtros de aire y la tapa.
Si está instalando filtros nuevos, compruebe cada filtro para asegurarse de que no ha sufrido daños durante el transporte.
Note: No utilice un filtro dañado.
Si va a cambiar el filtro interno, deslícelo cuidadosamente en el cuerpo del filtro (Figura 47).
Deslice cuidadosamente el filtro primario por encima del filtro interno (Figura 47).
Note: Asegúrese de que el filtro primario está bien asentado empujando sobre el borde exterior mientras lo instala.
Important: No empuje sobre la zona blanda interior del filtro.
Instale la tapa del limpiador de aire y fije los cierres (Figura 47).
Tipo de aceite: Aceite detergente (Servicio API SJ o superior)
Capacidad de aceite: con un cambio de filtro, 1.9 litros (2.0 cuartos de galón US); sin cambio de filtro, 1.60 litros (54.4 onzas)
Viscosidad: Consulte la tabla siguiente.

Note: Es aceptable utilizar aceite sintético 5W-20 o 5W-30, hasta los 4 °C (40 °F).
Note: Los aceites sintéticos mejoran el arranque en temperaturas de frío extremo, por debajo de los -23 °C (-10 °F).
| Intervalo de mantenimiento y servicio | Procedimiento de mantenimiento |
|---|---|
| Cada vez que se utilice o diariamente |
|
Note: Compruebe el aceite con el motor frío.
El contacto con superficies calientes puede causar lesiones personales.
Mantenga las manos, los pies, la cara, la ropa y otras partes del cuerpo alejados del tubo de escape y de otras superficies calientes.
Important: No llene excesivamente el cárter de aceite, ya que esto podría dañar el motor. No haga funcionar el motor si el nivel de aceite está por debajo de la marca Bajo porque podría dañar el motor.
Desengrane la TDF, mueva las palancas de control de movimiento a la posición de BLOQUEO/PUNTO MUERTO, y ponga el freno de estacionamiento.
Pare el motor, retire la llave y espere a que se detengan todas las piezas en movimiento antes de abandonar el puesto del operador (Figura 49).


| Intervalo de mantenimiento y servicio | Procedimiento de mantenimiento |
|---|---|
| Después de las primeras 8 horas |
|
| Cada 100 horas |
|
Note: Elimine el aceite usado en un centro de reciclaje.
Arranque el motor y déjelo funcionar durante 5 minutos.
Note: De esta forma, el aceite se calentará y será más fácil drenarlo.
Aparque la máquina de manera que la parte trasera esté ligeramente más baja que la parte delantera para asegurar que el aceite se drene completamente.
Desengrane la TDF, mueva las palancas de control de movimiento a la posición de BLOQUEO/PUNTO MUERTO, y ponga el freno de estacionamiento.
Pare el motor, retire la llave y espere a que se detengan todas las piezas en movimiento antes de abandonar el puesto del operador (Figura 50).


Vierta lentamente un 80% aproximadamente del aceite especificado por el tubo de llenado, luego añada lentamente el resto del aceite hasta que llegue a la marca de Lleno (Figura 51).

Arranque el motor y conduzca hasta una zona llana.
Compruebe el nivel de aceite otra vez.
| Intervalo de mantenimiento y servicio | Procedimiento de mantenimiento |
|---|---|
| Cada 200 horas |
|
Note: Cambie el filtro de aceite del motor con más frecuencia si la zona de operaciones tiene mucho polvo o arena.
Drene el aceite del motor; consulte Cómo cambiar el aceite del motor.
Sustituya el filtro de aceite del motor (Figura 52).


Note: Asegúrese de que la junta del filtro de aceite toca el motor, luego apriete el filtro de aceite ¾ de vuelta más.
Llene el cárter con el tipo correcto de aceite nuevo; consulte Cómo cambiar el aceite del motor.
| Intervalo de mantenimiento y servicio | Procedimiento de mantenimiento |
|---|---|
| Cada 200 horas |
|
Asegúrese de que la distancia entre los electrodos central y lateral es correcta antes de instalar la bujía. Utilice una llave de bujías para desmontar e instalar la(s) bujía(s) y una galga de espesores/herramienta para electrodos para comprobar y ajustar la distancia entre los mismos. Instale una o más bujías nuevas si es necesario.
Tipo: Champion® XC12YC o equivalente
Distancia entre electrodos: 0,76 mm (0,030")
Apriete a 24.4–29.8 N·m (18–22 pies-libra)
Pare el motor, retire la llave y espere a que se detengan todas las piezas en movimiento antes de abandonar el puesto del operador.
Desengrane la TDF, mueva las palancas de control de movimiento a la posición de BLOQUEO/PUNTO MUERTO, y ponga el freno de estacionamiento.
Retire la cubierta de la unidad hidráulica izquierda en el orden indicado en Figura 53. Así tendrá acceso a la bujía delantera.


Retire la bujía.


Instale la cubierta de la unidad hidráulica izquierda (Figura 53).
Important: Cambie siempre la(s) bujía(s) si tiene(n): un revestimiento negro, los electrodos desgastados, una película aceitosa o grietas, o si duda de la conveniencia de reutilizarla(s).
Si se observa un color gris o marrón claro en el aislante, el motor está funcionando correctamente. Si el aislante tiene un recubrimiento negro, significa que el limpiador de aire está sucio.
Ajuste la distancia a 0.76 mm (0.030").

Apriete la(s) bujía(s) a 24.4–29.8 N·m (18–22 pies-libra).

| Intervalo de mantenimiento y servicio | Procedimiento de mantenimiento |
|---|---|
| Cada 50 horas |
|
Los componentes calientes del sistema de escape pueden incendiar los vapores de combustible, incluso con el motor apagado. Las partículas calientes expulsados durante la operación del motor pueden incendiar materiales inflamables. El fuego puede dar lugar a lesiones personales o daños materiales.
No reposte ni ponga en marcha el motor si el parachispas no está instalado.
Pare el motor, espere a que se detengan todas las piezas en movimiento, retire la llave y ponga el freno de estacionamiento.
Espere a que se enfríe el silenciador.
Si hay roturas en la rejilla o en las soldaduras, sustituya el parachispas.
Si la rejilla está atascada, retire el parachispas y sacuda la rejilla para eliminar partículas sueltas, luego límpiela con un cepillo de alambre (sumérjala en disolvente si es necesario).
Instale el parachispas en la salida del tubo de escape.
Los componentes del sistema de combustible están sometidos a alta presión. El uso de componentes incorrectos puede dar lugar a fallos del sistema, fugas de combustible y posible explosión.
Utilice únicamente tubos de combustible y filtros de combustible homologados.
Esta máquina contiene un sistema electrónico de inyección de combustible. Controla el caudal de combustible bajo diferentes condiciones de uso.
La unidad de control electrónica (UCE) monitoriza constantemente el funcionamiento del sistema de control de combustible.
Si se detecta un problema o una avería en el sistema, se enciende el indicador de avería multifunción (IAM). El IAM es el piloto rojo situado en el panel derecho de la consola.
Si se enciende el IAM, realice las comprobaciones iniciales de localización de fallos; consulte la sección IAM, en .
Si estas comprobaciones no corrigen el problema, será necesario que un Servicio Técnico Autorizado realice un diagnóstico y mantenimiento completos.
| Intervalo de mantenimiento y servicio | Procedimiento de mantenimiento |
|---|---|
| Cada 200 horas |
|
El filtro de combustible está situado cerca de la parte delantera o trasera del motor.
Desengrane el mando de control de las cuchillas (TDF), ponga las palancas de control de movimiento en la posición de BLOQUEO/PUNTO MUERTO, y ponga el freno de estacionamiento.
Pare el motor, retire la llave y espere a que se detengan todas las piezas en movimiento antes de abandonar el puesto del operador.
Deje que la máquina se enfríe.
Cierre la válvula de cierre de combustible, situada debajo del asiento (Figura 57).

Apriete los extremos de las abrazaderas y deslícelas por la manguera alejándolas del filtro (Figura 57).
Desmonte el filtro de los tubos de combustible.
Instale un filtro nuevo y acerque las abrazaderas al filtro (Figura 57).
Abra la válvula de cierre del combustible.
Important: Instale los tubos de combustible y sujételos con bridas de plástico de la misma manera que estaban al salir de la fábrica, para mantener los tubos de combustible alejados de componentes que podrían dañar los tubos.
No intente realizar ninguna tarea de mantenimiento en el filtro de combustible de alta presión. El filtro de alta presión está integrado en el módulo de la bomba de combustible. El filtro de combustible y los demás componentes del módulo de la bomba de combustible no pueden ser reparados por el usuario.
Important: No intente abrir el módulo de la bomba de combustible.
La sustitución del módulo de la bomba de combustible con el filtro de combustible de alta presión debe ser realizada únicamente por un Servicio Técnico Autorizado.
No intente vaciar el depósito de combustible. Asegúrese de que el vaciado del depósito de combustible y el mantenimiento de cualquier componente del sistema de combustible sea realizado por un Servicio Técnico Autorizado.
Desconecte la batería antes de reparar la máquina. Desconecte primero el terminal negativo y luego el positivo. Conecte primero el positivo y luego el terminal negativo.
Cargue la batería en una zona abierta y bien ventilada, lejos de chispas y llamas. Desenchufe el cargador antes de conectar o desconectar la batería. Lleve ropa protectora y utilice herramientas aisladas.
Los bornes, terminales y otros accesorios de la batería contienen plomo y compuestos de plomo, productos químicos reconocidos por el Estado de California como causantes de cáncer y daños reproductivos. Lávese las manos después de manejar el material.
| Intervalo de mantenimiento y servicio | Procedimiento de mantenimiento |
|---|---|
| Cada mes |
|
El electrolito de la batería contiene ácido sulfúrico, que es mortal si es ingerido y causa quemaduras graves.
No beba electrolito y evite el contacto con la piel, los ojos y la ropa. Lleve gafas de seguridad para proteger sus ojos, y guantes de goma para proteger sus manos.
Los terminales de la batería o una herramienta metálica podrían hacer cortocircuito si entran en contacto con los componentes metálicos de la máquina, causando chispas. Las chispas podrían hacer explotar los gases de la batería, causando lesiones personales.
Al retirar o colocar la batería, no deje que los bornes toquen ninguna parte metálica de la máquina.
No deje que las herramientas metálicas hagan cortocircuito entre los bornes de la batería y las partes metálicas de la máquina.
Un enrutado incorrecto de los cables de la batería podría dañar la máquina y los cables, causando chispas. Las chispas podrían hacer explotar los gases de la batería, causando lesiones personales.
Desconecte siempre el cable negativo (negro) de la batería antes de desconectar el cable positivo (rojo).
Conecte siempre el cable positivo (rojo) de la batería antes de conectar el cable negativo (negro).
Desengrane el mando de control de las cuchillas (TDF), ponga las palancas de control de movimiento en la posición de BLOQUEO/PUNTO MUERTO, y ponga el freno de estacionamiento.
Pare el motor, retire la llave y espere a que se detengan todas las piezas en movimiento antes de abandonar el puesto del operador.
Retire la batería, según se muestra en Figura 58.

Note: Coloque la batería en la bandeja, con los bornes frente al depósito de aceite hidráulico (Figura 58).

El proceso de carga de la batería produce gases que pueden explotar.
No fume nunca cerca de la batería, y mantenga alejados de la batería chispas y llamas.
Important: Mantenga siempre la batería completamente cargada (densidad de 1.265). Esto es especialmente importante para evitar daños a la batería cuando la temperatura está por debajo de los 0 °C (32 °F).
Cargue la batería durante 10 a 15 minutos a 25–30 A o durante 30 minutos a 10 A.
Cuando la batería esté completamente cargada, desconecte el cargador de la toma de electricidad, luego desconecte los cables del cargador de los bornes de la batería (Figura 60).
Instale la batería en la máquina y conecte los cables de la batería; consulte Instalación de la batería.
Note: No haga funcionar la máquina con la batería desconectada; puede causar daños al sistema eléctrico.

El sistema eléctrico está protegido con fusibles. No requiere mantenimiento; no obstante, si se funde un fusible, compruebe que no hay avería ni cortocircuito en el componente/circuito.
Compruebe y limpie cualquier corrosión de los bornes de la batería antes de arrancar el motor con la ayuda de una batería externa. Asegúrese de que las conexiones están bien apretadas.
La corrosión y las conexiones sueltas pueden causar picos de voltaje no deseados en cualquier momento durante el procedimiento de arranque externo.
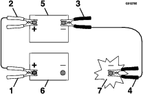
Ni intente arrancar la máquina si los bornes de la batería están sueltos o corroídos, porque podría dañar el motor o el sistema de inyección de combustible.
Cualquier intento de arrancar una batería agrietada, congelada, con bajo nivel de electrolito o que tenga una celda abierta o cortocircuitada podría provocar una explosión y causar lesiones personales graves.
No arranque una batería descargada si existe cualquiera de estas condiciones.
Asegúrese de que la batería externa es una batería de ácido-plomo de 12.6 voltios o más, y que está en buenas condiciones y completamente cargada.
Note: Utilice cables pasa-corriente de la sección correcta que no sean demasiado largos a fin de reducir la caída de voltaje entre los dos sistemas. Asegúrese de que los cables están codificados por color o etiquetados con la polaridad correcta.
Una mala conexión (polaridad incorrecta) de los cables pasa-corriente puede dañar inmediatamente el sistema de inyección electrónica de combustible.
Asegúrese de respetar la polaridad de los bornes de la batería y de los cables pasa-corriente al conectar las baterías.
Las baterías contienen ácido y producen gases explosivos.
Proteja los ojos y la cara de las baterías en todo momento.
No se incline sobre las baterías.
Note: Asegúrese de que los tapones de ventilación están apretados y nivelados. Coloque un paño húmedo, si tiene uno, sobre los tapones de ventilación de ambas baterías. Asegúrese también de que las máquinas no están en contacto entre sí y que los sistemas eléctricos de ambas están desconectados y son del mismo voltaje nominal. Estas instrucciones son aplicables únicamente a sistemas con negativo a tierra.
Conecte el cable positivo (+) al borne positivo (+) de la batería descargada que está conectado al motor de arranque o al solenoide, según se indica en Figura 62.

Conecte el otro extremo del cable positivo al borne positivo de la batería externa.
Conecte el cable negativo (–) al otro borne (negativo) de la batería externa.
Haga la conexión final al bloque motor de la máquina que no arranca (no al borne negativo de la batería) en un punto alejado de la batería, y apártese (Figura 63).


Arranque la máquina y retire los cables en el orden inverso a la conexión (desconecte primero el cable negativo del bloque motor).
| Intervalo de mantenimiento y servicio | Procedimiento de mantenimiento |
|---|---|
| Cada vez que se utilice o diariamente |
|
Inspeccione el cinturón de seguridad en busca de señales de desgaste o cortes, y compruebe el funcionamiento del retractor y de la hebilla. Sustituya el cinturón de seguridad si está dañado.
| Intervalo de mantenimiento y servicio | Procedimiento de mantenimiento |
|---|---|
| Cada vez que se utilice o diariamente |
|
Para evitar lesiones o la muerte en caso de un vuelco: mantenga la barra antivuelco en posición totalmente elevada y bloqueada, y utilice el cinturón de seguridad.
Asegúrese de que el asiento está sujeto a la máquina.
Compruebe que tanto los herrajes de montaje como los pomos están en buenas condiciones de uso. Asegúrese de que los pomos están completamente bloqueados cuando la barra antivuelco está subida. Puede ser necesario empujar hacia adelante o tirar hacia atrás de la parte superior de la barra antivuelco para que se bloquean completamente ambos pomos (Figura 64).

Desengrane el mando de control de las cuchillas (TDF).
Conduzca hacia un lugar llana y abierta, y mueva las palancas de control de movimiento a la posición de BLOQUEO/PUNTO MUERTO.
Ponga el acelerador en un punto intermedio entre las posiciones de Lento y Rápido.
Mueva ambas palancas de control de movimiento hacia adelante del todo hasta que toquen los topes en la ranura en T.
Compruebe hacia qué lado se desvía la máquina.
Si se desvía hacia la derecha, afloje los pernos y ajuste la chapa del tope izquierdo hacia atrás en la ranura en T de la izquierda hasta que la máquina avance en línea recta (Figura 65).
Si se desvía hacia la izquierda, afloje los pernos y ajuste la chapa del tope derecho hacia atrás en la ranura en T de la derecha hasta que la máquina avance en línea recta (Figura 65).
Apriete la chapa del tope (Figura 65).

| Intervalo de mantenimiento y servicio | Procedimiento de mantenimiento |
|---|---|
| Cada 50 horas |
|
Mantenga la presión de los neumáticos delanteros y traseros a 0.9 bar (13 psi). Una presión desigual en los neumáticos puede hacer que el corte sea desigual. Las lecturas de presión son más exactas cuando los neumáticos están fríos.

| Intervalo de mantenimiento y servicio | Procedimiento de mantenimiento |
|---|---|
| Después de las primeras 100 horas |
|
| Cada 500 horas |
|
Compruebe la torsión de las tuercas de las ruedas y apriételas a 122–129 N·m (90–95 pies-libra).
| Intervalo de mantenimiento y servicio | Procedimiento de mantenimiento |
|---|---|
| Después de las primeras 100 horas |
|
| Cada 500 horas |
|
Asegúrese de que el par de apriete de la tuerca almenada es de 286 a 352 N·m (211 a 260 pies-libra).
Note: No utilice aceite aflojatodo en el buje de la rueda.

| Intervalo de mantenimiento y servicio | Procedimiento de mantenimiento |
|---|---|
| Cada 500 horas |
|
Desengrane el mando de control de las cuchillas (TDF), ponga las palancas de control de movimiento en la posición de BLOQUEO/PUNTO MUERTO, y ponga el freno de estacionamiento.
Pare el motor, retire la llave y espere a que se detengan todas las piezas en movimiento antes de abandonar el puesto del operador.
Retire el tapón guardapolvo de la rueda giratoria y apriete la contratuerca (Figura 68).
Apriete la contratuerca hasta que las arandelas de muelle estén planas, luego afloje ¼ de vuelta para establecer la pre-carga correcta de los cojinetes (Figura 68).
Important: Asegúrese de que las arandelas de muelle están correctamente instaladas, según se muestra en Figura 68.
Coloque el tapón anti-polvo (Figura 68).

Algunos modelos de años posteriores han sido fabricados con embragues que contienen un suplemento de freno. Cuando el freno del embrague se ha desgastado hasta el punto en que el embrague ya no funciona de forma confiable, el suplemento puede retirarse para alargar la vida del embrague.

Pare el motor, espere a que se detengan todas las piezas en movimiento, retire la llave, ponga el freno de estacionamiento y deje que la máquina se enfríe completamente antes de iniciar este procedimiento.
Utilizar un compresor de aire, elimine cualquier residuo de debajo del polo de freno y de alrededor de los espaciadores del freno (Figura 70).

Compruebe la condición de los cables, conectores y terminales del arnés de cables.
Note: Límpielos y/o cámbielos según sea necesario.
Verifique la presencia de 12 V en el conector del embrague cuando el mando de control de las cuchillas (TDF) está engranado.
Mida el espacio entre el rotor y la armadura. Si el espacio mide más de 1 mm (0.04"), continúe con los pasos siguientes:
Afloje ambos pernos de montaje del freno entre media y una vuelta, según se muestra en Figura 71.
Note: No desmonte el polo del freno de la corona/armadura. El polo del freno se ha desgastado conjuntamente con la armadura, y es necesario mantener dicha correspondencia después de retirarse el suplemento para asegurar una fuerza de frenado correcta.

Usando un alicate de punta fina, o a mano, sujete la pestaña y retire el suplemento (Figura 72).
Note: No deseche el suplemento hasta haber verificado el correcto funcionamiento del embrague.

Utilizando aire comprimido, elimine cualquier residuo de debajo del polo de freno y de alrededor de los espaciadores del freno.
Apriete cada perno (M6 x 1) a 13 N∙m ± 0.7 N∙m (10 pies-libra ± 0.5 pies-libra).
Usando una galga de 0.25 mm (0.01"), compruebe la presencia de un espacio entre el rotor y la cara de la armadura en ambos lados del polo del freno, según se indica en Figura 73 y Figura 74.
Note: Debido a la forma en que se desgastan las caras del rotor y de la armadura (picos y valles), a veces es difícil medir el espacio con precisión.


Si el espacio es de menos de 0.25 mm (0.01"), instale el suplemento; consulte .
Si el espacio es suficiente, continúe con la comprobación de seguridad, paso 6.
Realice la siguiente comprobación de seguridad:
Siéntese en el asiento y arranque el motor.
Asegúrese de que las cuchillas no se engranan con el mando de control de las cuchillas (TDF) en la posición de DESCONECTADO y que el embrague esté sin engranar.
Si el embrague no se desengrana, vuelva a instalar el suplemento; consulte .
Engrane y desengrane el mando de control de las cuchillas (TDF) 10 veces para asegurarse de que el embrague funciona correctamente.
| Intervalo de mantenimiento y servicio | Procedimiento de mantenimiento |
|---|---|
| Cada vez que se utilice o diariamente |
|
Retire cualquier acumulación de hierba, suciedad u otros residuos del enfriador de aceite (Figura 75).


Retire cualquier acumulación de hierba, suciedad u otros residuos de la rejilla del motor. Esto ayuda a asegurar una refrigeración adecuada y una velocidad de motor correcta, y reduce la posibilidad de sobrecalentamiento y daños mecánicos al motor (Figura 75).
| Intervalo de mantenimiento y servicio | Procedimiento de mantenimiento |
|---|---|
| Cada 100 horas |
|
Desengrane el mando de control de las cuchillas (TDF) y ponga el freno de estacionamiento.
Pare el motor, retire la llave y espere a que se detengan todas las piezas en movimiento antes de abandonar el puesto del operador.
Retire la rejilla de entrada de aire, el arrancador de retroceso y la carcasa del ventilador (Figura 76).
Limpie los residuos y la hierba de los componentes del motor.
Instale la rejilla de entrada de aire, el arrancador de retroceso y la carcasa del ventilador (Figura 76).

| Intervalo de mantenimiento y servicio | Procedimiento de mantenimiento |
|---|---|
| Cada vez que se utilice o diariamente |
|
Desengrane el mando de control de las cuchillas (TDF) y ponga el freno de estacionamiento.
Pare el motor, retire la llave y espere a que se detengan todas las piezas en movimiento antes de abandonar el puesto del operador.
Mueva el asiento hacia adelante.
Limpie cualquier residuo o hierba de las cubiertas de las unidades hidráulicas (Figura 77).
Coloque el asiento.


| Intervalo de mantenimiento y servicio | Procedimiento de mantenimiento |
|---|---|
| Después de las primeras 100 horas |
|
| Cada 500 horas |
|
Note: Realice este procedimiento cuando retire o cambie un componente del freno.
Coloque la máquina sobre una superficie nivelada.
Desconecte el mando de control de las cuchillas (TDF) ponga las palancas de control de movimiento en posición de BLOQUEO/PUNTO MUERTO y ponga el freno de estacionamiento.
Pare el motor, espere a que se detengan todas las piezas en movimiento y retire la llave.
Levante la parte trasera de la máquina y apóyela sobre gatos fijos.
Los gatos mecánicos o hidráulicos pueden no aguantar el peso de la máquina y dar lugar a lesiones graves.
Utilice soportes fijos para apoyar la máquina.
No utilice gatos hidráulicos.
Retire las ruedas traseras de la máquina.
Elimine cualquier suciedad de la zona de los frenos.
Abra el asa de liberación de las ruedas motrices; consulte Uso de las válvulas de liberación de las ruedas motrices.
Compruebe si hay un espacio visible entre la escuadra y el tope del acoplamiento (Figura 78).

Quite el freno de estacionamiento (la palanca debe estar bajada).
Gire el cubo de la rueda a mano en ambos sentidos respecto a la pinza; el cubo de la rueda debe desplazarse libremente entre la pinza.
Si se necesita un espacio mayor o si el cubo de la rueda no se mueve libremente:
Quite el freno de estacionamiento.
Desconecte y ajuste el acoplamiento trasero:
Acorte el acoplamiento para crear un espacio.
Alargue el acoplamiento para permitir que el cubo se mueva.
Conecte el acoplamiento trasero.
Ponga el freno de estacionamiento y compruebe el espacio.
Repita los pasos 9 a 13 hasta que obtenga un espacio visible y el cubo de la rueda gire libremente.
Repita este procedimiento en el freno del otro lado.
Gire la asa de liberación de las ruedas motrices al puesto del operador; consulte Uso de las válvulas de liberación de las ruedas motrices.
Instale los neumáticos traseros y apriete las tuercas de las ruedas; consulte Comprobación de las tuercas de las ruedas.
Retire los gatos fijos.
| Intervalo de mantenimiento y servicio | Procedimiento de mantenimiento |
|---|---|
| Cada 50 horas |
|
Si hay chirridos cuando la correa está en movimiento, si las cuchillas patinan durante la siega, si los bordes de la correa están deshilachados, o si tiene marcas de quemaduras o grietas, la correa del cortacésped está desgastada. Cambie la correa ante cualquiera de estas condiciones.
Desengrane el mando de control de las cuchillas (TDF), ponga las palancas de control de movimiento en la posición de BLOQUEO/PUNTO MUERTO, y ponga el freno de estacionamiento.
Pare el motor, retire la llave y espere a que se detengan todas las piezas en movimiento antes de abandonar el puesto del operador.
Baje el cortacésped a la posición de altura de corte de 76 mm (3").
Retire las cubiertas de la correa (Figura 79).

Utilice una llave de carraca en el taladro cuadrado del brazo tensor para aliviar la tensión del muelle tensor (Figura 80).
Retire la correa de las poleas de la carcasa de corte.
Instale la guía de la correa en el brazo tensor tensado con muelle (Figura 80).
Retire la correa.
Pase la correa nueva alrededor de las poleas del cortacésped y de la polea del embrague, debajo del motor (Figura 80).

Instale la guía de la correa en el brazo tensor (Figura 80).
Utilizando la llave de carraca en el taladro cuadrado, instale el muelle tensor (Figura 80).
Note: Asegúrese de que los extremos del muelle están asentados en las ranuras de anclaje.
Instale las cubiertas de la correa (Figura 81).

Desengrane el mando de control de las cuchillas (TDF) y ponga el freno de estacionamiento.
Pare el motor, retire la llave y espere a que se detengan todas las piezas en movimiento antes de abandonar el puesto del operador.
Retire la correa del cortacésped; consulte Cómo cambiar la correa del cortacésped.
Levante la máquina y apóyela sobre gatos fijos (Figura 82).

Utilice una llave de carraca en el taladro cuadrado del brazo tensor para retirar el muelle tensor (Figura 82).
Desenganche el muelle de la polea tensora del bastidor (Figura 82).
Retire la correa de las poleas de transmisión de la unidad hidráulica y de la polea del motor.
Instale la correa nueva alrededor de la polea del motor y de las 2 poleas de transmisión.
Utilizando la llave de carraca en el taladro cuadrado del brazo tensor, instale el muelle tensor en el bastidor (Figura 82).
Instale la correa del cortacésped; consulte Cómo cambiar la correa del cortacésped.
Las palancas de control tienen dos ajustes de altura: alto y bajo. Retire los pernos para adaptar la altura al operador.
Desengrane el mando de control de las cuchillas (TDF), ponga las palancas de control de movimiento en la posición de BLOQUEO/PUNTO MUERTO, y ponga el freno de estacionamiento.
Pare el motor, retire la llave y espere a que se detengan todas las piezas en movimiento antes de abandonar el puesto del operador.
Afloje los pernos y las tuercas con arandela prensada de las palancas (Figura 83).
Alinee las palancas en el sentido adelante/atrás acercándolas a la posición de PUNTO MUERTO, y moviéndolas hasta que estén alineadas; luego apriete los pernos (Figura 84).


Si los extremos de las palancas chocan entre sí, consulte Ajuste de la posición de las palancas de control.
Repita para ajustar las palancas de control.
Los acoplamientos de control de las bombas están situados en cada lado del depósito de combustible, debajo del asiento. Gire el acoplamiento de la bomba con una llave de ½" para hacer ajustes finos a fin de que la máquina no se desplace en punto muerto. Cualquier ajuste debe realizarse únicamente para la posición de punto muerto.
El motor debe estar en marcha y las ruedas motrices deben estar girando para ajustar el control de movimiento. El contacto con piezas en movimiento o superficies calientes puede causar lesiones personales.
Mantenga alejados de los componentes rotativos y de la superficies calientes los dedos, las manos y la ropa.
Antes de arrancar el motor, presione el pedal de elevación de la carcasa y retire el pasador de altura de corte.
Baje la carcasa al suelo.
Levante la parte trasera de la máquina y apóyela sobre gatos fijos u otro soporte equivalente.
Note: Eleve la máquina a una altura suficiente para que las ruedas motrices giren libremente.
Retire la conexión eléctrica del interruptor de seguridad del asiento, situado debajo del cojín del asiento.
Note: El interruptor forma parte del conjunto del asiento.
Provisionalmente, instale un puente entre los terminales del conector del arnés de cableado principal.
Arranque el motor, haga funcionar el motor a su velocidad máxima y quite el freno.
Note: No es necesario estar sentado en el asiento gracias al puente que se está utilizando.
Haga funcionar la máquina durante al menos 5 minutos con las palancas de control de movimiento a velocidad máxima hacia adelante para que el fluido hidráulico alcance su temperatura normal de operación.
Note: La palanca de control de movimiento debe estar en punto muerto mientras se realizan los ajustes necesarios.
Ponga las palancas de control de movimiento en la posición de punto MUERTO.
Ajuste la longitud de las varillas de control de las bombas girando las tuercas dobles de la varilla en el sentido apropiado, hasta que las ruedas se muevan ligeramente en marcha atrás (Figura 85).

Mueva las palancas de control de movimiento a la posición de marcha atrás y, aplicando una ligera presión a la palanca, deje que los muelles de marcha atrás devuelvan las palancas a punto muerto.
Note: Las ruedas deben dejar de girar o moverse muy lentamente en marcha atrás.
Apague la máquina, retire el puente del arnés de cables y enchufe el conector en el interruptor del asiento.
Retire los gatos fijos.
Eleve la carcasa e instale el pasador de altura de corte.
Compruebe que la máquina no se desplaza en punto muerto con el freno de estacionamiento quitado.
El perno de montaje superior del amortiguador puede ajustarse para obtener la resistencia de la palanca de control de movimiento deseada. Consulte las opciones de montaje en Figura 86.

La tuerca con arandela prensada puede ajustarse para obtener la resistencia deseada en la palanca de control de movimiento al moverla a la posición de BLOQUEO/PUNTO MUERTO. Consulte las opciones de ajuste en Figura 87.
Afloje la contratuerca.
Apriete o afloje la tuerca con arandela prensada hasta obtener el tacto deseado.
Para aumentar la resistencia, apriete la tuerca con arandela prensada.
Para reducir la resistencia, afloje la tuerca con arandela prensada.
Apriete la contratuerca.

Asegúrese de que todos los tubos y las mangueras de fluido hidráulico están en buenas condiciones, y que todos los acoplamientos y accesorios del sistema hidráulico están apretados antes de aplicar presión al sistema hidráulico.
Mantenga el cuerpo y las manos alejados de fugas pequeñas o boquillas que expulsan fluido hidráulico a alta presión.
Utilice un cartón o un papel para buscar fugas hidráulicas.
Alivie de manera segura toda presión en el sistema hidráulico antes de realizar trabajo alguno en el sistema hidráulico.
Busque atención médica inmediatamente si el fluido hidráulico penetra en la piel. El fluido inyectado debe ser extraído quirúrgicamente por un médico dentro de pocas horas.
Tipo de fluido hidráulico:Fluido hidráulico Toro® HYPR-OIL™ 500 o Mobil® 1 15W-50.
Important: Utilice el fluido especificado. Otros fluidos podrían causar daños en el sistema hidráulico.
Capacidad de fluido de cada sistema hidráulico: 1.5 litros (52 onzas) en cada lado con cambio de filtro
| Intervalo de mantenimiento y servicio | Procedimiento de mantenimiento |
|---|---|
| Cada 50 horas |
|
Coloque la máquina en una superficie nivelada.
Desengrane el mando de control de las cuchillas (TDF), ponga las palancas de control de movimiento en la posición de BLOQUEO/PUNTO MUERTO, y ponga el freno de estacionamiento.
Pare el motor, retire la llave y espere a que se detengan todas las piezas en movimiento antes de abandonar el puesto del operador.
Deje que el motor y el sistema hidráulico se enfríen durante 10 minutos.
Note: El nivel de aceite de la varilla es incorrecto si se comprueba el aceite con la unidad caliente.
Mueva el asiento hacia adelante.
Limpie la zona alrededor de las varillas de los depósitos del sistema hidráulico (Figura 88).
Retire una varilla del depósito hidráulico (Figura 88).
Limpie la varilla e introdúzcala en el depósito.
Retire la varilla e inspeccione el extremo (Figura 88).
Important: No llene demasiado las unidades hidráulicas de aceite porque podrían producirse daños. No haga funcionar la máquina si el nivel de aceite está por debajo de la marca Add (añadir).
Si el nivel de aceite está en la marca Add (añadir), vierta lentamente en el depósito hidráulico solo la cantidad de aceite necesaria para que el nivel llegue hasta la marca de Lleno o H.
Vuelva a colocar la varilla.
Repita el procedimiento con la otra varilla.

Las fugas de fluido hidráulico bajo presión pueden penetrar en la piel y causar lesiones.
Cualquier fluido hidráulico inyectado bajo la piel debe ser eliminado quirúrgicamente en pocas horas por un médico familiarizado con este tipo de lesión. Si no, puede causar gangrena.
Mantenga el cuerpo y las manos alejados de fugas pequeñas o boquillas que expulsan fluido hidráulico a alta presión.
Utilice un cartón o un papel para buscar fugas hidráulicas.
Alivie de manera segura toda presión en el sistema hidráulico antes de realizar trabajo alguno en el sistema hidráulico.
Asegúrese de que todas las mangueras y líneas de hidráulicas están en buenas condiciones de uso, y que todos los acoplamientos y conexiones hidráulicos están apretados, antes de aplicar presión al sistema hidráulico.
| Intervalo de mantenimiento y servicio | Procedimiento de mantenimiento |
|---|---|
| Después de las primeras 250 horas |
|
| Cada 250 horas |
|
| Cada 500 horas |
|
Para cambiar el fluido hidráulico, retire los filtros. Cambie ambos filtros al mismo tiempo; consulte en Mantenimiento del sistema hidráulico las especificaciones del fluido.
Desengrane el mando de control de las cuchillas (TDF), ponga las palancas de control de movimiento en la posición de BLOQUEO/PUNTO MUERTO, y ponga el freno de estacionamiento.
Pare el motor, retire la llave y espere a que se detengan todas las piezas en movimiento antes de abandonar el puesto del operador.
Levante la máquina y apóyela sobre gatos fijos (Figura 89).

Retire la correa del cortacésped y la correa de transmisión de la bomba; consulte Mantenimiento del sistema hidráulico y Sustitución de la correa de transmisión de la bomba hidráulica.
Note: Esto evita que se manchen las correas de fluido.
Coloque un recipiente debajo del filtro, retire el filtro usado y limpie la superficie (Figura 90).

Aplique una capa fina de fluido hidráulico a la junta de goma del filtro nuevo (Figura 90).
Instale el filtro hidráulico nuevo.
Retire la correa de transmisión de la bomba y la correa del cortacésped.
Retire los gatos fijos y baje la máquina (Figura 89).
Añada fluido al depósito hidráulico y compruebe que no haya fugas.
Limpie cualquier fluido derramado.
Arranque el motor y déjelo funcionar durante unos 2 minutos para purgar el aire del sistema.
Pare el motor y compruebe que no hay fugas.
Compruebe el nivel mientras el fluido está frío.
Si es necesario, añada aceite al depósito de aceite hidráulico.
Note: No llene demasiado.
Note: Asegúrese de que la carcasa de corte está nivelada antes de ajustar la altura de corte (ADC).
Coloque el cortacésped en una superficie plana.
Desengrane el mando de control de las cuchillas (TDF), ponga las palancas de control de movimiento en la posición de BLOQUEO/PUNTO MUERTO, y ponga el freno de estacionamiento.
Pare el motor, retire la llave y espere a que se detengan todas las piezas en movimiento antes de abandonar el puesto del operador.
Compruebe la presión de los neumáticos de las ruedas motrices.
Si es necesario, ajústela a 0.9 bar (13 psi).
Coloque el cortacésped en la posición de altura de corte de 76 mm (3'').
Coloque el cortacésped en una superficie plana.
Pare el motor, espere a que se detengan todas las piezas en movimiento, retire la llave y ponga el freno de estacionamiento.
Compruebe la presión de los neumáticos de las ruedas motrices.
Note: La presión de inflado correcta es de 0.9 bar (13 psi).
Ponga el bloqueo de transporte en la posición de cierre.
Empuje el pedal de elevación de la carcasa hacia delante del todo; la carcasa se enganchará en la posición de transporte de 14 cm (5½") (Figura 91).

Introduzca el pasador de ajuste de la altura en el taladro que corresponde a una altura de 7.6 cm (3").
Quite el bloqueo de transporte y deje que la carcasa descienda a la altura de corte.
Eleve el conducto de descarga.
En ambos lados de la carcasa, mida desde la superficie nivelada hasta la punta delantera de la cuchilla (Posición A), según se muestra en Figura 92.
Note: La distancia debe ser de 7.6 cm (3").

Gire la tuerca de ajuste del conjunto de elevación de la carcasa delantera para modificar la altura (Figura 93).
Note: Para aumentar la altura, gire la tuerca de ajuste en sentido horario; para reducirla, gire la tuerca en el sentido contrario.
Note: Si los acoplamientos de la carcasa delantera no tienen holgura suficiente para lograr la altura de corte precisa, puede utilizarse el ajuste de un solo punto.

Para ajustar el sistema de ajuste de un solo punto, afloje los 2 pernos situados cerca del borde inferior de la pletina de altura de corte (Figura 94).

Si la carcasa está demasiado baja, apriete el perno del ajuste de un solo punto girándolo en el sentido de las agujas del reloj. Si la carcasa está demasiado alta, afloje el perno del ajuste girándolo en el sentido contrario a las agujas del reloj (Figura 95).
Note: Apriete o afloje el perno lo suficiente para desplazar los pernos de montaje de la pletina de altura de corte al menos ⅓ del recorrido posible en las ranuras correspondientes. De esta manera, será posible ajustar algo más en sentido vertical los 4 acoplamientos de la carcasa.

Apriete los 2 pernos en el borde inferior de la pletina de altura de corte (Figura 94).
Note: En la mayoría de las condiciones, la punta trasera de la cuchilla debe estar 6.4 mm (¼") más alta que la punta delantera.
Apriete los 2 pernos a 37–45 N·m (27–33 pies-libra).
En ambos lados de la carcasa, mida desde la superficie nivelada hasta la punta trasera de la cuchilla (Posición B), según se muestra en Figura 92.
Note: La distancia debe ser de 8.3 cm (3¼"); consulte..
Gire el tornillo de ajuste hasta obtener una altura de 8.3 cm (3¼") (Figura 93).
Para aumentar la altura, gire la tuerca de ajuste en sentido horario; para reducirla, gire la tuerca en el sentido contrario.
Mida hasta que los 4 lados tengan la altura correcta.
Apriete todas las tuercas de los brazos de elevación de la carcasa.
Baje el conducto de descarga.
Para garantizar una calidad de corte superior, mantenga afiladas las cuchillas. Para que el afilado y la sustitución sean más cómodos, puede desear tener un stock de cuchillas de repuesto.
Una cuchilla desgastada o dañada puede romperse, y un trozo de la cuchilla podría ser arrojado hacia usted u otra persona, provocando lesiones personales graves o la muerte. Cualquier intento de reparar una cuchilla dañada puede anular la certificación de seguridad del producto.
Inspeccione periódicamente las cuchillas, para asegurarse de que no están desgastadas ni dañadas.
Tenga cuidado al comprobar las cuchillas. Envuelva las cuchillas o lleve guantes, y extreme las precauciones al realizar el mantenimiento de las cuchillas. Solo reemplace o afile las cuchillas; no las enderece ni las suelde nunca.
En máquinas con múltiples cuchillas, tenga cuidado puesto que girar una cuchilla puede hacer que giren otras cuchillas.
Aparque la máquina en una superficie nivelada, desengrane el mando de control de las cuchillas (TDF) y ponga el freno de estacionamiento.
Apague el motor, retire la llave y desconecte los cables de las bujías.
| Intervalo de mantenimiento y servicio | Procedimiento de mantenimiento |
|---|---|
| Cada vez que se utilice o diariamente |
|
Inspeccione los filos de corte (Figura 96).
Si los filos están romos o tienen muescas, retire la cuchilla y afílela; consulte Cómo retirar las cuchillas y Afilado de las cuchillas.
Inspeccione las cuchillas, especialmente en la parte curva.
Si observa fisuras, desgaste o la formación de una ranura en esta zona, instale de inmediato una cuchilla nueva (Figura 96).

Desengrane el mando de control de las cuchillas (TDF), ponga las palancas de control de movimiento en la posición de BLOQUEO/PUNTO MUERTO, y ponga el freno de estacionamiento.
Pare el motor, retire la llave y espere a que se detengan todas las piezas en movimiento antes de abandonar el puesto del operador.
Gire las cuchillas hasta que los extremos estén orientados hacia adelante y hacia atrás.
Mida desde una superficie nivelada hasta el filo de corte, posición A, de las cuchillas (Figura 97).

Gire hacia adelante los otros extremos de las cuchillas.
Mida desde una superficie nivelada hasta el filo de corte de las cuchillas en la misma posición que en el paso 4 arriba.
Note: La diferencia entre las dimensiones obtenidas en los pasos 4 y 6 no debe superar los 3 mm (⅛").
Note: Si esta dimensión es de más de 3 mm (⅛"), la cuchilla está doblada y debe ser cambiada.
Una cuchilla doblada o dañada podría romperse y podría causar graves lesiones o la muerte a usted o a otras personas.
Siempre sustituya una cuchilla doblada o dañada por una cuchilla nueva.
No lime ni cree muescas afiladas en los bordes o en la superficie de la cuchilla.
Las cuchillas deben cambiarse si golpean un objeto sólido, si están desequilibradas o si están dobladas. Para asegurar un rendimiento óptimo y el continuado cumplimiento de las normas de seguridad de la máquina, utilice cuchillas de repuesto genuinas Toro. Las cuchillas de repuesto de otros fabricantes pueden hacer que se incumplan las normas de seguridad.
Sujete el extremo de la cuchilla usando un trapo o un guante grueso.
Retire del eje el perno de la cuchilla, la arandela curva y la cuchilla (Figura 98).

Utilice una lima para afilar el filo de corte en ambos extremos de la cuchilla (Figura 99).
Note: Mantenga el ángulo original.
Note: La cuchilla permanece equilibrada si se retira la misma cantidad de material de ambos bordes de corte.

Verifique el equilibrio de la cuchilla colocándola sobre un equilibrador de cuchillas (Figura 100).
Note: Si la cuchilla se mantiene horizontal, está equilibrada y puede utilizarse.
Note: Si la cuchilla no está equilibrada, rebaje algo el metal en la parte de la vela solamente con una lima (Figura 99).

Repita este procedimiento hasta que la cuchilla esté equilibrada.
Instale la cuchilla en el eje (Figura 101).
Important: La parte curva de la cuchilla debe apuntar hacia arriba, hacia el interior del cortacésped para asegurar un corte correcto.
Instale la arandela de muelle y el perno de la cuchilla (Figura 101).
Note: El cono de la arandela de muelle debe estar orientado hacia la cabeza del perno (Figura 101).
Apriete el perno de la cuchilla a 115–150 N·m (85 a 110 pies-libra).

Inmovilice los brazos tensados con muelles de la carcasa antes de retirar la carcasa de corte o de realizar mantenimiento en la misma.
Los brazos de elevación de la carcasa contienen energía almacenada. El retirar la carcasa sin antes liberar dicha energía almacenada puede causar lesiones graves o la muerte.
No intente desmontar la carcasa del bastidor delantero sin anular la energía almacenada.
Pare el motor, espere a que se detengan todas las piezas en movimiento, retire la llave y ponga el freno de estacionamiento.
Retire el pasador de ajuste de altura y baje la carcasa al suelo.
Coloque el pasador de ajuste de altura en el taladro que corresponde a una altura de 7.6 cm (3").
Note: De esta manera se inmovilizan los brazos de elevación de la carcasa en la posición más baja cuando se retira la carcasa y se libera la energía almacenada en el muelle de la carcasa.
Retire las cubiertas de la correa.
Levante la chapa de suelo e introduzca una llave dinamométrica en el taladro cuadrado del brazo tensor de la carcasa (Figura 102).
Gire cuidadosamente el brazo tensor de la carcasa en sentido horario y retire la correa del cortacésped (Figura 102).

Retire y guarde los herrajes de ambos lados de la carcasa, según se muestra en Figura 103.

Levante los tirantes de la carcasa y sujételos en la posición elevada.
Retire la carcasa de debajo del lado derecho de la máquina.
Si el hueco de descarga se deja destapado, el cortacésped podría arrojar objetos hacia usted o hacia otras personas y causar lesiones graves. También podría producirse un contacto con la cuchilla.
Nunca utilice el cortacésped sin haber instalado una tapa, una placa de picado, un deflector de hierba o un ensacador.
Retire la contratuerca, el perno, el muelle y el espaciador que sujetan el deflector a los soportes de pivote (Figura 104).

Retire el deflector de hierba dañado o desgastado.
Coloque el espaciador y el muelle en el deflector de hierba. Coloque un extremo en J del muelle detrás del reborde de la carcasa.
Note: Asegúrese de colocar un extremo en J del muelle detrás del reborde de la carcasa antes de instalar el perno, según se muestra en Figura 104.
Instale el perno y la tuerca
Coloque un extremo con gancho en J del muelle alrededor del deflector de hierba (Figura 104).
Important: El deflector de hierba debe poder girar. Levante el deflector hasta que esté totalmente abierto, y asegúrese de que gire hasta cerrarse por completo.
| Intervalo de mantenimiento y servicio | Procedimiento de mantenimiento |
|---|---|
| Cada vez que se utilice o diariamente |
|
Desengrane el mando de control de las cuchillas (TDF), ponga las palancas de control de movimiento en posición de BLOQUEO/PUNTO MUERTO, y ponga el freno de estacionamiento.
Pare el motor, retire la llave y espere a que se detengan todas las piezas en movimiento antes de abandonar el puesto del operador.
Eleve el cortacésped a la posición de transporte.
Note: No limpie los conjuntos de choque con agua a presión (Figura 105).

El aceite de motor, las baterías, el fluido hidráulico y el refrigerante del motor son contaminantes medioambientales. Elimínelos de acuerdo con la normativa estatal y local.
Desengrane la toma de fuerza (mando de control de las cuchillas/TDF), ponga el freno de estacionamiento, y gire la llave de contacto a DESCONECTADO. Retire la llave.
Retire los recortes de hierba, la suciedad y la mugre de las piezas externas de toda la máquina, especialmente el motor y el sistema hidráulico. Limpie la suciedad y la broza de la parte exterior del alojamiento de las aletas de la culata de cilindros del motor y del soplador.
Important: La máquina puede lavarse con un detergente suave y agua. No lave la máquina a presión. Evite el uso excesivo de agua, especialmente cerca del panel de control, el motor, las bombas hidráulicas y los motores eléctricos.
Compruebe el freno; consulte Ajuste del freno de estacionamiento.
Revise el limpiador de aire; consulte Mantenimiento del limpiador de aire.
Engrase la máquina; consulte Lubricación.
Cambie el aceite del cárter; consulte Cómo cambiar el aceite del motor.
Compruebe la presión de los neumáticos; consulte Comprobación de la presión de los neumáticos.
Cambie los filtros hidráulicos; consulte Cambio del fluido hidráulico y los filtros.
Cargue la batería; consulte Cómo cargar la batería.
Rasque cualquier acumulación importante de hierba y suciedad de los bajos del cortacésped, luego lávelo con una manguera de jardín.
Note: Haga funcionar la máquina con el mando de control de las cuchillas (TDF) engranado y el motor en ralentí alto durante 2 a 5 minutos después del lavado.
Compruebe la condición de las cuchillas; consulte Mantenimiento de las cuchillas de corte.
Prepare la máquina para su almacenamiento cuando no la vaya a utilizar durante más de 30 días. Prepare la máquina para el almacenamiento de la manera siguiente:
Agregue un estabilizador/acondicionador a base de petróleo al combustible del depósito. Siga las instrucciones de mezcla del fabricante del estabilizador. No use un estabilizador a base de alcohol (etanol o metanol).
Note: Un estabilizador/acondicionador de combustible es más eficaz cuando se mezcla con combustible fresco y se utiliza en todo momento.
Haga funcionar el motor para distribuir el combustible con acondicionador por todo el sistema de combustible (5 minutos).
Pare el motor, deje que se enfríe, y drene el depósito de combustible; consulte Mantenimiento del depósito de combustible.
Arranque el motor y hágalo funcionar hasta que se pare.
Recicle el combustible según la normativa local.
Important: No guarde el combustible con acondicionador durante más de 90 días.
Revise y apriete todos los pernos, tuercas y tornillos. Repare o sustituya cualquier pieza dañada.
Pinte las superficies que estén arañadas o donde esté visible el metal. Puede adquirir la pintura en su Servicio Técnico Autorizado.
Guarde la máquina en un garaje o almacén seco y limpio.
Retire la llave de contacto y guárdela fuera del alcance de niños u otros usuarios no autorizados.
Cubra la máquina para protegerla y para conservarla limpia.
| Problem | Possible Cause | Corrective Action |
|---|---|---|
| Se enciende el indicador de avería multifunción (IAM). |
|
|
| El motor de arranque no gira. |
|
|
| El motor no arranca, arranca con dificultad, o no sigue funcionando. |
|
|
| El motor pierde potencia. |
|
|
| El motor se sobrecalienta. |
|
|
| El cortacésped se desvía a la derecha o a la izquierda (con las palancas totalmente hacia adelante) |
|
|
| No es posible conducir la máquina. |
|
|
| La máquina vibra de manera anormal. |
|
|
| La máquina produce una altura de corte desigual. |
|
|
| Las cuchillas no giran. |
|
|
| El embrague no se engrana. |
|
|
