| Intervalo de mantenimiento y servicio | Procedimiento de mantenimiento |
|---|---|
| Cada vez que se utilice o diariamente |
|
Esta máquina es un cortacésped con conductor de cuchillas rotativas, diseñada para ser usada por usuarios domésticos en aplicaciones residenciales. Está diseñado principalmente para segar césped bien mantenido. No está diseñado para cortar maleza, segar cunetas o medianas de carreteras o utilizarla en aplicaciones agrícolas.
Lea este manual detenidamente para aprender a utilizar y mantener correctamente su producto, y para evitar lesiones y daños al producto. Usted es el responsable de operar el producto de forma correcta y segura.
Puede ponerse en contacto con Toro directamente en www.Toro.com si desea materiales de formación y seguridad o información sobre accesorios, para localizar un distribuidor o para registrar su producto.
Cuando necesite asistencia técnica, piezas genuinas Toro o información adicional, póngase en contacto con un Distribuidor de Servicio Autorizado o con Asistencia al Cliente Toro, y tenga a mano los números de modelo y serie de su producto. La Figura 1 identifica la ubicación de los números de serie y de modelo en el producto. Escriba los números en el espacio provisto.

Este manual identifica peligros potenciales y contiene mensajes de seguridad identificados por el símbolo de alerta de seguridad (Figura 2), que señala un peligro que puede causar lesiones graves o la muerte si usted no sigue las precauciones recomendadas.

Este manual utiliza dos palabras más para resaltar información. Importante llama la atención sobre información mecánica especial, y Nota resalta información general que merece una atención especial.
Important: Este motor no está equipado con un silenciador con parachispas. Es una infracción de la legislación de California (California Public Resource Code Section 4442) la utilización o la operación del motor en cualquier terreno de bosque, monte o terreno cubierto de hierba. Otros estados o zonas federales pueden tener leyes similares.
Este sistema de encendido por chispa cumple la norma canadiense ICES-002.
Retirar piezas originales estándar del equipo puede afectar a la garantía, la tracción y la seguridad de la máquina. El no utilizar piezas originales Toro puede causar lesiones graves o la muerte. Los cambios no autorizados en el motor, el sistema de combustible o el sistema de ventilación pueden infringir las normativas EPA y CARB.
Sustituya todas las piezas, incluyendo pero sin limitarse a neumáticos, correas, cuchillas y componentes del sistema de combustible, con piezas originales Toro.
El Manual del propietario del motor adjunto ofrece información sobre las normas de la U.S. Environmental Protection Agency (EPA) y de la California Emission Control Regulation sobre sistemas de emisiones, mantenimiento y garantía. Puede solicitarse un manual nuevo al fabricante del motor.
En los casos en que se indica la potencia en cv del motor, la potencia bruta del motor fue ensayada en el laboratorio por el fabricante del motor con arreglo a lo estipulado en SAE J1995 y certificada según J2723.
CALIFORNIA
Advertencia de la Propuesta 65
Los gases de escape de este producto contienen productos químicos que el Estado de California sabe que causan cáncer, defectos congénitos u otros peligros para la reproducción.
El uso o mantenimiento indebido por parte del operador o el propietario puede causar lesiones. Para reducir el riesgo de lesiones, cumpla estas instrucciones de seguridad y preste siempre atención al símbolo de alerta de seguridad, que significa Cuidado, Advertencia o Peligro - ''instrucción de seguridad personal''. El incumplimiento de estas instrucciones puede dar lugar a lesiones personales e incluso la muerte.
Este producto es capaz de amputar manos y pies y de lanzar objetos al aire. Siga siempre todas las instrucciones de seguridad con el fin de evitar lesiones personales graves o la muerte.
Este producto está diseñado para cortar y reciclar hierba, o, cuando está equipado con una bolsa de recortes, para recoger la hierba cortada. Si se utiliza para cualquier otro propósito, podría ser peligroso para el usuario y para otras personas.
Las instrucciones siguientes han sido adaptadas de la norma ANSI B71.4-2012.
Lea el Manual del operador y otros materiales de formación. Si el operador o el mecánico no saben leer el idioma de este manual, es responsabilidad del propietario explicarles este material.
Familiarícese con la operación segura del equipo, los controles del operador y las señales de seguridad.
Todos los operadores y mecánicos deben recibir una formación adecuada. El propietario es responsable de proporcionar formación a los usuarios.
No deje nunca que el equipo sea utilizado o mantenido por niños o por personas que no hayan recibido la formación adecuada al respecto. La normativa local puede imponer límites sobre la edad del operador.
El propietario/usuario puede prevenir, y es responsable de cualquier accidente, lesión personal o daño material que se produzca.
Evalúe el terreno para determinar los accesorios y aperos necesarios para realizar el trabajo de manera correcta y segura. Utilice solamente los accesorios y aperos homologados por el fabricante.
Lleve ropa adecuada, incluyendo casco, gafas de seguridad y protección auricular. El pelo largo y las prendas o joyas sueltas pueden enredarse en piezas en movimiento.
Inspeccione el área donde se va a utilizar el equipo y retire todos los objetos, como por ejemplo piedras, juguetes y alambres, que puedan ser arrojados por la máquina.
Compruebe que los controles de presencia del operador, los interruptores de seguridad y los protectores de seguridad están colocados y que funcionan correctamente. No opere la máquina si no funcionan correctamente.
Los rayos pueden causar graves lesiones o incluso la muerte. Si se ven relámpagos o rayos o se oyen truenos en la zona, no utilice la máquina; busque un lugar donde resguardarse.
No haga funcionar nunca el motor en un lugar cerrado.
Utilice el equipo únicamente con buena luz, alejándose de agujeros y peligros ocultos.
Asegúrese de que todas las transmisiones están en punto muerto y que el freno de mano está puesto antes de arrancar el motor. Arranque el motor únicamente desde el puesto del operador.
Vaya más despacio y extreme la precaución en las pendientes. Asegúrese de recorrer las pendientes de través. Las condiciones del césped pueden afectar a la estabilidad de la máquina. Extreme las precauciones al utilizar la máquina cerca de terraplenes.
Vaya más despacio y tenga cuidado al girar y al cambiar de dirección en las pendientes.
No levante nunca la carcasa si las cuchillas están en movimiento.
No utilice nunca la máquina si no están colocados firmemente el protector de la toma de potencia y los demás protectores. Asegúrese de que todos los sistemas de interruptores de seguridad están conectados, correctamente ajustados y que funcionan correctamente.
No utilice la máquina nunca con el deflector de descarga elevado, retirado o modificado, a menos que utilice un recogedor.
No cambie los ajustes del regulador del motor ni haga funcionar el motor a una velocidad excesiva.
Antes de abandonar el puesto del operador por cualquier razón, incluso para vaciar el recogedor o desatascar el conducto, pare la máquina en un lugar llano, desengrane las transmisiones, ponga el freno de estacionamiento (si lo hubiera) y pare el motor.
Pare el equipo e inspeccione las cuchillas después de golpear cualquier objeto o si se produce una vibración anormal. Haga las reparaciones necesarias antes de volver a utilizar la máquina.
Mantenga las manos y los pies alejados de la unidad de corte.
Mire hacia atrás y hacia abajo antes de poner marcha atrás para asegurarse de que el camino está despejado.
Mantenga alejadas a otras personas y animales.
Vaya más despacio y tenga cuidado al girar y al cruzar calles y aceras. Pare las cuchillas si no está segando.
Sepa el sentido de descarga del cortacésped y no oriente la descarga hacia nadie.
No haga funcionar el cortacésped bajo la influencia de drogas o alcohol.
Tenga cuidado al cargar o descargar la máquina en/desde un remolque o un camión.
Tenga cuidado al acercarse a esquinas ciegas, arbustos, árboles u otros objetos que puedan dificultar la visión.
No retire el ROPS.
El ROPS es un dispositivo de seguridad integrado y eficaz. Mantenga el ROPS instalado en la máquina y utilice el cinturón de seguridad durante la operación de la máquina.
Asegúrese de que el cinturón de seguridad puede ser desabrochado rápidamente en caso de emergencia.
Compruebe las zonas a segar donde existan pendientes, taludes o agua.
Compruebe cuidadosamente que hay espacio suficiente antes de conducir por debajo de cualquier objeto en alto (por ejemplo, ramas, portales, cables eléctricos) y no entre en contacto con ellos.
Mantenga el ROPS en condiciones seguras de funcionamiento, inspeccionándolo periódicamente en busca de daños y manteniendo bien apretados todos los herrajes de montaje.
Si el ROPS está dañado, no lo cambie. No lo repare ni lo revise.
Cualquier modificación de un ROPS debe ser autorizada por el fabricante.
Para evitar lesiones personales o daños materiales, extreme las precauciones al manejar la gasolina. La gasolina es extremadamente inflamable y los vapores son explosivos.
Apague cualquier cigarrillo, cigarro, pipa u otra fuente de ignición.
Utilice solamente un recipiente de combustible homologado.
No retire nunca el tapón de combustible ni añada combustible con el motor en marcha.
Deje que se enfríe el motor antes de repostar combustible.
No reposte nunca la máquina en un recinto cerrado.
No guarde nunca la máquina o un recipiente de combustible en un lugar donde pudiera haber una llama desnuda, chispas o una llama piloto, por ejemplo en un calentador de agua u otro electrodoméstico.
No llene nunca los recipientes dentro de un vehículo o sobre la plataforma de un camión o remolque con forro de plástico. Coloque siempre los recipientes de gasolina en el suelo, lejos del vehículo, antes de llenarlos.
Retire el equipo del camión o del remolque y repóstelo en el suelo. Si esto no es posible, reposte el equipo usando un recipiente portátil, en vez de usar un surtidor o boquilla dosificadora de combustible.
Mantenga la boquilla en contacto con el borde del depósito de combustible o el orificio del recipiente en todo momento hasta que termine de repostar. No utilice dispositivos que mantengan abierta la boquilla.
Si se derrama combustible sobre su ropa, cámbiese de ropa inmediatamente.
Nunca llene demasiado el depósito de combustible. Vuelva a colocar el tapón de combustible y apriételo firmemente.
Desengrane las transmisiones, ponga el freno de estacionamiento, pare el motor y retire la llave o desconecte el cable de la bujía. Espere a que se detenga todo movimiento antes de ajustar, limpiar o reparar la máquina.
Limpie la hierba y los residuos de la unidad de corte, las transmisiones, los silenciadores y el motor para prevenir incendios. Limpie cualquier aceite o combustible derramado.
Espere a que se enfríe el motor antes de guardar el cortacésped, y no lo guarde cerca de una llama.
Cierre el combustible antes de almacenar o transportar el cortacésped. No almacene el combustible cerca de una llama, y no lo drene dentro de un edificio.
Aparque la máquina en una superficie nivelada. Ponga el freno de estacionamiento. No permita jamás que la máquina sea revisada o reparada por personal no debidamente formado.
Utilice gatos fijos para apoyar los componentes cuando sea necesario.
Alivie con cuidado la tensión de aquellos componentes que tengan energía almacenada.
Desconecte la batería o retire el cable de la bujía antes de efectuar una reparación. Desconecte primero el terminal negativo y luego el positivo. Vuelva a conectar primero el terminal positivo y luego el negativo.
Tenga cuidado al revisar las cuchillas. Envuelva la(s) cuchilla(s) o lleve guantes gruesos, y extreme las precauciones al realizar tareas de mantenimiento. Cambie las cuchillas únicamente. No las enderece ni las suelde nunca.
Mantenga las manos y los pies alejados de las piezas en movimiento. Si es posible, no haga ajustes mientras el motor está funcionando.
Mantenga todas las piezas en buenas condiciones de funcionamiento, y todos los herrajes bien apretados. Sustituya cualquier pegatina desgastada o deteriorada.
Tenga cuidado al cargar o descargar la máquina en/desde un remolque o un camión.
Utilice rampas de ancho completo para cargar la máquina en un remolque o un camión.
Amarre la máquina firmemente con correas, cadenas, cables o cuerdas. Tanto las correas delanteras como las traseras deben orientarse hacia abajo y hacia fuera respecto a la máquina.
La siguiente lista contiene información específica para productos Toro u otra información sobre seguridad que usted debe saber y que puede no estar incluida en la norma ANSI.
Utilice solamente accesorios homologados por Toro. La garantía puede quedar anulada si se utilizan accesorios no autorizados.
Para cargar la máquina en un remolque o camión, utilice únicamente una sola rampa de ancho completo. El ángulo de la rampa no debe superar los 15 grados.
Enganche el equipo a remolcar únicamente en el punto de enganche.
Siga las recomendaciones del fabricante del accesorio sobre los límites de peso de los equipos remolcados y sobre remolcar en pendientes. El peso remolcado no debe superar el peso de la máquina, el operador y el lastre. Utilice contrapesos o pesos en las ruedas, según se describe en el Manual del operador del accesorio o del vehículo de remolque.
No deje que suban niños u otras personas en los equipos remolcados.
En las pendientes, el peso del equipo remolcado puede causar una pérdida de tracción, aumentar el riesgo de vuelco o provocar una pérdida de control. Reduzca el peso remolcado y vaya más despacio.
La distancia de parada aumenta con el peso de la carga remolcada. Conduzca lentamente y deje una distancia de parada mayor.
Haga giros abiertos para mantener el accesorio alejado de la máquina.

![]() |
Las pegatinas e instrucciones de seguridad están a la vista del operador y están ubicadas cerca de cualquier zona de peligro potencial. Sustituya cualquier pegatina que esté dañada o que falte. |


















Familiarícese con todos los controles antes de poner en marcha el motor y trabajar con la máquina (Figura 5).

La llave de contacto tiene tres posiciones: Arranque, Marcha y Desconectado. La llave puede girarse a Arranque, y se volverá a Marcha al soltarse. Gire la llave a la posición de Desconectado para parar el motor; no obstante, siempre retire la llave al dejar la máquina desatendida para evitar que el motor arranque accidentalmente (Figura 5).
El control del acelerador puede moverse entre las posiciones de Rápido y Lento. Mueva la palanca del acelerador hacia adelante para aumentar la velocidad del motor y hacia atrás para reducir la velocidad del motor. Mueva el acelerador hacia adelante del todo, a la ranura, para obtener la máxima velocidad (Figura 5).
Utilice el estárter para poner en marcha el motor en frío. Tire del mando del estárter hacia arriba para activarlo. Para quitarlo, empuje el pomo del estárter hacia abajo.
El mando de control de las cuchillas engrana y desengrana la transmisión de potencia a las cuchillas del cortacésped (Figura 5).
El contador de horas registra el número de horas de operación de las cuchillas. Funciona cuando el mando de control de las cuchillas (TDF) está engranado. Utilice el recuento de horas para programar el mantenimiento regular (Figura 5).
La mirilla de combustible situada debajo del puesto del operador puede utilizarse para verificar el nivel de gasolina en el depósito (Figura 6).
Las palancas de control de movimiento son controles sensibles a la velocidad que controlan motores de rueda independientes. El mover una palanca hacia adelante o hacia atrás hace girar hacia adelante o hacia atrás la rueda del mismo lado; la velocidad de las ruedas es proporcional al movimiento de las palancas. Desplace las palancas de control hacia fuera desde la posición de bloqueo/punto muerto a la posición de aparcado y bájese de la máquina (Figura 4). Ponga siempre las palancas de control de movimiento en posición de bloqueo/punto muerto cuando pare la máquina o cuando la deje desatendida.
La palanca del freno de estacionamiento está situada en el lado izquierdo de la consola (Figura 4). La palanca de freno acciona un freno de estacionamiento situado en las ruedas motrices. Tire de la palanca hacia arriba y hacia atrás para poner el freno. Empuje la palanca hacia adelante y hacia abajo para quitar el freno.
El sistema de pedal de elevación de la carcasa permite al operador elevar y bajar la carcasa desde el asiento. El operador puede utilizar el pedal para elevar la carcasa brevemente a fin de evitar obstáculos, o para bloquear la carcasa en la posición de altura de corte más alta, o de transporte (Figura 4).
La palanca de ajuste de la altura de corte funciona conjuntamente con el pedal para bloquear la carcasa a una altura de corte determinada. Ajuste la altura de corte solamente cuando la máquina esté detenida (Figura 4).
Está disponible una selección de aperos y accesorios homologados por Toro que se pueden utilizar con la máquina a fin de potenciar y aumentar sus prestaciones. Póngase en contacto con su Distribuidor o Servicio Técnico Autorizado o visite www.Toro.com para obtener una lista de todos los aperos y accesorios aprobados.
Note: Los lados derecho e izquierdo de la máquina se determinan desde la posición normal del operador.
Para obtener los mejores resultados, utilice solamente gasolina fresca (comprada hace menos de 30 días), sin plomo, de 87 o más octanos (método de cálculo (R+M)/2).
Etanol: Es aceptable el uso de gasolina con hasta el 10% de etanol (gasohol) o el 15% de MTBE (éter metil tert-butílico) por volumen. El etanol y el MTBE no son lo mismo. No está autorizado el uso de gasolina con el 15% de etanol (E15) por volumen. No utilice nunca gasolina que contenga más del 10% de etanol por volumen, como por ejemplo la E15 (contiene el 15% de etanol), la E20 (contiene el 20% de etanol) o la E85 (contiene hasta el 85% de etanol). El uso de gasolina no autorizada puede causar problemas de rendimiento o daños en el motor que pueden no estar cubiertos bajo la garantía.
No utilice gasolina que contenga metanol.
No guarde combustible en el depósito de combustible o en recipientes de combustible durante el invierno a menos que haya añadido un estabilizador.
No añada aceite a la gasolina.
En ciertas condiciones la gasolina es extremadamente inflamable y altamente explosiva. Un incendio o una explosión provocados por la gasolina puede causarle quemaduras a usted y a otras personas así como daños materiales.
Llene el depósito de combustible en el exterior, en una zona abierta y con el motor frío. Limpie la gasolina derramada.
No llene nunca el depósito de combustible dentro de un remolque cerrado.
No llene completamente el depósito de combustible. Añada gasolina al depósito de combustible hasta que el nivel esté entre 6 y 13 mm (¼" y ½") por debajo de la parte inferior del cuello de llenado. Este espacio vacío en el depósito permitirá la dilatación de la gasolina.
No fume nunca mientras maneja gasolina y manténgase alejado de llamas desnudas o de lugares donde una chispa pudiera inflamar los vapores de gasolina.
Almacene la gasolina en un recipiente homologado y manténgala fuera del alcance de los niños. No compre nunca gasolina para más de 30 días de consumo normal.
No utilice la máquina a menos que esté instalado un sistema completo de escape en buenas condiciones de funcionamiento.
En determinadas condiciones durante el repostaje, puede tener lugar una descarga de electricidad estática, produciendo una chispa que puede prender los vapores de la gasolina. Un incendio o una explosión provocados por la gasolina puede causarle quemaduras a usted y a otras personas así como daños materiales.
Coloque siempre los recipientes de gasolina en el suelo, lejos del vehículo que está repostando.
No llene los recipientes de gasolina dentro de un vehículo, camión o remolque ya que las alfombras o los revestimientos de plástico del interior de los remolques podrían aislar el recipiente y retrasar la pérdida de la carga estática.
Cuando sea posible, retire el equipo a repostar del camión o remolque y reposte con las ruedas del equipo sobre el suelo.
Si esto no es posible, reposte el equipo sobre el camión o remolque desde un recipiente portátil, en vez de usar un surtidor de gasolina.
Si es imprescindible el uso de un surtidor, mantenga la boquilla en contacto con el borde del depósito de combustible o la abertura del recipiente en todo momento hasta que termine de repostar.
La gasolina es dañina o mortal si es ingerida. La exposición a los vapores a largo plazo puede causar lesiones y enfermedades graves.
Evite la respiración prolongada de los vapores.
Mantenga la cara alejada de la boquilla y de la abertura del depósito de combustible o acondicionador.
Mantenga alejada la gasolina de los ojos y la piel.
Use un estabilizador/acondicionador en la máquina para obtener las siguientes ventajas:
El estabilizador/acondicionador de combustible mantiene la gasolina fresca durante un período de almacenamiento de 90 días o menos. Cuando vaya a almacenar la máquina durante periodos mayores, drene el sistema de combustible.
Limpia el motor durante el funcionamiento
Elimina la formación de depósitos pegajosos, con aspecto de barniz, en el sistema de combustible, que pueden dificultar el arranque
Important: No utilice aditivos de combustible que contengan metanol o etanol.
Agregue la cantidad adecuada de estabilizador/acondicionador a la gasolina.
Note: Un estabilizador/acondicionador de combustible es más eficaz cuando se mezcla con gasolina fresca. Para reducir al mínimo los depósitos de barniz en el sistema de combustible, utilice siempre un estabilizador de combustible.
Utilice la mirilla de combustible situada debajo del puesto del operador para verificar el nivel de gasolina antes de llenar el depósito (Figura 6).

Asegúrese de que el motor está apagado y los controles de movimiento están en la posición de aparcado.
Important: No llene demasiado el depósito de combustible. Llene el depósito de combustible hasta la parte inferior del cuello de llenado. El espacio vacío en el depósito permitirá la dilatación de la gasolina. Si se llena demasiado, puede haber fugas de combustible, o puede dañarse el motor o el sistema de emisiones.
Limpie la zona alrededor del tapón del depósito de combustible y retire el tapón.
Note: Puede utilizar la mirilla de combustible, situada debajo del puesto del operador, para verificar la presencia de gasolina antes de llenar el depósito (Figura 6).
Añada gasolina sin plomo lentamente hasta que el combustible llegue a la base del cuello de llenado.Figura 7

Instale firmemente el tapón del depósito de combustible y apriételo hasta que haga 'clic'. Limpie la gasolina derramada.
Le rogamos lea cuidadosamente todas las instrucciones y pegatinas de la sección de seguridad. Esta información puede ayudarle a evitar lesiones al operador, a su familia, a sus animales domésticos o a personas que se encuentren en las proximidades.
El segar sobre hierba mojada o en pendientes escarpadas puede hacer que la máquina patine y que usted pierda el control.
Si una rueda pasa por el borde de un terraplén o una zanja, puede causar un vuelco, que puede dar lugar a lesiones graves o la muerte.
Una pérdida de tracción es una pérdida de control de la dirección.
Para evitar la pérdida de control y la posibilidad de un vuelco:
No siegue cerca de terraplenes o agua.
No siegue en pendientes o cuestas de más de 15 grados.
Reduzca la velocidad y extreme las precauciones en cuestas o pendientes.
Al segar en pendientes, vaya poco a poco desde abajo hacia las zonas superiores de la pendiente.
Evite cambios bruscos de velocidad o de dirección.
Al cambiar de sentido en una pendiente, gire hacia arriba. Si gira hacia abajo, se reduce la tracción.
Los accesorios modifican las características de manejo de la máquina. Extreme las precauciones si utiliza accesorios con la máquina.

Esta máquina produce niveles sonoros que superan los 85 dBA en el oído del operador, que pueden causar pérdidas auditivas en caso de periodos extendidos de exposición.
Lleve protección auditiva mientras utiliza esta máquina.
Se recomienda el uso de equipos de protección para los ojos, los oídos, las manos, los pies y la cabeza.

Si los interruptores de seguridad son desconectados o están dañados, la máquina podría ponerse en marcha inesperadamente, causando lesiones personales.
No manipule los interruptores de seguridad.
Compruebe la operación de los interruptores de seguridad cada día, y sustituya cualquier interruptor dañado antes de operar la máquina.
El sistema de interruptores de seguridad ha sido diseñado para impedir que el motor arranque, a menos que:
El freno de estacionamiento esté puesto.
Las cuchillas estén desengranadas.
Las palancas de control de movimiento estén en posición de bloqueo/punto muerto.
El sistema de interruptores de seguridad está diseñado para detener el motor cuando se muevan las palancas de control fuera de la posición de bloqueo/punto muerto con el freno de estacionamiento puesto, o si usted se levanta del asiento cuando las cuchillas están engranadas.
| Intervalo de mantenimiento y servicio | Procedimiento de mantenimiento |
|---|---|
| Cada vez que se utilice o diariamente |
|
Verifique el sistema de interruptores de seguridad cada vez que vaya a utilizar la máquina. Si el sistema no funciona de la forma que se describe a continuación, póngase en contacto con un Servicio Técnico Autorizado para que lo reparen inmediatamente.
Siéntese en el asiento, ponga el freno de estacionamiento y ponga el mando de control de las cuchillas en posición de Engranado. Intente arrancar el motor; el motor no debe arrancar.
Siéntese en el asiento, ponga el freno de estacionamiento y ponga el mando de control de las cuchillas en posición de Desengranado. Mueva cualquiera de las palancas de control de movimiento (hacia adelante o hacia atrás). Intente arrancar el motor; el motor no debe arrancar. Repita con la otra palanca de control de movimiento.
Siéntese en el asiento, ponga el freno de estacionamiento, mueva el mando de control de las cuchillas a Desengranado y bloquee las palancas de control de movimiento en punto muerto. Arranque el motor. Con el motor en marcha, quite el freno de estacionamiento, engrane el mando de control de las cuchillas y levántese un poco del asiento; el motor debe pararse.
Siéntese en el asiento, ponga el freno de estacionamiento, mueva el mando de control de las cuchillas a Desengranado y bloquee las palancas de control de movimiento en punto muerto. Arranque el motor. Con el motor en marcha, centre los controles de movimiento; el motor debe pararse.
Para evitar lesiones o la muerte en caso de un vuelco: mantenga la barra anti-vuelco instalada y utilice el cinturón de seguridad.
No hay protección contra vuelcos cuando la barra anti-vuelco está desmontada.
Conduzca lentamente y con cuidado.
Compruebe cuidadosamente que hay espacio suficiente antes de conducir por debajo de cualquier objeto en alto (por ejemplo, ramas, portales, cables eléctricos) y no entre en contacto con ellos.
Antes de arrancar el motor y utilizar la máquina, compruebe el nivel de aceite de motor en el cárter; consulte Comprobación del nivel de aceite del motor.
Los motores nuevos necesitan tiempo para desarrollar toda su potencia. La fricción generada por las carcasas y los sistemas de propulsión de los cortacéspedes es mayor cuando éstos son nuevos, lo que supone una carga adicional para el motor. Las máquinas nuevas necesitan un periodo de rodaje de 40–50 horas para desarrollar la máxima potencia y el mejor rendimiento.
Ponga siempre el freno de estacionamiento cuando pare la máquina o cuando la deje desatendida.


El control del acelerador puede moverse entre las posiciones de Rápido y Lento (Figura 12).
Utilice siempre la posición Rápido al activar la carcasa de corte con el mando de control de las cuchillas.

Utilice el estárter para arrancar un motor frío como se indica a continuación:
Gire la llave de contacto a la posición de Arranque (Figura 14). Cuando el motor arranque, suelte la llave.
Important: No active el motor de arranque durante más de 5 segundos cada vez. Si el motor no arranca, deje que se enfríe durante 15 segundos entre intentos. Si no se siguen estas instrucciones, puede quemarse el motor de arranque.
Note: Es posible que se requieran ciclos de arranque adicionales al arrancar el motor por primera vez si el sistema de combustible ha estado totalmente vacío.

Gire la llave de contacto a la posición de Parada para parar el motor.
Note: Si el motor está caliente, puede no ser necesario usar el estárter (Figura 15).
Important: No active el motor de arranque durante más de 5 segundos cada vez. Si el motor no arranca, deje que se enfríe durante 15 segundos entre intentos. Si no se siguen estas instrucciones, puede quemarse el motor de arranque.
Note: Si el sistema de combustible se quedó sin combustible, añada combustible a la máquina, y utilice ciclos de arranque adicionales para arrancar el motor.

Los niños u otras personas podrían resultar lesionados si mueven o intentan conducir la máquina mientras está desatendida.
Retire siempre la llave de contacto y ponga el freno de estacionamiento cuando deje la máquina sin supervisión, aunque sea por unos pocos minutos.

El mando de control de las cuchillas arranca y detiene las cuchillas del cortacésped y cualquier accesorio conectado.
Engrane el mando de control de las cuchillas con el acelerador en la posición de Rápido.
Note: El uso del mando de control de las cuchillas con el acelerador en la posición intermedia o menos producirá un desgaste excesivo en las correas de transmisión.


El control del acelerador regula la velocidad del motor en rpm (revoluciones por minuto). Ponga el acelerador en posición Rápido para conseguir el mejor rendimiento. Siegue siempre con el acelerador en posición rápido.
La máquina puede girar muy rápidamente. El operador puede perder el control de la máquina y causar lesiones personales o daños a la máquina.
Extreme las precauciones al girar.
Reduzca la velocidad de la máquina antes de hacer giros cerrados.

Note: El motor se parará si se mueven las palancas de control de tracción con el freno de estacionamiento puesto.
Quite el freno de estacionamiento; consulte Liberación del freno de estacionamiento.
Mueva las palancas a la posición central, desbloqueadas.
Para ir hacia adelante, empuje lentamente las palancas de control de movimiento hacia adelante (Figura 20).

Mueva las palancas a la posición central de desbloqueo.
Para ir hacia atrás, tire lentamente de las palancas de control de movimiento hacia atrás (Figura 21).

Los niños u otras personas podrían resultar lesionados si mueven o intentan operar la máquina mientras está desatendida.
Retire siempre la llave de contacto y ponga el freno de estacionamiento cuando deje la máquina sin supervisión, aunque sea por unos pocos minutos.
Para detener la máquina, ponga las palancas de control de tracción en punto muerto y muévalas a la posición de bloqueo, desengrane el mando de control de las cuchillas (TDF), mueva el acelerador entre la posición de velocidad media y máxima, y gire la llave de contacto a Desconectado.
Ponga el freno de estacionamiento si va a dejar la máquina desatendida; consulte Aplicación del freno de estacionamiento. Recuerde retirar la llave de contacto.
La máquina está equipada con un sistema de pedal de elevación de la carcasa. El operador puede utilizar el pedal paras elevar la carcasa brevemente a fin de evitar obstáculos, o para bloquear la carcasa en la posición de altura de corte más alta, o de transporte. El operador puede utilizar la palanca de ajuste de la altura de corte conjuntamente con el pedal para bloquear la carcasa a una altura de corte determinada.
La altura de corte puede ajustarse de 38 mm a 114 mm (1½" a 4½") en incrementos de 6 mm (¼") colocando el pasador de altura de corte en diferentes taladros.
Pise el pedal de elevación de la carcasa y eleve la carcasa a la posición de bloqueo de transporte (que es también la posición de altura de corte de 114 mm (4-1/2 pulgadas) (Figura 23).
Para ajustar la altura de corte, retire el pasador del soporte de altura de corte (Figura 23).
Seleccione el taladro del sistema de altura de corte que corresponde a la altura de corte deseada, e inserte el pasador (Figura 23).
Pise el pedal de elevación de la carcasa y tire hacia atrás de la palanca para desactivar el bloqueo de transporte (Figura 22).
Baje la carcasa lentamente hasta que la palanca toque el pasador.

Se recomienda que cada vez que usted cambie la altura de corte, ajuste también la altura de los rodillos protectores del césped.
Desengrane la toma de fuerza, ponga las palancas de control en posición de bloqueo/punto muerto, y ponga el freno de estacionamiento.
Pare el motor, retire la llave y espere a que se detengan todas las piezas en movimiento antes de abandonar el puesto del operador.
Retire la tuerca con arandela prensada, el rodillo protector de césped y el perno de la abrazadera (Figura 24).
Note: No separe el perno y el rodillo protector del césped al retirarlos.

Alinee el perno y el rodillo protector del césped con el taladro del soporte que corresponde a la posición de altura de corte más próxima (Figura 24).
Introduzca el perno en el taladro del soporte y sujete el perno y el rodillo protector del césped con la tuerca con arandela prensada (Figura 24).
El asiento puede moverse hacia adelante y hacia atrás. Coloque el asiento en la posición que le permita controlar mejor la máquina y en la que esté más cómodo.

Note: Repita el ajuste con la otra palanca de control.
Las palancas de control de movimiento pueden ser ajustadas hacia arriba o hacia abajo para que su manejo sea más cómodo (Figura 26).

Las palancas de control de movimiento pueden ser ajustadas hacia adelante y hacia atrás para que su manejo sea más cómodo.
Afloje el perno superior que fija la palanca de control al brazo de la palanca.
Afloje el perno inferior lo suficiente para poder desplazar hacia adelante o hacia atrás la palanca de control. Apriete ambos pernos para fijar el control en la posición nueva.
Repita el ajuste con la otra palanca de control.
Important: Empuje siempre la máquina a mano. No remolque nunca la máquina porque podrían producirse daños.
Aparque la máquina en una superficie nivelada y desengrane el mando de control de las cuchillas.
Mueva las palancas de control de movimiento hacia fuera a la posición de bloqueo/punto muerto, pare el motor, retire la llave y espere a que se detengan todas las piezas en movimiento antes de abandonar el puesto del operador. Asegúrese de que el freno de estacionamiento está quitado.
Repita este procedimiento en cada lado de la máquina (Figura 27).

Mueva las palancas a la posición de empujar la máquina (Figura 27) para engranar los motores de las ruedas.
El cortacésped cuenta con un deflector de hierba abisagrado que dispersa los recortes de hierba a un lado y hacia abajo, hacia el césped.
Si la máquina no tiene correctamente montado un deflector de hierba, una tapa de descarga o un recogedor completo, usted y otras personas están expuestos a contacto con las cuchillas y a residuos lanzados al aire. El contacto con las cuchillas del cortacésped en rotación y con los residuos lanzados al aire causará lesiones o muerte.
No retire nunca el deflector de hierba del cortacésped porque el deflector de hierba dirige el material hacia abajo al césped. Si el deflector de hierba se deteriora alguna vez, sustitúyalo inmediatamente.
No coloque nunca las manos o los pies debajo del cortacésped.
No intente nunca despejar la zona de descarga o las cuchillas del cortacésped sin mover el mando de control de las cuchillas a la posición de desengranado, girar la llave de contacto a Desconectado y retirar la llave.
Compruebe que el deflector de hierba está bajado.
Utilice un remolque para cargas pesadas o un camión para transportar la máquina. Asegúrese de que el remolque o el camión tenga todos los frenos y todas las luces y señalizaciones requeridos por la ley. Por favor, lea cuidadosamente todas las instrucciones de seguridad. Esta información puede ayudarle a evitar lesiones al operador, a su familia, a sus animales domésticos o a personas que se encuentren en las proximidades.
Conducir en una calle o carretera sin señales de giro, luces, marcas reflectantes o un indicador de vehículo lento es peligroso y puede ser causa de accidentes que pueden provocar lesiones personales.
No conduzca la máquina en una calle o carretera pública.
Para transportar la máquina:
Si utiliza un remolque, conéctelo al vehículo que lo arrastra y conecte las cadenas de seguridad.
En su caso, conecte los frenos del remolque.
Cargue la máquina en el remolque o camión.
Pare el motor, retire la llave, ponga el freno y cierra la válvula de combustible.
Amarre la máquina junto a las ruedas giratorias delanteras y el guardabarros trasero (Figura 28).

Extreme las precauciones al cargar o descargar la máquina en o desde un remolque o un camión. Utilice una rampa de ancho completo que sea más ancha que la máquina durante este procedimiento. Suba las rampas en marcha atrás y bájelas hacia adelante (Figura 29).

Important: No utilice rampas estrechas individuales en cada lado de la máquina.
Asegúrese de que la rampa tiene una longitud suficiente, de manera que el ángulo con el suelo no supere los 15 grados (Figura 30). En terreno llano, se necesita una rampa cuya longitud sea al menos cuatro veces (4x) mayor que la altura de la plataforma del remolque o del camión sobre el suelo. Un ángulo mayor puede hacer que los componentes del cortacésped se atasquen cuando la unidad se desplaza desde la rampa al remolque o camión. Un ángulo mayor puede también provocar un vuelco o una pérdida de control de la máquina. Si se carga en o cerca de una pendiente, coloque el remolque o el camión pendiente abajo, con la rampa extendida pendiente arriba. Esto minimiza el ángulo de la rampa.
El cargar la máquina en un remolque o un camión aumenta la posibilidad de un vuelco y podría causar lesiones graves o la muerte.
Extreme las precauciones al hacer funcionar la máquina en una rampa.
Asegúrese de que el ROPS está en la posición elevada, y utilice el cinturón de seguridad al cargar o descargar la máquina. Asegúrese de que hay espacio suficiente entre el ROPS y el techo si usa un remolque cerrado.
Utilice únicamente una rampa de ancho completo; no utilice rampas individuales para cada lado de la máquina.
No supere un ángulo de 15 grados entre la rampa y el suelo, o entre la rampa y el remolque o camión.
Asegúrese de que la rampa tiene una longitud de al menos 4 veces (4x) la altura de la plataforma del remolque o del camión sobre el suelo. De esta forma se asegura que el ángulo de la rampa no supere los 15 grados en terreno llano.
Suba las rampas en marcha atrás y bájelas hacia adelante.
Evite acelerar o desacelerar bruscamente al conducir la máquina en una rampa, porque esto podría provocar un vuelco o una pérdida de control.

Para aumentar al máximo la calidad de corte y la circulación de aire, opere el motor a velocidad rápida. Se requiere aire para cortar bien la hierba, así que no ponga la altura de corte tan baja como para rodear totalmente el cortacésped de hierba sin cortar. Trate siempre de tener un lado del cortacésped libre de hierba sin cortar, para permitir la entrada de aire en la máquina.
Corte la hierba algo más larga de lo habitual para asegurar que la altura de corte del cortacésped no deje “calvas” en terrenos desiguales. Sin embargo, la altura de corte utilizada habitualmente suele ser la mejor. Al cortar hierba de más de 15 cm (6") de alto, suele ser preferible cortar el césped dos veces para asegurar una calidad de corte aceptable.
Es mejor cortar solamente un tercio aproximadamente de la hoja de hierba. No se recomienda cortar más, a menos que la hierba sea escasa o al final del otoño, cuando la hierba crece más despacio.
Alterne la dirección de corte para mantener la hierba erguida. Esto ayuda a dispersar los recortes y se consigue una mejor descomposición y fertilización.
En general, corte la hierba cada cuatro días. Pero recuerde, la hierba crece a velocidades distintas según las temporadas. Por ello, para mantener la misma altura de corte, lo cual está recomendado, corte el césped con más frecuencia durante la primavera. A medida que avanza el verano, la velocidad de crecimiento de la hierba decrece, por ello debe cortarse con menor frecuencia. Si no puede cortar la hierba durante un período prolongado, corte primero con una altura de corte alta y, después de dos días, vuelva a cortar con un ajuste más bajo.
Para mejorar la calidad de corte, utilice una velocidad de avance más baja en determinadas condiciones.
Si la anchura de corte del cortacésped es mayor que la del cortacésped que usó anteriormente, eleve la altura de corte para asegurarse de no cortar demasiado un césped desigual.
Si se deja crecer la hierba más de lo habitual, o si ésta contiene un grado de humedad elevado, utilice una altura de corte mayor de lo normal y corte la hierba con este ajuste. Después vuelva a cortar la hierba utilizando el ajuste habitual, más bajo.
Si es necesario detener el avance de la máquina mientras se corta el césped, es posible que caiga un montón de recortes sobre el césped. Para evitar esto, diríjase a una zona del césped que haya sido segada, con las cuchillas engranadas.
Limpie los recortes y la suciedad de los bajos del cortacésped después de cada uso. Si la hierba y la suciedad se acumulan en el interior del cortacésped, se deteriorará la calidad del corte.
Mantenga las cuchillas afiladas durante toda la temporada de corte, ya que una cuchilla afilada corta limpiamente y sin rasgar o deshilachar las hojas de hierba. Si se rasgan o se deshilachan, los bordes de las hojas se secarán, lo cual retardará su crecimiento y favorecerá la aparición de enfermedades. Compruebe cada día que las cuchillas de corte están afiladas y que no están desgastadas o dañadas. Elimine cualquier mella con una lima, y afile las cuchillas si es necesario. Si una cuchilla está desgastada o deteriorada, sustitúyala inmediatamente por una cuchilla nueva genuina Toro.
| Intervalo de mantenimiento y servicio | Procedimiento de mantenimiento |
|---|---|
| Después de las primeras 50 horas |
|
| Cada vez que se utilice o diariamente |
|
| Después de cada uso |
|
| Cada 25 horas |
|
| Cada 50 horas |
|
| Cada 100 horas |
|
| Cada 400 horas |
|
| Cada 500 horas |
|
| Cada mes |
|
| Cada año o antes del almacenamiento |
|
Important: Consulte en el manual del operador del motor procedimientos adicionales de mantenimiento.
Si deja la llave en el interruptor de encendido, alguien podría arrancar el motor accidentalmente y causar lesiones graves a usted o a otras personas.
Retire la llave del interruptor de encendido y desconecte el cable de la bujía antes de realizar cualquier operación de mantenimiento. Aparte el cable para evitar su contacto accidental con la bujía.

Asegúrese de que las palancas de control de movimiento están bloqueadas en la posición de bloqueo/punto muerto. Mueva el asiento hacia adelante.
Es posible acceder a los siguientes componentes levantando el asiento:
Pegatina de mantenimiento
Fusibles
Batería y cables
| Intervalo de mantenimiento y servicio | Procedimiento de mantenimiento |
|---|---|
| Cada 25 horas |
|
Tipo de grasa: Grasa de litio de propósito general Nº 2.
Aparque la máquina en una superficie nivelada y desengrane el mando de control de las cuchillas.
Mueva las palancas de control de movimiento hacia fuera a la posición de bloqueo/punto muerto, pare el motor, retire la llave y espere a que se detengan todas las piezas en movimiento antes de abandonar el puesto del operador.
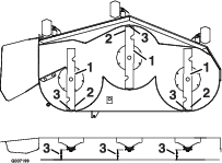
Limpie los engrasadores con un trapo (Figura 31 y Figura 32). Asegúrese de rascar cualquier pintura que hubiera sobre los puntos de engrase.

Conecte una pistola de engrasar a cada punto de engrase (Figura 32 y Figura 31). Bombee grasa hasta que empiece a rezumar grasa de los cojinetes.
Limpie cualquier exceso de grasa.
El contacto con superficies calientes puede causar lesiones personales.
Mantenga las manos, los pies, la cara, la ropa y otras partes del cuerpo alejados del tubo de escape y de otras superficies calientes.
| Intervalo de mantenimiento y servicio | Procedimiento de mantenimiento |
|---|---|
| Cada vez que se utilice o diariamente |
|
| Cada 25 horas |
|
| Cada 100 horas |
|
Este motor está equipado con un elemento del limpiador de aire recambiable, de papel y gomaespuma de alta densidad. Compruebe el limpiador de aire cada día o antes de arrancar el motor. Compruebe que no hay suciedad y residuos acumulados alrededor del sistema del limpiador de aire. Mantenga limpia esta zona. Compruebe también que no hay componentes sueltos o dañados. Cambie cualquier componente del limpiador de aire que esté doblado o dañado.
Note: La operación del motor con componentes del limpiador de aire sueltos o dañados podría dejar que pasara aire sin filtrar al motor, causando desgaste prematuro y falla.
Note: Realice el mantenimiento del limpiador de aire más a menudo en condiciones extremas de polvo o suciedad.
Lave el elemento de gomaespuma con agua templada y detergente.
Enjuáguelo y déjelo secar al aire libre.
Aplique un poco de aceite nuevo al elemento de gomaespuma y apriete para eliminar el exceso de aceite.
Golpee suavemente el elemento de papel para eliminar suciedad.
Note: No lave el elemento de papel ni utilice aire a presión, porque esto dañará el elemento.
Note: Si el elemento está sucio, doblado o dañado, cámbielo. Maneje con cuidado el elemento nuevo; no lo use si las superficies sellantes están dobladas o dañadas.
Limpie la base del limpiador de aire según sea necesario y verifique su estado.
Tipo de aceite: Aceite detergente (Servicio API SJ o superior)
Capacidad del cárter: 1.9 litros (64 onzas) si se cambia el filtro
Viscosidad: Consulte la tabla siguiente.

| Intervalo de mantenimiento y servicio | Procedimiento de mantenimiento |
|---|---|
| Cada vez que se utilice o diariamente |
|
Aparque la máquina en una superficie nivelada, desengrane el mando de control de las cuchillas, pare el motor y retire la llave de contacto.
Asegúrese de que el motor está parado, nivelado, y frío, para que el aceite tenga tiempo para drenarse al cárter.
Compruebe el nivel de aceite del motor (Figura 36).

| Intervalo de mantenimiento y servicio | Procedimiento de mantenimiento |
|---|---|
| Cada 100 horas |
|
Note: El tapón de vaciado está sujeto a la manguera de vaciado.
Note: Elimine el aceite usado en un centro de reciclaje.
Llene de aceite según lo especificado en la tabla “Grados de Viscosidad” (Figura 35).
Aparque la máquina de manera que el lado de drenaje esté ligeramente más bajo que el lado opuesto para asegurar que el aceite se drene completamente.
Desengrane el mando de control de las cuchillas y mueva los controles de movimiento hacia fuera a la posición de aparcar.
Pare el motor, retire la llave y espere a que se detengan todas las piezas en movimiento antes de abandonar el puesto del operador.

Apriete la bujía a 14 N·m (10 pies-libra).

Vierta lentamente un 80% aproximadamente de la cantidad especificada de aceite por el tubo de llenado (Figura 39).

| Intervalo de mantenimiento y servicio | Procedimiento de mantenimiento |
|---|---|
| Cada 500 horas |
|
La bujía cumple la normativa sobre interferencias de radiofrecuencia (RFI). También pueden utilizarse bujías equivalentes de otras marcas.
Tipo: Champion XC12YC (o equivalente)
Distancia entre electrodos: 0.76 mm (0.03")
Desengrane el mando de control de las cuchillas, mueva los controles de movimiento hacia fuera a la posición de aparcar, pare el motor y retire la llave.
Antes de cambiar la(s) bujía(s), limpie la base del tapón para que no entren residuos y suciedad en el motor.
Retire la bujía (Figura 40).

Important: No limpie la(s) bujía(s). Cambie siempre la(s) bujía(s) si tiene(n): un revestimiento negro, los electrodos desgastados, una película aceitosa, o grietas.
Note: Si se observa un color gris o marrón claro en el aislante, el motor está funcionando correctamente. Si el aislante aparece de color negro, significa que el limpiador de aire está sucio.
Ajuste la distancia a 0.76 mm (0.030").

Apriete la bujía a 27 N·m (20 pies-libra).

| Intervalo de mantenimiento y servicio | Procedimiento de mantenimiento |
|---|---|
| Cada vez que se utilice o diariamente |
|
| Cada 100 horas |
|
Para asegurar una refrigeración correcta, asegúrese de mantener limpias en todo momento la rejilla, las aletas de refrigeración, y otras superficies externas del motor.
Cada año o cada 100 horas de operación (más a menudo en condiciones extremas de polvo y suciedad), retire la carcasa del soplador y cualquier otra cubierta de refrigeración. Limpie las aletas de refrigeración y las superficies externas según sea necesario. Asegúrese de que las cubiertas de refrigeración están instaladas.
Important: La operación del motor con la rejilla bloqueada, las aletas de refrigeración sucias o atascadas, o sin las tapas de ventilación dañará el motor debido al sobrecalentamiento.
En ciertas condiciones la gasolina es extremadamente inflamable y altamente explosiva. Un incendio o una explosión provocados por la gasolina puede causarle quemaduras a usted y a otras personas así como daños materiales.
Realice cualquier tipo de mantenimiento relacionado con el sistema de combustible con el motor frío. Realice esta operación en un área abierta. Limpie la gasolina derramada.
No fume nunca mientras drena la gasolina y manténgase alejado de llamas desnudas o de lugares donde una chispa pudiera inflamar los vapores de gasolina.
| Intervalo de mantenimiento y servicio | Procedimiento de mantenimiento |
|---|---|
| Cada 100 horas |
|
Desengrane la toma de fuerza, ponga las palancas de control en posición de bloqueo/punto muerto, y ponga el freno de estacionamiento.
Pare el motor, retire la llave y espere a que se detengan todas las piezas en movimiento antes de abandonar el puesto del operador.


| Intervalo de mantenimiento y servicio | Procedimiento de mantenimiento |
|---|---|
| Cada mes |
|
Los bornes, terminales y otros accesorios de la batería contienen plomo y compuestos de plomo, productos químicos reconocidos por el Estado de California como causantes de cáncer y daños reproductivos. Lávese las manos después de manejar el material.
El electrolito de la batería contiene ácido sulfúrico, que es un veneno mortal y causa quemaduras graves.
No beba electrolito y evite el contacto con la piel, los ojos y la ropa. Lleve gafas de seguridad para proteger sus ojos, y guantes de goma para proteger sus manos.
Los terminales de la batería o una herramienta metálica podrían hacer cortocircuito si entran en contacto con los componentes metálicos de la máquina, causando chispas. Las chispas podrían hacer explotar los gases de la batería, causando lesiones personales.
Al retirar o colocar la batería, no deje que los bornes toquen ninguna parte metálica de la máquina.
No deje que las herramientas metálicas hagan cortocircuito entre los bornes de la batería y las partes metálicas de la máquina.
Un enrutado incorrecto de los cables de la batería podría dañar la máquina y los cables, causando chispas. Las chispas podrían hacer explotar los gases de la batería, causando lesiones personales.
Desconecte siempre el cable negativo (negro) de la batería antes de desconectar el cable positivo (rojo).
Conecte siempre el cable positivo (rojo) de la batería antes de conectar el cable negativo (negro).
Desengrane la toma de fuerza, ponga las palancas de control en posición de bloqueo/punto muerto, y ponga el freno de estacionamiento.
Pare el motor, retire la llave y espere a que se detengan todas las piezas en movimiento antes de abandonar el puesto del operador.
Retire la tuerca de orejeta que sujeta la abrazadera de la batería (Figura 44).

Retire la abrazadera (Figura 44).
Primero desconecte el cable negativo (negro) del borne negativo (–) (negro) de la batería (Figura 44).
Retire la cubierta de goma roja del borne positivo (rojo) de la batería y retire el cable positivo (+) (rojo) (Figura 44).
Retire la batería.
Coloque la batería en la bandeja con los bornes en el lado opuesto del depósito de combustible (Figura 44).
Conecte primero el cable positivo (rojo) al borne positivo (+) de la batería.
Luego, conecte el cable negativo (negro) de la batería al borne negativo (-) de la batería.
Fije los cables con 2 pernos, 2 arandelas, y 2 contratuercas (Figura 44).
Deslice la cubierta de goma roja sobre el borne positivo (rojo) de la batería.
Instale la abrazadera y sujétela con la tuerca de orejeta (Figura 44).
El proceso de carga de la batería produce gases que pueden explotar.
No fume nunca cerca de la batería, y mantenga alejados de la batería chispas y llamas.
Important: Mantenga siempre la batería completamente cargada. Esto es especialmente importante para evitar daños a la batería cuando la temperatura está por debajo de los 0 ºC (32 ºF).
Cargue la batería durante 10 a 15 minutos a 25 –30 amperios, o durante 30 minutos a 10 amperios.
Cuando la batería esté completamente cargada, desconecte el cargador de la toma de electricidad, luego desconecte los cables del cargador de los bornes de la batería (Figura 45).
Instale la batería en la máquina y conecte los cables de la batería, consulte Cómo instalar la batería.
Note: No haga funcionar la máquina con la batería desconectada; puede causar daños al sistema eléctrico.

El sistema eléctrico está protegido con fusibles. No requiere mantenimiento; no obstante, si se funde un fusible, compruebe que no hay avería ni cortocircuito en el componente/circuito.
Note: Los fusibles están situados en la consola de la derecha, junto al asiento (Figura 46).
Fusibles:
Principal, 30 amperios, tipo chapa.
Motor, 20 amperios, tipo chapa
Para cambiar el fusible principal, agarre el fusible y retírelo del bloque de fusibles en línea recta.

Important: Asegúrese de que los fusibles nuevos son del mismo tipo y amperaje que los fusibles que retiró.
Para cambiar el fusible del motor, retire la consola del guardabarros de plástico.

Agarre el fusible del motor y retírelo del bloque de fusibles en línea recta (Figura 47).
Alinee el fusible nuevo con la ranura del bloque de fusibles (Figura 46).
Inserte el fusible a presión en el bloque de fusibles hasta que esté correctamente asentado (Figura 46).
| Intervalo de mantenimiento y servicio | Procedimiento de mantenimiento |
|---|---|
| Cada 25 horas |
|
Mantenga la presión especificada de los neumáticos delanteros y traseros. Una presión desigual en los neumáticos puede hacer que el corte sea desigual. Compruebe la presión en la válvula (Figura 48). Las lecturas de presión son más exactas cuando los neumáticos están fríos.
Consulte la presión máxima recomendada por el fabricante, que figura en el flanco de los neumáticos de las ruedas giratorias.
Infle los neumáticos de las ruedas motrices traseras a 0.896 bar (13 psi).

Especificación de aceite del sistema hidráulico
Tipo de aceite: aceite del motor 20W-50.
Capacidad del sistema: aproximadamente 4.5 litros (152 onzas) si se cambia el filtro.
Important: Utilice el aceite especificado o un aceite equivalente. Otros aceites podrían causar daños en el sistema.
| Intervalo de mantenimiento y servicio | Procedimiento de mantenimiento |
|---|---|
| Cada 25 horas |
|
Compruebe el depósito de expansión y si es necesario, añada aceite de motor 20W-50 hasta la línea FULL COLD.

El filtro y el aceite deben cambiarse al mismo tiempo. No reutilice el aceite. Después de instalar el filtro nuevo y añadir aceite, es necesario purgar el sistema de aire.
Se repite el proceso de purga hasta que el aceite permanezca en la línea Full Cold del depósito después de la purga. Si no se realiza correctamente este procedimiento, pueden producirse daños irreparables en el sistema de tracción del transeje.
Pare el motor, espere a que se detengan todas las piezas en movimiento, y deje que el motor se enfríe.
Retire la llave y ponga el freno de estacionamiento.
Localice el filtro y los protectores de cada sistema de tracción del transeje (Figura 50).

Retire los tres tornillos que sujetan el protector del filtro, y retire el protector (Figura 50).
Note: Es importante que no entre ningún tipo de suciedad o contaminación en el sistema hidráulico.
Limpie cuidadosamente la zona alrededor de los filtros.
Coloque un recipiente debajo del filtro para recoger el aceite que sale del filtro al retirarse el filtro y los tapones de ventilación (Figura 51).

Localice y retire el tapón de ventilación de cada transmisión.
Desenrosque el filtro en sentido antihorario para retirarlo; deje que se vacíe el aceite del sistema de transmisión.
Repita este procedimiento en ambos filtros.
| Intervalo de mantenimiento y servicio | Procedimiento de mantenimiento |
|---|---|
| Después de las primeras 50 horas |
|
| Cada 400 horas |
|
Aplique una capa fina de aceite a la superficie de la junta de goma de cada filtro (Figura 51).
Gire el filtro en el sentido de las agujas del reloj hasta que la junta de goma entre en contacto con el adaptador del filtro, luego apriete el filtro entre tres cuartos de vuelta y una vuelta completa más (Figura 51).
Repita el paso 2 con el otro filtro.
Instale los protectores sobre cada filtro; consulte el paso 4 de Cómo retirar los filtros del sistema hidráulico.
Sujete los protectores de los filtros con los 3 tornillos que retiró en el paso 4 de Cómo retirar los filtros del sistema hidráulico. Utilice los 3 tornillos para sujetar los protectores de los filtros.
Añada aceite al sistema hidráulico como se indica a continuación:
Compruebe que los tapones de ventilación y el tapón del depósito han sido retirados antes de añadir el aceite (Figura 49 y Figura 50).
Vierta lentamente aceite del tipo especificado en el depósito de expansión hasta que salga aceite de uno de los orificios de ventilación (Figura 50), y deje de verter aceite.
Instale el tapón en ese orificio (Figura 50).
Note: Apriete el tapón a 20.3 N·m (180 pulgadas-libra).
Siga añadiendo aceite a través del depósito de expansión hasta que el aceite salga del otro orificio de ventilación de la segunda transmisión, y deje de verter (Figura 50).
Instale el tapón en ese orificio (Figura 50).
Note: Apriete el tapón a 20.3 N·m (180 pulgadas-libra).
Siga añadiendo aceite a través del depósito de expansión hasta que llegue a la línea FULL COLD del depósito de expansión, y instale el tapón del depósito (Figura 49).
Purgue el sistema hidráulico; consulte Purga del sistema hidráulico.
Important: Si no se realiza correctamente el procedimiento de Purga del sistema hidráulico después de cambiar los filtros hidráulicos y el aceite, pueden producirse daños irreparables en el sistema de tracción del transeje.
Levante la parte trasera de la máquina y apóyela sobre soportes fijos a una altura suficiente para permitir que las ruedas motrices giren libremente.

Vaya al puesto del operador.
Arranque el motor y mueva el control del acelerador hacia adelante a la posición intermedia.
Desengrane el freno de estacionamiento.
Compruebe el sistema hidráulico como se indica a continuación:
Mueva las palancas de desvío hacia atrás y luego hacia abajo para bloquearlas con las válvula abierta; consulte Cómo empujar la máquina a mano.
Con las válvulas de desvío abiertas y el motor en marcha, mueva lentamente las palancas de control de movimiento 5 ó 6 veces hacia adelante y hacia atrás.
Mueva las palancas de desvío hacia arriba para liberarlas y luego hacia adelante (válvula cerrada); consulte Para usar la máquina.
Con la válvula de desvío cerrada y el motor en marcha, mueva lentamente el control direccional hacia adelante y hacia atrás (5 ó 6 veces).
Pare el motor y verifique el nivel de aceite del depósito de expansión. Añada aceite del tipo especificado hasta que llegue a la línea FULL COLD del depósito de expansión (Figura 49).
Repita el paso 5 hasta que haya purgado todo el aire del sistema.
Note: Cuando el transeje funciona con un nivel de ruido normal, y se desplaza hacia adelante y hacia atrás a una velocidad normal, se considera purgado.
Verifique una vez más el nivel de aceite del depósito de expansión. Si es necesario, añada aceite del tipo especificado hasta que llegue a la línea FULL COLD del depósito de expansión (Figura 49).
Mantenga las cuchillas afiladas durante toda la temporada de corte, ya que una cuchilla afilada corta limpiamente y sin rasgar o deshilachar las hojas de hierba. Si se rasgan o se deshilachan, los bordes de las hojas se secarán, lo cual retardará su crecimiento y favorecerá la aparición de enfermedades.
Compruebe cada día que las cuchillas de corte están afiladas y que no están desgastadas o dañadas. Elimine cualquier mella con una lima, y afile las cuchillas si es necesario. Si una cuchilla está desgastada o deteriorada, sustitúyala inmediatamente por una cuchilla nueva genuina Toro. Para que el afilado y la sustitución sean más cómodos, puede desear tener un stock de cuchillas de repuesto.
Una cuchilla desgastada o dañada puede romperse, y un trozo de la cuchilla podría ser arrojado a la zona donde está el operador u otra persona, provocando lesiones personales graves o la muerte.
Inspeccione periódicamente las cuchillas, para asegurarse de que no están desgastadas ni dañadas.
Sustituya cualquier cuchilla desgastada o dañada.
Coloque la máquina en una superficie nivelada y ponga el freno de estacionamiento.
Desengrane el mando de control de las cuchillas (TDF).
Gire la llave de contacto a la posición Desconectado y retire la llave.
| Intervalo de mantenimiento y servicio | Procedimiento de mantenimiento |
|---|---|
| Cada vez que se utilice o diariamente |
|
Inspeccione los filos de corte (Figura 53).
Note: Si los bordes no están afilados o tienen muescas, retire las cuchillas y afílelas; consulte Afilado de las cuchillas.
Inspeccione las cuchillas, especialmente la parte curva (Figura 53).
Note: Si observa daños, desgaste o la formación de una ranura en esta zona (Figura 53), instale inmediatamente una cuchilla nueva.

Note: La máquina debe estar sobre una superficie nivelada para realizar el procedimiento siguiente.
Eleve la carcasa del cortacésped a la mayor altura posible, también llamada 'posición de transporte'.
Llevando guantes fuertemente acolchados u otro tipo de protección apropiada para las manos, gire lentamente la cuchilla a medir hasta una posición que permita medir eficazmente la distancia entre el filo de corte y la superficie nivelada.

Mida aquí la distancia entre la punta de la cuchilla y la superficie plana.

Gire la misma cuchilla 180 grados de manera que el otro extremo esté en la misma posición.

Mida aquí la distancia entre la punta de la cuchilla y la superficie plana.
Note: La diferencia no debe ser superior a 3 mm (⅛").

Una cuchilla doblada o dañada podría romperse y podría causar graves lesiones o la muerte a usted o a otras personas.
Siempre sustituya una cuchilla doblada o dañada por una cuchilla nueva.
Nunca lime ni cree muescas afiladas en los bordes o en la superficie de la cuchilla.
Si la diferencia entre A y B es de más de 3 mm (⅛"), sustituya la cuchilla por una cuchilla nueva; consulte Cómo retirar las cuchillas y Instalación de las cuchillas.
Note: Si cambia una cuchilla doblada por una nueva, y la dimensión obtenida sigue siendo de más de 3 mm (⅛"), el eje de la cuchilla podría estar doblado. Póngase en contacto con su Distribuidor Autorizado Toro para que revise la máquina.
Si la diferencia está dentro de los límites, continúe con el paso 6.
Realice los pasos 2, 3, 4 y 5 en la otra cuchilla.
Cambie cualquier cuchilla que haya golpeado un objeto sólido, o que esté desequilibrada o doblada. Para asegurar un rendimiento óptimo y el continuado cumplimiento de las normas de seguridad de la máquina, utilice únicamente cuchillas de repuesto genuinas de Toro. Las cuchillas de repuesto de otros fabricantes pueden no cumplir las normas de seguridad.
Sujete el extremo de la cuchilla usando un trapo o un guante grueso. Retire del eje el perno de la cuchilla, la arandela curva y la cuchilla (Figura 58).

Mientras se afilan las cuchillas, es posible que salgan despedidos trozos de las mismas, causando lesiones graves.
Lleve protección ocular adecuada mientras afila las cuchillas.
Utilice una lima para afilar el filo de corte en ambos extremos de la cuchilla (Figura 59).
Note: Mantenga el ángulo original.
Note: La cuchilla permanece equilibrada si se retira la misma cantidad de material de ambos bordes de corte.

Verifique el equilibrio de la cuchilla colocándola sobre un equilibrador de cuchillas (Figura 60).
Si la cuchilla se mantiene horizontal, está equilibrada y puede utilizarse.
Si la cuchilla no está equilibrada, realice los pasos siguientes:
Rebaje algo de metal en la parte de la vela solamente con una lima (Figura 58).
Repita este procedimiento hasta que la cuchilla esté equilibrada.

Instale la cuchilla en el eje (Figura 58).
Important: La parte curva de la cuchilla debe apuntar hacia arriba, hacia el interior del cortacésped para asegurar un corte correcto.
Instale la arandela de muelle y el perno de la cuchilla (Figura 58).
Note: El cono de la arandela de muelle debe estar orientado hacia la cabeza del perno
Enrosque el perno en el eje en sentido horario, y apriete el perno a 135-150 N·m (100-110 pies-libra).
Compruebe que la carcasa del cortacésped está nivelada cada vez que instale el cortacésped o cuando observe un corte desigual en el césped.
Es necesario comprobar que las cuchillas no están dobladas antes de nivelar la carcasa; retire y sustituya cualquier cuchilla que esté doblada; consulte Verificación de la rectilinealidad de las cuchillas antes de continuar.
La carcasa del cortacésped debe nivelarse primero en sentido lateral, antes de poder ajustar la inclinación longitudinal.
Requisitos:
La máquina debe estar sobre una superficie nivelada.
Los cuatro neumáticos deben estar correctamente inflados; consulte Comprobación de la presión de los neumáticos.
Las cuchillas del cortacésped deben estar niveladas lateralmente. Verifique la nivelación lateral cada vez que instale el cortacésped, o cuando observe un corte desigual del césped.
Aparque la máquina en una superficie nivelada y desengrane el mando de control de las cuchillas.
Mueva las palancas de control de movimiento hacia fuera a la posición de bloqueo/punto muerto, pare el motor, retire la llave, ponga el freno de estacionamiento y espere a que se detengan todas las piezas en movimiento antes de abandonar el puesto del operador.
Gire cuidadosamente las cuchillas colocándolas perpendicularmente al sentido de avance de la máquina.
Mida entre los bordes de corte exteriores y la superficie plana (Figura 61).
Note: Si hay una diferencia de más de 5 mm (3/16") entre ambas dimensiones, se requiere un ajuste; continúe con el procedimiento de Nivelación.

Verifique la inclinación longitudinal de las cuchillas cada vez que instale el cortacésped. Si la parte delantera del cortacésped está más de 7.9 mm (5/16") más baja que la parte trasera del cortacésped, ajuste la inclinación de las cuchillas siguiendo estas instrucciones:
Aparque la máquina en una superficie nivelada y desengrane el mando de control de las cuchillas.
Mueva las palancas de control de movimiento hacia fuera a la posición de punto muerto, ponga el freno de estacionamiento, pare el motor, retire la llave y espere a que se detengan todas las piezas en movimiento antes de abandonar el puesto del operador.
Gire cuidadosamente las cuchillas colocándolas en el sentido de avance de la máquina (Figura 62).
Mida entre la punta de la cuchilla delantera y la superficie plana y entre la punta de la cuchilla trasera y la superficie plana (Figura 62).
Note: Si la punta de la cuchilla delantera no está entre 1.6 mm y 7.9 mm (1/16" y 5/16") más baja que la punta de la cuchilla trasera, continúe con el procedimiento Nivelación de la carcasa de corte.

Ajuste los rodillos protectores del césped en los taladros superiores o retírelos completamente para este procedimiento; consulte Ajuste de los rodillos protectores del césped.
Ponga la palanca de altura de corte en la posición de 76 mm (3"); consulte Ajuste de la altura de corte.
Coloque dos bloques de 6.66 cm (2⅝") debajo de cada lado del borde delantero de la carcasa, pero no debajo de los soportes de los rodillos protectores del césped (Figura 63).
Coloque dos bloques de 7.3 cm (2⅞") de grosor debajo del borde trasero del faldón de la carcasa de corte, uno en cada lado de la carcasa de corte (Figura 63).

Afloje los pernos de ajuste en las cuatro esquinas, hasta que la carcasa quede bien asentada sobre los cuatro bloques (Figura 64).

Asegúrese de que las cuatro cadenas están tensadas (Figura 64).
Apriete los cuatro pernos de ajuste (Figura 64).
Compruebe que los bloques están ajustados debajo del faldón de la carcasa. Asegúrese de que todos los pernos están bien apretados
Verifique la nivelación de la carcasa comprobando la nivelación lateral y la inclinación longitudinal de la cuchilla; repita el procedimiento de nivelación de la carcasa si es necesario.
| Intervalo de mantenimiento y servicio | Procedimiento de mantenimiento |
|---|---|
| Cada 50 horas |
|
Si hay chirridos cuando la correa está en movimiento, si las cuchillas patinan durante la siega, si los bordes de la correa están deshilachados, o si tiene marcas de quemaduras o grietas, la correa del cortacésped está desgastada. Cambie la correa si observa cualquiera de estas condiciones.
Note: Levante la chapa de suelo para tener acceso a la correa y a la polea tensora.
El muelle está tensado cuando está instalado, y puede causar lesiones personales.
Tenga cuidado al retirar la correa.
Si hay chirridos cuando la correa está en movimiento, si las cuchillas patinan durante la siega, si los bordes de la correa están deshilachados, o si tiene marcas de quemaduras o grietas, la correa del cortacésped está desgastada. Cambie la correa si observa cualquiera de estas condiciones.
Desconecte el mando de control de las cuchillas, ponga las palancas de control de movimiento en posición de bloqueo/punto muerto, y ponga el freno de estacionamiento.
Pare el motor, retire la llave y espere a que se detengan todas las piezas en movimiento antes de abandonar el puesto del operador.
Baje el cortacésped a la altura de corte de 76 mm (3").
Levante la chapa de suelo para tener acceso a la correa y a la polea tensora.
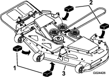
Retire las cubiertas de la correa (Figura 65).

Usando una herramienta para la retirada de muelles (Pieza Toro Nº 92-5771), retire el muelle tensor del espárrago de la carcasa para eliminar la tensión de la polea tensora (Figura 66).

Baje el cortacésped a la altura de corte más baja.
Coloque el pasador de altura de corte en la posición de bloqueo para la altura de corte más baja.
Retire la correa de las poleas de la carcasa del cortacésped y retire la correa existente.
Pase la correa nueva alrededor de las poleas del cortacésped y de la polea del embrague, debajo del motor (Figura 66).
Usando una herramienta para la retirada de muelles (Pieza Toro Nº 92-5771), instale el muelle tensor sobre el gancho de la carcasa y tense la polea tensora y la correa (Figura 66).
Asegúrese de que la correa está correctamente asentada en todas las poleas.
Instale las cubiertas de la correa (Figura 67).

Aparque la máquina en una superficie nivelada y desengrane el mando de control de las cuchillas. Mueva las palancas de control de movimiento hacia fuera a la posición de punto muerto, ponga el freno de estacionamiento, pare el motor, retire la llave y espere a que se detengan todas las piezas en movimiento antes de abandonar el puesto del operador.
Baje el cortacésped a la altura de corte más baja. Para completar la retirada, seleccione uno de los procedimientos siguientes, dependiendo de las dimensiones de la carcasa de corte instalada.
Baje el cortacésped a la altura de corte de 76 mm (3").
Retire la correa del cortacésped de la polea del motor; consulte Cómo retirar la correa.
Retire la chaveta y la arandela que sujetan el pasador de enganche largo al bastidor y a la carcasa; retire el pasador de enganche (Figura 68).

Levante la carcasa de corte para aliviar la tensión de la carcasa de corte.
Retire las cadenas de los ganchos de los brazos de elevación de la carcasa (Figura 69).

Eleve la altura de corte a la posición de transporte.
Retire la correa de la polea del embrague, en el motor.
Retire el cortacésped de debajo de la máquina.
Note: Guarde todas las piezas para instalaciones futuras.
Aparque la máquina en una superficie nivelada y desengrane el mando de control de las cuchillas.
Mueva las palancas de control de movimiento hacia fuera a la posición de bloqueo/punto muerto, pare el motor, retire la llave, ponga el freno de estacionamiento y espere a que se detengan todas las piezas en movimiento antes de abandonar el puesto del operador.
Deslice el cortacésped debajo de la máquina.
Baje la palanca de ajuste de la altura de corte a la posición más baja.
Coloque el pasador de altura de corte en la posición de bloqueo para la altura de corte más baja.
Eleve la parte trasera de la carcasa de corte y conecte las cadenas a los brazos de elevación traseros (Figura 69).
Conecte las cadenas delanteras a los brazos de elevación delanteros (Figura 69).
Instale el pasador de enganche largo por la pletina de suspensión y la carcasa.
Sujete el perno de enganche con las chavetas y las arandelas que retiró anteriormente (Figura 68).
Instale la correa del cortacésped sobre la polea del motor; consulte Instalación de la correa.
| Intervalo de mantenimiento y servicio | Procedimiento de mantenimiento |
|---|---|
| Cada vez que se utilice o diariamente |
|
Si el hueco de descarga se deja destapado el cortacésped podría arrojar objetos hacia el operador o hacia otras personas y causar lesiones graves. También podría producirse un contacto con la cuchilla.
No utilice nunca el cortacésped sin haber instalado una placa de mulching, un deflector de descarga o un sistema de recogida de hierba.
Compruebe que el deflector de hierba no está deteriorado antes de cada uso. Sustituya cualquier pieza dañada antes de utilizar la máquina.
Desenganche el muelle de la muesca del soporte del deflector, y retire la varilla de los soportes soldados de carcasa, el muelle y el deflector de descarga (Figura 70).

Retire el deflector de descarga dañado o desgastado.
Coloque el nuevo conjunto del deflector de descarga con los extremos de los soportes entre los soportes soldados de la carcasa, según se muestra en la Figura 70.
Instale el muelle en el extremo recto de la varilla. Coloque el muelle en la varilla según se muestra en Figura 70, de manera que el extremo corto del muelle suba desde debajo de la varilla antes de la curva y pase por encima de la varilla después de la curva.
Levante el extremo del muelle con bucle y colóquelo en la muesca del soporte del deflector (Figura 71).

Fije el conjunto de varilla y muelle torciéndolo de manera que el extremo corto de la varilla pueda colocarse detrás del soporte delantero que está soldado a la carcasa (Figura 71).
Important: El muelle debe obligar al deflector de hierba a bajarse. Levante el deflector para verificar que baja a la posición de totalmente abatido.
| Intervalo de mantenimiento y servicio | Procedimiento de mantenimiento |
|---|---|
| Después de cada uso |
|
Lave los bajos del cortacésped después de cada uso para evitar la acumulación de hierba y así mejorar el picado de la hierba y la dispersión de los recortes.
Aparque la máquina en una superficie nivelada y desengrane el mando de control de las cuchillas.
Mueva las palancas de control de movimiento hacia fuera a la posición de bloqueo/punto muerto, pare el motor, retire la llave y espere a que se detengan todas las piezas en movimiento antes de abandonar el puesto del operador.
Conecte el acoplamiento de la manguera al extremo del conector de lavado del cortacésped, y abra el grifo al máximo (Figura 72).
Note: Aplique vaselina a la junta tórica del conector de lavado para facilitar la conexión del acoplamiento y proteger la junta.

Baje el cortacésped a la altura de corte más baja.
Siéntese en el asiento y arranque el motor. Engrane el mando de control de las cuchillas y deje que funcione el cortacésped de uno a tres minutos.
Desengrane el mando de control de las cuchillas, pare el motor y retire la llave de contacto. Espere a que se detengan todas las piezas en movimiento.
Cierre el grifo de agua y retire el acoplamiento del conector de lavado.
Note: Si el cortacésped no queda limpio después de un lavado, mójelo bien y espere unos 30 minutos. Luego repita el proceso.
Haga funcionar el cortacésped de nuevo durante uno a tres minutos para eliminar el exceso de agua.
Un conector de lavado roto o no instalado podría exponerle a usted y a otras personas a objetos lanzados o a contacto con las cuchillas. El contacto con la cuchilla o con residuos lanzados puede causar lesiones o la muerte.
Sustituya el conector de lavado si está roto o si no está instalado inmediatamente, antes de volver a utilizar el cortacésped.
No coloque nunca las manos o los pies debajo del cortacésped o a través de aberturas en el cortacésped.
El aceite de motor, las baterías, el aceite hidráulico y el refrigerante del motor son contaminantes medioambientales. Elimínelos de acuerdo con la normativa estatal y local.
Desengrane el mando de control de las cuchillas (TDF), ponga el freno de estacionamiento y gire la llave de contacto a Desconectado. Retire la llave.
Retire los recortes de hierba, la suciedad y la mugre de las piezas externas de toda la máquina, especialmente el motor y el sistema hidráulico. Limpie la suciedad y la broza de la parte exterior del alojamiento de las aletas de la culata de cilindros del motor y del soplador.
Important: La máquina puede lavarse con un detergente suave y agua. No lave la máquina a presión. Evite el uso excesivo de agua, especialmente cerca del panel de control, debajo del asiento, y alrededor del motor, de las bombas hidráulicas y de los motores eléctricos.
Compruebe el funcionamiento del freno de estacionamiento; consulte Utilización del freno de estacionamiento.
Revise el limpiador de aire; consulte Mantenimiento del limpiador de aire.
Engrase la máquina; consulte Engrasado de los cojinetes.
Cambie el aceite del cárter; consulte Mantenimiento del aceite del motor.
Compruebe la presión de los neumáticos; consulte Comprobación de la presión de los neumáticos.
Cambie el filtro hidráulico; consulte Cambio del filtro del sistema hidráulico y el aceite.
Cargue la batería; consulte Cómo cargar la batería.
Rasque cualquier acumulación importante de hierba y suciedad de los bajos del cortacésped, luego lávelo con una manguera de jardín.
Note: Haga funcionar la máquina con el mando de control de las cuchillas engranado y el motor en ralentí alto durante 2 a 5 minutos después del lavado.
Compruebe la condición de las cuchillas; consulte Mantenimiento de las cuchillas de corte.
Prepare la máquina para su almacenamiento cuando no la vaya a utilizar durante más de 30 días. Prepare la máquina para el almacenamiento de la manera siguiente:
Agregue un estabilizador/acondicionador a base de petróleo al combustible del depósito. Siga las instrucciones de mezcla del fabricante del estabilizador. No use un estabilizador a base de alcohol (etanol o metanol).
Note: Un estabilizador/acondicionador de combustible es más eficaz cuando se mezcla con combustible fresco y se utiliza en todo momento.
Haga funcionar el motor para distribuir el combustible con acondicionador por todo el sistema de combustible (5 minutos).
Pare el motor, deje que se enfríe y drene el depósito de combustible.
Vuelva a arrancar el motor y hágalo funcionar hasta que se pare.
Deseche el combustible adecuadamente. Recicle el combustible según la normativa local.
Important: No guarde el combustible con estabilizador/acondicionador durante más de 90 días.
Revise y apriete todos los pernos, tuercas y tornillos. Repare o sustituya cualquier pieza dañada.
Pinte las superficies que estén arañadas o donde esté visible el metal. Puede adquirir la pintura en su Servicio Técnico Autorizado.
Guarde la máquina en un garaje o almacén seco y limpio. Retire la llave de contacto y guárdela fuera del alcance de niños u otros usuarios no autorizados. Cubra la máquina para protegerla y para conservarla limpia.
| Problem | Possible Cause | Corrective Action |
|---|---|---|
| El motor de arranque no se engrana. |
|
|
| El motor no arranca, arranca con dificultad, o no sigue funcionando. |
|
|
| El motor pierde potencia. |
|
|
| El motor se sobrecalienta. |
|
|
| El cortacésped se desvía a la derecha o a la izquierda (con las palancas totalmente hacia adelante). |
|
|
| No es posible conducir la máquina. |
|
|
| La máquina vibra de manera anormal. |
|
|
| La máquina corta la hierba a una altura irregular. |
|
|
| Las cuchillas no giran. |
|
|
