| Périodicité d'entretien | Procédure d'entretien |
|---|---|
| À chaque utilisation ou une fois par jour |
|
Cette machine est une tondeuse autoportée à lames rotatives destinée au grand public. Elle est principalement conçue pour tondre les pelouses entretenues régulièrement. Elle n'est pas conçue pour couper les broussailles et autre végétation sur le bord des routes ni pour des utilisations agricoles.
Lisez attentivement cette notice pour apprendre comment utiliser et entretenir correctement votre produit, et éviter de l'endommager ou de vous blesser. Vous êtes responsable de l'utilisation sûre et correcte du produit.
Vous pouvez contacter Toro directement sur www.Toro.com pour tout renseignement concernant un produit ou un accessoire, pour obtenir l'adresse des dépositaires ou pour enregistrer votre produit.
Pour obtenir des prestations de service, des pièces Toro d'origine ou des renseignements complémentaires, munissez-vous des numéros de modèle et de série du produit et contactez un dépositaire-réparateur ou le service client Toro agréé. La Figure 1 indique l'emplacement des numéros de modèle et de série du produit. Inscrivez les numéros dans l'espace réservé à cet effet.

Les mises en garde de ce manuel soulignent les dangers potentiels et sont signalées par le symbole de sécurité (Figure 2), qui indique un danger pouvant entraîner des blessures graves ou mortelles si les précautions recommandées ne sont pas respectées.

Ce manuel utilise deux termes pour faire passer des renseignements essentiels. Important, pour attirer l'attention sur des renseignements mécaniques spécifiques, et Remarque, pour souligner une information d'ordre général méritant une attention particulière.
Important: Le moteur de cette machine n'est pas équipé d'un silencieux avec pare-étincelles. Vous commettez une infraction à la section 4442 du Code des ressources publiques de Californie si vous utilisez cette machine dans une zone boisée, broussailleuse ou recouverte d'herbe. D'autres états ou régions fédérales peuvent être régis par des lois similaires.
Ce système d'allumage par étincelle est conforme à la norme canadienne ICES-002.
Le Manuel du propriétaire du moteur ci-joint est fourni à titre informatif concernant la réglementation de l'Agence américaine pour la protection de l'environnement (EPA) et la réglementation antipollution de l'état de Californie relative aux systèmes antipollution, à leur entretien et à leur garantie. Vous pouvez vous en procurer un nouvel exemplaire en vous adressant au constructeur du moteur.
Pour les modèles dont la puissance du moteur est indiquée, la puissance brute du moteur a été testée en laboratoire par le constructeur du moteur selon SAE J1995 et mesurée selon J2723.
CALIFORNIE
Proposition 65 - Avertissement
Les gaz d'échappement de ce produit contiennent des substances chimiques considérées par l'état de Californie comme susceptibles de provoquer des cancers, des malformations congénitales et autres troubles de la reproduction.
Cette machine peut occasionner des accidents si elle n'est pas utilisée ou entretenue correctement. Pour réduire les risques d'accidents et de blessures, respectez les consignes de sécurité qui suivent. Tenez toujours compte des mises en garde signalées par le symbole de sécurité et la mention PRUDENCE, ATTENTION ou DANGER. Ne pas respecter ces instructions, c'est risquer de vous blesser, parfois mortellement.
Ce produit peut sectionner les mains ou les pieds et projeter des objets. Respectez toujours toutes les consignes de sécurité pour éviter des blessures graves ou mortelles.
Ce produit est conçu pour couper et recycler l'herbe ou pour la ramasser s'il est équipé d'un bac à herbe. Tout autre usage peut s'avérer dangereux pour l'utilisateur ou les personnes à proximité.
Les instructions suivantes sont adaptées de la norme ANSI B71.4–2012.
Lisez le Manuel de l'utilisateur et toute autre documentation de formation. Il appartient au propriétaire de la machine d'expliquer le contenu des manuels aux personnes (utilisateurs, mécaniciens, etc.) qui ne maîtrisent pas suffisamment la langue dans laquelle il est rédigé.
Familiarisez-vous avec le maniement correct du matériel, les commandes et les symboles de sécurité.
Les utilisateurs et mécaniciens doivent tous posséder les compétences nécessaires. Le propriétaire de la machine doit assurer la formation des utilisateurs.
Ne confiez jamais l'utilisation ou l'entretien de la machine à des enfants ou à des personnes non qualifiées. Certaines législations imposent un âge minimum pour l'utilisation de ce type de machine.
Le propriétaire/l'utilisateur est responsable des dommages matériels ou corporels et peut les prévenir.
Examinez la zone de travail pour déterminer quels accessoires et équipements vous permettront d'exécuter votre tâche correctement et sans risque. Utilisez uniquement les accessoires et équipements agréés par le fabricant.
Portez des vêtements appropriés, y compris un casque, des lunettes de protection et des protège-oreilles. Les cheveux longs, les vêtements amples et les bijoux peuvent se prendre dans les pièces mobiles.
Examinez la zone de travail et enlevez tout objet susceptible d'être projeté par la machine (pierres, jouets, câbles, etc.).
Vérifiez toujours que les commandes de présence de l'utilisateur, les contacteurs de sécurité et les capots de protection sont en place et fonctionnent correctement. N'utilisez pas la machine en cas de mauvais fonctionnement.
La foudre peut causer des blessures graves ou mortelles. Si vous voyez des éclairs ou que vous entendez le tonnerre à proximité, n'utilisez pas la machine et mettez-vous à l'abri.
Ne faites jamais tourner le moteur dans un local fermé.
N'utilisez la machine que sous un bon éclairage et méfiez-vous des trous et autres dangers cachés.
Vérifiez que tous les embrayages sont au point mort et que le frein de stationnement est serré avant de mettre le moteur en marche. Ne démarrez le moteur qu'à partir de la position d'utilisation.
Ralentissez et redoublez de prudence sur les pentes. Déplacez-vous toujours transversalement sur les pentes. La nature du terrain peut affecter la stabilité de la machine. Soyez prudent lorsque vous utilisez la machine à proximité de dénivellations.
Ralentissez et soyez prudent quand vous changez de direction et quand vous faites demi-tour sur les pentes.
Ne relevez jamais le tablier de coupe quand les lames tournent.
N'utilisez jamais la machine sans vérifier que les capots de la prise de force et autres protection sont solidement fixés en place. Vérifiez la fixation, le réglage et le fonctionnement de tous les verrouillages de sécurité.
N'utilisez jamais la machine si le déflecteur de la goulotte est relevé, déposé ou modifié, sauf si vous utilisez un bac à herbe.
Ne modifiez pas le réglage du régulateur et ne faites pas tourner le moteur à un régime excessif.
Arrêtez-vous sur une surface plane, débrayez toutes les commandes, serrez le frein de stationnement (le cas échéant) et coupez le moteur avant de quitter la position d'utilisation, pour quelque raison que ce soit, y compris pour vider les bacs à herbe ou déboucher la goulotte.
Arrêtez la machine et vérifiez l'état des lames si vous percutez un obstacle ou en cas de vibrations inhabituelles. Effectuez les réparations nécessaires avant de réutiliser la machine.
N'approchez pas les pieds et les mains du tablier de coupe.
Avant de faire marche arrière, vérifiez que la voie est libre juste derrière la machine et sur sa trajectoire.
Tenez les personnes et les animaux à distance.
Ralentissez et soyez prudent quand vous changez de direction et quand vous traversez des routes et des trottoirs. Arrêtez les lames quand vous ne tondez pas.
Sachez dans quel sens s'effectue l'éjection et assurez-vous de ne pas la diriger vers qui que ce soit.
N'utilisez pas la machine sous l'emprise de l'alcool, de drogues ou de médicaments.
Soyez prudent pour charger la machine sur une remorque ou un véhicule utilitaire, et pour la décharger.
Soyez prudent à l'approche de tournants sans visibilité, de buissons, d'arbres ou d'autres objets susceptibles de masquer la vue.
Ne retirez pas le système ROPS.
Le système ROPS est un dispositif de sécurité intégré et efficace. Laissez le système ROPS sur la machine et bouclez la ceinture de sécurité quand vous utilisez la machine.
Vérifiez qu'il est possible de détacher rapidement la ceinture de sécurité en cas d'urgence.
Examinez la zone de travail à l'avance si elle comprend des pentes, des dénivellations ou des étendues d'eau.
Vérifiez précisément la hauteur libre avant de passer sous un obstacle (par ex. branches, portes, câbles électriques, etc.) et évitez de le toucher.
Maintenez le système ROPS en bon état de marche en vérifiant minutieusement et régulièrement son état et en gardant toutes les fixations bien serrées.
Remplacez le système ROPS s'il est endommagé. Il ne doit pas être réparé ni modifié.
Toute modification du système ROPS doit être agréée par le fabricant.
Pour éviter de vous blesser ou de causer des dommages matériels, manipulez l'essence avec une extrême prudence. L'essence est extrêmement inflammable et ses vapeurs sont explosives.
Éteignez cigarettes, cigares, pipes et autres sources d'étincelles.
Utilisez exclusivement un bidon à carburant homologué.
N'enlevez jamais le bouchon du réservoir de carburant et n'ajoutez jamais de carburant quand le moteur est en marche.
Laissez refroidir le moteur avant de faire le plein.
Ne faites jamais le plein de carburant à l'intérieur d'un local.
Ne remisez jamais la machine ni les bidons de carburant à proximité d'une flamme nue, d'une source d'étincelles ou d'une veilleuse, telle celle d'un chauffe-eau ou d'autres appareils.
Ne remplissez jamais les bidons de carburant à l'intérieur d'un véhicule ou sur le plateau d'une remorque dont le revêtement est en plastique. Posez toujours les bidons sur le sol, à l'écart du véhicule, avant de les remplir.
Descendez la machine du véhicule ou de la remorque et posez-la à terre avant de remplir le réservoir de carburant. Si cela n'est pas possible, laissez la machine dans le véhicule ou sur la remorque, mais remplissez le réservoir à l'aide d'un bidon, et non directement à la pompe.
Maintenez le pistolet en contact avec le bord du réservoir ou du bidon jusqu'à la fin du remplissage. N'utilisez pas de dispositif de verrouillage du pistolet en position ouverte.
Si du carburant s'est répandu sur vos vêtements, changez-vous immédiatement.
Ne remplissez jamais excessivement le réservoir de carburant. Remettez en place le bouchon du réservoir et serrez-le à fond.
Débrayez toutes les commandes, serrez le frein de stationnement, arrêtez le moteur et enlevez la clé de contact ou débranchez le fil de la bougie. Attendez l'arrêt complet de toutes les pièces mobiles avant de régler, de nettoyer ou de réparer la machine.
Enlevez les brins d'herbe et autres débris qui sont agglomérés sur le tablier de coupe, les dispositifs d'entraînement, les silencieux et le moteur pour éviter les risques d'incendie. Nettoyez les coulées éventuelles d'huile ou de carburant.
Laissez refroidir le moteur avant de remiser la machine à l'écart de toute flamme.
Fermez le robinet d'arrivée de carburant si vous remisez ou transportez la machine. Ne stockez pas le carburant à proximité d'une flamme et ne vidangez pas le réservoir de carburant à l'intérieur d'un local.
Garez la machine sur un sol plat et horizontal. Serrez le frein de stationnement. Ne confiez jamais l'entretien de la machine à des personnes non qualifiées.
Utilisez des chandelles pour soutenir les composants au besoin.
Libérez la pression emmagasinée dans les composants avec précaution.
Débranchez la batterie ou le fil de la bougie avant d'entreprendre des réparations. Débranchez toujours la borne négative avant la borne positive. Rebranchez toujours la borne positive avant la borne négative.
Examinez les lames avec précaution. Manipulez toujours les lames avec des gants épais ou en les enveloppant dans un chiffon, et toujours avec la plus grand prudence. Remplacez toujours les lames défectueuses. N'essayez jamais de les redresser ou de les souder.
N'approchez jamais les mains ou les pieds des pièces mobiles. Dans la mesure du possible, évitez d'effectuer des réglages sur la machine quand le moteur est en marche.
Maintenez toutes les pièces en bon état de marche et toutes les fixations bien serrées. Remplacez tous les autocollants usés ou endommagés.
Procédez avec prudence pour charger la machine sur une remorque ou un camion, ainsi que pour la décharger.
Utilisez des rampes d'une seule pièce pour charger la machine sur une remorque ou un camion.
Arrimez solidement la machine au moyen de sangles, chaînes, câbles ou cordes. Les sangles avant et arrière doivent être dirigées vers le bas et l'extérieur de la machine.
La liste suivante contient des renseignements spécifiques concernant la sécurité des produits Toro ou tout autre renseignement relatif à la sécurité qu'il est important de connaître et qui peut ne pas apparaître dans les spécifications des normes ANSI.
Utilisez uniquement des accessoires agréés par Toro. L'utilisation d'accessoires non agréés risque d'annuler la garantie.
N'utilisez rien d'autre qu'une rampe d'une seule pièce pour charger la machine sur une remorque ou un camion. L'angle de la rampe ne doit pas dépasser 15 degrés.
L'équipement remorqué ne doit être attaché qu'au point d'attelage.
Suivez les recommandations du fabricant de l'accessoire en ce qui concerne les limites de poids relatives au matériel remorqué et au remorquage sur pentes. Le poids remorqué ne doit pas dépasser le poids combiné de la machine, de l'opérateur et du ballast. Utilisez des contrepoids ou lestez les roues comme expliqué dans le manuel de l'utilisateur de l'accessoire ou du véhicule tracteur.
N'autorisez jamais ni enfants ni adultes à monter sur ou dans le matériel remorqué.
Sur les pentes, le poids du matériel remorqué peut provoquer une perte de la motricité et du contrôle de la machine, et accroître le risque de retournement. Réduisez le poids remorqué et ralentissez.
La distance d'arrêt augmente avec le poids de la charge remorquée. Conduisez lentement et prévoyez une distance de freinage plus grande que la normale.
Prenez des virages larges pour éviter que l'accessoire ne vienne toucher la machine.
Ne remisez pas la machine ou les bidons de carburant dans un local où se trouve une flamme nue, telle la veilleuse d'un chauffe-eau ou d'une chaudière.
Gardez tous les écrous et boulons bien serrés, en particulier les boulons de fixation des lames.
Gardez tous les écrous et boulons bien serrés, en particulier les boulons de fixation des lames.
Le retrait de pièces et d'accessoires standard d'origine peut modifier la garantie, la motricité et la sécurité de la machine. L'utilisation de pièces autres que des pièces Toro d'origine peut causer des blessures graves ou mortelles. Toute modification non autorisée du moteur, du système d'alimentation ou de mise à l'air libre peut contrevenir à la réglementation EPA et CARB.
Remplacez toutes les pièces, y compris mais non exclusivement, les pneus, courroies, lames et système d'alimentation, par des pièces Toro d'origine.
Vérifiez souvent le fonctionnement des freins. Effectuez les réglages et l'entretien du frein éventuellement requis.

![]() |
Des autocollants de sécurité et des instructions bien visibles par l'opérateur sont placés près de tous les endroits potentiellement dangereux. Remplacez tout autocollant endommagé ou manquant. |




















Avant de mettre le moteur en marche et d'utiliser la machine, familiarisez-vous avec tous les commandes (Figure 5).

Le commutateur d'allumage a trois positions : Démarrage, Contact et Arrêt. La clé tourne jusqu'à la position Démarrage et revient automatiquement en position Contact lorsqu'elle est relâchée. Tournez la clé à la position Arrêt pour couper le moteur. Enlevez toujours la clé de contact avant de quitter la machine pour éviter tout démarrage accidentel (Figure 5).
La commande d'accélérateur peut être réglée entre les positions Haut régime et Bas régime. Déplacez la commande d'accélérateur en avant pour augmenter le régime moteur et en arrière pour le réduire. Le moteur tourne à plein régime si vous déplacez la commande en avant en position de verrouillage (Figure 5).
Utilisez le starter pour démarrer quand le moteur est froid. Tirez sur le bouton de starter pour l'engager. Poussez sur le bouton du starter pour le désengager.
La commandes des lames, représentée par le symbole de la prise de force (PDF), engage et désengage l'entraînement des lames (Figure 5).
Le compteur horaire totalise les heures de fonctionnement des lames. Il fonctionne quand la commande des lames (PDF) est engagée. Programmez les entretiens en fonction du nombre d'heures indiqué (Figure 5).
Le viseur de niveau, situé sous le poste de conduite, permet de vérifier le niveau d'essence dans le réservoir (Figure 6).
Ces leviers sont des commandes sensibles à la vitesse des moteurs de roues indépendants. Déplacez un levier en avant ou en arrière pour faire tourner en avant ou en arrière la roue qui se trouve du même côté; la vitesse de rotation de la roue est proportionnelle au déplacement du levier. Écartez les leviers de commande vers l'extérieur, du centre à la position de verrouillage du point mort, puis descendez de la machine (Figure 4). Placez toujours les leviers de commande à la position de verrouillage du point avant d'arrêter la machine ou de la laisser sans surveillance.
Le levier de frein de stationnement est situé sur le côté gauche de la console (Figure 4). Le levier permet de serrer un frein de stationnement sur les roues motrices. Tirez le levier vers le haut et en arrière pour serrer le frein. Poussez le levier vers l'avant et le bas pour desserrer le frein.
Le système de relevage à pédale permet à l'utilisateur d'abaisser et de relever le tablier de coupe sans quitter le siège. La pédale permet de relever le tablier brièvement pour éviter les obstacles ou de le verrouiller à la hauteur de coupe la plus élevée ou en position de transport (Figure 4).
Le levier de hauteur de coupe fonctionne en association avec la pédale pour verrouiller le tablier à une hauteur de coupe spécifique. Arrêtez toujours la machine avant de modifier la hauteur de coupe (Figure 4).
Une sélection d'outils et accessoires agréés par Toro est disponible pour augmenter et améliorer les capacités de la machine. Pour obtenir la liste de tous les accessoires et outils agréés, contactez votre dépositaire-réparateur ou distributeur agréé ou rendez-vous sur le site www.Toro.com.
Note: Les côtés gauche et droit de la machine sont déterminés d'après la position d'utilisation normale.
Pour assurer le fonctionnement optimal de la machine, utilisez uniquement de l'essence sans plomb propre et fraîche (stockée depuis moins d'un mois) ayant un indice d'octane de 87 ou plus (méthode de calcul [R+M]/2).
Éthanol : de l'essence contenant jusqu'à 10 % d'éthanol (essence-alcool) ou 15 % de MTBE (éther méthyltertiobutylique) par volume peut être utilisée à la rigueur. L'éthanol et le MTBE sont deux produits différents. L'utilisation d'essence contenant 15 % d'éthanol (E15) par volume n'est pas agréée. N'utilisez jamais d'essence contenant plus de 10 % d'éthanol par volume, comme E15 (qui contient 15 % d'éthanol), E20 (qui contient 20 % d'éthanol) ou E85 (qui contient jusqu'à 85 % d'éthanol). L'utilisation d'essence non agréée peut entraîner des problèmes de performances et/ou des dommages au moteur qui peuvent ne pas être couverts par la garantie.
N'utilisez pas d'essence contenant du méthanol.
Ne stockez pas le carburant dans le réservoir ou dans des bidons de carburant pendant l'hiver, à moins d'utiliser un stabilisateur de carburant.
N'ajoutez pas d'huile à l'essence.
Dans certaines circonstances, l'essence est extrêmement inflammable et hautement explosive. Un incendie ou une explosion causé(e) par de l'essence peut vous brûler, ainsi que d'autres personnes, et causer des dommages matériels.
Faites le plein du réservoir de carburant à l'extérieur, dans un endroit bien dégagé, lorsque le moteur est froid. Essuyez toute essence répandue.
Ne faites jamais le plein du réservoir de carburant à l'intérieur d'une remorque fermée.
Ne remplissez pas complètement le réservoir de carburant. Versez la quantité de carburant voulue dans le réservoir de carburant jusqu'à ce que le niveau se situe entre 6 et 13 mm (0,25 et 0,50 po) en dessous de la base du goulot de remplissage. L'espace au-dessus doit rester vide pour permettre à l'essence de se dilater.
Ne fumez jamais en manipulant de l'essence et tenez-vous à l'écart des flammes nues ou des sources d'étincelles qui pourraient enflammer les vapeurs d'essence.
Conservez l'essence dans un récipient homologué et hors de la portée des enfants. N'achetez et ne stockez jamais plus que la quantité d'essence consommée en un mois.
N'utilisez pas la machine si elle n'est pas équipée du système d'échappement complet et en bon état de marche.
Dans certaines circonstances, de l'électricité statique peut se former lors du remplissage, produire une étincelle et enflammer les vapeurs de carburant. Un incendie ou une explosion causé(e) par de l'essence peut vous brûler, ainsi que d'autres personnes, et causer des dommages matériels.
Posez toujours les bidons d'essence sur le sol, à l'écart du véhicule, avant de les remplir.
Ne remplissez pas les bidons d'essence à l'intérieur d'un véhicule ou dans la caisse d'un véhicule utilitaire, car la moquette intérieure ou le revêtement en matière plastique de la caisse risque d'isoler le bidon et de freiner l'élimination de l'électricité statique éventuellement produite.
Dans la mesure du possible, descendez la machine du véhicule ou de la remorque et posez-la à terre avant de remplir le réservoir de carburant.
Si ce n'est pas possible, laissez la machine dans le véhicule ou sur la remorque, mais remplissez le réservoir à l'aide d'un bidon, et non directement à la pompe.
En cas de remplissage à la pompe, maintenez le pistolet en contact avec le bord du réservoir ou du bidon jusqu'à la fin du remplissage.
L'essence est toxique voire mortelle en cas d'ingestion. L'exposition prolongée aux vapeurs de carburant peut causer des blessures et des maladies graves.
Évitez de respirer les vapeurs de carburant de façon prolongée.
N'approchez pas le visage du pistolet ni de l'ouverture du réservoir de carburant ou de conditionneur.
N'approchez pas l'essence des yeux et de la peau.
Utilisez un additif stabilisateur/conditionneur dans la machine pour :
Que l'essence reste fraîche pendant une période maximale de 90 jours. Vidangez le système d'alimentation si vous remisez la machine pendant plus longtemps.
Nettoyer le moteur lorsqu'il tourne.
Éviter la formation d'un dépôt gommeux dans le système d'alimentation, qui pourrait entraîner des problèmes de démarrage.
Important: N'utilisez pas d'additifs contenant du méthanol ou de l'éthanol.
Ajoutez à l'essence une quantité appropriée de stabilisateur/conditionneur.
Note: L'efficacité des stabilisateurs/conditionneurs est optimale lorsqu'ils sont ajoutés à de l'essence fraîche. Pour réduire les risques de formation de dépôts visqueux dans le circuit d'alimentation, utilisez toujours un stabilisateur dans l'essence.
Le viseur de niveau, situé sous le poste de conduite, permet de vérifier le niveau d'essence dans le réservoir (Figure 6).

Coupez le moteur et amenez les commandes de déplacement en position de stationnement.
Important: Ne remplissez pas excessivement le réservoir de carburant. Remplissez le réservoir de carburant jusqu'au bas du goulot de remplissage. L'espace au-dessus doit rester vide pour permettre au carburant de se dilater. Ne remplissez pas excessivement pour ne pas causer de fuite de carburant ou de dommages au moteur ou au système antipollution.
Nettoyez la surface autour du bouchon du réservoir de carburant et enlevez le bouchon.
Note: Vous pouvez utiliser le regard situé sous le poste de conduite pour vérifier la présence d'essence avant de faire le plein (Figure 6).
Versez lentement de l'essence sans plomb ordinaire jusqu'à ce que le niveau atteigne le bas du goulot de remplissageFigure 7.

Revissez solidement le bouchon du réservoir de carburant jusqu'au déclic. Essuyez l'essence éventuellement répandue.
Avant de mettre le moteur en marche et d'utiliser la machine, vérifiez le niveau d'huile dans le carter; voir Contrôle du niveau d'huile moteur.
Lisez attentivement toutes les consignes de sécurité et la description des autocollants au chapitre Sécurité. Tenez-en compte pour éviter de vous blesser et de blesser d'autres personnes ou des animaux.
L'herbe humide ou les pentes raides peuvent faire déraper la machine et entraîner la perte de son contrôle.
Le dépassement des roues au-dessus d'une dénivellation peut provoquer le renversement de la machine et causer des blessures graves ou mortelles (noyade, etc.).
Une perte de la motricité équivaut à une perte de contrôle de la direction.
Pour éviter de perdre le contrôle de la machine et de vous retourner :
Ne tondez pas à proximité de dénivellations ou d'étendues d'eau.
Ne tondez pas de pentes de plus de 15 degrés.
Réduisez votre vitesse et faites preuve d'une extrême prudence sur les pentes.
Sur les pentes, tondez progressivement de la zone la plus basse à la zone la plus élevée.
Ne changez pas soudainement de direction ou de vitesse.
Tournez dans le sens de la montée pour changer de direction sur une pente. La motricité est réduite dans l'autre sens.
Les accessoires modifient les caractéristiques de comportement de la machine. Redoublez de prudence lorsque vous utilisez des accessoires avec la machine.

Pour éviter les blessures, parfois mortelles, en cas de retournement de la machine : n'enlevez jamais l'arceau de sécurité de la machine et bouclez la ceinture de sécurité.
N'oubliez pas que la protection antiretournement est inexistante lorsque l'arceau de sécurité est déposé.
Conduisez lentement et prudemment.
Vérifiez précisément la hauteur libre avant de passer sous un obstacle (par ex. branches, portes, câbles électriques, etc.) et évitez de le toucher.
Serrez toujours le frein de stationnement lorsque vous arrêtez la machine ou que vous la laissez sans surveillance.


La commande d'accélérateur peut être déplacée entre les positions Haut régime et Bas régime (Figure 11).
Sélectionnez toujours la position haut régime quand vous mettez le tablier de coupe en marche avec la commande des lames (PDF).

Tournez la clé de contact à la position de démarrage (Figure 13). Relâchez la clé quand le moteur démarre.
Important: N'actionnez pas le démarreur plus de 5 secondes de suite. Si le moteur ne démarre pas, attendez 15 secondes avant de réessayer. Le démarreur risque de griller si vous ne respectez pas ces consignes.
Note: Le démarrage du moteur nécessitera peut-être plusieurs tentatives après une panne sèche.

Pour couper le moteur, tournez la clé de contact à la position Arrêt.
Note: L'usage du starter n'est généralement pas nécessaire si le moteur est chaud (Figure 14).
Important: N'actionnez pas le démarreur plus de 5 secondes de suite. Si le moteur ne démarre pas, attendez 15 secondes avant de réessayer. Le démarreur risque de griller si vous ne respectez pas ces consignes.
Note: Si le système d'alimentation a manqué de carburant – ajoutez du carburant dans la machine et utilisez des cycles de démarrage supplémentaires lors du démarrage du moteur.

Les enfants ou les personnes à proximité peuvent se blesser s'ils déplacent ou essayent d'utiliser la machine lorsque celle-ci est laissée sans surveillance.
Retirez toujours la clé de contact et serrez le frein de stationnement si vous laissez la machine sans surveillance, ne serait-ce qu'un instant.

La commande des lames (PDF) permet de démarrer et d'arrêter la rotation des lames et des autres accessoires qu'elle entraîne.
Engagez la commande des lames (PDF) avec la commande d'accélérateur en position Haut régime.
Note: Les courroies d'entraînement subiront une usure excessive si la commande des lames (PDF) est engagée alors que la commande d'accélérateur est à mi-course ou moins.


Si les contacteurs de sécurité sont déconnectés ou endommagés, la machine peut se mettre en marche inopinément et causer des blessures.
Ne modifiez pas abusivement les contacteurs de sécurité.
Vérifiez chaque jour le fonctionnement des contacteurs de sécurité et remplacez ceux qui sont endommagés avant d'utiliser la machine.
Le système de sécurité est conçu pour empêcher le démarrage du moteur, sauf si :
Le frein de stationnement est serré.
Les lames sont désengagées.
Les leviers de commande de déplacement sont verrouillés au point mort.
Le système de sécurité est également conçu pour arrêter le moteur si les commandes de déplacement quittent la position de verrouillage au point mort alors que le frein de stationnement est serré, ou si vous quittez le siège alors que les lames sont engagées.
| Périodicité d'entretien | Procédure d'entretien |
|---|---|
| À chaque utilisation ou une fois par jour |
|
Contrôlez le système de sécurité avant chaque utilisation de la machine. Si le système de sécurité ne fonctionne pas comme spécifié ci-dessous, faites-le immédiatement réviser par un dépositaire-réparateur agréé.
Asseyez-vous sur le siège, serrez le frein de stationnement et engagez la commande des lames. Essayez de démarrer le moteur; le démarreur ne doit pas fonctionner.
Asseyez-vous sur le siège, serrez le frein de stationnement et désengagez la commande des lames. Déplacez l'un des leviers de commande de déplacement (marche avant ou arrière). Essayez de démarrer le moteur; le démarreur ne doit pas fonctionner. Répétez la procédure avec l'autre levier de déplacement.
Asseyez-vous sur le siège, serrez le frein de stationnement, désengagez la commande des lames et verrouillez les leviers de commande de déplacement au point mort. Démarrez le moteur. Lorsque le moteur tourne, desserrez le frein de stationnement, engagez la commande des lames et soulevez-vous légèrement du siège; le moteur doit s'arrêter.
Asseyez-vous sur le siège, serrez le frein de stationnement, désengagez la commande des lames et verrouillez les leviers de commande de déplacement au point mort. Démarrez le moteur. Moteur en marche, amenez les leviers de commande de déplacement en position centrale; le moteur doit s'arrêter.
La commande d'accélérateur agit sur le régime moteur qui se mesure en tours/minute (tr/min). Placez la commande d'accélérateur en position Haut régime pour obtenir des performances optimales. Pour travailler, placez toujours la commande d'accélérateur en position Haut régime (plein gaz).
La machine peut tourner très rapidement. Vous risquez de perdre le contrôle de la machine et de vous blesser gravement ou d'endommager la machine.
Soyez extrêmement prudent dans les virages.
Ralentissez avant de prendre des virages serrés.

Note: Le moteur s'arrête si les leviers de commande de déplacement sont actionnés alors que le frein de stationnement est serré.
Desserrez le frein de stationnement; voir Desserrage du frein de stationnement.
Amenez les leviers de commande de déplacement au centre, en position déverrouillée.
Pour vous déplacer en marche avant, poussez lentement les leviers de commande de déplacement vers l'avant (Figure 19).

Amenez les leviers de commande de déplacement au centre, en position déverrouillée.
Pour vous déplacer en marche arrière, tirez lentement les leviers en arrière (Figure 20).

Pour arrêter la machine, ramenez et verrouillez les leviers de commande de déplacement au point mort, désengagez la commande des lames (PDF) et coupez le contact.
Serrez le frein de stationnement avant de laisser la machine sans surveillance; voir Utilisation du frein de stationnement. N'oubliez pas d'enlever la clé du commutateur d'allumage (Figure 15).
Les enfants ou les personnes à proximité risquent de se blesser s'ils déplacent ou essayent d'utiliser la machine, lorsque celle-ci est laissée sans surveillance.
Retirez toujours la clé de contact et serrez le frein de stationnement si vous laissez la machine sans surveillance, ne serait-ce qu'un instant.
La machine est équipée d'un système de relevage du tablier de coupe à pédale. La pédale permet de relever le tablier brièvement pour éviter les obstacles ou de le verrouiller à la hauteur de coupe la plus élevée ou en position de transport. Le levier de hauteur de coupe peut être utilisé en association avec la pédale pour verrouiller le tablier à une hauteur de coupe spécifique.
Enfoncez la pédale pour relever le tablier de coupe; gardez la pédale enfoncée jusqu'à ce que le tablier soit verrouillé en position de transport (Figure 21).
Appuyez sur la pédale de relevage du tablier avec le pied et tirez la poignée de verrouillage de transport en arrière pour désengager le verrou de transport (Figure 21).

Vous pouvez régler la hauteur de coupe entre 38 et 114 mm (1½ et 4½ po) par paliers de 6 mm (¼ po) suivant le trou dans lequel vous placez l'axe de chape.
Appuyez sur la pédale de relevage du tablier avec le pied et relevez le tablier en position de verrouillage de transport (qui est aussi la position de hauteur de coupe de 114 mm [4,5 po]) (Figure 22).
Pour changer la hauteur de coupe, retirez l'axe du support de hauteur de coupe (Figure 22).
Placez l'axe dans le trou du système de hauteur de coupe correspondant à la hauteur de coupe voulue (Figure 22).
Appuyez sur la pédale de relevage du tablier avec le pied et tirez la poignée en arrière pour désengager le verrou de transport (Figure 21).
Abaissez lentement le tablier jusqu'à ce que le levier touche l'axe.

Nous vous conseillons d'ajuster la hauteur des galets anti-scalp chaque fois que vous modifiez la hauteur de coupe.
Désengagez la commande des lames (PDF), amenez les leviers de commande de déplacement en position de verrouillage au point mort et serrez le frein de stationnement.
Avant de quitter la position d'utilisation, coupez le moteur, enlevez la clé de contact et attendez l'arrêt complet de toutes les pièces mobiles.
Retirez l'écrou à embase, le galet anti-scalp et le boulon du support (Figure 23).

Alignez le boulon et le galet anti-scalp dans le trou du support correspondant le mieux à la position de hauteur de coupe (Figure 23).
Insérez le boulon dans le trou du support et fixez le boulon et le galet anti-scalp avec l'écrou à embase (Figure 23).
Vous pouvez avancer ou reculer le siège Amenez le siège à la position la plus confortable pour vous, et offrant le meilleur contrôle pour la conduite.

Le siège peut être réglé pour offrir un confort optimal. Réglez le siège à la position la plus confortable pour vous.
Pour ce faire, tournez le bouton avant dans un sens ou dans l'autre pour obtenir la position la plus confortable (Figure 32).

Note: Répétez la procédure pour le levier de commande opposé.
La hauteur des leviers de commande de déplacement peut être adaptée à la taille de l'utilisateur (Figure 26).

L'angle des leviers de commande de déplacement peut être ajusté pour le confort de l'utilisateur.
Desserrez le boulon supérieur qui fixe le levier de commande à l'arbre du bras de commande.
Desserrez le boulon inférieur jusqu'à ce qu'il soit possible de faire pivoter le levier de commande en avant ou en arrière. Resserrez les deux boulons pour fixer la commande à sa nouvelle position.
Répétez la procédure pour le levier de commande opposé.
Important: Poussez toujours la machine manuellement. La machine peut subir des dommages pendant le remorquage.
Placez la machine sur une surface plane et désengagez la commande des lames.
Serrez le frein de stationnement.
Poussez les leviers de commande de déplacement vers l'extérieur à la position de verrouillage au point mort, coupez le moteur, enlevez la clé et attendez l'arrêt complet de toutes les pièces mobiles avant de quitter le siège.
Localisez les leviers de dérivation à l'arrière de la machine, à droite et à gauche du cadre.
Amenez les leviers de dérivation en arrière, puis abaissez-les pour les bloquer en place comme montré à la Figure 27 et désengager les moteurs de roues.
Note: Vérifiez que les leviers de dérivation gauche et droit sont en arrière et verrouillés avant de déplacer la machine.
Desserrez le frein de stationnement.
La machine peut maintenant être poussée manuellement.

Placez la dérivation à la position voulue pour utiliser la machine (Figure 27) et engager les moteurs des roues.
La tondeuse est pourvue d'un déflecteur d'herbe pivotant qui permet de disperser les déchets de tonte sur le côté et à la surface de la pelouse.
Si le déflecteur d'herbe, l'obturateur d'éjection ou le bac à herbe complet ne sont pas en place sur la machine, l'utilisateur ou d'autres personnes peuvent être touchés par une lame ou des projection de débris. Les lames en rotation et les débris projetés peuvent occasionner des blessures graves ou mortelles.
N'enlevez jamais le déflecteur d'herbe du tablier de coupe, sa présence est nécessaire pour diriger l'herbe coupée sur la pelouse. Si le déflecteur d'herbe est endommagé, remplacez-le immédiatement.
Ne mettez jamais les mains ou les pieds sous la tondeuse.
N'essayez jamais de dégager l'ouverture d'éjection ou les lames sans avoir au préalable désengagé la commande des lames (PDF), coupé le contact et enlevé la clé.
Vérifiez que le déflecteur d'herbe est abaissé.
Transportez la machine sur une remorque de poids-lourd ou un camion. Le camion ou la remorque doit être équipé(e) des freins, des éclairages et de la signalisation exigés par la loi. Lisez attentivement toutes les instructions de sécurité. Tenez-en compte pour éviter de vous blesser et de blesser d'autres personnes ou des animaux.
Il est dangereux de conduire sur la voie publique sans clignotants, éclairages, réflecteurs ou panneau « véhicule lent ». Vous risquez de provoquer un accident et de vous blesser.
Ne conduisez pas la machine sur la voie publique.
Pour transporter la machine :
Si vous utilisez une remorque, attelez-la au véhicule tracteur et attachez les chaînes de sécurité.
Le cas échéant, raccordez les freins de la remorque.
Chargez la machine sur la remorque ou le camion.
Arrêtez le moteur, enlevez la clé, serrez le frein et fermez le robinet d'arrivée de carburant.
Arrimez la machine près des roues pivotantes avant et du pare-chocs arrière (Figure 28).

Soyez extrêmement prudent lorsque vous chargez la machine sur une remorque ou un camion, ainsi que pour la décharger. Utilisez une rampe d'une seule pièce et plus large que la machine pour cette procédure. Montez les rampes en marche arrière et descendez-les en marche avant (Figure 29).

Important: N'utilisez pas de rampes étroites individuelles de chaque côté de la machine.
La rampe doit être suffisamment longue pour que l'angle avec le sol n'excède pas 15 degrés (Figure 30). Sur un sol plat, la rampe doit être au moins quatre fois plus longue que la hauteur de la remorque ou du plateau de chargement par rapport au sol. Si l'angle est supérieur, les composants de la machine peuvent être coincés lors du transfert de la machine de la rampe à la remorque ou au camion. Les angles plus importants peuvent causer le basculement ou la perte de contrôle de la machine. Si vous vous trouvez sur ou près d'une pente, placez la remorque ou le camion en aval et la rampe en amont. Cela minimisera l'angle de la rampe.
Le chargement de la machine sur une remorque ou un camion augmente le risque de basculement et donc de blessures graves ou mortelles.
Procédez avec la plus grande prudence lorsque vous manœuvrez la machine sur une rampe.
Relevez toujours le système ROPS et utilisez la ceinture de sécurité pour charger la machine sur une remorque un camion ou pour la décharger. Vérifiez que l'arceau de sécurité peut passer sous le toit d'une remorque fermée.
Utilisez uniquement une rampe d'une seule pièce; n'utilisez pas de rampes individuelles de chaque côté de la machine.
L'angle entre la rampe et le sol, ou entre la rampe et la remorque ou le camion, ne doit pas dépasser 15 degrés.
La rampe doit être au moins quatre fois plus longue que la hauteur de la remorque ou du plateau de chargement par rapport au sol. De la sorte, l'angle de la rampe ne dépassera pas 15 degrés sur un sol plat.
Montez les rampes en marche arrière et descendez-les en marche avant.
Évitez d'accélérer ou de décélérer brutalement lorsque vous conduisez la machine sur une rampe car vous pourriez en perdre le contrôle ou la faire basculer.

Pour obtenir une circulation d'air maximale et de meilleurs résultats, faites tourner le moteur à haut régime. L'air doit pouvoir circuler pour bien couper l'herbe. Pour cette raison, ne sélectionnez pas une hauteur de coupe trop basse car la tondeuse serait alors complètement entourée d'herbe haute. Placez-vous toujours de sorte qu'un côté de la tondeuse se trouve à l'extérieur de la zone non coupée. L'air pourra ainsi circuler librement dans le tablier de coupe.
Coupez l'herbe légèrement plus haut que d'habitude pour éviter de scalper les inégalités du terrain. La hauteur de coupe habituelle est cependant celle qui convient le mieux en général. Si la hauteur de l'herbe dépasse 15 cm (6 po), vous devrez peut-être vous y reprendre à deux fois pour obtenir un résultat acceptable.
L'idéal est de ne raccourcir l'herbe que du tiers de sa hauteur. Une coupe plus courte est déconseillée, à moins que l'herbe ne soit clairsemée, ou en automne lorsque la pousse commence à ralentir.
Alternez le sens des passages pour ne pas coucher l'herbe. L'alternance permet aussi de mieux disperser l'herbe coupée, ce qui améliore la décomposition et la fertilisation.
Une pelouse doit normalement être tondue tous les 4 jours. Cependant, tenez compte du fait que l'herbe pousse plus ou moins vite selon l'époque. Aussi, pour conserver une hauteur de coupe régulière, ce qui est conseillé, tondez plus souvent au début du printemps. Réduisez la fréquence de la tonte au milieu de l'été, lorsque l'herbe pousse moins vite. Si la pelouse n'a pas été tondue depuis un certain temps, tondez-la une première fois assez haut, puis un peu plus bas deux jours plus tard.
Ralentissez pour améliorer la qualité de la coupe dans certaines conditions.
Si la largeur de coupe de la tondeuse utilisée est plus large que la précédente, augmentez la hauteur de coupe pour ne pas raser les inégalités de la pelouse.
Si l'herbe est légèrement plus haute que d'habitude ou si elle est humide, utilisez une hauteur de coupe un peu plus haute que la normale. Tondez ensuite à nouveau l'herbe à la hauteur de coupe inférieure habituelle.
Si vous immobilisez la machine en cours de tonte, un paquet d'herbe coupée peut tomber sur la pelouse. Pour éviter cela, rendez-vous dans une zone déjà tondue en laissant les lames engagées.
Nettoyez le dessous de la tondeuse après chaque utilisation. Ne laissez pas l'herbe et la terre s'accumuler à l'intérieur, car la qualité de la tonte finira par en souffrir.
Utilisez une lame bien aiguisée durant toute la saison de coupe, pour obtenir une coupe nette sans arracher ni déchiqueter les brins d'herbe. L'herbe arrachée ou déchiquetée brunit sur les bords, sa croissance ralentit et elle devient plus sensible aux maladies. Vérifiez chaque jour l'état, l'usure et l'affûtage des lames. Limez les entailles éventuelles et aiguisez les lames au besoin. Remplacez immédiatement les lames endommagées ou usées par des lames Toro d'origine.
| Périodicité d'entretien | Procédure d'entretien |
|---|---|
| Après les 50 premières heures de fonctionnement |
|
| À chaque utilisation ou une fois par jour |
|
| Après chaque utilisation |
|
| Toutes les 25 heures |
|
| Toutes les 50 heures |
|
| Toutes les 100 heures |
|
| Toutes les 400 heures |
|
| Toutes les 500 heures |
|
| Chaque mois |
|
| Une fois par an ou avant le remisage |
|
Important: Reportez-vous au manuel du propriétaire du moteur pour toutes procédures d'entretien supplémentaires.
Si vous laissez la clé dans le commutateur d'allumage, quelqu'un pourrait mettre le moteur en marche accidentellement et vous blesser gravement, ainsi que toute personne à proximité.
Avant tout entretien, enlevez la clé de contact et débranchez le fil de la bougie. Écartez le fil pour éviter tout contact accidentel avec la bougie.

Les leviers de commande de déplacement doivent être à la position de verrouillage du point mort et le frein de stationnement doit être serré. Levez et maintenez le levier situé derrière le siège vers l'avant pour désengager le verrou du siège, puis basculez le siège en avant.
Les composants suivants sont accessibles quand le siège est soulevé :
Autocollant d'entretien
Fusibles
Batterie et câbles
| Périodicité d'entretien | Procédure d'entretien |
|---|---|
| Toutes les 25 heures |
|
Type de graisse : graisse universelle au lithium nº 2.
Placez la machine sur une surface plane et désengagez la commande des lames.
Amenez les leviers de commande de déplacement vers l'extérieur à la position point mort, serrez le frein de stationnement, coupez le moteur, enlevez la clé de contact et attendez l'arrêt complet de toutes les pièces mobiles avant de quitter le siège.
Nettoyez les graisseurs (Figure 31 et Figure 32) à l'aide d'un chiffon. Grattez la peinture qui pourrait se trouver sur le devant des graisseurs.

Raccordez une pompe à graisse à chaque graisseur (Figure 32 et Figure 31). Injectez de la graisse dans les graisseurs jusqu'à ce qu'elle commence à sortir des roulements.
Essuyez tout excès de graisse.
Les pièces brûlantes peuvent causer des blessures.
Gardez les mains, les pieds, le visage et toute autre partie du corps ainsi que les vêtements à l'écart du silencieux et autres surfaces brûlantes.
| Périodicité d'entretien | Procédure d'entretien |
|---|---|
| À chaque utilisation ou une fois par jour |
|
| Toutes les 25 heures |
|
| Toutes les 100 heures |
|
Ce moteur est équipé d'un filtre à air à éléments en papier et en mousse haute densité amovible. Vérifiez le filtre à air chaque jour ou avant de mettre le moteur en marche. Vérifiez que la surface autour du filtre à air n'est pas encombrée de saletés et de débris. Maintenez la plus grande propreté. Recherchez également les pièces desserrées ou endommagées. Remplacez toutes les pièces du filtre à air qui sont déformées ou endommagées.
Note: Si vous faites tourner le moteur alors que des composants du filtre à air sont desserrés ou endommagés, de l'air non filtré peut passer dans le moteur et provoquer une usure prématurée ou une panne.
Note: Faites l'entretien du filtre à air plus fréquemment si vous utilisez la machine dans une atmosphère poussiéreuse ou sale.
Lavez l'élément en mousse à l'eau chaude additionnée de détergent.
Rincez et faites sécher à l'air libre.
Huilez légèrement l'élément en mousse avec de l'huile propre et pressez l'élément pour éliminer l'excédent d'huile.
Tapotez doucement l'élément en papier pour faire tomber la poussière.
Note: Ne lavez pas l'élément en papier et ne le nettoyez pas à l'air comprimé, cela pourrait l'endommager.
Note: Remplacez l'élément s'il est encrassé, déformé ou endommagé. Manipulez le nouvel élément avec précaution; ne l'utilisez pas si la surface du joint est pliée ou endommagée.
Nettoyez la base du filtre à air au besoin et vérifiez qu'elle est en bon état.
Type d'huile : huile détergente (classe de service API SJ ou supérieure)
Capacité du carter : 1,9 L (64 oz) quand le filtre est neuf.
Viscosité : Voir le tableau ci-dessous.

| Périodicité d'entretien | Procédure d'entretien |
|---|---|
| À chaque utilisation ou une fois par jour |
|
Garez la machine sur une surface plane et horizontale, désengagez les lames, coupez le moteur et enlevez la clé de contact.
Attendez que le moteur soit arrêté, de niveau et froid pour donner le temps à l'huile de s'écouler dans le carter.
Contrôlez le niveau d'huile moteur (Figure 36).

| Périodicité d'entretien | Procédure d'entretien |
|---|---|
| Toutes les 100 heures |
|
Note: Le bouchon de vidange est fixé à un flexible de vidange.
Note: Débarrassez-vous de l'huile usagée dans un centre de recyclage.
Faites le plein d'huile comme spécifié dans le tableau des « Viscosités » (Figure 35).
Garez la machine en plaçant le côté de la vidange légèrement plus bas que l'autre côté, pour permettre à toute l'huile de s'écouler.
Désengagez la commande des lames et déplacez les leviers de commande de déplacement vers l'extérieur à la position de stationnement.
Avant de quitter la position d'utilisation, coupez le moteur, enlevez la clé de contact et attendez l'arrêt complet de toutes les pièces mobiles.

Serrez la bougie à 14 N·m (10 pi-lb).
Remplacez le filtre à huile moteur (Figure 38).

Versez avec précaution environ 80 % de la quantité d'huile spécifiée dans le goulot de remplissage (Figure 39).

| Périodicité d'entretien | Procédure d'entretien |
|---|---|
| Toutes les 500 heures |
|
La bougie est conforme à la norme RFI. Des bougies de type équivalent d'une autre marque peuvent aussi être utilisées.
Type : Champion XC12YC (ou type équivalent)
Écartement des électrodes : 0,76 mm (0,03 po)
Désengagez la commande des lames, écartez les leviers de commande de déplacement vers l'extérieur à la position de stationnement, coupez le moteur et enlevez la clé de contact.
Avant de retirer la(les) bougie(s), nettoyez la surface autour de la base de la bougie pour empêcher la poussière et les débris de pénétrer dans le moteur.
Déposez la bougie (Figure 40).

Important: Ne nettoyez pas la ou les bougies. Remplacez systématiquement les bougies dans les cas suivants : si elles sont fissurées, recouvertes d'un dépôt noir ou d'une couche grasse, ou si les électrodes sont usées.
Note: Si le bec isolant est recouvert d'un léger dépôt gris ou brun, le moteur fonctionne correctement. S'il est recouvert d'un dépôt noir, cela est généralement signe que le filtre à air est encrassé.
Réglez l'écartement des électrodes à 0,76 mm (0,03 po).

Serrez la bougie à 27 N·m (20 pi-lb).

| Périodicité d'entretien | Procédure d'entretien |
|---|---|
| À chaque utilisation ou une fois par jour |
|
| Toutes les 100 heures |
|
Pour assurer un refroidissement adéquat, le déflecteur d'herbe, les ailettes de refroidissement et autres surfaces externes du moteur doivent rester propres.
Une fois par an ou toutes les 100 heures de fonctionnement (plus fréquemment si vous utilisez la machine dans une atmosphère poussiéreuse ou sale), déposez le carter du ventilateur et les autres carénages de refroidissement. Nettoyez les ailettes de refroidissement et les surfaces externes au besoin. Remettez les carénages de refroidissement en place.
Important: Le moteur peut surchauffer et être endommagé si vous utilisez la machine alors que le déflecteur d'herbe est obstrué, que les ailettes de refroidissement sont encrassées ou colmatées et/ou que les carénages de refroidissement sont déposés.
Dans certaines circonstances, l'essence est extrêmement inflammable et hautement explosive. Un incendie ou une explosion causé(e) par de l'essence peut vous brûler, ainsi que d'autres personnes, et causer des dommages matériels.
Toutes les procédures d'entretien relatives au carburant doivent s'effectuer sur un moteur froid. Travaillez à l'extérieur, dans un endroit dégagé. Essuyez toute essence répandue.
Ne fumez jamais pendant la vidange de l'essence et tenez-vous à l'écart des flammes nues ou des sources d'étincelles qui pourraient enflammer les vapeurs d'essence.
| Périodicité d'entretien | Procédure d'entretien |
|---|---|
| Toutes les 100 heures |
|
Désengagez la commande des lames (PDF), amenez les leviers de commande de déplacement en position de verrouillage au point mort et serrez le frein de stationnement.
Avant de quitter la position d'utilisation, coupez le moteur, enlevez la clé de contact et attendez l'arrêt complet de toutes les pièces mobiles.


| Périodicité d'entretien | Procédure d'entretien |
|---|---|
| Chaque mois |
|
Les bornes, les cosses de la batterie et les accessoires connexes contiennent du plomb et des composés de plomb. L'état de Californie considère ces substances chimiques comme étant à l'origine de cancers et de troubles de la reproduction. Lavez-vous les mains après avoir manipulé la batterie.
L'électrolyte contient de l'acide sulfurique, un poison mortel capable de causer de graves brûlures.
Ne buvez jamais l'électrolyte et évitez tout contact avec les yeux, la peau ou les vêtements. Portez des lunettes de protection et des gants en caoutchouc.
Les bornes de la batterie ou les outils en métal peuvent causer des courts-circuits au contact des pièces métalliques de la machine et produire des étincelles. Les étincelles risquent de provoquer l'explosion des gaz de la batterie et de vous blesser.
Lors du retrait ou de la mise en place de la batterie, évitez que les bornes touchent les parties métalliques de la machine.
Évitez de créer des courts-circuits entre les bornes de la batterie et les parties métalliques de la machine avec des outils en métal.
S'ils sont mal acheminés, les câbles de la batterie peuvent subir des dommages ou endommager la machine et produire des étincelles. Les étincelles risquent de provoquer l'explosion des gaz de la batterie et de vous blesser.
Débranchez toujours le câble négatif (noir) de la batterie avant le câble positif (rouge).
Connectez toujours le câble positif (rouge) de la batterie avant le câble négatif (noir).
Désengagez la commande des lames (PDF), amenez les leviers de commande de déplacement en position de verrouillage au point mort et serrez le frein de stationnement.
Avant de quitter la position d'utilisation, coupez le moteur, enlevez la clé de contact et attendez l'arrêt complet de toutes les pièces mobiles.
Retirez l'écrou à oreilles qui fixe la barrette de maintien de la batterie (Figure 44).

Déposez la barrette de maintien (Figure 44).
Débranchez le câble négatif (noir) de la batterie de la borne négative (-) (noire) de la batterie (Figure 44).
Enlevez le capuchon rouge de la borne positive (rouge) de la batterie et débranchez le câble positif (+)(rouge) (Figure 44).
Retirez la batterie.
Placez la batterie dans son support en tournant les bornes à l'opposé du réservoir de carburant (Figure 44).
Branchez le câble positif (rouge) de la batterie à la borne positive (+).
Branchez le câble négatif (noir) à la borne négative (-) de la batterie.
Fixez les câbles avec 2 boulons, 2 rondelles et 2 contre-écrous (Figure 44).
Placez le capuchon rouge sur la borne positive (rouge) de la batterie.
Reposez la barrette de maintien et fixez-la avec l'écrou à oreilles (Figure 44).
La batterie en charge produit des gaz susceptibles d'exploser.
Ne fumez jamais près de la batterie et gardez-la éloignée des flammes et sources d'étincelles.
Important: La batterie doit toujours être chargée au maximum. Cela est particulièrement important pour prévenir la dégradation de la batterie si la température tombe en dessous de 0 ºC (32 ºF).
Chargez la batterie pendant 10 à 15 minutes entre 25 et 30 A, ou pendant 30 minutes à 10 A.
Quand la batterie est chargée au maximum, débranchez le chargeur de la prise, puis débranchez les fils du chargeur des bornes de la batterie (Figure 45).
Placez la batterie dans la machine et raccordez les câbles de la batterie; voir Mise en place de la batterie.
Note: N'utilisez pas la machine si la batterie n'est pas branchée, au risque d'endommager le circuit électrique.

Le système électrique est protégé par des fusibles. Il ne nécessite donc aucun entretien. Toutefois, si un fusible grille, vérifiez l'état de la pièce ou du circuit et assurez-vous qu'il n'y a pas de court-circuit.
Note: Les fusibles sont situés sur la console droite, près du siège (Figure 46).
Fusibles :
Principal – 30 A, à lame
Moteur – 20 A, à lame
Pour remplacer le fusible principal, tirez-le en ligne droite hors du porte-fusibles.

Important: Vérifiez que le fusible de rechange est du même type et de la même intensité que celui retiré.
Pour remplacer le fusible du moteur, déposez la console de l'aile en plastique.

Tirez le fusible du moteur bien droit hors du porte-fusibles (Figure 47).
Placez un fusible devant la fente du porte-fusibles (Figure 46).
Poussez le fusible dans le porte-fusibles jusqu'à ce qu'il soit complètement engagé (Figure 46).
| Périodicité d'entretien | Procédure d'entretien |
|---|---|
| Toutes les 25 heures |
|
Maintenez les pneus avant et arrière gonflés à la pression spécifiée. Les pneus mal gonflés peuvent compromettre la qualité et l'uniformité de la coupe. Vérifiez la pression à la valve (Figure 48). Contrôlez la pression lorsque les pneus sont froids pour obtenir un résultat plus précis.
Reportez-vous à la pression maximale suggérée par le fabricant des pneus et indiquée sur le flanc des roues pivotantes.
Gonflez les pneus des roues motrices arrière à 0,90 bar (13 psi).

Type d'huile : huile moteur 20w-50.
Capacité du système : environ 4,5 litres (152 oz) avec un filtre neuf.
Important: Utilisez l'huile spécifiée ou une huile équivalente. Tout autre liquide est susceptible d'endommager le système.
| Périodicité d'entretien | Procédure d'entretien |
|---|---|
| Toutes les 25 heures |
|
Vérifiez le vase d'expansion et ajoutez de l'huile moteur 20W-50 FULL au besoin pour rectifier le niveau au repère maximum à froid (FULL COLD).

Le filtre et l'huile se remplacent en même temps. Ne réutilisez pas l'huile. Après avoir remplacé le filtre et fait l'appoint d'huile, il est nécessaire de purger l'air du système.
La procédure de purge est répétée jusqu'à ce que l'huile reste au niveau maximum à froid dans le vase d'expansion après la purge. Si cette procédure n'est pas effectuée correctement, la transmission à boîte-pont peut être irrémédiablement endommagée.
Arrêtez le moteur, attendez l'arrêt de toutes les pièces mobiles et laissez refroidir le moteur.
Enlevez la clé de contact et serrez le frein de stationnement.
Localisez le filtre et les protections sur chaque transmission de la boîte-pont (Figure 50).

Retirez les trois vis qui fixent la protection du filtre et déposez la protection (Figure 50).
Note: Il est important de ne pas contaminer le système hydraulique.
Nettoyez soigneusement la surface autour des filtres.
Placez un bac sous le filtre pour récupérer l'huile qui s'écoule quand le filtre et les bouchons d'aération sont retirés (Figure 51).

Localisez le bouchon d'aération sur chaque transmission et enlevez-le
Tournez le filtre dans le sens antihoraire et déposez-le; vidangez l'huile de la transmission.
Répétez cette procédure pour les deux filtres.
| Périodicité d'entretien | Procédure d'entretien |
|---|---|
| Après les 50 premières heures de fonctionnement |
|
| Toutes les 400 heures |
|
Appliquez une fine couche de d'huile sur la surface du joint en caoutchouc de chaque filtre (Figure 51).
Vissez le filtre dans le sens horaire jusqu'à ce que le joint en caoutchouc rencontre l'adaptateur puis vissez-le de 3/4 de tour à 1 tour supplémentaire (Figure 51).
Répétez l'opération 2 pour l'autre filtre.
Alignez les protections au-dessus de chaque filtre; voir l'opération 4 de Dépose des filtres du système hydraulique.
Fixez les protections des filtres à l'aide des 3 vis retirées à l'opération 4 de Dépose des filtres du système hydraulique. Fixez les protections des filtres avec les 3 vis.
Ajoutez de l'huile dans le système hydraulique comme suit :
Vérifiez que les bouchons d'aération et le bouchon du réservoir sont retirés avant d'ajouter l'huile (Figure 49 et Figure 50).
Versez lentement l'huile spécifiée dans le vase d'expansion jusqu'à ce qu'elle ressorte par l'un des orifices des bouchons d'aération; arrêtez alors de verser (Figure 50).
Remettez ce bouchon d'aération en place (Figure 50).
Note: Serrez la bougie à 20,3 N·m (180 pi-lb).
Versez de l'huile dans le vase d'expansion jusqu'à ce qu'elle ressorte par l'orifice de l'autre bouchon d'aération sur la seconde transmission; arrêtez alors de verser (Figure 50).
Remettez ce bouchon d'aération en place (Figure 50).
Note: Serrez la bougie à 20,3 N·m (180 pi-lb).
Versez de l'huile dans le vase d'expansion jusqu'à ce qu'elle atteigne le repère du niveau maximum à froid (FULL COLD) sur le réservoir et remettez le bouchon du vase d'expansion en place (Figure 49).
Purgez le système hydraulique; voir Purge du système hydraulique.
Important: La transmission à boîte-pont risque d'être irrémédiablement endommagée si vous n'effectuez pas la purge du système hydraulique après avoir remplacé les filtres et vidangé l'huile hydraulique.
Soulevez l'arrière de la machine juste assez pour permettre aux roues motrices de tourner librement et placez des chandelles (ou des supports équivalents) sous la machine.

Rendez-vous à la position d'utilisation.
Mettez le moteur en marche et placez la commande d'accélérateur à mi-course.
Desserrez le frein de stationnement.
Activez et désactivez le système hydraulique en procédant comme suit :
Amenez les leviers de dérivation en arrière puis vers le bas pour les verrouiller en place (position vanne ouverte); voir Pousser la machine à la main.
Les soupapes de dérivation étant ouvertes et le moteur en marche, actionnez lentement les leviers de commande de déplacement vers l'avant et l'arrière à 5 ou 6 reprises.
Levez les leviers de dérivation pour les déverrouiller puis déplacez-les en en avant (position soupape fermée); voir Pousser la machine à la main.
La soupape de dérivation étant fermée et le moteur en marche, actionnez la commande de direction lentement en avant et en arrière à 5 ou 6 reprises.
Arrêtez le moteur et vérifiez le niveau d'huile dans le vase d'expansion. Faites l'appoint d'huile spécifiée jusqu'à ce que le niveau atteigne le repère maximum à froid (FULL COLD) sur le vase d'expansion (Figure 49).
Répétez l'opération 5 jusqu'à ce tout l'air soit purgé du système.
Note: La boîte-pont est purgée correctement lorsqu'elle fonctionne à un niveau sonore normal et en douceur en marche avant et arrière aux vitesses normales.
Vérifiez une dernière fois le niveau d'huile dans le vase d'expansion. Au besoin, faites l'appoint d'huile spécifiée jusqu'à ce que le niveau atteigne le repère maximum à froid (FULL COLD) sur le vase d'expansion (Figure 49).
Utilisez des lames bien aiguisées durant toute la saison de tonte, pour obtenir une coupe nette sans arracher ni déchiqueter les brins d'herbe. L'herbe arrachée ou déchiquetée brunit sur les bords, sa croissance ralentit et elle devient plus sensible aux maladies.
Vérifiez chaque jour l'état, l'usure et l'affûtage des lames. Limez les entailles éventuelles et aiguisez les lames au besoin. Remplacez immédiatement les lames endommagées ou usées par des lames Toro d'origine. Il est utile de prévoir une ou plusieurs lames de réserve pour le remplacement et l'aiguisage.
Une lame usée ou endommagée peut se briser et projeter le morceau cassé vers l'utilisateur ou des personnes à proximité, et leur infliger des blessures graves ou mortelles.
Contrôlez l'usure et l'état des lames régulièrement.
Remplacez les lames usées ou endommagées.
Garez la machine sur un sol plat et horizontal, désengagez la PDF et serrez le frein de stationnement.
Coupez le contact. Enlevez la clé de contact.
| Périodicité d'entretien | Procédure d'entretien |
|---|---|
| À chaque utilisation ou une fois par jour |
|
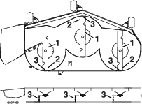
Examinez le tranchant des lames (Figure 53).
Note: Si les lames sont émoussées ou présentent des indentations, déposez-les et affûtez-les. Voir Affûtage des lames.
Inspectez les lames, surtout la partie relevée (Figure 53).
Note: Remplacez immédiatement toute lame endommagée, usée ou qui présente une entaille (Figure 53).

Note: Placez la machine sur une surface plane horizontale pour effectuer la procédure suivante.
Élevez le tablier de coupe à la hauteur de coupe la plus élevée, qui est également la position de transport.
Après vous être muni de gants épais ou d'une autre protection des mains adéquate, faites tourner la lame lentement jusqu'à une position permettant de mesurer correctement la distance entre le tranchant et la surface plane sur laquelle se trouve la machine.

Mesurez la distance entre la pointe de la lame et la surface plane ici.

Tournez la même lame de 180 degrés pour amener l'autre tranchant à la même position.

Mesurez la distance entre la pointe de la lame et la surface plane ici. La différence entre les deux mesures ne doit pas excéder 3 mm (⅛ po).

Une lame faussée ou endommagée peut se briser et projeter le morceau cassé dans votre direction ou celle de personnes à proximité, et causer des blessures graves ou mortelles.
Remplacez toujours une lame faussée ou endommagée par une neuve.
Ne créez jamais d'indentations dans les bords ou à la surface des lames, par exemple en les limant.
Si la différence entre A et B est supérieure à 3 mm (⅛ po), remplacez la lame par une neuve. Reportez-vous à Dépose des lames et Pose des lames.
Note: Si, après avoir remplacé une lame faussée par une neuve, la différence est toujours supérieure à 3 mm (⅛ po), l'axe de la lame est peut-être faussé. Contactez un dépositaire Toro agréé pour faire réviser la machine.
Si la différence reste dans les limites tolérées, passez à la lame suivante.
Répétez cette procédure pour chaque lame.
Remplacez les lames si elles ont heurté un obstacle, et si elles sont déséquilibrées ou faussées. Pour garantir un rendement optimal et la sécurité continue de la machine, utilisez toujours des lames Toro d'origine. Les lames d'autres constructeurs peuvent entraîner la non-conformité aux normes de sécurité.
Tenez la lame par son extrémité avec un chiffon ou un gant épais. Enlevez de l'axe, le boulon (en le tournant dans le sens antihoraire), la rondelle bombée et la lame (Figure 58).

Lors de l'affûtage, des morceaux de lame peuvent être projetés et causer des blessures graves.
Portez une protection oculaire adéquate quand vous affûtez la lame.
Au moyen d'une lime, aiguisez les tranchants aux deux extrémités de la lame (Figure 59).
Note: Veillez à conserver l'angle de coupe d'origine. Limez la même quantité de métal sur chacun des deux tranchants pour ne pas déséquilibrer la lame.

Vérifiez l'équilibre de la lame en la plaçant sur un équilibreur (Figure 60).
Note: Si la lame reste horizontale, elle est équilibrée et peut être utilisée. Si la lame est déséquilibrée, limez un peu l'extrémité de l'ailette seulement (Figure 58). Répétez cette procédure jusqu'à ce que la lame soit équilibrée.

Placez la lame sur l'axe (Figure 58).
Important: Pour une coupe correcte, l'ailette de la lame doit être tournée vers le haut et dirigée vers l'intérieur du tablier de coupe.
Installez la rondelle élastique et le boulon de la lame (en le tournant dans le sens horaire).
Note: Le côté bombé de la rondelle élastique doit être dirigé vers la tête du boulon (Figure 58).
Serrez le boulon de lame à un couple de 135 à 150 N·m (100 à 110 pi-lb).
Vérifiez que le tablier de coupe est de niveau chaque fois que vous l'installez ou si la tonte de la pelouse semble irrégulière.
Vérifiez si des lames sont faussées avant de mettre le tablier de coupe de niveau. Déposez et remplacez les lames faussées. Voir la procédure Détection des lames faussées avant de poursuivre.
Le tablier de coupe doit être mis de niveau transversalement et longitudinalement.
Assurez-vous que :
La machine est placée sur une surface plane et horizontale.
Les quatre pneus sont gonflés à la pression correcte. Voir Contrôle de la pression des pneus.
Les lames du tablier de coupe doivent être de niveau dans le sens transversal, d'un côté à l'autre. Contrôlez l'horizontalité transversale quand vous montez le tablier de coupe ou si la tonte de la pelouse semble irrégulière.
Placez la machine sur une surface plane et désengagez la commande des lames.
Poussez les leviers de commande de déplacement à l'extérieur à la position de verrouillage au point mort, coupez le moteur, enlevez la clé, serrez le frein de stationnement et attendez l'arrêt complet de toutes les pièces mobiles avant de quitter le siège.
Tournez prudemment les lames pour qu'elles soient parallèles dans le sens transversal.
Mesurez la distance entre les tranchants extérieurs et le sol plat (Figure 61).
Note: Si les deux mesures diffèrent de plus de 5 mm (3/16 po), un réglage s'impose. Poursuivez la procédure de mise à niveau.

Contrôlez l'inclinaison avant/arrière des lames chaque fois que vous montez le tablier de coupe. Si l'avant du tablier est plus de 7,9 mm (5/16 po) plus bas que l'arrière, réglez l'inclinaison des lames comme suit :
Placez la machine sur une surface plane et désengagez la commande des lames.
Écartez les leviers de commande de déplacement vers l'extérieur à la position point mort, serrez le frein de stationnement, coupez le moteur, enlevez la clé de contact et attendez l'arrêt complet de toutes les pièces mobiles avant de quitter le siège.
Faites pivoter les lames avec précaution pour faire passer les pointes avant à l'arrière (Figure 62).
Mesurez la distance entre la pointe de la lame avant et la pointe de la lame arrière par rapport à la surface plane (Figure 62).
Note: Si la pointe avant de la lame n'est pas de 1,6 à 7,9 mm (1/16 à 5/16 po) plus basse que la pointe arrière, poursuivez la procédure de mise à niveau du tablier de coupe.

Placez les galets anti-scalp dans les trous supérieurs ou enlevez-les complètement pour effectuer cette procédure; voir Réglage des galets anti-scalp.
Réglez le levier de hauteur de coupe à la position 76 mm (3 po); voir Réglage de la hauteur de coupe.
Placez deux cales de 6,66 cm (2⅝ po) sous chaque côté du bord avant du tablier de coupe, mais pas sous les supports des galets anti-scalp (Figure 63).
Placez deux cales épaisses de 7,30 cm (2⅞ po) sous le bord arrière de la jupe du tablier de coupe, une de chaque côté (Figure 63).

Desserrez les écrous de réglage aux quatre coins de sorte que le tablier repose bien sur les quatre cales (Figure 64).

Vérifiez que les quatre chaînes sont tendues (Figure 64).
Resserrez les quatre boulons de réglage (Figure 64).
Vérifiez que les cales sont parfaitement ajustées sous la jupe du tablier de coupe. Vérifiez le serrage de tous les boulons.
Vérifiez si le tablier de coupe est de niveau en contrôlant l'horizontalité transversale et l'inclinaison avant/arrière des lames; répétez la procédure de mise à niveau au besoin.
| Périodicité d'entretien | Procédure d'entretien |
|---|---|
| Toutes les 50 heures |
|
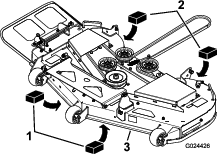
Vérifiez que les courroies ne montrent pas les signes d'usure suivants : grincement pendant la rotation, glissement des lames pendant la coupe, bords effilochés, traces de brûlures et fissures. Remplacez la courroie du tablier de coupe quand elle présente ce genre de problèmes.
Note: Soulevez le plancher pour accéder à la courroie et à la poulie de tension.
La courroie du tablier de coupe peut montrer les signes d'usure suivants : grincement pendant la rotation, bords effilochés, traces de brûlures et fissures, ou glissement des lames pendant la coupe. Remplacez la courroie du tablier de coupe quand elle présente ce genre de problèmes.
Le ressort est tendu quand il est en place et peut causer des blessures en se détendant.
Enlevez la courroie avec précaution.
La courroie du tablier de coupe peut montrer les signes d'usure suivants : grincement pendant la rotation, glissement des lames pendant la coupe, bords effilochés, traces de brûlures et fissures. Remplacez la courroie du tablier de coupe quand elle présente ce genre de problèmes.
Désengagez la commande des lames (PDF), amenez les leviers de commande de déplacement en position de verrouillage au point mort et serrez le frein de stationnement.
Avant de quitter la position d'utilisation, coupez le moteur, enlevez la clé de contact et attendez l'arrêt complet de toutes les pièces mobiles.
Abaissez le tablier de coupe à la hauteur de 76 mm (3 po).
Soulevez le plancher pour accéder à la courroie et à la poulie de tension.
Retirez les couvercles de courroie (Figure 65).

À l'aide d'un outil de dépose de ressort (réf. Toro 92-5771), décrochez le ressort de tension de l'ergot sur le tablier pour éliminer la tension sur la poulie de tension (Figure 66).

Abaissez le tablier de coupe à la hauteur la plus basse.
Placez la goupille de hauteur de coupe en position de verrouillage pour la hauteur de coupe la plus basse.
Retirez la courroie des poulies du tablier de coupe et retirez la courroie existante.
Acheminez la courroie neuve autour des poulies du tablier de coupe et de la poulie d'embrayage, sous le moteur (Figure 66).
À l'aide d'un outil de dépose de ressort (réf. Toro 92-5771), accrochez le ressort de tension à l'ergot situé sur le tablier, ce qui a pour effet d'exercer une tension sur la poulie de tension et la courroie du tablier de coupe (Figure 66).
Vérifiez que la courroie est correctement installée dans toutes mes poulies.
Posez les couvercles de courroie (Figure 67).

Placez la machine sur une surface plane et désengagez la commande des lames. Déplacez les leviers de commande de déplacement vers l'extérieur à la position point mort, serrez le frein de stationnement, arrêtez le moteur, enlevez la clé de contact et attendez l'arrêt complet de toutes les pièces mobiles avant de quitter le siège.
Abaissez le tablier de coupe à la hauteur la plus basse. Selon la taille du tablier de coupe, choisissez une des procédures suivantes pour en achever le retrait.
Abaissez le tablier de coupe à la hauteur de 76 mm (3 po).
Déposez la courroie du tablier de coupe de la poulie du moteur; voir Dépose de la courroie du tablier de coupe.
Retirez la goupille fendue et la rondelle qui fixent la longue barre de liaison au cadre et au tablier, et enlevez la barre de liaison (Figure 68).

Tirez le tablier de coupe vers le haut pour soulager la tension du tablier.
Détachez les chaînes des crochets sur les bras de relevage du tablier (Figure 69).

Réglez la hauteur de coupe à la position de transport.
Enlevez la courroie de l'embrayage sur le moteur.
Sortez le tablier de coupe de sous la machine.
Note: Conservez toutes les pièces en vue du remontage.
Placez la machine sur une surface plane et désengagez la commande des lames.
Poussez les leviers de commande de déplacement à l'extérieur à la position de verrouillage au point mort, coupez le moteur, enlevez la clé, serrez le frein de stationnement et attendez l'arrêt complet de toutes les pièces mobiles avant de quitter le siège.
Glissez le tablier de coupe sous la machine.
Abaissez le levier de hauteur de coupe à la position la plus basse.
Placez la goupille de hauteur de coupe en position de verrouillage pour la hauteur de coupe la plus basse.
Soulevez l'arrière du tablier de coupe et accrochez les chaînes aux bras de relevage arrière (Figure 69).
Accrochez les chaînes avant aux bras de relevage avant (Figure 69).
Insérez la longue barre de liaison dans la patte de fixation du cadre et le tablier.
Fixez la barre de liaison avec les goupilles fendues et les rondelles retirées précédemment (Figure 68).
Reposez la courroie du tablier de coupe sur la poulie du moteur; voir Pose de la courroie du tablier de coupe.
| Périodicité d'entretien | Procédure d'entretien |
|---|---|
| À chaque utilisation ou une fois par jour |
|
Si l'ouverture d'éjection n'est pas fermée, l'utilisateur ou d'autres personnes peuvent être blessés gravement par les objets happés et éjectés par la tondeuse. Un contact avec la lame est également possible.
N'utilisez jamais la tondeuse sans avoir installé un déflecteur d'herbe, un déflecteur d'éjection ou un système de ramassage.
Vérifiez l'état du déflecteur d'herbe avant chaque utilisation. Remplacez les pièces endommagées avant d'utiliser la machine.
Désengagez le ressort du cran dans le support de déflecteur et sortez la tige des supports soudés du tablier, du ressort et du déflecteur d'éjection (Figure 70).
Enlevez le déflecteur s'il est endommagé ou usé.

Positionnez le nouveau déflecteur d'éjection en plaçant les extrémités du support entre les supports soudés du tablier, comme illustré à la Figure 70.
Montez le ressort sur l'extrémité droite de la tige. Positionnez le ressort sur la tige comme illustré, de sorte que l'extrémité la plus courte du ressort sorte du dessous de la tige avant le coude et passe par-dessus la tige à son retour.
Soulevez le côté avec la boucle du ressort et placez-le dans le cran du support de déflecteur (Figure 71).

Fixez l'ensemble tige et ressort en le tournant de sorte à pouvoir placer l'extrémité courte de la tige derrière le support avant soudé au tablier de coupe (Figure 71).
Important: Le déflecteur d'herbe doit être rappelé à la position abaissée par le ressort. Soulevez le déflecteur pour vérifier qu'il s'enclenche complètement en position abaissée.
| Périodicité d'entretien | Procédure d'entretien |
|---|---|
| Après chaque utilisation |
|
Après chaque utilisation, lavez le dessous du tablier de coupe pour éviter l'accumulation d'herbe et améliorer le déchiquetage et la dispersion des déchets de tonte.
Important: Vous pouvez laver la machine avec de l'eau et un détergent doux. N'utilisez pas de nettoyeur haute pression. N'utilisez pas trop d'eau, surtout près du panneau de commande, sous le siège, et à proximité du moteur, des pompes hydrauliques et des moteurs électriques.
Placez la machine sur une surface plane et désengagez la commande des lames.
Poussez les leviers de commande de déplacement vers l'extérieur à la position de verrouillage au point mort, coupez le moteur, enlevez la clé et attendez l'arrêt complet de toutes les pièces mobiles avant de quitter le siège.
Branchez le raccord du tuyau d'arrosage à au raccord de lavage de la tondeuse et ouvrez l'eau en grand (Figure 72).
Note: Enduisez de vaseline le joint torique du raccord de lavage pour faciliter le branchement du flexible sans endommager le joint torique.

Abaissez le tablier de coupe à la hauteur la plus basse.
Asseyez-vous sur le siège et mettez le moteur en marche. Engagez les lames et laissez tourner le moteur pendant 1 à 3 minutes.
Désengagez les lames, coupez le moteur et enlevez la clé de contact. Attendez l'arrêt complet de toutes les pièces mobiles.
Coupez l'eau et débranchez le tuyau d'arrosage de l'embout de lavage.
Note: Si le tablier est encore sale après un premier lavage, laissez-le tremper 30 minutes. Recommencez ensuite la procédure.
Remettez la tondeuse en marche durant 1 à 3 minutes pour évacuer l'excès d'eau.
Si l'embout de lavage est cassé ou manquant, l'utilisateur et les personnes à proximité peuvent être blessés par la projection d'objets ou par un contact avec la lame. Des débris projetés ou un contact avec la lame peuvent occasionner des blessures graves ou mortelles.
Si l'embout de lavage est cassé ou manquant, n'utilisez pas la tondeuse avant de l'avoir remplacé.
Ne mettez jamais les mains ou les pieds sous le tablier de coupe ni dans les ouvertures du tablier de coupe.
L'huile moteur, les batteries, l'huile hydraulique et le liquide de refroidissement sont polluants pour l'environnement. Débarrassez-vous en conformément à la réglementation nationale et locale en matière d'environnement.
Désengagez la commande des lames (PDF), serrez le frein de stationnement et coupez le contact. Enlevez la clé de contact.
Débarrassez l'extérieur de toute la machine, et surtout le moteur et le système hydraulique, des déchets d'herbe coupée, des saletés et de la crasse. Éliminez les saletés et les débris d'herbe sèche pouvant se trouver sur les ailettes de la culasse et le carter du ventilateur.
Important: Vous pouvez laver la machine avec de l'eau et un détergent doux. N'utilisez pas de nettoyeur haute pression. N'utilisez pas trop d'eau, surtout près du panneau de commande, sous le siège, et à proximité du moteur, des pompes hydrauliques et des moteurs électriques.
Contrôlez le frein; voir Utilisation du frein de stationnement.
Faites l'entretien du filtre à air; voir Entretien du filtre à air.
Graissez la machine; voir Lubrification.
Vidangez l'huile moteur; voir Contrôle du niveau et vidange de l'huile moteur.
Contrôlez la pression des pneus; voir Contrôle de la pression des pneus.
Remplacez le filtre hydraulique; voir Entretien du système hydraulique.
Chargez la batterie; voir Charge de la batterie.
Grattez l'herbe et les saletés éventuellement accumulées sur le dessous de la tondeuse, puis lavez cette dernière au tuyau d'arrosage.
Note: Conduisez la machine, en engageant la commande des lames (PDF), moteur au ralenti accéléré, pendant 2 à 5 minutes après l'avoir lavée.
Vérifiez l'état des lames; voir Contrôle des lames.
Si vous ne comptez pas utiliser la machine avant plus d'un mois, préparez-la comme suit :
Ajoutez un additif stabilisateur/conditionneur à base de pétrole dans le réservoir de carburant. Respectez les proportions spécifiées par le fabricant du stabilisateur. N'utilisez pas de stabilisateur à base d'alcool (éthanol ou méthanol).
Note: L'efficacité des stabilisateurs/conditionneurs est optimale lorsqu'ils sont mélangés à du carburant frais et sont utilisés de manière systématique.
Faites tourner le moteur pendant 5 minutes pour faire circuler le carburant traité dans tout le circuit d'alimentation.
Arrêtez le moteur, laissez-le refroidir puis vidangez le réservoir de carburant.
Remettez le moteur en marche et laissez-le tourner jusqu'à ce qu'il s'arrête.
Débarrassez-vous du carburant correctement. Le recyclage doit être conforme à la réglementation locale en matière d'environnement.
Important: Ne conservez pas le carburant traité/additionné de stabilisateur plus de 3 mois.
Contrôlez et resserrez tous les boulons, écrous et vis. Réparez ou remplacez toute pièce endommagée.
Peignez toutes les surfaces métalliques éraflées ou mises à nu. Une peinture pour retouches est disponible chez les dépositaires-réparateurs agréés.
Rangez la machine dans un endroit propre et sec, comme un garage ou une remise. Retirez la clé du commutateur d'allumage et rangez-la en lieu sûr, hors de la portée des enfants ou des personnes non autorisées. Couvrez la machine pour la protéger et la garder propre.
| Problem | Possible Cause | Corrective Action |
|---|---|---|
| Le démarreur ne fonctionne pas. |
|
|
| Le moteur ne démarre pas, démarre difficilement ou cale. |
|
|
| Le moteur perd de la puissance. |
|
|
| Le moteur surchauffe. |
|
|
| La machine tire à gauche ou à droite (quand les leviers sont complètement en avant). |
|
|
| La machine ne se déplace pas. |
|
|
| La machine vibre de manière anormale. |
|
|
| La hauteur de coupe est inégale. |
|
|
| Les lames ne tournent pas. |
|
|
