| Périodicité d'entretien | Procédure d'entretien |
|---|---|
| À chaque utilisation ou une fois par jour |
|
Cette tondeuse autoportée à lame rotative est destinée au grand public, aux professionnels et aux utilisateurs temporaires. Elle est principalement conçue pour tondre les pelouses régulièrement entretenues des terrains privés et commerciaux. Elle n'est pas conçue pour couper les broussailles ni pour un usage agricole.
Lisez attentivement cette notice pour apprendre à utiliser et entretenir correctement votre produit, et éviter de l'endommager ou de vous blesser. Vous êtes responsable de l'utilisation sûre et correcte du produit.
Vous pouvez contacter Toro directement sur le site www.Toro.com pour tout document de formation à la sécurité et à l'utilisation des produits, pour tout renseignement concernant un produit ou un accessoire, pour obtenir l'adresse des concessionnaires ou pour enregistrer votre produit.
Pour obtenir des prestations de service, des pièces Toro d'origine ou des renseignements complémentaires, munissez-vous des numéros de modèle et de série du produit et contactez un concessionnaire-réparateur agréé ou le service client Toro. La Figure 1 indique l'emplacement des numéros de modèle et de série du produit. Inscrivez les numéros dans l'espace réservé à cet effet.

Les mises en garde de ce manuel soulignent des dangers potentiels et sont signalées par le symbole de sécurité (Figure 2), qui indique un danger pouvant entraîner des blessures graves ou mortelles si les précautions recommandées ne sont pas respectées.

Ce manuel utilise deux termes pour faire passer des renseignements essentiels. Important, pour attirer l'attention sur des renseignements mécaniques spécifiques et Remarque, pour insister sur des renseignements d'ordre général méritant une attention particulière.
Ce produit est conforme à toutes les directives européennes pertinentes. Pour plus de renseignements, reportez-vous à la Déclaration de conformité spécifique du produit fournie séparément.
Ce système d'allumage par étincelle est conforme à la norme canadienne ICES-002.
Le retrait de pièces et accessoires standard d'origine peut modifier la garantie, la motricité et la sécurité de la machine. L'utilisation de pièces autres que des pièces Toro d'origine peut causer des blessures graves ou mortelles. Toute modification non autorisée du moteur, du système d'alimentation ou de dégazage, peut contrevenir à la réglementation.
Remplacez toutes les pièces, y compris mais non exclusivement, les pneus, courroies, lames et composants du système d'alimentation, par des pièces Toro d'origine.
Important: Si vous utilisez une machine équipée d'un moteur Toro à plus de 1 500 m d'altitude de manière continue, assurez-vous de monter le kit haute altitude pour que le moteur réponde aux normes antipollution CARB/EPA. Le kit haute altitude accroît les performances du moteur tout en prévenant l'encrassement des bougies, les difficultés de démarrage et l'augmentation des émissions polluantes. Après avoir installé le kit, apposez l'étiquette de haute altitude près de l'autocollant du numéro de série sur la machine. Contactez un concessionnaire-réparateur Toro agréé pour vous procurer le kit haute altitude et l'étiquette associée pour votre machine. Pour trouver le concessionnaire le plus proche, consultez notre site web à www.Toro.com ou contactez le service client de Toro au(x) numéro(s) indiqué(s) dans votre Déclaration de garantie de conformité à la réglementation antipollution.Déposez le kit du moteur et rétablissez la configuration d'origine du moteur si vous devez utiliser la machine en dessous de 1 500 m. Si le moteur a été converti pour l'usage à haute altitude, ne le faites pas tourner à plus basse altitude, au risque de le faire surchauffer et de l'endommager.En cas de doute concernant la conversion de votre machine pour l'usage à haute altitude, consultez l'étiquette suivante (Figure 3).

Cette machine est conçue en conformité avec la norme EN ISO 5395:2013.
Ce produit peut sectionner les mains ou les pieds et projeter des objets. Respectez toujours toutes les consignes de sécurité pour éviter des blessures graves.
L'utilisation de ce produit à d'autres fins que celle qui est prévue peut être dangereuse pour vous-même et pour les personnes à proximité.
Vous devez lire et comprendre le contenu de ce manuel de l'utilisateur avant de démarrer le moteur. Assurez-vous que tous les utilisateurs de ce produit en connaissent parfaitement le fonctionnement et ont bien compris les consignes de sécurité.
N'approchez pas les mains ou les pieds des composants mobiles de la machine.
N'utilisez pas la machine s'il manque des capots ou d'autres dispositifs de protection, ou s'ils sont endommagés.
Ne vous tenez jamais devant l'ouverture d'éjection. Tenez tout le monde à une distance suffisante de la machine.
N'admettez jamais d'enfants dans le périmètre de travail. N'autorisez jamais les enfants à utiliser la machine.
Arrêtez la machine et coupez le moteur avant de faire l'entretien, de faire le plein de carburant ou de déboucher la machine.
L'usage ou l'entretien incorrect de cette machine peut occasionner des accidents. Pour réduire les risques d'accidents et de blessures, respectez les consignes de sécurité qui suivent. Tenez toujours compte des mises en garde signalées par le symbole de sécurité et la mention Prudence, Attention ou Danger. Ne pas respecter ces instructions, c'est risquer de vous blesser, parfois mortellement.
Vous trouverez d'autres consignes de sécurité en vous reportant aux sections respectives dans ce manuel.

![]() |
Des autocollants de sécurité et des instructions bien visibles par l'opérateur sont placés près de tous les endroits potentiellement dangereux. Remplacez tout autocollant endommagé ou manquant. |



























Avant de mettre le moteur en marche et d'utiliser la machine, familiarisez-vous avec toutes les commandes (Figure 5 et Figure 6).

Utilisez le commutateur d'allumage pour démarrer le moteur. Il a trois positions : DéMARRAGE, CONTACT et ARRêT.
Utilisez le starter pour démarrer quand le moteur est froid. Tirez sur le bouton de starter pour l'engager. Tirez sur le bouton de starter pour le désengager (Figure 6).
L'accélérateur commande le régime moteur et peut se régler à l'infini entre BAS RéGIME et HAUT RéGIME (Figure 6).
La commande des lames (PDF) engage et désengage les lames du plateau de coupe (Figure 6).
Le compteur horaire totalise les heures de fonctionnement du moteur. Il fonctionne quand le moteur tourne. Programmez les entretiens en fonction du nombre d'heures indiqué (Figure 6).
Ce sont des symboles sur le compteur-horaire qui indiquent par un triangle noir que le verrou de sécurité est à la position correcte (Figure 7).
Si vous tournez la clé de contact en position CONTACT pendant quelques secondes, la tension de batterie s'affiche dans la zone normalement réservée aux heures de fonctionnement.
Le témoin de charge de la batterie s'allume quand le contact est mis et que la charge est inférieure au niveau de service correct (Figure 7).

Les leviers de commande de déplacement permettent de conduire la machine en marche avant, en marche arrière et de tourner à droite ou à gauche.
Utilisez la position de VERROUILLAGE AU POINT MORT avec le système de sécurité pour déterminer la position POINT MORT.
Fermez le robinet d'arrivée de carburant (derrière le siège) avant de transporter ou de remiser la machine.
Une sélection d'outils et d'accessoires agréés par Toro est disponible pour augmenter et améliorer les capacités de la machine. Contactez votre concessionnaire-réparateur ou distributeur agréé ou rendez-vous sur www.Toro.com pour obtenir une liste de tous les accessoires et outils agréés.
Note: Les spécifications et la conception peuvent faire l'objet de modifications sans préavis.
| Plateau de coupe de 122 cm | Plateau de coupe de 132 cm | |
|---|---|---|
| Sans plateau de coupe | 121 cm | 124 cm |
| Déflecteur relevé | 133 cm | 144 cm |
| Déflecteur abaissé | 160 cm | 171 cm |
| Plateau de coupe de 122 cm | Plateau de coupe de 132 cm | |
|---|---|---|
| Longueur | 208 cm | 208 cm |
| Arceau de sécurité relevé | Arceau de sécurité abaissé |
|---|---|
| 179 cm | 125 cm |
| Machines | Poids |
| Plateaux de coupe à éjection latérale de 122 cm | 385-425 kg |
| Plateaux de coupe à éjection latérale de 132 cm | 391–434 kg |
Note: Les côtés gauche et droit de la machine sont déterminés d'après la position d'utilisation normale.
Ne confiez jamais l'utilisation ou l'entretien de la machine à des enfants ou à des personnes non qualifiées. Certaines législations imposent un âge minimum pour l'utilisation de ce type d'appareil. Le propriétaire de la machine doit assurer la formation de tous les utilisateurs et mécaniciens.
Familiarisez-vous avec le maniement correct du matériel, les commandes et les symboles de sécurité.
Apprenez à arrêter la machine et le moteur rapidement.
Vérifiez toujours que les commandes de présence de l'utilisateur, les contacteurs de sécurité et les capots de protection sont en place et fonctionnent correctement. N'utilisez pas la machine s'ils ne fonctionnent pas correctement.
Avant de tondre, vérifiez toujours que les lames, les boulons de lame et les ensembles de coupe sont en bon état de marche. Remplacez les boulons et les lames usés ou endommagés par paires pour ne pas modifier l'équilibre.
Inspectez la zone de travail et débarrassez-la de tout objet susceptible d'être projeté par la machine.
Examinez la zone de travail pour déterminer quels accessoires et équipements vous permettront d'exécuter votre tâche correctement et sans risque.
Pour éviter de vous blesser ou de causer des dommages matériels, manipulez le carburant avec une extrême prudence. Les vapeurs de carburant sont inflammables et explosives.
Éteignez cigarettes, cigares, pipes et autres sources d'étincelles.
Utilisez exclusivement un bidon à carburant homologué.
N'enlevez pas le bouchon du réservoir de carburant et n'ajoutez pas de carburant quand le moteur tourne ou est encore chaud.
Ne faites pas le plein de carburant à l'intérieur d'un local.
Ne rangez pas la machine ni les bidons de carburant à proximité d'une flamme nue, d'une source d'étincelles ou d'une veilleuse, telle celle d'un chauffe-eau ou d'autres appareils.
Ne remplissez pas les bidons de carburant à l'intérieur d'un véhicule ou sur le plateau d'une remorque dont le revêtement est en plastique. Posez toujours les bidons sur le sol, à l'écart du véhicule, avant de les remplir.
Descendez la machine du véhicule ou de la remorque et posez-la à terre avant de remplir le réservoir de carburant. Si cela n'est pas possible, laissez la machine dans le véhicule ou sur la remorque, mais remplissez le réservoir à l'aide d'un bidon, et non directement à la pompe.
N'utilisez pas la machine si elle n'est pas équipée du système d'échappement complet et en bon état de marche.
Maintenez le pistolet en contact avec le bord du réservoir ou du bidon jusqu'à la fin du remplissage. N'utilisez pas de dispositif de verrouillage du pistolet en position ouverte.
Si du carburant s'est répandu sur vos vêtements, changez-vous immédiatement. Essuyez tout carburant répandu.
Ne remplissez jamais excessivement le réservoir de carburant. Remettez en place le bouchon du réservoir et serrez-le fermement.
Conservez le carburant dans un récipient homologué et hors de la portée des enfants. N'achetez et ne stockez jamais plus que la quantité de carburant consommée en un mois.
Ne remplissez pas complètement le réservoir de carburant. Versez la quantité de carburant nécessaire pour que le niveau se situe entre 6 et 13 mm en dessous de la base du goulot de remplissage. L'espace au-dessus doit rester vide pour permettre au carburant de se dilater.
Évitez de respirer les vapeurs de carburant de façon prolongée.
N'approchez pas le visage du pistolet ni de l'ouverture du réservoir de carburant.
Évitez tout contact avec la peau et lavez tout liquide renversé à l'eau et au savon.
Pour assurer le fonctionnement optimal de la machine, utilisez uniquement de l'essence sans plomb propre et fraîche (stockée depuis moins d'un mois) ayant un indice d'octane de 87 ou plus (méthode de calcul [R+M]/2).
Éthanol : De l'essence contenant jusqu'à 10 % d'éthanol (essence-alcool) ou 15 % de MTBE (éther méthyltertiobutylique) par volume peut être utilisée. L'éthanol et le MTBE sont deux produits différents. L'utilisation d'essence contenant 15 % d'éthanol (E15) par volume n'est pas agréée. N'utilisez jamais d'essence contenant plus de 10 % d'éthanol par volume, comme E15 (qui contient 15 % d'éthanol), E20 (qui contient 20 % d'éthanol) ou E85 (qui contient jusqu'à 85 % d'éthanol). L'utilisation d'essence non agréée peut entraîner des problèmes de performances et/ou des dommages au moteur qui peuvent ne pas être couverts par la garantie.
N'utilisez pas d'essence contenant du méthanol.
Ne stockez pas le carburant dans le réservoir ou dans des bidons de carburant pendant l'hiver, à moins d'utiliser un stabilisateur de carburant.
N'ajoutez pas d'huile à l'essence.
Utilisez un additif stabilisateur/conditionneur dans la machine pour :
Éviter l'altération du carburant s'il est stocké pendant 3 mois ou moins (au-delà de cette durée, vidangez le réservoir de carburant).
Nettoyer le moteur lorsqu'il tourne.
Éviter la formation d'un dépôt gommeux dans le circuit d'alimentation, qui pourrait entraîner des problèmes de démarrage.
Important: N'utilisez pas d'additifs contenant du méthanol ou de l'éthanol.
Ajoutez au carburant la quantité appropriée de stabilisateur/conditionneur.
Note: L'efficacité des stabilisateurs/conditionneurs est optimale lorsqu'ils sont mélangés à du carburant frais. Pour réduire les risques de formation de dépôts visqueux dans le circuit d'alimentation, utilisez toujours un stabilisateur dans l'essence.
Placez la machine sur un sol plat et horizontal.
Coupez le moteur et serrez le frein de stationnement.
Nettoyez la surface autour du bouchon du réservoir de carburant.
Remplissez le réservoir de carburant jusqu'à la base du goulot de remplissage (Figure 8).
Note: Ne remplissez pas complètement le réservoir de carburant. L'espace au-dessus doit rester vide pour permettre à l'essence de se dilater.

Avant de mettre le moteur en marche et d'utiliser la machine, vérifiez le niveau d'huile dans le carter moteur ; voir Contrôle du niveau d'huile moteur.
Les moteurs neufs demandent un certain temps pour développer toute leur puissance. Les plateaux de coupe et les systèmes d'entraînement neufs présentent plus de friction, ce qui augmente la charge sur le moteur. Prévoyez 40 à 50 heures de rodage pour les machines neuves afin de leur permettre de développer toute leur puissance et d'offrir des performances optimales.
Pour éviter de vous blesser, parfois mortellement, en vous retournant, gardez l'arceau de sécurité complètement relevé et bloqué en position, et attachez votre ceinture de sécurité.
Le siège doit être bien fixé sur la machine.
La protection antiretournement est inexistante lorsque l'arceau de sécurité est abaissé.
N'abaissez l'arceau de sécurité qu'en cas d'absolue nécessité.
N'attachez pas la ceinture de sécurité lorsque l'arceau de sécurité est abaissé.
Conduisez lentement et prudemment.
Relevez l'arceau de sécurité dès que possible.
Vérifiez précisément la hauteur libre avant de passer sous un obstacle (par ex. branches, portes, câbles électriques, etc.) et évitez de le toucher.
Important: N'abaissez l'arceau de sécurité qu'en cas d'absolue nécessité.
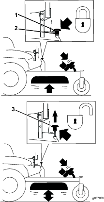
Pour abaisser l'arceau de sécurité, poussez la partie supérieure de l'arceau vers l'avant.
Tirez sur les deux boutons et tournez-les à 90 degrés pour les désengager (Figure 9).
Faites pivoter l'arceau de sécurité à la position abaissée (Figure 9).

Pour élever l'arceau de sécurité, levez-le à la position d'utilisation et tournez les boutons de sorte à les déplacer partiellement dans les rainures (Figure 9).
Redressez l'arceau de sécurité en position relevée tout en poussant sur la partie supérieure de sorte que les goupilles s'engagent en position quand les trous sont en face (Figure 9).
Important: Attachez toujours la ceinture de sécurité quand l'arceau de sécurité est relevé.
Appuyez sur l'arceau de sécurité et vérifiez que les deux goupilles sont engagées.
Lisez toutes les instructions de sécurité et la signification des symboles dans le chapitre Sécurité. Tenez-en compte pour éviter de vous blesser ou de blesser des personnes à proximité.
La machine peut déraper si vous l'utilisez sur de l'herbe humide ou une pente raide, et vous risquez alors d'en perdre le contrôle.
N'utilisez pas la machine sur des pentes de plus de 15 degrés.
Ralentissez et procédez avec la plus grande prudence sur les pentes.
N'utilisez pas la machine près d'une étendue d'eau.
Le dépassement des roues au-dessus d'une dénivellation peut entraîner le renversement de la machine et provoquer des blessures graves ou mortelles (noyade, etc.).
N'utilisez pas la machine près de dénivellations.
L'utilisation de la machine avec l'arceau de sécurité abaissé peut entraîner des blessures graves ou mortelles en cas de retournement de la machine.
Gardez toujours l'arceau de sécurité complètement relevé et bloqué en position, et attachez la ceinture de sécurité.

Cette machine produit au niveau de l'oreille de l'utilisateur un niveau sonore de plus de 85 dBA, susceptible d'entraîner des déficiences auditives en cas d'exposition prolongée.
Portez des protecteurs d'oreilles quand vous utilisez la machine.
Utilisez des équipements de protection pour les yeux, les oreilles, les mains, les pieds et la tête.

Si les contacteurs de sécurité sont déconnectés ou endommagés, la machine peut se mettre en marche inopinément et causer des blessures.
Ne modifiez pas abusivement les contacteurs de sécurité.
Vérifiez chaque jour le fonctionnement des contacteurs de sécurité et remplacez ceux qui sont endommagés avant d'utiliser la machine.
Le système de sécurité est conçu pour empêcher le démarrage du moteur, sauf si :
Le frein de stationnement est serré.
La commande des lames (PDF) est désengagée.
Les leviers de commande de déplacement sont en position de VERROUILLAGE AU POINT MORT.
Le système de sécurité est également conçu pour couper le moteur si vous actionnez les commandes de déplacement alors que le frein de stationnement est serré, ou si vous quittez le siège alors que la PDF est engagée.
Le compteur horaire comporte des symboles qui avertissent l'utilisateur quand le composant de sécurité est à la position correcte. Lorsque le composant est à la position correcte, un triangle s'allume dans le carré correspondant.

| Périodicité d'entretien | Procédure d'entretien |
|---|---|
| À chaque utilisation ou une fois par jour |
|
Contrôlez le système de sécurité avant chaque utilisation de la machine. Si le système de sécurité ne fonctionne pas comme spécifié ci-dessous, faites-le immédiatement réviser par un concessionnaire-réparateur agréé.
Asseyez-vous sur le siège, serrez le frein de stationnement et placez la commande des lames (PDF) en position ENGAGéE. Essayez de démarrer le moteur ; il ne doit pas démarrer.
Asseyez-vous sur le siège, serrez le frein de stationnement et placez la commande des lames (PDF) en position DéSENGAGéE. Actionnez l'un des leviers de commande de déplacement (sortez-le de la position de VERROUILLAGE AU POINT MORT). Essayez de démarrer le moteur ; il ne doit pas démarrer. Répétez l'opération pour l'autre levier de commande.
Asseyez-vous sur le siège, serrez le frein de stationnement, placez la commande des lames (PDF) en position DéSENGAGéE et amenez les leviers de commande de déplacement en position de VERROUILLAGE AU POINT MORT. Mettez alors le moteur en marche. Lorsque le moteur tourne, desserrez le frein de stationnement, engagez la commande des lames (PDF) et soulevez-vous légèrement du siège ; le moteur doit s'arrêter.
Asseyez-vous sur le siège, serrez le frein de stationnement, placez la commande des lames (PDF) en position DéSENGAGéE et amenez les leviers de commande de déplacement en position de VERROUILLAGE AU POINT MORT. Mettez alors le moteur en marche. Lorsque le moteur est en marche, centrez l'un des leviers de commande déplacement et déplacez la machine (en marche avant ou arrière) ; le moteur doit s'arrêter. Répétez l'opération pour l'autre levier de commande.
Asseyez-vous sur le siège, desserrez le frein de stationnement, placez la commande des lames (PDF) en position DéSENGAGéE et amenez les leviers de commande de déplacement en position de VERROUILLAGE AU POINT MORT. Essayez de démarrer le moteur ; il ne doit pas démarrer.
Vous pouvez avancer ou reculer le siège (Figure 13). Amenez le siège à la position la plus confortable pour vous, et offrant le meilleur contrôle pour la conduite.

Le siège peut être réglé pour offrir un confort optimal. Réglez le siège à la position la plus confortable pour vous.
Pour ce faire, tournez le bouton avant dans un sens ou dans l'autre pour obtenir la position la plus confortable (Figure 14).

Utilisez uniquement des outils et accessoires agréés par Toro.
Si vous ajoutez plusieurs kits de montage d'accessoire (kit pour godet ou kit support universel par exemple) à l'un des 4 emplacements indiqués à la Figure 15, vous devez monter un kit masses avant. Contactez votre concessionnaire-réparateur agréé pour vous procurer le kit masses avant.

Le propriétaire/l'utilisateur est responsable des accidents pouvant entraîner des dommages corporels ou matériels et peut les prévenir.
Portez des vêtements appropriés, y compris une protection oculaire, des chaussures solides à semelle antidérapante et des protecteurs d'oreilles. Attachez les cheveux longs et ne portez pas de bijoux.
N'utilisez pas la machine si vous êtes fatigué, malade ou sous l'emprise de l'alcool, de drogues ou de médicaments.
Ne transportez jamais de passagers sur la machine et tenez tout le monde, y compris les animaux, à l'écart de la machine pendant le travail.
N'utilisez la machine que si la visibilité est bonne pour éviter les trous ou autres dangers cachés.
Ne tondez pas l'herbe humide. La perte de motricité peut faire déraper la machine.
Assurez-vous que tous les embrayages sont au point mort, que le frein de stationnement est serré et que vous êtes au poste d'utilisation avant de démarrer le moteur.
N'approchez pas les pieds ni les mains des unités de coupe. Ne vous tenez jamais devant l'ouverture d'éjection.
Avant de faire marche arrière, vérifiez que la voie est libre juste derrière la machine et sur sa trajectoire.
Soyez prudent à l'approche de tournants sans visibilité, de buissons, d'arbres ou d'autres objets susceptibles de vous masquer la vue.
Ne tondez pas à proximité de fortes dénivellations, fossés ou berges. La machine pourrait se retourner brusquement si une roue passe par-dessus une dénivellation quelconque et se retrouve dans le vide, ou si un bord s'effondre.
Arrêtez les lames quand vous ne tondez pas.
Arrêtez la machine et vérifiez l'état des lames si vous heurtez un obstacle ou si la machine vibre de manière inhabituelle. Effectuez toutes les réparations nécessaires avant de réutiliser la machine.
Ralentissez et faites preuve de prudence quand vous changez de direction, ainsi que pour traverser des routes et des trottoirs avec la machine. Cédez toujours la priorité.
Débrayez l'unité de coupe et coupez le moteur avant de régler la hauteur de coupe (à moins de pouvoir le faire depuis le poste de conduite).
Ne faites jamais tourner le moteur dans un local ne permettant pas d'évacuer les gaz d'échappement.
Ne laissez jamais la machine en marche sans surveillance.
Avant de quitter le poste d'utilisation (y compris pour vider les bacs de ramassage ou pour déboucher la goulotte), effectuez la procédure suivante :
Arrêtez la machine sur une surface plane et horizontale.
Désengagez la prise de force et abaissez les accessoires.
Serrez le frein de stationnement.
Coupez le moteur et enlevez la clé.
Attendez l'arrêt complet de toutes les pièces en mouvement.
N'utilisez pas la machine si la foudre menace.
N'utilisez pas la machine pour tracter quoi que ce soit.
Ne modifiez pas le réglage du régulateur et ne faites pas tourner le moteur à un régime excessif.
Utilisez uniquement les accessoires et équipements agréés par Toro
Ne retirez pas l'arceau de sécurité de la machine.
Attachez bien la ceinture de sécurité et apprenez à la détacher rapidement en cas d'urgence.
Attachez toujours la ceinture de sécurité quand l'arceau de sécurité est relevé.
Vérifiez soigneusement où se trouvent les obstacles en hauteur et ne les touchez pas.
Maintenez l'arceau de sécurité en bon état en vérifiant minutieusement et régulièrement s'il est endommagé et en gardant toutes les fixations bien serrées.
Remplacez l'arceau de sécurité s'il est endommagé. Ne le réparez pas et ne le modifiez pas.
Ralentissez et redoublez de prudence sur les pentes. Déplacez dans le sens de la pente. La nature du terrain peut affecter la stabilité de la machine.
Évitez de faire demi-tour sur les pentes. Si vous ne pouvez pas faire autrement, tournez lentement et progressivement, de préférence vers le bas.
Ne prenez pas de virage serrés. Faites toujours marche arrière avec prudence.
Redoublez de prudence lorsque la machine est équipée d'accessoires, car ceux-ci peuvent en modifier la stabilité.
Serrez toujours le frein de stationnement lorsque vous arrêtez la machine ou que vous la laissez sans surveillance.
Le frein de stationnement peut ne pas immobiliser parfaitement la machine si elle est garée sur une pente. La machine risque alors de causer des dommages corporels ou matériels.
Ne garez pas la machine sur une pente, à moins de caler ou de bloquer les roues.


La commande des lames (PDF) permet de démarrer et d'arrêter la rotation des lames et des autres accessoires qu'elle entraîne.
Note: Les courroies d'entraînement subiront une usure excessive si la commande des lames (PDF) est engagée alors que la commande d'accélérateur est à mi-course ou moins.


Vous pouvez régler la commande d'accélérateur entre les positions HAUT RéGIME et BAS RéGIME (Figure 20).
Sélectionnez toujours la position HAUT RéGIME quand vous mettez le plateau de coupe en marche avec la commande des lames (PDF).

Utilisez le starter pour démarrer quand le moteur est froid.
Tournez la clé de contact à la position DéMARRAGE (Figure 22).
Note: Relâchez la clé quand le moteur démarre.
Important: N'actionnez pas le démarreur plus de 5 secondes de suite. Si le moteur ne démarre pas, attendez 15 secondes avant de faire une nouvelle tentative. Le démarreur risque de griller si vous ne respectez pas ces consignes.
Note: Vous devrez peut-être vous y reprendre à plusieurs reprises pour démarrer le moteur la première fois après que le système d'alimentation soit resté entièrement vide.

Tournez la clé de contact en position ARRêT pour couper le moteur.
Relevez l'arceau de sécurité et bloquez-le en position, asseyez-vous sur le siège et attachez la ceinture de sécurité.
Amenez les commandes de déplacement en position de VERROUILLAGE DU POINT MORT.
Serrez le frein de stationnement ; voir Serrage du frein de stationnement.
Placez la commande des lames (PDF) en position DéSENGAGéE (Figure 23).
Réglez la commande d'accélérateur à mi-course entre les positions BAS RéGIME et HAUT RéGIME.

Tournez la clé de contact à la position DéMARRAGE (Figure 24).
Note: Relâchez la clé quand le moteur démarre.
Important: N'actionnez pas le démarreur plus de 5 secondes de suite. Si le moteur ne démarre pas, attendez 15 secondes avant de réessayer. Le démarreur risque de griller si vous ne respectez pas ces consignes.
Note: Le démarrage du moteur nécessitera peut-être plusieurs tentatives après une panne sèche.

Les enfants ou les personnes à proximité risquent de se blesser s'ils déplacent ou essayent d'utiliser la machine, lorsque celle-ci est laissée sans surveillance.
Retirez toujours la clé de contact et serrez le frein de stationnement si vous laissez la machine sans surveillance, ne serait-ce qu'un instant.
Placez la commande d'accélérateur en position HAUT RéGIME et tournez la clé de contact à la position ARRêT.

Important: Vérifiez que le robinet d'arrivée de carburant est bien fermé avant de transporter ou de remiser la machine, pour éviter les fuites de carburant. Serrez le frein de stationnement avant de transporter la machine. N'oubliez pas de retirer la clé du commutateur d'allumage, car la pompe d'alimentation pourrait se mettre en marche et décharger la batterie.

Les roues motrices tournent indépendamment et sont entraînées par des moteurs hydrauliques sur chaque essieu. Vous pouvez faire tourner un côté en marche arrière et l'autre en marche avant, ce qui fait pivoter la machine au lieu de la faire changer de direction. La maniabilité de la machine en est grandement améliorée, mais il vous faudra peut-être un peu de temps pour vous adapter à cette manière de conduire.
La commande d'accélérateur agit sur le régime moteur qui se mesure en tours/minute (tr/min). Placez la commande d'accélérateur en position HAUT RéGIME pour obtenir des performances optimales. Travaillez toujours à plein régime.
La machine peut tourner très rapidement. Vous risquez de perdre le contrôle de la machine et de vous blesser gravement ou d'endommager la machine.
Soyez extrêmement prudent dans les virages.
Ralentissez avant de prendre des virages serrés.
Note: Le moteur s'arrête si vous actionnez les leviers de commande de déplacement alors que le frein de stationnement est serré.
Pour arrêter la machine, tirez les leviers de commande de déplacement en position POINT MORT.
Desserrez le frein de stationnement ; voir Desserrage du frein de stationnement.
Amenez les leviers de commande de déplacement au centre, en position déverrouillée.
Pour vous déplacer en marche avant, poussez lentement les leviers de commande de déplacement vers l'avant (Figure 27).

Amenez les leviers de commande de déplacement au centre, en position déverrouillée.
Pour vous déplacer en marche arrière, tirez lentement les leviers en arrière (Figure 28).

Le verrou de transport s'utilise avec la pédale de levage du plateau de coupe et comprend 2 positions : une position de VERROUILLéE et une position DéVERROUILLéE pour la position de transport du plateau de coupe (Figure 29).

Vous pouvez régler la hauteur de coupe de 38 à 127 mm par paliers de 6 mm suivant le trou dans lequel vous placez la goupille de hauteur de coupe.
Placez le verrou de transport en position VERROUILLéE.
Appuyez sur la pédale de levage du plateau avec le pied et élevez le plateau à la position de TRANSPORT (qui est aussi la position de hauteur de coupe de 127 mm), comme montré à la Figure 30.
Pour changer de hauteur de coupe, retirez l'axe du support de hauteur de coupe (Figure 30).
Placez la goupille dans le trou du support correspondant à la hauteur de coupe voulue (Figure 30).
Appuyez sur la pédale de levage du plateau de coupe, tirez le verrou de transport et abaissez lentement le plateau de coupe.

Ajustez la hauteur des galets anti-scalp chaque fois que vous modifiez la hauteur de coupe.
Désengagez la commande des lames (PDF), amenez les leviers de commande de déplacement en position de VERROUILLAGE AU POINT MORT et serrez le frein de stationnement.
Avant de quitter la position d'utilisation, coupez le moteur, enlevez la clé de contact et attendez l'arrêt complet de toutes les pièces mobiles.


Pour arrêter la machine, ramenez les leviers de commande de déplacement au point mort, puis en position de VERROUILLAGE AU POINT MORT, désengagez la prise de force (commande des lames) et tournez la clé de contact en position ARRêT.
Serrez aussi le frein de stationnement avant de quitter la machine ; voir Serrage du frein de stationnement. Enlevez la clé du commutateur d'allumage.
Les enfants ou les personnes à proximité risquent de se blesser s'ils déplacent ou essayent d'utiliser la machine, lorsque celle-ci est laissée sans surveillance.
Retirez toujours la clé de contact et serrez le frein de stationnement si vous laissez la machine sans surveillance, ne serait-ce qu'un instant.
La tondeuse est équipée d'un déflecteur d'herbe pivotant qui permet de disperser les déchets de tonte sur le côté et à la surface de la pelouse.
Si le déflecteur d'herbe, l'obturateur d'éjection ou le bac à herbe complet ne sont pas en place sur la machine, vous-même ou d'autres personnes peuvent être touchés par une lame ou des débris projetés. Le contact avec les lames en rotation et la projection de débris peuvent occasionner des blessures graves ou mortelles.
N'enlevez jamais le déflecteur d'herbe du plateau de coupe, sa présence est nécessaire pour diriger l'herbe tondue sur le gazon. Si le déflecteur d'herbe est endommagé, remplacez-le immédiatement.
Ne mettez jamais les mains ou les pieds sous l'unité de coupe.
N'essayez jamais de dégager l'ouverture d'éjection ou les lames sans avoir au préalable amené la commande des lames (PDF) en position DéSENGAGéE, tourné la clé de contact sur ARRêT et enlevé la clé.
Vérifiez que le déflecteur d'herbe est abaissé.
Pour obtenir une circulation d'air maximale et de meilleurs résultats, faites tourner le moteur à HAUT RéGIME. L'air doit pouvoir circuler pour bien couper l'herbe. Pour cette raison, ne sélectionnez pas une hauteur de coupe trop basse car le plateau de coupe serait alors complètement entouré d'herbe haute. Placez-vous toujours de sorte qu'un côté de la tondeuse se trouve à l'extérieur de la zone non-coupée. L'air pourra ainsi circuler librement dans le plateau de coupe.
Coupez l'herbe légèrement plus haut que d'habitude pour éviter de scalper les inégalités du terrain. La hauteur de coupe habituelle est cependant celle qui convient le mieux en général. Si la hauteur de l'herbe dépasse 15 cm, vous devrez peut-être vous y reprendre à deux fois pour obtenir un résultat acceptable.
L'idéal est de ne raccourcir l'herbe que du tiers de sa hauteur. Une coupe plus courte est déconseillée, à moins que l'herbe ne soit clairsemée, ou en automne lorsque la pousse commence à ralentir.
Alternez le sens des passages pour ne pas coucher l'herbe. L'alternance permet aussi de mieux disperser l'herbe coupée, ce qui améliore la décomposition et la fertilisation.
L'herbe pousse à une vitesse différente selon les saisons. Pour conserver une hauteur de coupe uniforme, tondez plus souvent au début du printemps. Réduisez la fréquence de la tonte au milieu de l'été, lorsque l'herbe pousse moins vite. Si vous n'avez pas tondu depuis un certain temps, effectuez un premier passage à une hauteur de coupe élevée, puis repassez 2 jours plus tard en abaissant la hauteur de coupe.
Ralentissez pour améliorer la qualité de la coupe dans certaines conditions.
Si la surface est irrégulière, élevez la hauteur de coupe pour éviter de scalper la pelouse.
Si vous devez immobiliser la machine en cours de tonte, un paquet d'herbe coupée peut tomber sur la pelouse. Pour éviter cela, rendez-vous sur une surface déjà tondue en laissant les lames embrayées ou bien désengagez le plateau de coupe tout en vous déplaçant en marche avant.
Nettoyez le dessous de la tondeuse après chaque utilisation. Ne laissez pas l'herbe et la terre s'accumuler à l'intérieur, car la qualité de la tonte finira par en souffrir.
Utilisez une lame bien aiguisée durant toute la saison de coupe, pour obtenir une coupe nette sans arracher ni déchiqueter les brins d'herbe. L'herbe arrachée ou déchiquetée brunit sur les bords, sa croissance ralentit et elle devient plus sensible aux maladies. Après chaque utilisation, vérifiez l'état, l'usure et l'affûtage des lames. Limez les entailles éventuelles et aiguisez les lames selon les besoins. Remplacez immédiatement les lames endommagées ou usées par des lames Toro d'origine.
Pour éviter les risques d'incendie, enlevez les débris d'herbe coupée et autres agglomérés sur les unités de coupe, les silencieux et le moteur. Nettoyez les coulées éventuelles d'huile ou de carburant.
Fermez le robinet d'arrivée de carburant avant de remiser ou de transporter la machine.
Désengagez l'entraînement de l'outil quand vous transportez la machine ou qu'elle ne sert pas.
Utilisez des rampes d'une seule pièce pour charger la machine sur une remorque ou un camion.
Arrimez solidement la machine au moyen de sangles, chaînes, câbles ou cordes. Les sangles avant et arrière doivent être dirigées vers le bas et l'extérieur de la machine.
Laissez refroidir le moteur avant de ranger la machine dans un local fermé.
Fermez le robinet d'arrivée de carburant avant de remiser ou de transporter la machine.
Ne remisez jamais la machine ni les bidons de carburant à proximité d'une flamme nue, d'une source d'étincelles ou d'une veilleuse, telle celle d'un chauffe-eau ou d'autres appareils.
Le robinet d'arrivée de carburant est situé derrière le siège.
Fermez le robinet d'arrivée de carburant pour transporter, réviser ou remiser la machine.
Vérifiez que le robinet d'arrivée de carburant est ouvert avant de démarrer le moteur.


Les mains peuvent se coincer dans les composants d'entraînement en rotation situés sous le plancher moteur, et subir des blessures graves.
Coupez le moteur, enlevez la clé et attendez l'arrêt de toutes les pièces mobiles avant d'accéder aux valves de déblocage des roues motrices.
Le moteur et les entraînements hydrauliques peuvent devenir très chauds. Vous pouvez vous brûler gravement si vous touchez le moteur ou les entraînements hydrauliques quand ils sont chauds.
Laissez complètement refroidir le moteur et les entraînements hydrauliques avant d'accéder aux valves de déblocage des roues motrices.
Les valves de déblocage des roues motrices sont situées à gauche et à droite sous le plancher moteur.
Désengagez la commande des lames (PDF), coupez le contact, amenez les leviers de commande de déplacement en position de VERROUILLAGE AU POINT MORT, serrez le frein de stationnement et enlevez la clé de contact.
Localisez les leviers de dérivation derrière le siège, à droite et à gauche du cadre.
Pour pousser la machine, déplacez les boutons de dérivation vers l'arrière et bloquez-les en place (Figure 34).
Desserrez le frein de stationnement avant de pousser la machine.

Pour faire fonctionner la machine, amenez les boutons de dérivation en position AVANT et verrouillez-les en place (Figure 34).
Transportez la machine sur une remorque de poids-lourd ou un camion. Le camion ou la remorque doit être équipé(e) des freins, des éclairages et de la signalisation exigés par la loi. Lisez attentivement toutes les consignes de sécurité. Tenez-en compte pour éviter de vous blesser et de blesser d'autres personnes ou des animaux.
Il est dangereux de conduire sur la voie publique sans clignotants, éclairages, réflecteurs ou panneau « véhicule lent ». Vous risquez de provoquer un accident et de vous blesser.
Ne conduisez pas la machine sur la voie publique.
Pour transporter la machine :
Si vous utilisez une remorque, fixez-la au véhicule tracteur et attachez les chaînes de sécurité.
Le cas échéant, raccordez les freins de la remorque.
Chargez la machine sur la remorque ou le véhicule.
Coupez le moteur, enlevez la clé, serrez le frein et fermez le robinet d'arrivée de carburant.
Servez-vous des points d'attache en métal de la machine pour l'arrimer solidement sur la remorque ou le véhicule de transport au moyen de sangles, chaînes, câbles ou cordes (Figure 35).

Procédez avec la plus grande prudence lorsque vous chargez la machine sur une remorque ou un camion, ainsi que lorsque vous la déchargez. Utilisez une rampe d'une seule pièce plus large que la machine pour cette procédure. Faites monter la machine sur la rampe en marche arrière et descendez en marche avant (Figure 36).

Important: N'utilisez pas de rampes individuelles étroites de chaque côté de la machine.
Le chargement de la machine sur une remorque ou un camion augmente le risque de basculement, et donc de blessures graves ou mortelles (Figure 37).
Procédez avec la plus grande prudence lorsque vous manÅ“uvrez la machine sur une rampe.
Utilisez uniquement une rampe d'une seule pièce ; n'utilisez pas de rampes individuelles de chaque côté de la machine.
Ne dépassez pas un angle de 15 degrés entre la rampe et le sol ou entre la rampe et la remorque ou le camion.
La rampe doit être au moins 4 fois plus longue que la hauteur de la remorque ou du plateau du camion par rapport au sol. Ainsi, l'angle de la rampe ne dépassera pas 15 degrés par rapport au sol plat.
Montez les rampes en marche arrière et descendez-les en marche avant.
Évitez d'accélérer ou de décélérer brutalement lorsque vous conduisez la machine sur une rampe car vous pourriez en perdre le contrôle ou la renverser.

| Périodicité d'entretien | Procédure d'entretien |
|---|---|
| Après les 5 premières heures de fonctionnement |
|
| Après les 75 premières heures |
|
| À chaque utilisation ou une fois par jour |
|
| Toutes les 25 heures |
|
| Toutes les 50 heures |
|
| Toutes les 100 heures |
|
| Toutes les 200 heures |
|
| Toutes les 250 heures |
|
| Toutes les 500 heures |
|
| Chaque mois |
|
| Une fois par an ou avant le remisage |
|
Important: Reportez-vous au manuel du propriétaire du moteur pour toutes procédures d'entretien supplémentaires.
Si vous laissez la clé dans le commutateur d'allumage, quelqu'un pourrait mettre le moteur en marche accidentellement et vous blesser gravement, ainsi que toute personne à proximité.
Avant tout entretien, retirez la clé de contact.
Avant de réparer la machine, effectuez la procédure suivante :
Débrayez les entraînements.
Serrez le frein de stationnement.
Coupez le moteur et enlevez la clé.
Débranchez le fil de la bougie.
Garez la machine sur un sol plat et horizontal.
Pour éviter les risques d'incendie, enlevez les débris d'herbe coupée et autres agglomérés sur les unités de coupe, les dispositifs d'entraînement, les silencieux et le moteur.
Nettoyez les coulées éventuelles d'huile ou de carburant.
Laissez refroidir le moteur avant de remiser la machine.
Ne rangez pas la machine ou le carburant près d'une flamme et ne vidangez pas le carburant à l'intérieur d'un local.
Ne confiez pas l'entretien de la machine à des personnes non qualifiées.
Utilisez des chandelles pour soutenir la machine et/ou ses composants au besoin.
Libérez la pression emmagasinée dans les composants avec précaution.
Débranchez la batterie ou le fil de la bougie avant d'entreprendre des réparations. Débranchez toujours la borne négative avant la borne positive. Branchez toujours la borne positive avant la borne négative.
Examinez toujours les lames avec prudence. Manipulez toujours les lames avec des gants épais ou en les enveloppant dans un chiffon, et toujours avec prudence. Remplacez toujours les lames endommagées ; n'essayez pas de les redresser ou de les souder.
N'approchez jamais les mains ou les pieds des pièces mobiles. Dans la mesure du possible, évitez de procéder à des réglages sur la machine quand le moteur tourne.
Maintenez toutes les pièces en bon état de marche et toutes les fixations bien serrées, en particulier les boulons de fixation des lames. Remplacez tous les autocollants usés ou endommagés.
Ne cherchez jamais à modifier la fonction prévue d'un dispositif de sécurité ni à réduire la protection qu'il assure. Vérifiez régulièrement qu'il fonctionne correctement.
Pour garantir un rendement optimal et la sécurité continue de la machine, utilisez uniquement des pièces de rechange et accessoires Toro d'origine. Les pièces de rechange et accessoires d'autres constructeurs peuvent être dangereux et leur utilisation risque d'annuler la garantie de la machine.
Vérifiez fréquemment le fonctionnement du frein de stationnement. Effectuez les réglages et l'entretien éventuellement requis.
Desserrez le boulon supérieur du rideau pour débloquer ce dernier et accéder au sommet du plateau de coupe (Figure 38). Resserrez le boulon de fixation du rideau une fois l'entretien terminé.

Lubrifiez plus fréquemment si vous travaillez dans des conditions très poussiéreuses ou sableuses.
Type de graisse : graisse universelle nº 2 au lithium ou au molybdène.
Désengagez la commande des lames (PDF), amenez les leviers de commande de déplacement en position de VERROUILLAGE AU POINT MORT et serrez le frein de stationnement.
Avant de quitter la position d'utilisation, coupez le moteur, retirez la clé de contact et attendez l'arrêt complet de toutes les pièces mobiles.
Nettoyez les graisseurs avec un chiffon.
Note: Grattez la peinture qui pourrait se trouver sur l'avant des graisseurs.
Raccordez une pompe à graisse au graisseur.
Injectez de la graisse dans les graisseurs jusqu'à ce qu'elle commence à sortir des roulements.
Essuyez tout excès de graisse.
| Périodicité d'entretien | Procédure d'entretien |
|---|---|
| Toutes les 25 heures |
|
| Toutes les 50 heures |
|
Désengagez la commande des lames (PDF), amenez les leviers de commande de déplacement en position de VERROUILLAGE AU POINT MORT et serrez le frein de stationnement.
Avant de quitter la position d'utilisation, coupez le moteur, retirez la clé de contact et attendez l'arrêt complet de toutes les pièces mobiles.
Injectez 1 à 2 jets de graisse dans le pivot de la poulie de tension de la pompe (Figure 41).
Graissez les axes des roues pivotantes avant (Figure 41).

Les pièces brûlantes peuvent causer des blessures.
Gardez les mains, les pieds, le visage et toute autre partie du corps ainsi que les vêtements à l'écart du silencieux et autres surfaces brûlantes.
Coupez le moteur avant de contrôler le niveau d'huile ou d'ajouter de l'huile dans le carter.
| Périodicité d'entretien | Procédure d'entretien |
|---|---|
| Toutes les 25 heures |
|
| Toutes les 100 heures |
|
| Toutes les 200 heures |
|
Garez la machine sur une surface plane et désengagez les lames (PDF).
Avant de quitter la position d'utilisation, serrez le frein de stationnement, coupez le moteur, enlevez la clé de contact et attendez l'arrêt de toutes les pièces mobiles.
Nettoyez la surface autour du couvercle du filtre à air pour éviter que des impuretés ne s'introduisent dans le moteur et l'endommagent.
Soulevez le couvercle et dévissez le filtre à air pour le déposer du moteur (Figure 42).


Retirez l'élément en mousse de l'élément en papier (Figure 43).

Lavez l'élément en mousse à l'eau et remplacez-le s'il est endommagé.
Tapotez doucement l'élément sur une surface plane pour faire tomber la poussière et la saleté.
Vérifiez que l'élément n'est pas déchiré ou couvert d'une pellicule grasse, et que le joint n'est pas endommagé.
Important: Ne nettoyez jamais l'élément en papier à l'air comprimé ou à l'aide de liquides tels que des solvants, de l'essence ou du pétrole. Remplacez l'élément en papier s'il est endommagé ou s'il est impossible de le nettoyer complètement.
Type d'huile : huile détergente (classe de service API SF, SG, SH, SJ ou SL)
Capacité du carter : 2,4 l avec filtre
Viscosité : voir le tableau ci-dessous.

| Périodicité d'entretien | Procédure d'entretien |
|---|---|
| À chaque utilisation ou une fois par jour |
|
Note: Contrôlez le niveau d'huile quand le moteur est froid.
Les pièces brûlantes peuvent causer des blessures.
Gardez les mains, les pieds, le visage et toute autre partie du corps ainsi que les vêtements à l'écart du silencieux et autres surfaces brûlantes.
Important: Ne remplissez pas excessivement le carter sous peine d'endommager le moteur. Ne faites pas tourner le moteur si le niveau d'huile est en dessous du repère minimum au risque d'endommager le moteur.
Garez la machine sur une surface plane et horizontale, désengagez la commande des lames, coupez le moteur, serrez le frein de stationnement et enlevez la clé de contact.
Attendez que le moteur soit arrêté, de niveau et froid pour donner le temps à l'huile de s'écouler dans le carter.
Pour éviter de faire tomber de l'herbe, de la poussière, etc. dans le moteur, nettoyez la surface autour du bouchon de remplissage et de la jauge de niveau avant de l'enlever (Figure 45).

| Périodicité d'entretien | Procédure d'entretien |
|---|---|
| Après les 5 premières heures de fonctionnement |
|
| Toutes les 100 heures |
|
Note: Débarrassez-vous de l'huile usagée dans un centre de recyclage.
Garez la machine sur une surface plane et horizontale pour que la boîte-pont puisse se vider entièrement.
Désengagez la PDF et serrez le frein de stationnement.
Avant de quitter la position d'utilisation, coupez le moteur, retirez la clé de contact et attendez l'arrêt complet de toutes les pièces mobiles.
Vidangez l'huile moteur (Figure 46).


Remplacez le filtre à huile moteur (Figure 47).

Note: Assurez-vous que le joint du filtre à huile touche le moteur puis vissez-le encore de ¾ de tour.
Versez lentement environ 80 % de l'huile spécifiée dans le tube de remplissage, puis faites l'appoint lentement pour faire monter le niveau jusqu'au repère maximum (Full) (Figure 48).

| Périodicité d'entretien | Procédure d'entretien |
|---|---|
| Toutes les 100 heures |
|
| Toutes les 200 heures |
|
Avant de monter une bougie, vérifiez si l'écartement entre l'électrode centrale et l'électrode latérale est correct. Utilisez une clé à bougies pour déposer et reposer la ou les bougies, et une jauge d'épaisseur pour contrôler et régler l'écartement des électrodes. Remplacez la bougie au besoin.
Type : Champion RN9YC ou NGK BPR6ES
Écartement des électrodes : 0,76 mm
Désengagez la PDF et serrez le frein de stationnement.
Avant de quitter la position d'utilisation, coupez le moteur, retirez la clé de contact et attendez l'arrêt complet de toutes les pièces mobiles.

Note: La bougie étant entourée d'un creux profond, la méthode de nettoyage la plus efficace est encore l'air comprimé. La bougie est plus facile d'accès quand le carter de ventilateur est déposé pour un nettoyage.
Important: Ne nettoyez pas la ou les bougies. Remplacez systématiquement les bougies dans les cas suivants : si elles sont fissurées, recouvertes d'un dépôt noir ou d'une couche grasse, ou si les électrodes sont usées.
Si le bec isolant est recouvert d'un léger dépôt gris ou brun, le moteur fonctionne correctement. S'il est couvert d'un dépôt noir, c'est généralement signe que le filtre à air est encrassé.
Réglez l'écartement des électrodes à 0,76 mm.

Serrez les bougies à un couple de 25 à 30 N·m.

| Périodicité d'entretien | Procédure d'entretien |
|---|---|
| À chaque utilisation ou une fois par jour |
|
Enlevez l'herbe et autres débris accumulés sur la grille d'entrée d'air avant chaque utilisation.
Désengagez la commande des lames et serrez le frein de stationnement.
Avant de quitter la position d'utilisation, coupez le moteur, retirez la clé de contact et attendez l'arrêt complet de toutes les pièces mobiles.
Déposez le filtre à air du moteur.
Déposez le capot du moteur.
Pour empêcher les débris de pénétrer dans l'admission d'air, montez le filtre à air sur sa base.
Débarrassez les pièces de l'herbe et des débris accumulés.
Déposez le filtre à air et posez le carénage du moteur.
Posez le filtre à air.
| Périodicité d'entretien | Procédure d'entretien |
|---|---|
| Toutes les 50 heures |
|
Les composants chauds du système d'échappement peuvent enflammer les vapeurs d'essence, même après l'arrêt du moteur. Les particules chaudes rejetées quand le moteur est en marche peuvent enflammer les matières inflammables. Un incendie peut entraîner des dommages corporels et matériels.
Ne faites pas le plein de carburant et ne faites pas tourner le moteur si le pare-étincelles n'est pas en place.
Coupez le moteur, attendez l'arrêt complet de toutes les pièces mobiles et enlevez la clé de contact. Serrez le frein de stationnement.
Attendez que le silencieux soit froid.
Si vous constatez des fissures de la grille ou des soudures, remplacez le pare-étincelles.
Si vous constatez que la grille est bouchée, déposez le pare-étincelles et agitez-le pour détacher les particules, puis nettoyez la grille avec une brosse métallique (trempée dans un solvant au besoin). Reposez le pare-étincelles sur la sortie d'échappement.
| Périodicité d'entretien | Procédure d'entretien |
|---|---|
| Toutes les 500 heures |
|
Coupez le moteur, attendez l'arrêt complet de toutes les pièces mobiles et enlevez la clé de contact. Serrez le frein de stationnement.
Déposez le filtre du flexible d'évent.
Insérez un filtre neuf au bout du flexible d'évent.
| Périodicité d'entretien | Procédure d'entretien |
|---|---|
| Toutes les 500 heures |
|
Important: Rebranchez les flexibles de carburant et fixez-les aux emplacements d'origine avec les attaches en plastique pour maintenir la tuyauterie d'alimentation à l'écart des composants susceptibles de l'endommager.
Le filtre à carburant est situé près du moteur, sur le côté avant gauche.
Désengagez la commande des lames (PDF), amenez les leviers de commande de déplacement en position de VERROUILLAGE AU POINT MORT et serrez le frein de stationnement.
Avant de quitter la position d'utilisation, coupez le moteur, retirez la clé de contact et attendez l'arrêt complet de toutes les pièces mobiles.
Laissez refroidir la machine.
Fermez le robinet d'arrivée de carburant derrière le siège (Figure 33).

Ouvrez le robinet d'arrivée de carburant.
N'essayez pas de vidanger le réservoir de carburant. Demandez à un concessionnaire-réparateur agréé de vidanger le réservoir de carburant et d'effectuer l'entretien de tous les composants associés au circuit d'alimentation.
Débranchez la batterie avant de réparer la machine. Débranchez toujours la borne négative de la batterie avant la borne positive. Rebranchez la borne positive avant la borne négative.
Chargez la batterie dans un endroit dégagé et bien aéré, à l'écart des flammes ou sources d'étincelles. Débranchez le chargeur du secteur avant de brancher ou de débrancher la batterie. Portez des vêtements de protection et utilisez des outils isolés.
Les bornes, les cosses de la batterie et les accessoires connexes contiennent du plomb et des composés de plomb. L'état de Californie considère ces substances chimiques comme étant à l'origine de cancers et de troubles de la reproduction. Lavez-vous les mains après avoir manipulé la batterie.
| Périodicité d'entretien | Procédure d'entretien |
|---|---|
| Chaque mois |
|
L'électrolyte contient de l'acide sulfurique, un poison mortel qui cause de graves brûlures.
Ne buvez jamais l'électrolyte et évitez tout contact avec les yeux, la peau ou les vêtements. Portez des lunettes de sécurité pour vous protéger les yeux et des gants en caoutchouc pour vous protéger les mains.
Les bornes de la batterie ou les outils en métal peuvent causer des courts-circuits au contact des pièces métalliques de la machine et produire des étincelles. Les étincelles peuvent provoquer l'explosion des gaz de la batterie et vous blesser.
Lors du retrait ou de la mise en place de la batterie, les bornes ne doivent toucher aucune partie métallique de la machine.
Évitez de créer des courts-circuits entre les bornes de la batterie et les parties métalliques de la machine avec des outils en métal.
S'ils sont mal acheminés, les câbles de la batterie peuvent subir des dommages ou endommager la machine et produire des étincelles. Les étincelles peuvent provoquer l'explosion des gaz de la batterie et vous blesser.
Débranchez toujours le câble négatif (noir) de la batterie avant le câble positif (rouge).
Connectez toujours le câble positif (rouge) de la batterie avant le câble négatif (noir).
Désengagez la commande des lames (PDF), amenez les leviers de commande de déplacement en position de VERROUILLAGE AU POINT MORT et serrez le frein de stationnement.
Avant de quitter la position d'utilisation, coupez le moteur, retirez la clé de contact et attendez l'arrêt complet de toutes les pièces mobiles.
Débranchez le câble négatif (noir) de la borne négative (-) de la batterie (Figure 53).
Enlevez le capuchon rouge de la borne positive (rouge) de la batterie et débranchez le câble positif (+) (Figure 53).
Enlevez la sangle en caoutchouc (Figure 53).
Retrait de la batterie.


Placez la batterie dans son support en tournant les bornes à l'opposé du réservoir hydraulique (Figure 53).
Branchez le câble positif (rouge) de la batterie à la borne positive (+).
Branchez le câble négatif (noir) et le câble de masse à la borne négative (-) de la batterie.
Fixez les câbles avec 2 boulons, 2 rondelles et 2 contre-écrous (Figure 53).
Placez le capuchon rouge sur la borne positive (+) de la batterie.
Fixez la batterie en place à l'aide de la sangle en caoutchouc (Figure 53).
La batterie en charge produit des gaz susceptibles d'exploser.
Ne fumez jamais et gardez la batterie éloignée des flammes et sources d'étincelles.
Important: Gardez toujours la batterie chargée au maximum (densité 1,265). Cela est particulièrement important pour prévenir la dégradation de la batterie si la température tombe en dessous de 0 ºC.
Chargez la batterie pendant 10 à 15 minutes entre 25 et 30 A, ou pendant 30 minutes à 10 A.
Quand la batterie est chargée au maximum, débranchez le chargeur de la prise, puis débranchez les fils du chargeur des bornes de la batterie (Figure 54).
Placez la batterie dans la machine et raccordez les câbles de la batterie ; voir Mise en place de la batterie.
Note: N'utilisez pas la machine si la batterie n'est pas branchée, au risque d'endommager le circuit électrique.

Le système électrique est protégé par des fusibles. Il ne nécessite donc aucun entretien. Toutefois, si un fusible grille, vérifiez l'état de la pièce et du circuit et assurez-vous qu'il n'y a pas de court-circuit.
Les fusibles sont situés sur la console droite, près du siège (Figure 55).
Pour remplacer un fusible, tirez dessus pour l'enlever.
Remplacez le fusible (Figure 55).

| Périodicité d'entretien | Procédure d'entretien |
|---|---|
| À chaque utilisation ou une fois par jour |
|
Vérifiez que la ceinture de sécurité n'est pas usée ni entaillée, et que l'enrouleur et la boucle fonctionnent correctement. Remplacez la ceinture de sécurité si elle est endommagée.
| Périodicité d'entretien | Procédure d'entretien |
|---|---|
| À chaque utilisation ou une fois par jour |
|
Pour éviter de vous blesser, parfois mortellement, en cas de retournement de la machine, gardez l'arceau de sécurité complètement relevé et bloqué dans cette position, et attachez la ceinture de sécurité.
Le siège doit être bien fixé sur la machine.
Vérifiez que les fixations et les boutons sont en bon état.
Les boutons doivent être complètement engagés quand l'arceau de sécurité est relevé.
Note: Il faut parfois pousser en avant ou tirer en arrière la partie supérieure de l'arceau de sécurité pour engager complètement les deux boutons (Figure 56 et Figure 57).


Désengagez la commande de la lame (PDF).
Conduisez la machine jusqu'à une surface plane et dégagée, et amenez les leviers de commande de déplacement en position de VERROUILLAGE AU POINT MORT.
Placez la commande d'accélérateur à mi-course entre les positions HAUT RéGIME et BAS RéGIME.
Poussez les leviers de commande de déplacement en avant jusqu'à la butée dans la fente en T.
Vérifiez de quel côté la machine se déporte.
Si la machine se déporte à droite, insérez une clé hexagonale de 3/16 pouce dans le trou d’accès du panneau de couvercle avant droit et tournez la vis de réglage de l'alignement dans le sens horaire ou antihoraire pour ajuster la course du levier (Figure 58).
Si la machine se déporte à gauche, insérez une clé hexagonale de 3/16 pouce dans le trou d’accès du panneau de couvercle avant droit et tournez la vis de réglage de l'alignement dans le sens horaire ou antihoraire pour ajuster la course du levier (Figure 58).
Conduisez la machine et contrôlez l'alignement en position avant maximale.
Répétez la procédure de réglage jusqu'à ce que l'alignement soit correct.

| Périodicité d'entretien | Procédure d'entretien |
|---|---|
| Toutes les 50 heures |
|
Les pneus avant et arrière doivent être gonflés à 0,9 bar. Les pneus mal gonflés peuvent compromettre la qualité et l'uniformité de la coupe. Contrôlez la pression lorsque les pneus sont froids pour obtenir un résultat plus précis.

Contrôlez et serrez les écrous de roue à un couple de 122 à 136 N·m.
| Périodicité d'entretien | Procédure d'entretien |
|---|---|
| À chaque utilisation ou une fois par jour |
|
Avant chaque utilisation, enlevez l'herbe, les saletés et autres débris éventuellement accumulés sur la protection du moteur, l'échappement et la zone autour du moteur. Cela permet d'assurer un refroidissement et un régime moteur corrects, et réduit les risques de surchauffe et de dommages mécaniques au moteur.
| Périodicité d'entretien | Procédure d'entretien |
|---|---|
| Toutes les 500 heures |
|
Note: Suivez toujours cette procédure après la dépose ou le remplacement d'un composant de freinage.
Conduisez la machine sur un sol plat et horizontal.
Désengagez la commande des lames (PDF), amenez les leviers de commande de déplacement en position de VERROUILLAGE AU POINT MORT et serrez le frein de stationnement.
Avant de quitter la position d'utilisation, coupez le moteur, retirez la clé de contact et attendez l'arrêt complet de toutes les pièces mobiles.
Préparez la machine pour la pousser manuellement. Voir Utilisation des valves de déblocage des roues motrices.
Soulevez l'arrière de la machine et soutenez-le avec des chandelles.
Ne vous fiez pas uniquement à des crics mécaniques ou hydrauliques pour soulever la machine aux fins d'entretien ou de révision, cela pourrait être dangereux. Ils peuvent ne pas offrir un soutien suffisant ou peuvent lâcher et faire retomber la machine, et causer ainsi des blessures.
Ne vous fiez pas uniquement à des crics mécaniques ou hydrauliques comme soutien. Utilisez des chandelles adéquates ou un support équivalent.
Serrez et desserrez le frein de stationnement et vérifiez que le frein se serre et se desserre sur chaque roue.
Si un réglage est nécessaire, desserrez le frein de stationnement. Retirez la goupille fendue de l'axe de la tringlerie de frein (Figure 60).

Contrôlez les deux longueurs de ressort comme montré à la Figure 61. Si un réglage est nécessaire, tournez l'écrou supérieur dans le sens horaire pour raccourcir le ressort, et dans le sens antihoraire pour l'allonger.

Poussez le levier du frein de stationnement complètement en avant et vers le bas.
Tournez l'axe de la tringlerie de frein jusqu'à ce que l'extrémité soit en face du trou dans le levier.
Raccourcissez la tringlerie en la tournant dans le sens horaire.
Allongez la tringlerie en la tournant dans le sens antihoraire.
Insérez l'axe du bras de la tringlerie de frein dans le trou du frein de stationnement et fixez-la avec la goupille fendue. Répétez l'opération 6 et effectuez un nouveau réglage au besoin.
Lorsque le réglage est terminé, retirez les chandelles ou le support équivalent utilisé, et abaissez la machine.
Placez la machine en position d'UTILISATION. Voir Utilisation des valves de déblocage des roues motrices.
| Périodicité d'entretien | Procédure d'entretien |
|---|---|
| Toutes les 50 heures |
|
Remplacez les courroies si elles sont usées. Les courroies peuvent montrer les signes d'usure suivants : grincement pendant la rotation, glissement des lames pendant la coupe, bords effilochés, traces de brûlures et fissures.
Désengagez la commande des lames (PDF), amenez les leviers de commande de déplacement en position de VERROUILLAGE AU POINT MORT et serrez le frein de stationnement.
Avant de quitter la position d'utilisation, coupez le moteur, retirez la clé de contact et attendez l'arrêt complet de toutes les pièces mobiles.
Abaissez le plateau de coupe à la hauteur de 76 mm.
Desserrez le boulon sur chaque couvercle de courroie.
Desserrez le boulon inférieur qui fixe le rideau au plateau de coupe ; voir Relâchement du panneau de protection du plateau de coupe.
Déposez la tôle de protection ; voir Dépose de la tôle de protection.
Déposez les couvercles de courroies ainsi que les boulons qui sont fixés dessus (Figure 62).

Détachez le ressort de la poulie de tension rappelée par ressort. Voir Figure 64.
Note: Utilisez l'outil de dépose de ressort (réf. Toro 92-5771) pour décrocher le ressort du tenon sur le plateau de coupe (Figure 64).
Retirez la courroie des poulies du plateau de coupe et de la poulie d'embrayage.
Acheminez la courroie neuve autour des poulies du plateau de coupe et de la poulie d'embrayage, sous le moteur (Figure 63).


Montez le ressort de la poulie de tension (Figure 63).
Note: Les extrémités du ressort doivent être engagées dans les rainures d'ancrage.
Reposez les couvercles de courroies ainsi que les boulons qui sont fixés dessus (Figure 65).

Desserrez le boulon inférieur qui fixe le rideau au plateau de coupe ; voir Relâchement du panneau de protection du plateau de coupe.
Déposez la tôle de protection ; voir Dépose de la tôle de protection.
Désengagez la commande des lames (PDF) et serrez le frein de stationnement.
Avant de quitter la position d'utilisation, coupez le moteur, retirez la clé de contact et attendez l'arrêt complet de toutes les pièces mobiles.
Déposez la courroie du plateau de coupe ; voir Remplacement de la courroie des plateaux de coupe à éjection latérale.
Soulevez la machine sur des chandelles (Figure 67).
Déposez butée d'embrayage (Figure 66).

Décrochez le ressort de la poulie de tension de son montant (Figure 67).
Retirez la courroie existante des poulies d'entraînement de la pompe hydraulique et de la poulie du moteur.
Placez une courroie neuve sur la poulie du moteur et des 2 poulies d'entraînement de la pompe hydraulique (Figure 67).

Reposez butée d'embrayage (Figure 66).
Reposez la courroie du plateau de coupe ; voir Entretien des courroies.
Désengagez la commande des lames (PDF), amenez les leviers de commande de déplacement en position de VERROUILLAGE AU POINT MORT et serrez le frein de stationnement.
Avant de quitter la position d'utilisation, coupez le moteur, retirez la clé de contact et attendez l'arrêt complet de toutes les pièces mobiles.
Réglage de la hauteur :
Vous pouvez régler la hauteur des leviers de commande de déplacement de manière à obtenir un confort maximum.
Retirez les boulons qui fixent le levier de commande à l'arbre du bras de commande.

Placez le levier de commande dans les trous suivants. Fixez le levier avec les boulons.
Répétez la procédure pour le levier de commande opposé.
Réglage de l'angle des leviers
Desserrez le boulon supérieur qui fixe le levier de commande à l'arbre du bras de commande.
Desserrez le boulon inférieur jusqu'à ce qu'il soit possible de pivoter le levier de commande en avant ou en arrière. Serrez les deux boulons pour fixer la commande à sa nouvelle position.
Répétez la procédure pour le levier de commande opposé.

Si les extrémités des leviers se rencontrent, voir Réglage de la timonerie de commande de déplacement.
Les tringleries de commande de la pompe sont situées de chaque côté de la machine, sous le siège. Tournez l'écrou d'extrémité avec une clé à douille de ½ pouce pour effectuer des réglages extrêmement précis pour empêcher la machine de bouger quand elle est au point mort. Les réglages doivent seulement être effectués pour le positionnement du point mort.
Le moteur doit être en marche et les roues motrices doivent tourner pour effectuer les réglages. Les pièces mobiles et les surfaces brûlantes peuvent causer des blessures.
N'approchez pas les doigts, les mains ou les vêtements des pièces rotatives et des surfaces chaudes.
Avant de mettre le moteur en marche, appuyez sur la pédale de levage du plateau de coupe et enlevez la goupille de hauteur de coupe. Abaissez le plateau au sol.
Soulevez l'arrière de la machine juste assez pour permettre aux roues motrices de tourner librement et placez des chandelles (ou des supports équivalents) sous la machine.
Débranchez les connexions électriques du contacteur de sécurité du siège situé sous le coussin d'assise du siège.
Note: Le contacteur est intégré au siège.
Reliez temporairement un fil volant aux bornes du connecteur du faisceau de câblage principal.
Démarrez le moteur. Faites tourner le moteur à plein régime et desserrez le frein de stationnement.
Note: Pour démarrer le moteur, serrez le frein de stationnement et poussez les leviers de commande de déplacement vers l'extérieur. Il n'est pas nécessaire d'être assis sur le siège.
Laissez tourner le moteur 5 minutes au moins avec les leviers de commande en position vitesse maximale en marche avant pour amener le liquide hydraulique à la température de service.
Note: Le levier de commande de déplacement doit être au point mort quand vous effectuez les réglages nécessaires.
Amenez les leviers de commande de déplacement au POINT MORT.
Les languettes de la plaque de commande doivent toucher les plaques de retour au point mort sur les unités hydrauliques.
Réglez la longueur des tiges de commande des pompes en tournant l'écrou dans le sens voulu jusqu'à ce que les roues tournent légèrement en marche arrière (voir Figure 70).
Amenez les leviers de commande de déplacement en position MARCHE ARRIèRE et, tout en appuyant légèrement sur les leviers, laissez les ressorts d'indicateur de marche arrière ramener les leviers au point mort.
Note: Les roues doivent s'arrêter de tourner ou tourner légèrement en arrière.
Note: Vous devrez peut-être déposer le couvercle de la commande de déplacement pour y accéder.

Coupez le moteur.
Débranchez le fil volant du faisceau de câblage et branchez le connecteur au contacteur du siège.
Retirez les chandelles.
Élevez le plateau de coupe et remettez la goupille de hauteur de coupe en place.
Assurez-vous que la machine ne se déplace pas au point mort quand le frein de stationnement est desserré.
Vérifiez l'état de tous les flexibles et conduits hydrauliques, ainsi que le serrage de tous les raccords et branchements avant de mettre le système hydraulique sous pression.
N'approchez pas les mains ni aucune autre partie du corps des fuites en trou d'épingle ou des gicleurs d'où sort du liquide hydraulique sous haute pression.
Utilisez un morceau de papier ou de carton pour détecter les fuites.
Évacuez avec précaution toute la pression du système hydraulique avant toute intervention sur le système.
Consultez immédiatement un médecin en cas d'injection de liquide sous la peau. Toute injection de liquide hydraulique sous la peau doit être éliminée dans les quelques heures qui suivent par une intervention chirurgicale réalisée par un médecin.
Type de liquide hydraulique : Toro® HYPR-OIL™ 500 ou Mobil® 1 15W-50.
Important: Utilisez le liquide spécifié. Tout autre liquide est susceptible d'endommager le système.
Capacité du système hydraulique (sans les filtres) : 4,45 l
| Périodicité d'entretien | Procédure d'entretien |
|---|---|
| À chaque utilisation ou une fois par jour |
|
Laissez refroidir le liquide hydraulique. Vérifiez le niveau d'huile à froid.
Vérifiez le niveau dans le vase d'expansion et faites l'appoint d'huile Toro® HYPR-OIL™ 500 au besoin pour faire monter le niveau jusqu'au repère maximum à froid (FULL COLD).

| Périodicité d'entretien | Procédure d'entretien |
|---|---|
| Après les 75 premières heures |
|
| Toutes les 250 heures |
|
| Toutes les 500 heures |
|
Vidangez l'huile et remplacez les filtres en même temps. Ne réutilisez pas l'huile. Purgez l'air du système après avoir remplacé les filtres et fait l'appoint d'huile. Voir Purge du système hydraulique.
Répétez la procédure de purge jusqu'à ce que l'huile reste au niveau du repère MAXIMUM à FROID dans le vase d'expansion après la purge. Si cette procédure n'est pas effectuée correctement, la transmission de la boîte-pont peut être endommagée irrémédiablement.
Coupez le moteur, attendez l'arrêt de toutes les pièces mobiles et laissez refroidir le moteur, puis enlevez la clé de contact et serrez le frein de stationnement.
Trouvez le filtre et les protections sur chaque transmission de la boîte-pont (Figure 72).
Retirez les 3 vis de fixation de la protection et enlevez la protection (Figure 72).

Nettoyez soigneusement la zone autour des filtres.
Important: Ne faites pas pénétrer d'impuretés dans le système hydraulique pour éviter de le contaminer.
Placez un bac de vidange sous le filtre pour récupérer l'huile qui s'écoule quand le filtre et les bouchons d'aération sont retirés.
Trouvez et enlevez le bouchon d'aération sur chaque transmission.
Dévissez et déposez le filtre, puis vidangez l'huile de la transmission.
Répétez cette procédure pour les deux filtres.
Appliquez une fine couche d'huile sur la surface du joint en caoutchouc de chaque filtre.
Vissez le filtre dans le sens horaire jusqu'à ce que le joint en caoutchouc rejoigne l'adaptateur, puis serrez-le encore de ¾ à 1 tour.
Répétez la procédure pour le filtre opposé.
Remontez les protections sur les filtres à leur emplacement d'origine.
Fixez les protections des filtres avec les 3 vis.
Vérifiez que les bouchons d'aération sont retirés avant de faire l'appoint d'huile.
Versez lentement l'huile spécifiée dans le vase d'expansion jusqu'à ce qu'elle ressorte par l'orifice de l'un des bouchons d'aération.
Mettez le bouchon d'aération en place.
Serrez le bouchon à 20 N·m.
Continuez de verser de l'huile dans le vase d'expansion jusqu'à ce qu'elle ressorte par le dernier trou de bouchon d'aération sur la seconde transmission.
Mettez en place le bouchon d'aération opposé.
Serrez le bouchon à 20 N·m.
Continuez d'ajouter de l'huile dans le vase d'expansion jusqu'à ce que le niveau atteigne le repère MAXIMUM à FROID (FULL COLD) sur le vase d'expansion.
Passez à Purge du système hydraulique.
Important: La transmission de la boîte-pont risque d'être irrémédiablement endommagée si vous n'effectuez pas la purge du système hydraulique après avoir remplacé les filtres hydrauliques et vidangé l'huile.

Soulevez l'arrière de la machine juste assez pour permettre aux roues motrices de tourner librement et placez des chandelles (ou des supports équivalents) sous la machine.

Mettez le moteur en marche et placez la commande d'accélérateur à mi-course, puis desserrez le frein de stationnement.
Amenez les leviers de dérivation à la position voulue pour pousser la machine. Les vannes de dérivation étant ouvertes et le moteur en marche, actionnez lentement les leviers de commande de déplacement vers l'avant et l'arrière à 5 ou 6 reprises.
Placez les leviers de dérivation à la position voulue pour utiliser la machine.
Les vannes de dérivation étant fermées et le moteur en marche, actionnez lentement les leviers de commande de déplacement vers l'avant et l'arrière à 5 ou 6 reprises.
Coupez le moteur et vérifiez le niveau d'huile dans le vase d'expansion. Faites l'appoint d'huile spécifiée jusqu'à ce que le niveau atteigne le repère MAXIMUM à FROID (FULL COLD) sur le vase d'expansion.
Répétez l'opération 2 jusqu'à ce que le système soit entièrement purgé d'air.
Note: La boîte-pont est purgée correctement lorsqu'elle fonctionne à un niveau sonore normal et en douceur aux vitesses normales en marche avant et en marche arrière.
Contrôlez une dernière fois le niveau d'huile dans le vase d'expansion. Faites l'appoint d'huile spécifiée jusqu'à ce que le niveau atteigne le repère MAXIMUM à FROID (FULL COLD) sur le vase d'expansion.
Placez la tondeuse sur une surface plane et horizontale.
Désengagez la commande des lames (PDF), amenez les leviers de commande de déplacement en position de VERROUILLAGE AU POINT MORT et serrez le frein de stationnement.
Avant de quitter la position d'utilisation, coupez le moteur, retirez la clé de contact et attendez l'arrêt complet de toutes les pièces mobiles.
Contrôlez la pression des pneus des roues motrices. Voir Contrôle de la pression des pneus.
Placez le plateau de coupe à la position de verrouillage de transport.
Avec précaution, tournez les lames pour qu'elles soient parallèles dans le sens transversal.
Mesurez la distance entre la pointe des lames et la surface plane (Figure 75). Si les deux mesures diffèrent de plus de 5 mm, réglez les lames, ajustez l'horizontalité des lames ; poursuivez cette procédure.

Vérifiez l'inclinaison avant/arrière des lames (Figure 76). Vérifiez que la pointe avant de la lame est plus basse que la pointe arrière, comme montré dans le tableau de hauteur de cale et d'inclinaison. Si un réglage est nécessaire, poursuivez cette procédure.

Placez les galets de protection dans les trous supérieurs ou enlevez-les complètement pour effectuer ce réglage.
Placez une cale (voir le Tableau de hauteur de cale et d'inclinaison) sous le bord arrière de la jupe du plateau de coupe de chaque côté du plateau de coupe (Figure 77).
Réglez le levier de hauteur de coupe à la position 76 mm.
Placez 2 cales sous chaque côté du bord avant du plateau de coupe, mais pas sous les supports ou les soudures des galets anti-scalp.

| Taille duplateau | Hauteur de cale avant | Inclinaison |
| Tous les plateaux de coupe | 7,3 cm | 4,8–6,4 mm |
Tournez les lames avec précaution pour qu'elles soient parallèles dans le sens transversal (Figure 75).
Desserrez les contre-écrous (Figure 78) aux quatre coins de sorte que le tablier repose solidement sur les 4 cales.
Supprimez le jeu des pattes de support du plateau et vérifiez que la pédale de levage du plateau est repoussée contre la butée.
Serrez les 4 contre-écrous.

Vérifiez que les cales sont parfaitement ajustées sous la jupe du plateau de coupe et que tous les boulons sont bien serrés
Poursuivez la procédure de mise à niveau du plateau en contrôlant l'inclinaison avant/arrière des lames.
Vérifiez si les lames sont de niveau et répétez la procédure de réglage au besoin.
Pour garantir une excellente qualité de coupe, les lames doivent toujours être bien affûtées. Il est utile de prévoir une ou plusieurs lames de réserve pour le remplacement et l'affûtage.
Une lame usée ou endommagée peut se briser et projeter le morceau cassé dans votre direction ou celle d'autres personnes, et infliger des blessures graves ou mortelles. N'essayez jamais de réparer une lame endommagée car vous risquez de contrevenir aux normes de sécurité du produit.
Contrôlez l'état et l'usure des lames régulièrement.
Examinez toujours les lames avec prudence. Manipulez les lames avec des gants ou en les enveloppant dans un chiffon, et toujours avec prudence. Limitez-vous à remplacer ou aiguiser les lames ; n'essayez jamais de les redresser ou de les souder.
Sur les machines à plusieurs lames, la rotation d'une lame peut entraîner celle des autres.
Garez la machine sur un sol plat et horizontal, désengagez la commande des lames (PDF) et serrez le frein de stationnement.
Coupez le moteur, retirez la clé et débranchez le fil des bougies.
| Périodicité d'entretien | Procédure d'entretien |
|---|---|
| À chaque utilisation ou une fois par jour |
|
Examinez le tranchant des lames (Figure 79).
Si les lames ne sont pas tranchantes ou présentent des indentations, déposez-les et aiguisez-les ; voir Affûtage des lames.
Inspectez les lames, en particulier l'ailette.
Remplacez immédiatement toute lame fendue, usée ou qui présente une entaille (Figure 79).

Désengagez la commande des lames (PDF), amenez les leviers de commande de déplacement en position de VERROUILLAGE AU POINT MORT et serrez le frein de stationnement.
Avant de quitter la position d'utilisation, coupez le moteur, retirez la clé de contact et attendez l'arrêt complet de toutes les pièces mobiles.
Tournez les lames dans le sens longitudinal.
Mesurez la distance entre la surface plane et le tranchant (position A) des lames (Figure 80).

Tournez les lames pour faire passer les pointes qui sont à l'arrière à l'avant.
Mesurez la distance entre la surface plane et le tranchant des lames, au même endroit que lors de l'opération 4 ci-dessus.
Note: Les mesures obtenues aux opérations 4 et 6 ne doivent pas différer de plus de 3 mm.
Note: Si la différence est supérieure à 3 mm, la lame est faussée et doit être remplacée.
Une lame faussée ou endommagée peut se briser et projeter le morceau cassé dans votre direction ou celle de personnes à proximité, et infliger des blessures graves ou mortelles.
Remplacez toujours une lame faussée ou endommagée par une neuve.
Ne créez jamais d'indentations dans les bords ou à la surface des lames, par exemple en les limant.
Remplacez les lames si elles ont heurté un obstacle, et si elles sont déséquilibrées ou faussées. Pour garantir un rendement optimal et la sécurité continue de la machine, utilisez toujours des lames Toro d'origine. Les lames d'autres constructeurs peuvent entraîner la non-conformité aux normes de sécurité.
Bloquez l'axe de la lame avec une clé.
Enlevez le boulon, la rondelle bombée et la lame de l'axe (Figure 81).

Au moyen d'une lime, aiguisez les tranchants aux deux extrémités de la lame (Figure 82).
Note: Veillez à conserver l'angle de coupe d'origine.
Note: Limez la même quantité de métal sur chacun des deux tranchants pour ne pas déséquilibrer la lame.

Vérifiez l'équilibre de la lame en la plaçant sur un équilibreur (Figure 83).
Note: Si la lame reste horizontale, elle est équilibrée et peut être utilisée.
Note: Si la lame est déséquilibrée, limez un peu l'extrémité de l'ailette seulement (Figure 82).

Répétez la procédure jusqu'à ce que la lame soit équilibrée.
Placez la lame sur l'axe (Figure 84).
Important: Pour une coupe correcte, l'ailette de la lame doit être tournée vers le haut et dirigée vers l'intérieur du carter du plateau de coupe.
Installez la rondelle élastique et le boulon de la lame (Figure 84).
Note: Le cône de la rondelle élastique doit être dirigé vers la tête du boulon (Figure 84).
Serrez le boulon de la lame à un couple de 115 à 150 N·m.

Coupez le moteur, attendez l'arrêt complet de toutes les pièces mobiles et enlevez la clé de contact. Serrez le frein de stationnement.
Retirez la goupille de réglage de la hauteur de coupe et abaissez le plateau au sol.
Insérez la goupille de réglage de la hauteur de coupe à la position 7,6 cm.
Retirez les couvercles de courroie.
Desserrez la poulie de tension et déposez la courroie du plateau de coupe ; voir Entretien des courroies.
Retirez les boulons et les écrous à l'avant de la plaque, sous le repose-pied.
Enlevez et conservez les boulons et écrous de chaque côté de la machine (Figure 85).

Sortez le plateau par le côté droit de la machine.
Si l'ouverture d'éjection n'est pas fermée, la tondeuse peut projeter des objets dans votre direction ou celles d'autres personnes et causer des blessures graves. Un contact avec la lame est également possible.
N'utilisez pas la tondeuse sans l'équiper d'une plaque d'obturation, d'un déflecteur de mulching, d'un déflecteur d'herbe ou d'un bac de ramassage.
Retirez le contre-écrou, le boulon, le ressort et l'entretoise qui fixent le déflecteur aux supports de pivot (Figure 86).
Déposez le déflecteur d'herbe s'il est endommagé ou usé (Figure 86).

Placez une entretoise et un ressort sur le déflecteur d'herbe.
Placez une extrémité en J du ressort derrière le bord du plateau.
Note: Prenez soin de placer une extrémité en J du ressort derrière le bord du plateau avant de mettre le boulon en place, comme montré à la Figure 86.
Remettez le boulon et l'écrou en place.
Accrochez 1 extrémité en J du ressort au déflecteur d'herbe (Figure 86).
Important: Le déflecteur d'herbe doit pouvoir pivoter. Ouvrez complètement le déflecteur d'herbe et vérifiez qu'il peut s'abaisser complètement.
| Périodicité d'entretien | Procédure d'entretien |
|---|---|
| À chaque utilisation ou une fois par jour |
|
Désengagez la commande des lames (PDF), amenez les leviers de commande de déplacement en position de VERROUILLAGE AU POINT MORT et serrez le frein de stationnement.
Avant de quitter la position d'utilisation, coupez le moteur, retirez la clé de contact et attendez l'arrêt complet de toutes les pièces mobiles.
Levez le plateau de coupe en position de transport.
L'huile moteur, les batteries, l'huile hydraulique et le liquide de refroidissement sont polluants pour l'environnement. Débarrassez-vous en conformément à la réglementation nationale et locale en matière d'environnement.
Désengagez la commande des lames (PDF), serrez le frein de stationnement, tournez la clé de contact à la position ARRêT et enlevez la clé.
Débarrassez l'extérieur de la machine, et en particulier le moteur et le système hydraulique, des déchets d'herbe coupée, des saletés et de la crasse. Éliminez les saletés et les débris d'herbe sèche pouvant se trouver sur les ailettes de la culasse et le carter de ventilateur.
Important: Vous pouvez laver la machine avec de l'eau et un détergent doux. N'utilisez pas de nettoyeur haute pression. N'utilisez pas trop d'eau, surtout près du panneau de commande, du moteur, des pompes hydrauliques et des moteurs électriques.
Contrôlez le frein ; voir Réglage du frein de stationnement.
Faites l'entretien du filtre à air ; voir Entretien du filtre à air.
Graissez la machine ; voir Graissage de la machine.
Vidangez l'huile moteur ; voir Vidange de l'huile moteur et remplacement du filtre à huile.
Contrôlez la pression des pneus ; voir Contrôle de la pression des pneus.
Remplacez les filtres hydrauliques ; voir Vidange du liquide hydraulique et remplacement des filtres du système hydraulique.
Chargez la batterie ; voir Charge de la batterie.
Grattez l'herbe et les saletés éventuellement accumulées sur le dessous de la tondeuse, puis lavez cette dernière au tuyau d'arrosage.
Note: Conduisez la machine, avec la commande des lames (PDF) engagée et le moteur tournant à plein régime pendant 2 à 5 minutes après l'avoir lavée.
Vérifiez l'état des lames ; voir Contrôle des lames.
Si vous ne comptez pas utiliser la machine avant plus d'un mois, préparez-la comme suit :
Ajoutez un additif stabilisateur/conditionneur à base de pétrole dans le réservoir de carburant. Respectez les proportions spécifiées par le fabricant du stabilisateur. N'utilisez pas de stabilisateur à base d'alcool (éthanol ou méthanol).
Note: L'efficacité des stabilisateurs/conditionneurs est optimale lorsqu'ils sont mélangés à du carburant frais et sont utilisés de manière systématique.
Faites tourner le moteur pendant 5 minutes pour faire circuler le carburant traité dans tout le circuit d'alimentation.
Coupez le moteur, laissez-le refroidir puis vidangez le réservoir de carburant ; contactez un concessionnaire Toro agréé.
Remettez le moteur en marche et laissez-le tourner jusqu'à ce qu'il s'arrête.
Débarrassez-vous du carburant correctement. Respectez la réglementation locale en matière de recyclage.
Important: Ne conservez pas le carburant traité/additionné de stabilisateur plus de 3 mois.
Contrôlez et resserrez tous les boulons, écrous et vis. Réparez ou remplacez toute pièce endommagée.
Peignez toutes les surfaces métalliques éraflées ou mises à nu. Une peinture pour retouches est disponible chez les concessionnaires-réparateurs agréés.
Rangez la machine dans un endroit propre et sec, comme un garage ou une remise.
Enlevez la clé du commutateur d'allumage et rangez-la en lieu sûr, hors de la portée des enfants ou des personnes non autorisées.
Couvrez la machine pour la protéger et la garder propre.
| Problem | Possible Cause | Corrective Action |
|---|---|---|
| Le démarreur ne fonctionne pas. |
|
|
| Le moteur ne démarre pas, démarre difficilement ou cale. |
|
|
| Le moteur perd de la puissance. |
|
|
| Le moteur surchauffe. |
|
|
| La machine tire à gauche ou à droite (quand les leviers sont complètement en avant).. |
|
|
| La machine ne se déplace pas. |
|
|
| La machine vibre de manière anormale. |
|
|
| La hauteur de coupe obtenue est irrégulière. |
|
|
| Les lames ne tournent pas. |
|
|
| L'embrayage ne s'engage pas. |
|
|
