| Wartungsintervall | Wartungsmaßnahmen |
|---|---|
| Bei jeder Verwendung oder täglich |
|
Dieser Aufsitzer mit Sichelmessern sollte von Privatleuten oder geschulten Lohnarbeitern verwendet werden. Er ist hauptsächlich für das Mähen von Gras auf gepflegten Grünflächen in Privat- oder öffentlichen Anlagen gedacht. Er ist nicht für das Schneiden von Büschen oder für einen landwirtschaftlichen Einsatz gedacht.
Lesen Sie diese Informationen sorgfältig durch, um sich mit dem ordnungsgemäßen Einsatz und der Wartung des Geräts vertraut zu machen und Verletzungen und eine Beschädigung des Geräts zu vermeiden. Sie tragen die Verantwortung für einen ordnungsgemäßen und sicheren Einsatz des Produkts.
Wenden Sie sich hinsichtlich Informationen zu Produkten und Zubehör sowie Angaben zu Ihrem örtlichen Vertragshändler oder zur Registrierung des Produktes direkt an Toro unter www.Toro.com.
Wenden Sie sich an den Toro-Vertragshändler oder Kundendienst, wenn Sie eine Serviceleistung, Originalersatzteile von Toro oder weitere Informationen benötigen. Haben Sie dafür die Modell- und Seriennummern der Maschine griffbereit. In Bild 1 wird der Standort der Modell- und Seriennummern auf dem Produkt angegeben. Tragen Sie hier bitte die Modell- und Seriennummern des Geräts ein.

In dieser Anleitung werden potenzielle Gefahren angeführt, und Sicherheitshinweise werden vom Sicherheitswarnsymbol (Bild 2) gekennzeichnet. Dieses Warnsymbol weist auf eine Gefahr hin, die zu schweren oder tödlichen Verletzungen führen kann, wenn Sie die empfohlenen Sicherheitsvorkehrungen nicht einhalten.

In dieser Anleitung werden zwei Begriffe zur Hervorhebung von Informationen verwendet. Wichtig weist auf spezielle technische Informationen hin, und Hinweis hebt allgemeine Informationen hervor, die Ihre besondere Beachtung verdienen.
Dieses Produkt erfüllt alle relevanten europäischen Richtlinien; weitere Details finden Sie in der produktspezifischen Konformitätserklärung (DOC).
Die Zündanlage entspricht dem kanadischen Standard ICES-002.
Wenn Sie normale Originalgeräteteile und Zubehör entfernen, kann dies die Garantie, den Antrieb und die Sicherheit der Maschine ändern. Wenn Sie keine Toro Originalersatzteile verwenden, kann dies zu schweren oder tödlichen Verletzungen führen. Nicht zugelassene Modifikationen am Motor, an der Kraftstoffanlage oder der Lüftung können gegen Vorschriften verstoßen.
Ersetzen Sie alle Teile, z. B. Reifen, Riemen, Messer und Bestandteile der Kraftstoffanlage mit Toro Originalersatzteilen.
Important: Wenn Sie eine Maschine mit einem Motor von Toro für einen längeren Zeitraum in Lagen über 1.500 m verwenden, stellen Sie sicher, dass das Kit für Hochlagen installiert ist, damit der Motor die CARB- bzw. EPA-Abgasvorschriften einhält. Das Hochlagenkit steigert die Motorleistung und verhindert ein Verrußen der Zündkerzen, Schwierigkeiten beim Anlassen des Motors und erhöhte Abgaswerte. Kleben Sie nach der Installation des Kits den Aufkleber für das Hochlagenkit neben den Seriennummernaufkleber an der Maschine. Wenden Sie sich an den offiziellen Vertragshändler von Toro, um das richtige Hochlagenkit und den richtigen Hochlagenaufkleber für Ihre Maschine zu erhalten. Angaben zum örtlichen Vertragshändler finden Sie auf der Website unter www.Toro.com oder rufen Sie die Kundenbetreuungsabteilung unter den Nummern an, die in der Aussage zur Garantie hinsichtlich der Motorabgasanlage aufgeführt sind.Entfernen Sie das Kit vom Motor und stellen Sie die Originalwerkkonfiguration des Motors wieder her, wenn Sie den Motor in Lagen unter 1.500 m verwenden. Verwenden Sie einen Motor mit Hochlagenkit nicht in niedrigen Lagen, sonst kann der Motor überhitzen und beschädigt werden.Wenn Sie nicht sicher sind, ob die Maschine für einen Einsatz in Hochlagen umgerüstet wurde, suchen Sie den folgenden Aufkleber (Bild 3).

Diese Maschine erfüllt EN ISO 5395:2013.
Dieses Produkt kann Hände und Füße amputieren und Gegenstände aufschleudern. Befolgen Sie zum Vermeiden von schweren Verletzungen immer alle Sicherheitshinweise.
Der zweckfremde Einsatz dieser Maschine kann für Sie und Unbeteiligte gefährlich sein.
Lesen Sie vor dem Starten der Maschine den Inhalt dieser Bedienungsanleitung sorgfältig durch, damit Sie gut darüber Bescheid wissen. Stellen Sie sicher, dass jeder, der das Produkt nutzt, weiß, wie er es benutzen muss und die Warnhinweise versteht.
Halten Sie Hände und Füße von beweglichen Teilen fern.
Bedienen Sie die Maschine niemals, wenn nicht alle Schutzvorrichtungen und Abdeckungen angebracht und funktionstüchtig sind.
Bleiben Sie immer von der Auswurföffnung fern. Halten Sie Unbeteiligte in einem sicheren Abstand zur Maschine.
Halten Sie Kinder aus dem Arbeitsbereich fern. Die Maschine darf niemals von Kindern betrieben werden.
Halten Sie die Maschine an und stellen den Motor aus, ehe Sie Wartungsarbeiten durchführen, Kraftstoff nachfüllen oder Blockierungen beseitigen.
Der unsachgemäße Einsatz oder die falsche Wartung dieser Maschine kann zu Verletzungen führen. Durch das Befolgen dieser Sicherheitshinweise kann das Verletzungsrisiko verringert werden. Achten Sie immer auf das Warnsymbol. Es bedeutet Vorsicht, Warnung oder Gefahr – Hinweise für die Personensicherheit. Wenn diese Hinweise nicht beachtet werden, kann es zu schweren bis tödlichen Verletzungen kommen.
Sie finden weitere Informationen und Sicherheitshinweise in den jeweiligen Abschnitten dieses Handbuchs.

![]() |
Die Sicherheits- und Bedienungsaufkleber sind gut sichtbar; sie befinden sich in der Nähe der möglichen Gefahrenbereiche. Tauschen Sie beschädigte oder verloren gegangene Aufkleber aus oder ersetzen sie. |



























Machen Sie sich mit den Bedienelementen vertraut, bevor Sie den Motor anlassen und die Maschine bedienen (Bild 5 und Bild 6).

Mit dem Zündschloss lassen Sie den Motor des Mähers an. Es hat drei Stellungen: START, LAUF und AUS.
Lassen Sie einen kalten Motor mit Choke an. Ziehen Sie das Choke-Handrad heraus, um es zu aktivieren. Drücken Sie das Choke-Handrad hinein, um es zu deaktivieren (Bild 6).
Die Gasbedienung steuert die Motordrehzahl und hat eine fortlaufend variable Einstellung von SLOW (LANGSAM) bis FAST (SCHNELL) (Bild 6).
Mit dem Zapfwellenantriebsschalter kuppeln Sie die Schnittmesser ein oder aus (Bild 6).
Der Betriebsstundenzähler zeichnet die Stunden auf, die der Motor gelaufen ist. Er ist bei laufendem Motor eingeschaltet. Richten Sie Ihre regelmäßigen Wartungsmaßnahmen nach dieser Angabe (Bild 6).
Auf dem Betriebsstundenzähler zeigen Symbole mit einem schwarzen Dreieck an, dass der Sicherheitsschalter in der richtigen Stellung ist (Bild 7).
Wenn Sie den Zündschlüssel für einige Sekunden auf die EIN-Stellung drehen, wird die Batterieladung im Bereich angezeigt, in dem normalerweise die Betriebsstunden angezeigt werden.
Die Anzeigelampe für die Batterie leuchtet beim Einschalten der Zündung auf oder wenn die Ladung unter dem richtigen Betriebsniveau ist (Bild 7).

Mit den Fahrantriebshebeln fahren Sie die Maschine vorwärts, rückwärts und wenden.
Verwenden Sie die ARRETIERTE NEUTRAL-Stellung wird mit den Sicherheitsschaltern, um die NEUTRAL-Stellung festzulegen.
Schließen Sie für den Transport oder die Einlagerung des Rasenmähers den Kraftstoffhahn (unter dem Sitz).
Ein Sortiment an von Toro zugelassenen Anbaugeräten und Zubehör wird für diese Maschine angeboten, um den Funktionsumfang des Geräts zu erhöhen und zu erweitern. Wenden Sie sich an einen offiziellen Vertragshändler oder navigieren Sie zu www.Toro.com für eine Liste der zugelassenen Anbaugeräte und des Zubehörs.
Note: Technische und konstruktive Änderungen vorbehalten.
| 122-cm-Mähwerk | 132-cm-Mähwerk | |
|---|---|---|
| Ohne Mähwerk | 121 cm | 124 cm |
| Hochgeklapptes Ablenkblech | 133 cm | 144 cm |
| Abgesenktes Ablenkblech | 160 cm | 171 cm |
| 122-cm-Mähwerk | 132-cm-Mähwerk | |
|---|---|---|
| Länge | 208 cm | 208 cm |
| Überrollbügel: Hochgeklappt | Überrollbügel: Zusammengeklappt |
|---|---|
| 179 cm | 125 cm |
| Maschinen | Ballast |
| Maschinen mit 122-cm-Seitenauswurfmähwerk | 385-425 kg |
| Maschinen mit 132-cm-Seitenauswurfmähwerk | 391-434 kg |
Note: Bestimmen Sie die linke und rechte Seite der Maschine anhand der üblichen Einsatzposition.
Kinder oder nicht geschulte Personen dürfen die Maschine weder verwenden noch warten. Örtliche Vorschriften schränken u. U. das Mindestalter von Bedienern ein. Der Besitzer ist für die Schulung aller Bediener und Mechaniker verantwortlich.
Machen Sie sich mit dem sicheren Einsatz des Geräts, der Bedienelemente und den Sicherheitszeichen vertraut.
Sie müssen wissen, wie Sie die Maschine und den Motor schnell stoppen können.
Prüfen Sie, ob alle elektronischen Sicherheiten, Sicherheitsschalter und Schutzbleche montiert und funktionsfähig sind. Nehmen Sie die Maschine nur in Betrieb, wenn diese richtig funktionieren.
Überprüfen Sie vor jedem Mähen, ob die Schnittmesser, -schrauben und das Mähwerk funktionsfähig sind. Tauschen Sie abgenutzte oder defekte Messer und -schrauben als komplette Sätze aus, um die Wucht der Messer beizubehalten.
Prüfen Sie den Arbeitsbereich gründlich und entfernen Sie alle Objekte, die von der Maschine aufgeschleudert werden könnten.
Beurteilen Sie das Gelände, um festzulegen, welche Anbaugeräte und Zubehör erforderlich sind, um die Maschine ordnungsgemäß und sicher bedienen zu können.
Passen Sie beim Umfang mit Kraftstoff besonders auf, um Körperverletzungen oder Sachschäden zu vermeiden. Kraftstoffdämpfe sind extrem leicht entflammbar und hochexplosiv.
Löschen Sie alle Zigaretten, Zigarren, Pfeifen und sonstigen Zündquellen.
Verwenden Sie nur einen vorschriftsmäßigen Kraftstoffkanister.
Entfernen Sie nie den Tankdeckel oder füllen Kraftstoff ein, wenn der Motor läuft oder noch heiß ist.
Betanken Sie die Maschine nicht in geschlossenen Räumen.
Lagern Sie weder die Maschine noch den Kraftstoffkanister in der Nähe von offenen Flammen, Funken oder Zündflammen wie z. B. bei einem Heizkessel oder sonstigen Geräten.
Füllen Sie Kanister nie im Fahrzeug oder auf der Ladepritsche eines Pritschenwagens oder Anhängers mit einer Verkleidung aus Kunststoff. Stellen Sie Kanister vor dem Auffüllen immer vom Fahrzeug entfernt auf den Boden.
Nehmen Sie das Gerät vom Pritschenwagen bzw. Anhänger und betanken es auf dem Boden. Falls das nicht möglich ist, betanken Sie solche Geräte mit einem tragbaren Kanister und nicht an einer Zapfsäule.
Setzen Sie die Maschine nicht ohne vollständig montierte und betriebsbereite Auspuffanlage ein.
Der Stutzen sollte den Rand des Benzinkanisters oder die Behälteröffnung beim Auftanken ständig berühren. Verwenden Sie nicht ein Mundstück-Öffnungsgerät.
Wechseln Sie sofort Ihre Kleidung, wenn Kraftstoff darauf verschüttet wird. Wischen Sie verschütteten Kraftstoff auf.
Füllen Sie den Kraftstofftank nie zu voll. Tauschen Sie den Tankdeckel aus und ziehen ihn fest.
Bewahren Sie Kraftstoff in vorschriftsmäßigen Kanistern für Kinder unzugänglich auf. Kaufen Sie nie mehr als einen Monatsvorrat an Kraftstoff.
Füllen Sie den Kraftstofftank nicht ganz auf. Füllen Sie so lange Kraftstoff in den Tank, bis der Füllstand 6 bis 13 mm unterhalb der Unterseite des Füllstutzens steht. In dem verbleibenden freien Platz im Tank kann sich der Kraftstoff ausdehnen.
Vermeiden Sie das langfristige Einatmen von Benzindämpfen.
Halten Sie Ihr Gesicht vom Füllstutzen und der Öffnung des Kraftstofftanks fern.
Vermeiden Sie einen Kontakt mit der Haut; waschen Sie Verschüttungen mit Seifenlauge ab.
Die besten Ergebnisse erhalten Sie, wenn Sie sauberes, frisches (weniger als 30 Tage altes), bleifreies Benzin mit einer Mindestoktanzahl von 87 (R+M)/2 verwenden.
Ethanol: Kraftstoff mit 10 % Ethanol oder 15 % MTBE (Methyl-tertiär-butylether) (Volumenanteil) ist auch geeignet. Ethanol und MTBE sind das Gleiche. Kraftstoff mit 15 % Ethanol (E15) (Volumenanteil) ist nicht zulässig. Verwenden Sie niemals Benzin, das aus mehr als 10 % Ethanol (Volumenanteil) wie E15 (aus 15 % Ethanol), E20 (aus 20 % Ethanol) oder E85 (aus bis zu 85 % Ethanol) besteht. Die Verwendung von nicht zulässigem Benzin kann zu Leistungsproblemen und/oder Motorschäden führen, die ggf. nicht von der Garantie abgedeckt sind.
Verwenden Sie kein methanolhaltiges Benzin.
Lagern Sie keinen Kraftstoff im Kraftstofftank oder in Kraftstoffbehältern über den Winter, wenn Sie keinen Kraftstoffstabilisator verwenden.
Vermischen Sie nie Benzin mit Öl.
Die Verwendung eines Kraftstoffstabilisators in der Maschine bringt folgende Vorteile mit sich:
Kraftstoff bleibt während der Einlagerung bis zu 90 Tagen frisch (leeren Sie den Kraftstofftank, wenn Sie die Maschine länger als 90 Tage einlagern)
Der Motor wird gereinigt, während er läuft.
Dadurch wird ein Verharzen der Kraftstoffanlage verhindert, wodurch das Anlassen erleichtert wird.
Important: Verwenden Sie keine Zusätze, die Methanol oder Ethanol enthalten.
Mischen Sie dem Kraftstoff die richtige Stabilisatormenge bei.
Note: Ein Stabilisator ist am effektivsten, wenn er frischem Kraftstoff beigemischt wird. Verwenden Sie, um das Risiko von Ablagerungen in der Kraftstoffanlage zu minimieren, immer einen Stabilisator.
Stellen Sie die Maschine auf einer ebenen Fläche ab.
Stellen Sie den Motor ab und aktivieren Sie die Feststellbremse.
Reinigen Sie den Bereich um den Tankdeckel.
Füllen Sie den Kraftstofftank bis zur Unterseite des Füllstutzens (Bild 8).
Note: Füllen Sie den Kraftstofftank nicht ganz auf. Der Freiraum im Tank ist für die Ausdehnung des Benzins erforderlich.

Prüfen Sie vor dem Anlassen des Motors und vor der Inbetriebnahme der Maschine erst den Ölstand im Kurbelgehäuse, siehe Prüfen des Motorölstands.
Ein neuer Motor braucht etwas Zeit, bevor er die ganze Leistung erbringt. Neue Mähwerke und Antriebssysteme haben eine höhere Reibung und belasten den Motor mehr. Die Einfahrzeit für neue Maschinen beträgt ungefähr 40 bis 50 Stunden. Danach erbringt der Motor die ganze Leistung und beste Performance.
Zur Vermeidung von ggf. tödlichen Verletzungen durch Überschlagen sollten Sie Folgendes tun: Ganzes Aufstellen und Arretieren des Überrollbügels und Anlegen des Sicherheitsgurts.
Stellen Sie sicher, dass der Sitz an der Maschine befestigt ist.
Es besteht kein Überrollschutz, wenn der Überrollbügel abgesenkt ist.
Senken Sie den Überrollbügel nur dann ab, wenn es wirklich erforderlich ist.
Legen Sie bei abgesenktem Überrollbügel keinen Sicherheitsgurt an.
Fahren Sie langsam und vorsichtig.
Richten Sie den Überrollbügel sofort wieder auf, wenn die Höhe es zulässt.
Achten Sie sorgfältig auf die lichte Höhe (wie z. B. zu Ästen, Pforten, Stromkabeln), bevor Sie unter irgendeinem Hindernis durchfahren, damit Sie diese nicht berühren.
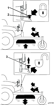
Important: Senken Sie den Überrollbügel nur ab, wenn es wirklich erforderlich ist.
Wenden Sie Druck auf den oberen Teil des Überrollbügels an, um ihn zusammenzuklappen.
Ziehen Sie beide Handräder heraus und drehen sie um 90°, damit sie nicht eingerastet sind (Bild 9).
Senken Sie den Überrollbügel ab (Bild 9).

Zum Hochklappen des Überrollbügels heben Sie ihn in die Betriebsstellung an und drehen die Handräder, bis sie sich teilweise in den Schlitzen bewegen (Bild 9).
Klappen Sie den Überrollbügel ganz hoch und drücken Sie gleichzeitig auf den oberen Überrollbügel, damit die Stifte einrasten, wenn die Löcher mit den Stiften ausgefluchtet sind (Bild 9).
Important: Legen Sie immer den Sicherheitsgurt an, wenn der Überrollbügel aufgerichtet ist.
Wenden Sie Druck auf den Überrollbügel an, um sicherzustellen, dass die Stifte eingerastet sind.
Lesen Sie bitte alle Sicherheitsanweisungen und Symbolerklärungen im Sicherheitsabschnitt gründlich durch. Kenntnis dieser Angaben kann Ihnen und Unbeteiligten dabei helfen, Verletzungen zu vermeiden.
Ein Einsatz des Geräts auf nassem Gras oder auf steilen Hängen kann zu Rutschen und zu einem Verlust der Fahrzeugkontrolle führen.
Setzen Sie das Gerät nicht auf Gefällen ein, die mehr als 15 Grad aufweisen.
Verringern Sie auf Hanglagen die Geschwindigkeit und passen Sie besonders auf.
Setzen Sie die Maschine nicht in der Nähe von Gewässern ein.
Räder, die über Kanten abrutschen, können zum Überschlagen des Fahrzeugs und zu schweren oder tödlichen Verletzungen oder Ertrinken führen.
Setzen Sie die Maschine nicht in der Nähe von Abhängen ein.
Der Einsatz der Maschine mit zusammengeklapptem Überrollbügel kann beim Überschlagen der Maschine zu schweren oder tödlichen Verletzungen führen.
Stellen Sie den Überrollbügel immer ganz auf und arretieren ihn. Legen Sie den Sicherheitsgurt an.

Der Geräuschpegel dieser Maschine beträgt am Ohr des Bedieners mehr als 85 dBA, und dies kann bei einem längeren Einsatz Gehörschäden verursachen.
Tragen Sie während des Arbeitseinsatzes der Maschine einen Gehörschutz.
Tragen Sie eine Schutzbrille, einen Gehörschutz, Handschuhe, Arbeitsschuhe und einen Helm.

Wenn die Sicherheitsschalter abgeklemmt oder beschädigt sind, kann die Maschine unerwartet aktiviert werden und Verletzungen verursachen.
An den Sicherheitsschaltern dürfen keine Veränderungen vorgenommen werden.
Prüfen Sie die Funktion der Sicherheitsschalter täglich und tauschen Sie alle defekten Schalter vor dem Verwenden der Maschine aus.
Die Sicherheitsschalter verhindern das Anlassen des Motors, außer in folgenden Situationen:
Die Feststellbremse ist aktiviert.
Der Zapfwellenantriebsschalter ist ausgekuppelt.
Die Fahrantriebshebel sind in der ARRETIERTEN NEUTRAL-Stellung.
Die Sicherheitsschalter stellen auch den Motor ab, wenn die Fahrantriebshebel bei aktivierter Feststellbremse aus der gesperrten Stellung bewegt werden, oder wenn Sie bei aktivierter Zapfwelle vom Sitz aufstehen.
Der Betriebsstundenzähler hat Symbole, die den Bediener darauf hinweisen, dass der Sicherheitsschalter in der richtigen Stellung ist. Wenn der Schalter in der richtigen Stellung ist, leuchtet im relevanten Rechteck ein Dreieck auf.

| Wartungsintervall | Wartungsmaßnahmen |
|---|---|
| Bei jeder Verwendung oder täglich |
|
Testen Sie die Sicherheitsschalter vor jedem Einsatz der Maschine. Lassen Sie, wenn die Sicherheitsschalter nicht wie nachstehend beschrieben funktionieren, diese unverzüglich von einem Vertragshändler reparieren.
Setzen Sie sich auf den Sitz und aktivieren die Feststellbremse, stellen Sie den Zapfwellenantriebsschalter in die EIN-Stellung. Versuchen Sie, den Motor anzulassen. Der Motor darf nicht anspringen.
Setzen Sie sich auf den Sitz, aktivieren die Feststellbremse und stellen Sie den Zapfwellenantriebsschalter in die AUS-Stellung. Schieben Sie einen der Fahrantriebshebel aus der ARRETIERTEN NEUTRAL-Stellung. Versuchen Sie, den Motor anzulassen. Der Motor darf nicht anspringen. Wiederholen Sie die Schritte für den anderen Fahrantriebshebel.
Setzen Sie sich auf den Sitz, aktivieren die Feststellbremse, stellen den Zapfwellenantriebsschalter in die AUS-Stellung und schieben die Fahrantriebshebel in die ARRETIERTE NEUTRAL-Stellung. Lassen Sie dann den Motor an. Lösen Sie bei laufendem Motor die Feststellbremse, aktivieren den Zapfwellenantriebsschalter und stehen etwas vom Sitz auf; der Motor sollte abgestellt werden.
Setzen Sie sich auf den Sitz, aktivieren die Feststellbremse, stellen den Zapfwellenantriebsschalter in die AUS-Stellung und schieben die Fahrantriebshebel in die ARRETIERTE NEUTRAL-Stellung. Lassen Sie dann den Motor an. Zentrieren Sie bei laufendem Motor einen der Fahrantriebshebel und bewegen ihn (vorwärts oder rückwärts); der Motor muss dann abstellen. Wiederholen Sie das Verfahren für den anderen Fahrantriebshebel.
Setzen Sie sich auf den Sitz, lösen die Feststellbremse, stellen den Zapfwellenantriebsschalter in die AUS-Stellung und schieben die Fahrantriebshebel in die ARRETIERTE NEUTRAL-Stellung. Versuchen Sie, den Motor anzulassen. Der Motor darf nicht anspringen.
Der Sitz kann nach vorne und hinten geschoben werden (Bild 13). Stellen Sie den Sitz so ein, dass Sie die Maschine optimal steuern können und komfortabel sitzen.

Der Sitz kann zur Optimierung des Sitzkomforts verstellt werden. Positionieren Sie den Sitz in einer für Sie bequemen Stellung.
Drehen Sie das Handrad zum Verstellen an der Vorderseite solange, bis der gewünschte Komfort erreicht ist (Bild 14).

Verwenden Sie nur von Toro zugelassene Anbaugeräte und zugelassenes Zubehör.
Befestigen Sie einen Frontballast, wenn Sie mehrere Zubehörbefestigungen (z. B. Ladeschaufel- oder Universalbefestigung) an einer der vier Stellen montieren, die in Bild 15 abgebildet sind. Wenden Sie sich für den Frontballast an den Toro Vertragshändler.

Der Besitzer bzw. Bediener ist für Unfälle oder Verletzungen von Dritten sowie Sachschäden verantwortlich und kann diese verhindern.
Tragen Sie geeignete Kleidung, u. a. eine Schutzbrille, rutschfeste Arbeitsschuhe und einen Gehörschutz. Binden Sie lange Haare hinten zusammen und tragen Sie keinen Schmuck.
Bedienen Sie die Maschine nicht, wenn Sie müde oder krank sind oder unter Alkohol- oder Drogeneinfluss stehen.
Nehmen Sie nie Passagiere auf der Maschine mit und halten Sie alle Unbeteiligten und Haustiere von der verwendeten Maschine fern.
Setzen Sie die Maschine nur bei guten Sichtverhältnissen ein, um Löcher sowie andere verborgene Gefahren zu vermeiden.
Vermeiden Sie ein Mähen auf nassem Gras. Bei reduzierter Bodenhaftung kann die Maschine ins Rutschen geraten.
Stellen Sie vor dem Anlassen des Motors sicher, dass alle Antriebe in der Neutral-Stellung sind, dass die Feststellbremse aktiviert ist und Sie in die Bedienungsposition sind.
Halten Sie Ihre Hände und Füße von den Mähwerken fern. Bleiben Sie immer von der Auswurföffnung fern.
Schauen Sie hinter sich und nach unten, um vor dem Rückwärtsfahren sicherzustellen, dass der Weg frei ist.
Seien Sie vorsichtig, wenn Sie sich unübersichtlichen Kurven, Sträuchern, Bäumen und anderen Objekten nähern, die Ihre Sicht behindern können.
Mähen Sie nie in der Nähe von steilen Gefällen, Gräben oder Böschungen. Die Maschine könnte plötzlich umkippen, wenn ein Rad über den Rand fährt oder die Böschung nachgibt.
Stellen Sie die Messer ab, wenn Sie nicht mähen.
Stellen Sie die Maschine ab und prüfen Sie die Messer, wenn Sie mit einem Gegenstand kollidiert sind oder die Maschine ungewöhnlich vibriert. Führen Sie alle erforderlichen Reparaturen durch, ehe Sie die Maschine wieder in Gebrauch nehmen.
Fahren Sie beim Wenden und beim Überqueren von Straßen und Gehsteigen mit der Maschine langsam und vorsichtig. Geben Sie immer Vorfahrt.
Kuppeln Sie den Antrieb des Mähwerks aus und stellen den Motor ab, bevor Sie die Schnitthöhe einstellen (wenn Sie sie nicht von der Bedienerposition aus einstellen können).
Lassen Sie den Motor nie in einem geschlossenen Raum laufen, wo die Auspuffgase nicht entweichen können.
Lassen Sie niemals eine laufende Maschine unbeaufsichtigt zurück.
Führen Sie folgende Schritte vor dem Verlassen der Bedienerposition (einschließlich dem Leeren des Grasfangkorbs oder Entfernen von Verstopfungen vom Auswurfkanal) aus:
Halten Sie die Maschine auf einer ebenen Fläche an.
Kuppeln Sie die Zapfwelle aus und senken die Anbaugeräte ab.
Aktivieren Sie die Feststellbremse
Stellen Sie den Motor ab und ziehen Sie den Zündschlüssel ab.
Warten Sie den Stillstand aller Teile ab.
Fahren Sie die Maschine nie bei Gewitter, bzw. wenn Gefahr durch Blitzschlag besteht.
Verwenden Sie die Maschine nicht als Zugmaschine.
Ändern Sie nicht die Geschwindigkeit des Drehzahlreglers oder überdrehen den Motor.
Verwenden Sie nur von Toro zugelassene(s) Zubehör und Anbaugeräte.
Entfernen Sie den Überrollbügel nicht von der Maschine.
Stellen Sie sicher, dass Sie Ihren Sicherheitsgurt angelegt haben und ihn in einem Notfall schnell lösen können.
Legen Sie immer einen Sicherheitsgurt an, wenn der Überrollbügel aufgeklappt ist.
Achten Sie immer auf hängende Objekte und berühren Sie sie nicht.
Halten Sie den Überrollbügel in einem sicheren Betriebszustand, überprüfen sie ihn regelmäßig auf Beschädigungen und halten Sie alle Befestigungen angezogen.
Ersetzen Sie einen beschädigten Überrollbügel. Führen Sie keine Reparaturen oder Modifikationen daran aus.
Fahren Sie an Hanglagen langsamer und mit erhöhter Vorsicht. Fahren Sie Hänge gerade hinauf oder hinunter. Der Zustand der Grünfläche kann sich auf die Stabilität der Maschine auswirken.
Vermeiden Sie das Wenden an Hanglagen. Wenn Sie die Maschine wenden müssen, wenden Sie möglichst langsam und vorsichtig hangabwärts.
Wenden Sie die Maschine nicht abrupt. Passen Sie beim Wenden der Maschine auf.
Passen Sie besonders auf, wenn Sie die Maschine mit Anbaugeräten einsetzen, die sich auf die Stabilität der Maschine auswirken können.
Aktivieren Sie die Feststellbremse immer, wenn Sie die Maschine anhalten oder unbeaufsichtigt lassen.
Die Feststellbremse verhindert auf Hängen nicht unbedingt, dass sich die Maschine bewegt. Dies kann zu Verletzungen oder Sachschäden führen.
Parken Sie nur auf Hängen, wenn die Räder blockiert sind.


Mit dem Zapfwellenantriebsschalter kuppeln Sie die Schnittmesser und angetriebene Anbaugeräte ein oder aus.
Note: Wird der Zapfwellenantriebsschalter bei einer mittleren oder geringeren Stellung des Gasbedienungshebels eingekuppelt, führt dies zu einem extremen Verschleiß der Treibriemen.


Sie können die Gasbedienung zwischen der SCHNELL- und LANGSAM-Stellung bewegen (Bild 20).
Verwenden Sie immer die SCHNELL-Stellung, wenn Sie das Mähwerk mit dem Zapfwellenantriebsschalter einschalten.

Lassen Sie einen kalten Motor mit Choke an.
Drehen Sie den Zündschlüssel auf die START-Stellung (Bild 22).
Note: Lassen Sie den Schlüssel los, wenn der Motor anspringt.
Important: Lassen Sie den Anlasser niemals länger als 5 Sekunden lang ununterbrochen drehen. Wenn der Motor nicht anspringt, lassen Sie den Anlasser 15 Sekunden zwischen weiteren Versuchen abkühlen. Das Nichtbefolgen dieser Vorschrift kann zum Durchbrennen des Anlassers führen.
Note: Unter Umständen müssen Sie beim ersten Anlassen des Motors nach einem Abstellen aufgrund von Kraftstoffmangel mehrere Startversuche unternehmen.

Drehen Sie den Zündschlüssel in die STOPP-Stellung, um den Motor abzustellen.
Klappen Sie den Überrollbügel auf und arretieren ihn, setzen Sie sich auf den Sitz und legen den Sicherheitsgurt an.
Stellen Sie die Fahrantriebshebel in die ARRETIERTE NEUTRAL-Stellung.
Aktivieren Sie die Feststellbremse, siehe Aktivieren der Feststellbremse.
Stellen Sie den Zapfwellenantriebsschalter in die AUS-Stellung (Bild 23).
Bewegen Sie den Gasbedienungshebel zwischen die Stellung LANGSAM und SCHNELL.

Drehen Sie den Zündschlüssel auf die START-Stellung (Bild 24).
Note: Lassen Sie den Schlüssel los, sobald der Motor anspringt.
Important: Lassen Sie den Anlasser niemals länger als 5 Sekunden lang ununterbrochen drehen. Wenn der Motor nicht anspringt, lassen Sie den Anlasser 15 Sekunden lang abkühlen, bevor Sie erneut versuchen, den Motor anzulassen. Das Nichtbefolgen dieser Vorschrift kann zum Durchbrennen des Anlassers führen.
Note: Unter Umständen müssen Sie beim ersten Anlassen eines Motors nach einem Abstellen infolge von Kraftstoffmangel mehrere Startversuche unternehmen.

Kinder und Unbeteiligte können verletzt werden, wenn sie die unbeaufsichtigt zurückgelassene Maschine bewegen oder einsetzen.
Ziehen Sie immer den Zündschlüssel ab und aktivieren Sie die Feststellbremse, wenn die Maschine unbeaufsichtigt bleibt, auch wenn es nur ein paar Minuten sind.
Schieben Sie die Gasbedienung in die SCHNELL-Stellung und drehen Sie das Zündschloss in die AUS-Stellung.

Important: Stellen Sie sicher, dass der Kraftstoffhahn vor dem Transport oder Einlagern der Maschine geschlossen ist, sonst kann Kraftstoff auslaufen. Aktivieren Sie vor dem Transport die Feststellbremse. Ziehen Sie auf jeden Fall den Zündschlüssel ab, da die Kraftstoffpumpe sonst laufen und die Batterie entladen kann.

Die Antriebsräder drehen sich unabhängig und werden von Hydraulikmotoren an jeder Achse angetrieben. Daher kann eine Seite rückwärts und die andere vorwärts fahren, sodass sich die Maschine dreht statt wendet. Dies verbessert die Manövrierfähigkeit der Maschine, bedeutet jedoch ggf. eine gewisse Anpassung, bis Sie damit vertraut sind.
Sie können die Motordrehzahl mit dem Gasbedienungshebel einstellen, die in U/min (Umdrehungen pro Minute) gemessen wird. Stellen Sie den Gasbedienungshebel für die optimale Leistung in die SCHNELL-Stellung. Mähen Sie immer mit Vollgas.
Die Maschine kann sich sehr schnell drehen. Dadurch kann der Fahrer die Kontrolle über die Maschine verlieren, was zu Verletzungen und Maschinenschäden führen kann.
Wenden Sie nur vorsichtig.
Reduzieren Sie vor scharfen Wendungen die Geschwindigkeit.
Note: Der Motor stellt ab, wenn Sie die Fahrantriebshebel bei aktivierter Feststellbremse bewegen.
Ziehen Sie die Fahrantriebshebel zum Anhalten auf die NEUTRAL-Stellung zurück.
Lösen Sie die Feststellbremse, siehe Lösen der Feststellbremse.
Stellen Sie die Hebel in die zentrale, entriegelte Position.
Drücken Sie die Fahrantriebshebel langsam nach vorne, um vorwärtszufahren (Bild 27).

Stellen Sie die Hebel in die mittlere, entriegelte Stellung.
Ziehen Sie zum Rückwärtsfahren die Fahrantriebshebel langsam nach hinten (Bild 28).

Der Transportriegel hat zwei Stellungen und wird mit dem Mähwerkhubpedal verwendet. In der Transportstellung des Mähwerks gibt es eine ARRETIERTE und eine NICHT ARRETIERTE Stellung (Bild 29).

Sie können die Schnitthöhe in Schritten von 6 mm durch das Umstecken des Schnitthöhenstifts in verschiedene Löcher von 38 mm bis 127 mm einstellen.
Stellen Sie den Transportriegel auf die ARRETIERTE Stellung.
Treten Sie mit dem Fuß auf das Mähwerkhubpedal und heben Sie das Mähwerk in die TRANSPORT-Stellung an (d. h. die Schnitthöhe von 127 mm), wie in Bild 30 abgebildet.
Entfernen Sie den Splint zum Einstellen der Schnitthöhe aus der Schnitthöhenhalterung (Bild 30).
Wählen Sie ein Loch in der Schnitthöhenhalterung, das der gewünschten Schnitthöhe entspricht, und stecken Sie den Stift ein (Bild 30).
Üben Sie Druck auf den Mähwerkhub aus, ziehen Sie den Transportriegel nach oben und senken Sie das Mähwerk langsam ab.

Wir empfehlen Ihnen, die Antiskalpierrollen jedes Mal einzustellen, wenn Sie die Schnitthöhe ändern.
Kuppeln Sie den Zapfwellenantriebsschalter aus, stellen die Fahrantriebshebel in die ARRETIERTE NEUTRAL-Stellung und aktivieren die Feststellbremse.
Stellen Sie vor dem Verlassen des Fahrersitzes den Motor ab, ziehen Sie den Schlüssel ab und warten Sie, bis alle beweglichen Teile zum Stillstand gekommen sind.


Stellen Sie zum Anhalten der Maschine die Fahrantriebshebel auf die Neutral-Stellung und dann in die ARRETIERTE NEUTRAL-Stellung, kuppeln Sie den Zapfwellenantriebsschalter aus und drehen die Zündung auf AUS.
Aktivieren Sie die Feststellbremse, wenn Sie die Maschine verlassen, siehe Aktivieren der Feststellbremse. Ziehen Sie den Zündschlüssel ab.
Kinder und Unbeteiligte können verletzt werden, wenn sie die unbeaufsichtigt zurückgelassene Maschine bewegen oder einsetzen.
Ziehen Sie immer den Zündschlüssel ab und aktivieren Sie die Feststellbremse, wenn die Maschine unbeaufsichtigt bleibt, auch wenn es nur ein paar Minuten sind.
Das Mähwerk hat ein schwenkbares Ablenkblech, das Schnittgut zur Seite und nach unten auf die Grünfläche lenkt.
Wenn ein Ablenkblech, eine Auswurfkanalabdeckung oder ein Fangsystem nicht montiert sind, sind der Bediener und Unbeteiligte der Gefahr eines Kontakts mit dem Messer und ausgeschleuderten Gegenständen ausgesetzt. Kontakt mit dem drehenden Schnittmesser oder ausgeschleuderten Gegenständen führt zu Verletzung (möglicherweise tödlichen Verletzungen).
Entfernen Sie nie das Ablenkblech vom Mäher, weil es Material nach unten auf die Grünfläche lenkt. Wechseln Sie das Ablenkblech sofort aus, wenn es beschädigt ist.
Stecken Sie nie Hände oder Füße unter den Rasenmäher.
Versuchen Sie nie, den Auswurfbereich oder die Schnittmesser zu räumen, ohne den Zapfwellenantriebsschalter in die AUS-Stellung zu schieben und den Zündschlüssel in die AUS-Stellung zu drehen und abzuziehen.
Stellen Sie sicher, dass das Ablenkblech nach unten abgesenkt ist.
Lassen Sie den Motor für ein optimales Mähen und eine maximale Luftzirkulation in der SCHNELL-Stellung laufen. Zum gründlichen Zerschnetzeln des Schnittguts wird Luft gebraucht. Stellen Sie daher die Schnitthöhe nicht so niedrig ein, dass das Mähwerk vollständig von ungeschnittenem Gras umgeben ist. Versuchen Sie immer, eine Seite des Mähwerks von ungeschnittenem Gras frei zu halten, damit Luft in das Mähwerk angesaugt werden kann.
Lassen Sie das Gras etwas länger als normal, um sicherzustellen, dass das Mähwerk keine Bodenunebenheiten skalpiert. Meist ist aber die in der Vergangenheit verwendete Schnitthöhe die beste. Mähen Sie den Rasen zweimal, wenn Sie Gras schneiden, das länger als 15 cm ist, damit Sie eine gute Schnittqualität sicherstellen.
Sie sollten nur ungefähr ein Drittel des Grashalms abschneiden. Wir empfehlen Ihnen nicht, mehr abzuschneiden, außer bei spärlichem Graswuchs oder im Spätherbst, wenn das Gras langsamer wächst.
Wechseln Sie die Mährichtung, damit das Gras aufrecht stehen bleibt. Dadurch wird auch das Schnittgut besser verteilt, was wiederum die Zersetzung und Düngung verbessert.
Gras wächst zu verschiedenen Zeiten während der Saison unterschiedlich schnell. Mähen Sie zum Beibehalten derselben Schnitthöhe zu Beginn des Frühlings häufiger. Sie können jedoch nicht so häufig mähen, wenn die Wachstumsrate des Grases im Sommer abnimmt. Mähen Sie zunächst, wenn der Rasen längere Zeit nicht gemäht wurde, bei einer höheren Schnitthöheneinstellung und dann zwei Tage später mit einer niedrigeren Einstellung noch einmal.
Fahren Sie zur Verbesserung der Schnittqualität bei bestimmten Konditionen langsamer.
Heben Sie die Schnitthöhe an, um sicherzustellen, dass Sie eine unebene Grünfläche nicht abschürfen.
Wenn Sie die Maschine beim Mähen im Vorwärtsgang anhalten müssen, kann ein Schnittgutklumpen auf den Rasen fallen. Sie können dies vermeiden, wenn Sie mit eingekuppelten Schnittmessern auf einen bereits gemähten Bereich fahren, oder Sie können das Mähwerk auskuppeln, während Sie vorwärts fahren.
Entfernen Sie nach jedem Einsatz Schnittgut und Schmutz von der Unterseite des Mähwerks. Wenn sich im Mähwerk Gras und Schmutz ansammeln, verschlechtert sich schließlich die Schnittqualität.
Sorgen Sie während der ganzen Mähsaison für ein scharfes Schnittmesser, weil ein scharfes Messer sauber schneidet, ohne die Grashalme abzureißen oder zu zerfetzen. Abgerissene Grashalme werden an den Kanten braun. Dadurch reduziert sich das Wachstum, und die Anfälligkeit des Rasens für Krankheiten steigt. Prüfen Sie die Schnittmesser nach jeder Verwendung auf Schärfe und Anzeichen von Abnutzung oder Schäden. Feilen Sie alle Auskerbungen aus und schärfen Sie ggf. die Messer. Wenn ein Messer beschädigt oder abgenutzt ist, ersetzen Sie es nur durch Toro-Originalersatzmesser.
Entfernen Sie Gras und Schmutz von den Mähwerken, den Auspuffen und dem Motorraum, um einem Brand vorzubeugen. Wischen Sie Öl- und Kraftstoffverschüttungen auf.
Schließen Sie den Kraftstoffhahn, bevor Sie die Maschine einlagern oder transportieren.
Kuppeln Sie den Antrieb des Anbaugerätes aus, wenn Sie die Maschine transportieren oder nicht verwenden.
Verwenden Sie durchgehenden Rampen für das Verladen der Maschine auf einen Anhänger oder Pritschenwagen.
Vergurten Sie die Maschine mit Riemen, Ketten, Kabel oder Seilen. Die vorderen und hinteren Gurte sollten nach unten und außerhalb der Maschine verlaufen.
Lassen Sie den Motor abkühlen, bevor Sie die Maschine in einem geschlossenen Raum abstellen.
Schließen Sie den Kraftstoffhahn, bevor Sie die Maschine einlagern oder transportieren.
Lagern Sie die Maschine oder den Benzinkanister nie an Orten mit offener Flamme, Funken oder Zündflamme, z. B. Warmwasserbereiter, oder andere Geräte.
Der Kraftstoffhahn befindet sich hinter dem Sitz.
Schließen Sie den Kraftstoffhahn vor dem Transport, der Wartung oder der Einlagerung.
Stellen Sie sicher, dass der Kraftstoffhahn geöffnet ist, wenn Sie den Motor anlassen.


Hände können mit den sich drehenden Antriebskomponenten unter dem Motorchassis in Berührung kommen; dies kann zu schweren Verletzungen führen.
Stellen Sie den Motor ab, ziehen Sie den Zündschlüssel ab und warten Sie, bis alle drehenden Teile zum Stillstand gekommen sind, bevor Sie die Ablassventile des Antriebsrads berühren.
Der Motor- und Hydraulikantrieb kann sehr heiß werden. Wenn Sie einen heißen Motor- oder Hydraulikantrieb anfassen, können Sie schwere Verbrennungen erhalten.
Lassen Sie den Motor- und Hydraulikantrieb ganz abkühlen, bevor Sie die Ablassventile des Antriebrads zugänglich machen.
Die Ablassventile für das Antriebsrad befinden sich an der rechten und linken Seite unter dem Motorraum.
Kuppeln Sie den Zapfwellenantriebsschalter aus, stellen die Zündung in die Aus-Stellung, bewegen die Hebeln in die ARRETIERTE NEUTRAL-Stellung, aktivieren die Feststellbremse und ziehen den Zündschlüssel ab.
Die Bypasshebel befinden sich hinter dem Sitz unten an der rechten und linken Seite des Rahmens.
Zum Schieben der Maschine bewegen Sie die beiden Bypasshebel nach hinten und arretieren sie (Bild 34).
Lösen Sie die Feststellbremse, bevor Sie die Maschine schieben.

Zum Fahren mit der Maschine bewegen Sie die beiden Bypasshandräder in die VORWäRTS-Stellung und arretieren sie (Bild 34).
Verwenden Sie einen robusten Anhänger oder Pritschenwagen zum Transportieren der Maschine. Stellen Sie sicher, dass der Anhänger oder Pritschenwagen über die erforderliche Beleuchtung und Markierungen verfügt, die laut Straßenverkehrsordnung erforderlich ist. Lesen Sie alle Sicherheitsvorschriften sorgfältig durch. Die Kenntnis dieser Informationen trägt entscheidend dazu bei, Verletzungen zu vermeiden.
Das Fahren auf Straßen und Wegen ohne Blinker, Scheinwerfer, Reflektormarkierungen oder einem Schild für langsame Fahrzeuge ist gefährlich und kann zu Unfällen mit Verletzungsgefahr führen.
Fahren Sie die Maschine nicht auf einer öffentlichen Straße oder einem öffentlichen Fahrweg.
Transportieren der Maschine:
Wenn Sie einen Anhänger verwenden, schließen Sie ihn an die Zugmaschine an und schließen die Sicherheitsketten an.
Schließen Sie ggf. die Anhängerbremsen an.
Laden Sie die Maschine auf den Anhänger oder Pritschenwagen.
Stellen Sie den Motor ab, ziehen Sie den Schlüssel ab, aktivieren die Bremse und schließen den Kraftstoffhahn.
Befestigen Sie die Maschine mit den Vergurtungsschleifen aus Metall, Ketten, Kabel oder Seilen am Anhänger oder Pritschenwagen (Bild 35).

Passen Sie besonders auf, wenn Sie die Maschine auf einen Anhänger oder Pritschenwagen verladen oder von dort herunterfahren. Verwenden Sie für diesen Schritt eine Rampe über die ganze Breite, die breiter als die Maschine ist. Sie sollten immer rückwärts eine Rampe hochfahren und vorwärts von ihr herunterfahren (Bild 36).

Important: Verwenden Sie keine schmalen Einzelrampen für jede Seite der Maschine.
Beim Verladen einer Maschine auf einen Anhänger oder Pritschenwagen erhöht sich die Gefahr, dass die Maschine umkippt und schwere oder tödliche Verletzungen verursacht (Bild 37).
Gehen Sie beim Fahren einer Maschine auf einer Rampe mit äußerster Vorsicht vor.
Verwenden Sie nur eine einzige Rampe über die ganze Breite, keine einzelnen Rampen für jede Maschinenseite.
Überschreiten Sie nicht einen Winkel von 15 Grad zwischen Rampe und Boden oder zwischen Rampe und Anhänger oder Pritschenwagen.
Stellen Sie sicher, dass die Rampe mindestens viermal länger ist als der Abstand des Anhängers oder Pritschenwagens vom Boden. Dies stellt sicher, dass der Rampenwinkel auf ebener Fläche nicht größer als 15 Grad ist.
Sie sollten immer rückwärts eine Rampe hochfahren und vorwärts von ihr herunterfahren.
Vermeiden Sie eine plötzliche Beschleunigung oder abruptes Bremsen, wenn Sie die Maschine auf eine Rampe fahren, da Sie sonst die Kontrolle verlieren könnten oder die Maschine ggf. kippt.

| Wartungsintervall | Wartungsmaßnahmen |
|---|---|
| Nach fünf Betriebsstunden |
|
| Nach den ersten 75 Stunden |
|
| Bei jeder Verwendung oder täglich |
|
| Alle 25 Betriebsstunden |
|
| Alle 50 Betriebsstunden |
|
| Alle 100 Betriebsstunden |
|
| Alle 200 Betriebsstunden |
|
| Alle 250 Betriebsstunden |
|
| Alle 500 Betriebsstunden |
|
| Monatlich |
|
| Jährlich oder vor der Einlagerung |
|
Important: Beachten Sie für weitere Wartungsmaßnahmen die Bedienungsanleitung.
Wenn Sie den Zündschlüssel im Zündschloss lassen, könnte eine andere Person den Motor versehentlich anlassen und Sie und Unbeteiligte schwer verletzen.
Ziehen Sie vor irgendwelchen Wartungsarbeiten den Zündschlüssel ab.
Führen Sie folgende Schritte vor dem Reparieren der Maschine aus:
Kuppeln Sie die Antriebe aus.
Aktivieren Sie die Feststellbremse.
Stellen Sie den Motor ab und ziehen Sie den Zündschlüssel ab.
Ziehen Sie den Zündkerzenstecker ab.
Stellen Sie die Maschine auf eine ebene Fläche.
Entfernen Sie Gras und Schmutz vom Mähwerk, Antrieben, vom Auspuff und dem Motor, um einem Brand vorzubeugen.
Wischen Sie Öl- und Kraftstoffverschüttungen auf.
Lassen Sie den Motor vor der Einlagerung abkühlen.
Lagern Sie die Maschine oder Kraftstoff nicht in der Nähe von offenem Feuer. Lassen Sie Kraftstoff auch nie in geschlossenen Räumen ab.
Die Maschine sollte nie von ungeschulten Personen gewartet werden.
Stützen Sie die Maschine und/oder die Teile bei Bedarf mit Stützböcken ab.
Lassen Sie den Druck aus Maschinenteilen mit gespeicherter Energie vorsichtig ab.
Klemmen Sie vor dem Durchführen von Reparaturen die Batterie ab und ziehen Sie den Zündkerzenstecker ab. Klemmen Sie immer zuerst den Minuspol und dann den Pluspol ab. Schließen Sie immer zuerst den Pluspol und dann den Minuspol an.
Passen Sie beim Prüfen der Messer auf. Wickeln Sie das/die Messer in einen Lappen ein oder tragen Sie dicke Handschuhe; gehen Sie bei ihrer Wartung mit besonderer Vorsicht vor. Tauschen Sie nur die Messer aus; glätten oder verschweißen Sie sie nicht.
Halten Sie Ihre Hände und Füße von den beweglichen Teilen fern. Bei laufendem Motor sollten keine Einstellungsarbeiten vorgenommen werden.
Halten Sie alle Teile der Maschine in gutem Betriebszustand und alle Befestigungen, besonders die Messerbefestigungschrauben, müssen angezogen sein. Tauschen Sie abgenutzte oder beschädigte Aufkleber aus.
Beeinträchtigen Sie niemals die beabsichtigte Funktion einer Sicherheitsvorkehrung oder den von einer Sicherheitsvorkehrung vorgesehenen Schutz. Prüfen Sie sie regelmäßig auf ihre einwandfreie Funktion.
Besorgen Sie, um die optimale Leistung und Sicherheit zu gewährleisten, nur Toro-Originalersatzteile und -zubehörteile. Ersatzteile und Zubehör anderer Hersteller können gefährlich sein und eine Verwendung könnte die Garantie ungültig machen.
Prüfen Sie die Funktion der Feststellbremse häufig. Stellen Sie die Bremsen bei Bedarf nach oder warten diese.
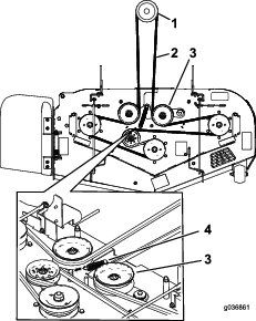
Lösen Sie die obere Schraube der Abdeckung, um die Abdeckung des Mähwerks zu lösen und die Oberseite des Mähwerks zugänglich zu machen (Bild 38). Ziehen Sie die Schrauben nach der Wartung zum Befestigen der Abdeckung an.

Entfernen Sie die Bodenplatte und die an ihr befestigten Schrauben (Bild 39).

Lösen Sie die zwei vorderen Schrauben und nehmen Sie die Blechschutzvorrichtung ab, um die Mähwerkriemen und die Spindeln zugänglich zu machen (Bild 40). Setzen Sie die Blechschutzvorrichtung nach der Wartung auf und ziehen die Schrauben an.

Bei extrem staubigen oder sandigen Einsatzbedingungen sollten Sie häufiger einschmieren.
Schmierfettsorte: Nr. 2 Allzweckschmierfett auf Lithium- oder Molybdänbasis
Kuppeln Sie den Zapfwellenantriebsschalter aus, stellen die Fahrantriebshebel in die ARRETIERTE NEUTRAL-Stellung und aktivieren die Feststellbremse.
Stellen Sie den Motor vor dem Verlassen des Fahrersitzes ab, ziehen den Schlüssel ab und warten, bis alle beweglichen Teile zum Stillstand gekommen sind.
Reinigen Sie die Schmiernippel mit einem Lappen.
Note: Kratzen Sie bei Bedarf Lack vorne von den Nippeln ab.
Bringen Sie die Fettpresse am Nippel an.
Fetten Sie die Schmiernippel, bis das Fett beginnt, aus den Lagern auszutreten.
Wischen Sie überflüssiges Fett ab.
| Wartungsintervall | Wartungsmaßnahmen |
|---|---|
| Alle 25 Betriebsstunden |
|
| Alle 50 Betriebsstunden |
|
Kuppeln Sie den Zapfwellenantriebsschalter aus, stellen die Fahrantriebshebel in die ARRETIERTE NEUTRAL-Stellung und aktivieren die Feststellbremse.
Stellen Sie vor dem Verlassen der Bedienungsposition den Motor ab, ziehen den Schlüssel ab und warten, bis alle beweglichen Teile zum Stillstand gekommen sind.
Fetten Sie den Drehzapfen der Pumpenspannscheibe mit ein oder zwei Pumpenstößen des Schmiermittels ein (Bild 41).
Fetten Sie die vorderen Laufradachsen ein (Bild 41).

Ein Berührung mit heißen Oberflächen kann Verletzungen verursachen.
Halten Sie Hände, Füße, das Gesicht, Kleidungsstücke und andere Körperteile vom Auspuff und anderen heißen Oberflächen fern.
Stellen Sie den Motor grundsätzlich vor dem Prüfen des Ölstands oder Auffüllen des Kurbelgehäuses mit Öl ab.
| Wartungsintervall | Wartungsmaßnahmen |
|---|---|
| Alle 25 Betriebsstunden |
|
| Alle 100 Betriebsstunden |
|
| Alle 200 Betriebsstunden |
|
Stellen Sie die Maschine auf einer ebenen Fläche ab und kuppeln Sie den Zapfwellenantriebsschalter aus.
Aktivieren Sie vor dem Verlassen der Bedienerposition die Feststellbremse, stellen den Motor ab, ziehen Sie den Schlüssel ab und warten Sie, bis alle beweglichen Teile zum Stillstand gekommen sind.
Reinigen Sie den Bereich um die Luftfilterabdeckung, sodass kein Schmutz in den Motor fällt und Schäden verursacht.
Heben Sie die Abdeckung an und drehen den Luftfilter aus dem Motor (Bild 42).


Nehmen Sie den Schaumeinsatz vorsichtig vom Papiereinsatz ab (Bild 43).

Reinigen Sie den Schaumeinsatz mit Wasser und wechseln Sie ihn aus, wenn er beschädigt ist.
Klopfen Sie den Einsatz leicht auf eine flache Unterlage, um Staub und Schmutz zu beseitigen.
Untersuchen Sie den Einsatz auf Risse, einen öligen Film und Schäden an der Dichtung.
Important: Reinigen Sie den Papiereinsatz nie mit Druckluft oder Flüssigkeiten wie Lösungsmittel, Benzin oder Kerosin. Tauschen Sie den Papiereinsatz aus, wenn er beschädigt ist oder nicht gründlich genug gereinigt werden kann.
Ölsorte:Waschaktives Öl der API-Klassifikation SF, SG, SH, SJ, oder SL.
Fassungsvermögen des Kurbelgehäuses: 2,4 l (mit Filter).
Viskosität: Siehe nachstehende Tabelle.

| Wartungsintervall | Wartungsmaßnahmen |
|---|---|
| Bei jeder Verwendung oder täglich |
|
Note: Prüfen Sie den Ölstand bei kaltem Motor.
Ein Berührung mit heißen Oberflächen kann Verletzungen verursachen.
Berühren Sie den Auspuff und andere heiße Oberflächen nicht dem den Händen, Füßen, dem Gesicht und anderen Körperteile sowie mit Kleidungsstücken.
Important: Füllen Sie auf keinen Fall zu viel Öl in das Kurbelgehäuse ein, da dies den Motor beschädigen kann. Lassen Sie den Motor nicht laufen, wenn der Ölstand unter die untere Füllstand-Markierung abgefallen ist, da der Motor beschädigt werden könnte.
Stellen Sie die Maschine auf eine ebener Fläche ab, kuppeln Sie den Zapfwellenantriebsschalter aus, stellen den Motor ab, aktivieren Sie die Feststellbremse und ziehen Sie den Zündschlüssel ab.
Stellen Sie sicher, dass der Motor abgestellt, nivelliert und kalt ist, damit das Öl in die Wanne ablaufen konnte.
Reinigen Sie den Bereich um den Ölfüllstutzendeckel bzw. den Ölpeilstab vor dem Abnehmen, damit kein Schmutz oder Schnittgut usw. in den Motor gelangt (Bild 45).

| Wartungsintervall | Wartungsmaßnahmen |
|---|---|
| Nach fünf Betriebsstunden |
|
| Alle 100 Betriebsstunden |
|
Note: Entsorgen Sie Altöl im lokalen Recycling Center.
Stellen Sie die Maschine auf eine ebene Fläche, damit Sie sicherstellen, dass das Öl vollständig ausläuft.
Kuppeln Sie die Zapfwelle aus und aktivieren die Feststellbremse.
Stellen Sie vor dem Verlassen der Bedienungsposition den Motor ab, ziehen den Schlüssel ab und warten, bis alle beweglichen Teile zum Stillstand gekommen sind.
Lassen Sie das Motoröl ab (Bild 46).


Wechseln Sie den Motorölfilter (Bild 47).

Note: Stellen Sie sicher, dass die Ölfilterdichtung den Motor berührt und drehen Sie den Filter dann um eine weitere Dreivierteldrehung.
Gießen Sie langsam ungefähr 80 % der angegebenen Ölsorte in den Einfüllstutzen und füllen Sie dann vorsichtig mehr Öl ein, um den Ölstand an die Voll-Markierung zu bringen (Bild 48).

| Wartungsintervall | Wartungsmaßnahmen |
|---|---|
| Alle 100 Betriebsstunden |
|
| Alle 200 Betriebsstunden |
|
Achten Sie darauf, dass der Abstand zwischen der mittleren und der seitlichen Elektrode korrekt ist, bevor Sie die Zündkerze eindrehen. Verwenden Sie zum Aus- und Einbau der Zündkerzen einen Zündkerzenschlüssel und für die Kontrolle und Einstellung des Elektrodenabstands eine Fühlerlehre. Setzen Sie bei Bedarf eine neue Zündkerze ein.
Typ: Champion RN9YC oder NGK BPR6ES
Elektrodenabstand: 0,76 mm
Kuppeln Sie die Zapfwelle aus und aktivieren die Feststellbremse.
Stellen Sie vor dem Verlassen der Bedienungsposition den Motor ab, ziehen den Schlüssel ab und warten, bis alle beweglichen Teile zum Stillstand gekommen sind.

Note: Da der Bereich um die Zündkerzen tiefe Einbuchtungen hat, reinigen Sie den Hohlraum am besten mit Druckluft. Die Zündkerze ist leicht zugänglich, wenn Sie das Gebläsegehäuse zum Reinigen abnehmen.
Important: Reinigen Sie die Zündkerze nicht. Wechseln Sie die Zündkerze immer aus, wenn sie schwarz überzogen ist oder abgenutzte Elektroden, einen öligen Film oder Risse aufweist.
Wenn der Kerzenstein hellbraun oder grau ist, ist der Motor richtig eingestellt. Eine schwarze Schicht am Kerzenstein weist normalerweise auf einen schmutzigen Luftfilter hin.
Stellen Sie den Abstand auf 0,76 mm ein.

Ziehen Sie die Zündkerzen mit 25 bis 30 N·m an.

| Wartungsintervall | Wartungsmaßnahmen |
|---|---|
| Bei jeder Verwendung oder täglich |
|
Entfernen Sie vor jedem Einsatz Gras und Schmutz vom Luftansauggitter.
Kuppeln Sie den Zapfwellenantriebsschalter aus und aktivieren Sie die Feststellbremse.
Stellen Sie vor dem Verlassen der Bedienungsposition den Motor ab, ziehen den Schlüssel ab und warten, bis alle beweglichen Teile zum Stillstand gekommen sind.
Nehmen Sie den Luftfilter aus dem Motor.
Nehmen Sie die Motorhaube ab.
Bringen Sie den Luftfilter am Filtersockel an, damit keine Rückstände in das Ansaugrohr gelangen.
Entfernen Sie Schmutz- und Grasrückstände von diesen Teilen.
Entfernen Sie den Luftfilter und bringen Sie die Motorhaube an.
Setzen Sie den Luftfilter ein.
| Wartungsintervall | Wartungsmaßnahmen |
|---|---|
| Alle 50 Betriebsstunden |
|
Heiße Teile des Auspuffs können Benzindämpfe entzünden, selbst nach dem Abstellen des Motors. Heiße Partikel, die vom laufenden Motor ausgestoßen werden, können brennbare Materialien entzünden. Ein Feuer kann zu Körperverletzungen oder Sachschäden führen.
Betanken Sie die Maschine und lassen Sie den Motor nur an, wenn der Funkenfänger eingebaut ist.
Stellen Sie den Motor ab, warten Sie, bis alle beweglichen Teile zum Stillstand gekommen sind und ziehen den Zündschlüssel ab. Aktivieren Sie die Feststellbremse.
Warten Sie, bis der Auspuff kalt ist.
Tauschen Sie den Funkenfänger aus, wenn Sie Risse im Gitter oder an den Schweißnähten feststellen.
Bei Verstopfungen des Gitters nehmen Sie den Funkenfänger ab und schütteln Sie lose Partikel aus dem Funkenfänger; reinigen Sie das Gitter dann mit einer Drahtbürste (weichen Sie es ggf. in Reinigungsmittel ein). Bauen Sie den Funkenfänger wieder am Ende des Auspuffrohrs ein.
| Wartungsintervall | Wartungsmaßnahmen |
|---|---|
| Alle 500 Betriebsstunden |
|
Stellen Sie den Motor ab, warten Sie, bis alle beweglichen Teile zum Stillstand gekommen sind und ziehen den Zündschlüssel ab. Aktivieren Sie die Feststellbremse.
Nehmen Sie den Filter vom Entlüftungsschlauch ab.
Setzen Sie einen neuen Filter in das Ende des Entlüftungsschlauchs ein.
| Wartungsintervall | Wartungsmaßnahmen |
|---|---|
| Alle 500 Betriebsstunden |
|
Important: Schließen Sie die Kraftstoffleitungen genauso an und befestigen sie mit Kabelbinden aus Kunststoff, wie dies vorher im Werk gemacht wurde, damit die Kraftstoffleitungen nicht Bestandteile berühren, die Kraftstoffleitungen beschädigen können.
Der Kraftstofffilter befindet sich in der Nähe des Motors vorne links am Motor.
Kuppeln Sie den Zapfwellenantriebsschalter aus, stellen die Fahrantriebshebel in die ARRETIERTE NEUTRAL-Stellung und aktivieren die Feststellbremse.
Stellen Sie vor dem Verlassen der Bedienungsposition den Motor ab, ziehen den Schlüssel ab und warten, bis alle beweglichen Teile zum Stillstand gekommen sind.
Lassen Sie die Maschine abkühlen.
Schließen Sie den Kraftstoffhahn hinter dem Sitz (Bild 33).

Öffnen Sie den Kraftstoffhahn.
Versuchen Sie nicht, den Kraftstofftank zu entleeren. Stellen Sie sicher, dass ein offizieller Vertragshändler den Kraftstofftank entleert und die Komponenten der Kraftstoffanlage wartet.
Trennen Sie vor dem Durchführen von Reparaturen an der Maschine die Batterie ab. Klemmen Sie immer zuerst den Minuspols und dann den Pluspol ab. Schließen Sie immer zuerst den Pluspol und dann den Minuspol an.
Laden Sie die Batterie in offenen, gut gelüfteten Bereichen und nicht in der Nähe von Funken und offenem Feuer. Trennen Sie das Ladegerät ab, ehe Sie die Batterie anschließen oder abtrennen. Tragen Sie Schutzkleidung und verwenden Sie isoliertes Werkzeug.
Akkupole, Klemmen und anderes Zubehör enthalten Blei und Bleibestandteile. Dabei handelt es sich um Chemikalien, die laut der Regierung von Kalifornien krebserregend sind und zu Erbschäden führen können. Waschen Sie sich nach dem Umgang mit diesen Materialien die Hände.
| Wartungsintervall | Wartungsmaßnahmen |
|---|---|
| Monatlich |
|
Die Batterieflüssigkeit enthält Schwefelsäure, die tödlich wirken und starke chemische Verbrennungen verursachen kann.
Trinken Sie nie Batteriesäure und vermeiden Sie den Kontakt mit Haut, Augen und Kleidungsstücken. Tragen Sie eine Schutzbrille, um Ihre Augen zu schützen sowie Gummihandschuhe, um Ihre Hände zu schützen.
Batteriepole und Metallwerkzeuge können an metallischen Teilen Kurzschlüsse verursachen, was Funken erzeugen kann. Funken können zum Explodieren der Gase in der Batterie führen und Verletzungen verursachen.
Vermeiden Sie beim Entfernen oder Einsetzen der Batterie, dass die Batteriepole mit metallischen Maschinenteilen in Berührung kommen.
Vermeiden Sie Kurzschlüsse zwischen metallischen Werkzeugen, den Batteriepolen und metallischen Maschinenteilen.
Das unsachgemäße Verlegen der Batteriekabel kann zu Schäden an der Maschine und den Kabeln führen und Funken erzeugen. Funken können zum Explodieren der Akkugase führen, was Verletzungen zur Folge haben kann.
Klemmen Sie immer das Minuskabel (schwarz) der Batterie ab, bevor Sie das Pluskabel (rot) abtrennen.
Schließen Sie immer das Pluskabel (rot) der Batterie an, bevor Sie das Minuskabel (schwarz) anschließen.
Kuppeln Sie den Zapfwellenantriebsschalter aus, stellen die Fahrantriebshebel in die ARRETIERTE NEUTRAL-Stellung und aktivieren die Feststellbremse.
Stellen Sie vor dem Verlassen der Bedienungsposition den Motor ab, ziehen den Schlüssel ab und warten, bis alle beweglichen Teile zum Stillstand gekommen sind.
Klemmen Sie zunächst das Minuskabel vom Minuspol (–) der Batterie ab (Bild 53).
Schieben Sie die rote Polkappe vom Pluspol (rot) der Batterie ab und klemmen Sie das Pluskabel (+) ab (Bild 53).
Nehmen Sie den Gummiriemen ab (Bild 53).
Die Batterie entfernen.


Legen Sie die Batterie so in das Fach, dass die Anschlussklemmen auf der anderen Seite des Hydraulikbehälters sind (Bild 53).
Klemmen Sie das (rote) Pluskabel am Pluspol (+) der Batterie an.
Schließen Sie dann das Minuskabel (schwarz) und Erdkabel am Minuspol (-) der Batterie an.
Befestigen Sie die Kabel mit zwei Schrauben, 2 Scheiben und 2 Sicherungsmuttern (Bild 53).
Ziehen Sie die rote Polkappe über den (roten) Pluspol der Batterie.
Befestigen Sie die Batterie mit dem Gummiriemen (Bild 53).
Beim Laden des Akkus werden Gase erzeugt, die explodieren können.
Rauchen Sie nie in der Nähe des Akkus und halten Sie Funken und offene Flammen vom Akku fern.
Important: Halten Sie die Batterie immer vollständig geladen (Dichte 1,265). Dies ist besonders wichtig zum Verhüten von Batterieschäden, wenn die Temperatur unter 0 °C fällt.
Laden Sie die Batterie 10-15 Minuten lang mit 25 A bis 30 A oder 30 Minuten lang mit 10 A.
Wenn die Batterie ganz aufgeladen ist, ziehen Sie den Stecker des Ladegeräts aus der Dose. Klemmen Sie dann die Klemmen des Ladegeräts von den Batteriepolen ab (Bild 54).
Setzen Sie die Batterie in die Maschine ein und klemmen Sie die Batteriekabel an; siehe Einbauen der Batterie.
Note: Lassen Sie die Maschine nie mit abgeklemmter Batterie laufen, sonst können elektrische Schäden entstehen.

Die elektrische Anlage wird durch Sicherungen geschützt. Es sind keine Wartungsarbeiten erforderlich. Überprüfen Sie jedoch das/den entsprechende(n) Bauteil/Stromkreis auf Kurzschluss, wenn eine Sicherung durchbrennt.
Die Sicherungen befinden Sie rechts am Armaturenbrett neben dem Sitz (Bild 55).
Ziehen Sie die Sicherungen zum Wechseln heraus.
Setzen Sie eine neue Sicherung ein (Bild 55).

| Wartungsintervall | Wartungsmaßnahmen |
|---|---|
| Bei jeder Verwendung oder täglich |
|
Prüfen Sie den Sicherheitsgurt auf Zeichen von Abnutzung und Risse und prüfen Sie auch den Rücklauf und die Schnalle. Ersetzen Sie einen beschädigten Sicherheitsgurt.
| Wartungsintervall | Wartungsmaßnahmen |
|---|---|
| Bei jeder Verwendung oder täglich |
|
Zur Vermeidung von ggf. tödlichen Verletzungen durch Überschlagen lassen Sie den Überrollbügel in der hochgeklappten und arretierten Stellung und legen den Sicherheitsgurt an.
Stellen Sie sicher, dass der Sitz an der Maschine befestigt ist.
Stellen Sie sicher, dass die Befestigungen und die Handräder in gutem Zustand sind.
Achten Sie darauf, dass die Handräder ganz eingerastet sind, wenn der Überrollbügel ganz aufgeklappt ist.
Note: Sie müssen den oberen Bügel des Überrollbügels ggf. nach vorne drücken oder nach hinten ziehen, damit beide Handräder richtig einrasten (Bild 56 und Bild 57).


Kuppeln Sie den Zapfwellenantriebsschalter aus.
Fahren Sie auf eine ebene Fläche und stellen Sie die Fahrantriebshebel in die ARRETIERTE NEUTRAL-Stellung.
Bewegen Sie den Gasbedienungshebel in die Mittelstellung zwischen LANGSAM und SCHNELL.
Schieben Sie beide Fahrantriebshebel nach vorne, bis sie die Anschläge im T-Schlitz berühren.
Stellen Sie fest, nach welcher Seite die Maschine zieht.
Wenn die Maschine nach rechts zieht, stecken Sie einen Sechskantschraubenschlüssel durch das Zugangsloch in der Abdeckungsplatte vorne rechts und drehen Sie die Spurweitenschraube nach rechts oder nach links, um das Spiel des Hebels einzustellen (Bild 58).
Wenn die Maschine nach links zieht, stecken Sie einen Sechskantschraubenschlüssel durch das Zugangsloch in der Abdeckungsplatte vorne rechts und drehen Sie die Spurweitenschraube nach rechts oder nach links, um das Spiel des Hebels einzustellen (Bild 58).
Setzen Sie die Maschine ein und prüfen Sie die ganze Vorwärtsspurweite.
Wiederholen Sie die Einstellung, bis Sie die gewünschte Spurweite erzielt haben.

| Wartungsintervall | Wartungsmaßnahmen |
|---|---|
| Alle 50 Betriebsstunden |
|
Stellen Sie den Druck in den Vorder- und Hinterreifen auf 0,90 bar ein. Ein unterschiedlicher Reifendruck kann zu einem ungleichmäßigen Schnittbild führen. Prüfen Sie den Reifendruck am kalten Reifen, um einen möglichst genauen Wert zu erhalten.

Prüfen und ziehen Sie die Radmuttern mit 122-136 N·m an.
| Wartungsintervall | Wartungsmaßnahmen |
|---|---|
| Bei jeder Verwendung oder täglich |
|
Entfernen Sie Schnittgut, Schmutz und andere Rückstände vor jedem Einsatz der Maschine vom Motorgitter, vom Auspuff und dem Bereich um den Motor. So gewährleisten Sie eine ausreichende Kühlung sowie die korrekte Motordrehzahl und reduzieren die Gefahr einer Überhitzung und mechanischer Motorschäden.
| Wartungsintervall | Wartungsmaßnahmen |
|---|---|
| Alle 500 Betriebsstunden |
|
Note: Führen Sie diese Schritte aus, wenn Sie eine Bremsenkomponente entfernt oder ausgetauscht haben.
Fahren Sie die Maschine auf eine ebene Fläche.
Kuppeln Sie den Zapfwellenantriebsschalter aus, stellen die Fahrantriebshebel in die ARRETIERTE NEUTRAL-Stellung und aktivieren die Feststellbremse.
Stellen Sie vor dem Verlassen der Bedienungsposition den Motor ab, ziehen den Schlüssel ab und warten, bis alle beweglichen Teile zum Stillstand gekommen sind.
Richten Sie die Maschine für ein Schieben mit der Hand ein. Siehe Verwenden der Ablassventile des Antriebsrads.
Heben Sie das Heck der Maschine an und stützen es auf Achsständern ab.
Beim Anheben der Maschine für Kundendienst- und Wartungsarbeiten sollten Sie sich nie nur auf mechanische oder hydraulische Achsständer verlassen. Die mechanischen oder hydraulischen Ständer stützen möglicherweise nicht ausreichend oder können ausfallen, sodass die Maschine herunterfallen und Verletzungen verursachen kann.
Verlassen Sie sich nicht ausschließlich auf mechanische oder hydraulische Ständer als Stützen. Verwenden Sie geeignete Stützböcke oder entsprechende Stützen.
Aktivieren und lösen Sie die Feststellbremse und prüfen Sie jeden Antriebsreifen, um das Aktivieren und Lösen jeder Bremse zu prüfen.
Falls eine Einstellung erforderlich ist, lösen Sie die Feststellbremse. Nehmen Sie den Splint aus der Bremsgestängewelle heraus (Bild 60).

Prüfen Sie beide Federlängen, wie in Bild 61 abgebildet. Falls eine Einstellung erforderlich ist, drehen Sie die obere Muttern nach rechts, um die Feder zu verkürzen und nach links, um die Feder zu verlängern.

Drücken Sie den Hebel der Feststellbremse ganz nach vorne und unten.
Drehen Sie die Bremsgestängewelle, bis das Ende mit dem Loch im Hebel ausgefluchtet ist.
Drehen Sie das Gestänge nach rechts, um es zu verkürzen.
Drehen Sie das Gestänge nach links, um es zu verlängern.
Setzen Sie die Bremsgestängewelle in das Loch in der Feststellbremse ein und befestigen sie mit dem Splint. Wiederholen Sie Schritt 6 und stellen Sie ggf. ein.
Wenn die Einstellung abgeschlossen ist, entfernen Sie die Stützböcke oder die entsprechenden Stützen und senken die Maschine ab.
Stellen Sie die Maschine in die BETRIEBS-Stellung. Siehe Verwenden der Ablassventile des Antriebsrads.
| Wartungsintervall | Wartungsmaßnahmen |
|---|---|
| Alle 50 Betriebsstunden |
|
Ersetzen Sie einen abgenutzten Riemen. Anzeichen eines abgenutzten Riemens sind u. a. das Quietschen des Riemens, wenn er sich dreht, das Schlüpfen der Messer beim Mähen, zerfranste Ränder, Versengen und Risse im Riemen.
Kuppeln Sie den Zapfwellenantriebsschalter aus, stellen die Fahrantriebshebel in die ARRETIERTE NEUTRAL-Stellung und aktivieren die Feststellbremse.
Stellen Sie vor dem Verlassen der Bedienungsposition den Motor ab, ziehen den Schlüssel ab und warten, bis alle beweglichen Teile zum Stillstand gekommen sind.
Senken Sie das Mähwerk auf eine Schnitthöhe von 76 mm ab.
Lösen Sie die Schraube an jeder Riemenabdeckung.
Lösen Sie die untere Schraube, mit der die Mähwerkabdeckung am Mähwerk befestigt ist, siehe Lösen der Mähwerkabdeckung.
Nehmen Sie die Blechschutzvorrichtung ab, siehe Entfernen der Blechschutzvorrichtung..
Entfernen Sie die Riemenabdeckungen und die Schrauben (Bild 62).

Lassen Sie die Federspannung an der gefederten Spannscheibe ab. Siehe Bild 64.
Note: Verwenden Sie das Werkzeug zur Federentfernung (Toro Bestellnummer 92-5771), um die Feder aus der Mähwerkstrebe zu entfernen (Bild 64).
Entfernen Sie den Riemen von den Mähwerk-Riemenscheiben und der Kupplungsriemenscheibe.
Verlegen Sie den neuen Riemen um die Mähwerk- und Bremsspannscheiben unter dem Motor (Bild 63 ).


Setzen Sie die Spannscheibenfeder ein (Bild 63).
Note: Stellen Sie sicher, dass die Federenden in den Verankerungsritzen sitzen.
Bringen Sie die Riemenabdeckungen und die Schrauben an (Bild 65).

Lösen Sie die untere Schraube, mit der die Mähwerkabdeckung am Mähwerk befestigt ist, siehe Lösen der Mähwerkabdeckung.
Nehmen Sie die Blechschutzvorrichtung ab, siehe Entfernen der Blechschutzvorrichtung..
Kuppeln Sie den Zapfwellenantriebsschalter aus und aktivieren die Feststellbremse.
Stellen Sie den Motor vor dem Verlassen des Fahrersitzes ab, ziehen Sie den Schlüssel ab und warten, bis alle beweglichen Teile zum Stillstand gekommen sind.
Entfernen Sie den Mähwerkriemen, siehe Austauschen des Mähwerk-Treibriemens für Seitenauswurfmähwerke.
Heben Sie die Maschine an und stützen Sie sie mit Stützböcken ab (Bild 67).
Entfernen Sie den Kupplungsanschlag (Bild 66).

Entfernen Sie die Spannscheibenfeder von der Strebe (Bild 67).
Entfernen Sie den vorhandenen Riemen von den Antriebsscheiben der Hydraulikpumpe und der Motorriemenscheibe.
Verlegen Sie den neuen Riemen um die Motorriemenscheibe und um die zwei Riemenscheiben der Hydraulikpumpe (Bild 67).

Montieren Sie den Kupplungsanschlag (Bild 66).
Befestigen Sie den Mähwerktreibriemen, siehe Warten der Riemen.
Kuppeln Sie den Zapfwellenantriebsschalter aus, stellen die Fahrantriebshebel in die ARRETIERTE NEUTRAL-Stellung und aktivieren die Feststellbremse.
Stellen Sie vor dem Verlassen der Bedienungsposition den Motor ab, ziehen den Schlüssel ab und warten, bis alle beweglichen Teile zum Stillstand gekommen sind.
Einstellen der Höhe:
Sie können die Höhe der Fahrantriebshebel für den optimalen Bedienerkomfort nach oben oder unten einstellen.
Entfernen Sie die Befestigungen, mit denen der Steuerhebel an der Steuerarmwelle befestigt ist.

Setzen Sie den Schalthebel in die nächste Lochposition. Befestigen Sie den Hebel mit den Befestigungen.
Wiederholen Sie die Einstellungsschritte am zweiten Schalthebel.
Einstellen der Neigung
Lösen Sie die obere Schraube, mit der der Schalthebel an der Schalthebelwelle befestigt ist.
Lösen Sie die untere Schraube etwas, so dass der Schalthebel sich nach vorne oder nach hinten drehen lässt. Ziehen Sie beide Schrauben fest, um den Schalthebel in der neuen Stellung zu arretieren.
Wiederholen Sie die Einstellungsschritte am zweiten Schalthebel.

Wenn sich die Enden der Hebel berühren, finden Sie weitere Informationen unter Einstellen des Führungsgestänges.
Unter dem Sitz an beiden Seiten der Maschine befinden sich die Pumpensteuergestänge. Drehen Sie die Endmutter mit einem ½"-Schraubenschlüssel, um einzustellen, dass sich die Maschine nicht in der Neutral-Stellung bewegt. Sie sollten nur die Neutral-Stellung einstellen.
Einstellungen können nur vorgenommen werden, wenn der Motor läuft und die Antriebsräder sich drehen. Der Kontakt mit beweglichen Teilen oder heißen Oberflächen kann zu Verletzungen führen.
Halten Sie Finger, Hände und Kleidungsstücke von sich drehenden Bestandteilen und von heißen Oberflächen fern.
Treten Sie vor dem Anlassen des Motors auf das Mähwerkhubpedal und entfernen Sie den Schnitthöhenstift. Senken Sie das Mähwerk ab.
Heben Sie das Heck der Maschine etwas an und stützen es mit Achsständern oder Ähnlichem ab, sodass sich die Antriebsräder gerade ungehindert drehen.
Klemmen Sie den elektrischen Anschluss vom Sitzsicherheitsschalter ab, der sich unter dem unterem Sitzkissen befindet.
Note: Der Schalter ist Teil des Sitzes.
Schließen Sie vorübergehend ein Überbrückungskabel an den Klemmen des Hauptkabelbaums an.
Lassen Sie den Motor an. Lassen Sie den Motor mit Vollgas laufen und lösen Sie die Feststellbremse.
Note: Stellen Sie sicher, dass die Feststellbremse aktiviert ist und die Fahrantriebshebel außen sind, um den Motor anzulassen. Sie müssen nicht auf dem Sitz sitzen.
Lassen Sie die Maschine mindestens fünf Minuten mit Vollgas laufen, um das Hydrauliköl auf die Betriebstemperatur zu erwärmen.
Note: Während Sie Einstellungen vornehmen, muss der Fahrantriebshebel in der Neutral-Stellung sein.
Stellen Sie die Fahrantriebshebel in die NEUTRAL-Stellung.
Prüfen und stellen Sie sicher, dass die Steuerplattennasen die Platten für das Zurückgehen in die Neutral-Stellung an den hydraulischen Einheiten berühren.
Stellen Sie die Länge der Pumpenschaltstange ein, indem Sie die Mutter in die entsprechende Richtung drehen, bis sich die Räder leicht zurückdrehen (siehe Bild 70).
Stellen Sie die Fahrantriebshebel in die RüCKWäRTS-Stellung und üben Sie etwas Druck auf den Hebel aus, damit die Federn die Hebel wieder in die Neutral-Stellung bringen.
Note: Das Rad darf sich nicht mehr drehen, kann sich aber leicht rückwärts drehen.
Note: Sie müssen ggf. die Abdeckung der Fahrantriebshebel entfernen, um Zugang zu erhalten.

Schalten Sie die Maschine ab.
Ziehen Sie das Überbrückungskabel vom Kabelbaum ab und schließen Sie den Stecker an den Sitzschalter an.
Entfernen Sie die Stützböcke.
Heben Sie das Mähwerk an und setzen Sie den Schnitthöhenstift ein.
Stellen Sie sicher, dass die Maschine nicht in der Neutral-Stellung bei aktivierter Feststellbremse kriecht.
Stellen Sie sicher, dass alle Hydraulikschläuche und -leitungen in gutem Zustand und alle Hydraulikverbindungen und -anschlussstücke fest angezogen sind, bevor Sie die Hydraulikanlage unter Druck setzen.
Halten Sie Ihren Körper und Ihre Hände von Nadellöchern und Düsen fern, aus denen Hydrauliköl unter hohem Druck ausgestoßen wird.
Gehen Sie hydraulischen Undichtheiten nur mit Pappe oder Papier nach.
Lassen Sie den Druck in der Hydraulikanlage auf eine sichere Art und Weise ab, bevor Sie irgendwelche Arbeiten an der Hydraulikanlage durchführen.
Konsultieren Sie beim Einspritzen unter die Haut sofort einen Arzt. In die Haut eingedrungene Flüssigkeit muss innerhalb weniger Stunden von einem Arzt entfernt werden.
Hydraulikölsorte: Toro® HYPR-OIL™ 500-Hydrauliköl (empfohlen) oder Mobil 1 15W-50.
Important: Verwenden Sie die angegebene Ölsorte. Andere Ölsorten können die hydraulische Anlage beschädigen.
Fassungsvermögen der Hydraulikanlage (mit entfernten Filtern): 4,45 Liter
| Wartungsintervall | Wartungsmaßnahmen |
|---|---|
| Bei jeder Verwendung oder täglich |
|
Lassen Sie das Hydrauliköl abkühlen. Prüfen Sie den Ölstand bei kaltem Öl.
Prüfen Sie das Ausdehnungsgefäß und füllen Sie ggf. Hydrauliköl der Sorte Toro® HYPR-OIL™ 500 bis zur Markierung FULL COLD auf.

| Wartungsintervall | Wartungsmaßnahmen |
|---|---|
| Nach den ersten 75 Stunden |
|
| Alle 250 Betriebsstunden |
|
| Alle 500 Betriebsstunden |
|
Wechseln Sie die Filter und das Öl immer zusammen aus. Verwenden Sie das Öl nicht erneut. Entlüften Sie die Anlage nach dem Einsetzen der neuen Filter und Hinzufügen des Öls. Siehe Entlüften der Hydraulikanlage.
Wiederholen Sie das Entlüften so lange, bis der Ölstand nach dem Entlüften an der Markierung FULL COLD bleibt. Falsches Entlüften kann zu irreparablen Schäden am Getriebe führen.
Stellen Sie den Motor ab, warten Sie, bis alle beweglichen Teile zum Stillstand gekommen sind, lassen Sie den Motor abkühlen und ziehen Sie den Zündschlüssel ab und aktivieren die Feststellbremse.
Ermitteln Sie den Filter und die Schutzvorrichtungen an jedem Getriebe (Bild 72).
Entfernen Sie die drei Schrauben, mit denen die Filterschutzvorrichtung und die Schutzvorrichtung befestigt sind (Bild 72).

Reinigen Sie den Bereich um die Filter.
Important: Lassen Sie keinen Schmutz in die Hydraulikanlage gelangen, da sie sonst verunreinigt wird.
Stellen Sie eine Auffangwanne unter den Filter, um das ablaufende Öl aufzufangen, wenn der Filter und die Entlüftungsschraube entfernt werden.
Entfernen Sie die Entlüftungsschraube an jedem Getriebe.
Schrauben Sie den Filter ab, entfernen ihn und lassen das Öl aus dem Antriebssystem ablaufen.
Wiederholen Sie diese Schritte für beide Filter.
Tragen Sie einen dünnen Ölfilm auf die Gummidichtung jedes Filters auf.
Schrauben Sie die neuen Filter nach rechts ein, bis die Gummidichtung den Filteradapter berührt. Ziehen Sie den Filter dann um eine weitere ¾- oder ganze Drehung an.
Wiederholen Sie die Schritte für den anderen Filter.
Setzen Sie die vorher entfernten Filterschutzvorrichtungen auf jeden Filter.
Befestigen Sie die Filterschutzvorrichtungen mit den drei Schrauben.
Stellen Sie vor dem Einfüllen von Öl sicher, dass die Entlüftungsschrauben entfernt sind.
Gießen Sie langsam Öl der entsprechenden Sorte in das Ausdehnungsgefäß, bis Öl aus einem der Löcher der Entlüftungsschraube tritt.
Setzen Sie die Entlüftungsschraube ein.
Ziehen Sie die Schraube mit 20 N·m an.
Füllen Sie mehr Öl in das Ausdehnungsgefäß, bis Öl aus der anderen Entlüftungsschraube am zweiten Getriebe tritt.
Setzen Sie die andere Entlüftungsschraube ein.
Ziehen Sie die Schraube mit 20 N·m an.
Füllen Sie mehr Öl in das Ausdehnungsgefäß, bis der Ölstand an der Markierung FULL COLD am Ausdehnungsgefäß liegt.
Gehen Sie zu Entlüften der Hydraulikanlage.
Important: Wenn Sie nach dem Wechseln der Hydraulikfilter und des -öls die Hydraulikanlage nicht entlüften, kann das Getriebe irreparable beschädigt werden.

Heben Sie das Heck der Maschine etwas an und stützen es mit Stützböcken oder Ähnlichem ab, sodass sich die Antriebsräder gerade ungehindert drehen.

Lassen Sie den Motor an, schieben die Gasbedienung nach vorne in die Halbgas-Stellung und lösen die Feststellbremse.
Schieben Sie die Sicherheitshebel in die Stellung für das Schieben der Maschine. Wenn die Sicherheitsventile geöffnet sind und der Motor läuft, schieben Sie die Fahrantriebshebel fünf oder sechs Mal vorsichtig in den Vorwärts- und Rückwärtsgang.
Schieben Sie die Sicherheitshebel in die Betriebsstellung der Maschine.
Wenn das Sicherheitsventil geschlossen ist und der Motor läuft, schieben Sie die Lenkung fünf oder sechs Mal vorsichtig in den Vorwärts- und Rückwärtsgang.
Stellen Sie den Motor ab und prüfen Sie den Ölstand im Ausdehnungsgefäß. Füllen Sie Öl der entsprechenden Sorte ein, bis die Linie FULL COLD am Ausdehnungsgefäß erreicht ist.
Wiederholen Sie den Schritt 2, bis die Anlage komplett entlüftet ist.
Note: Wenn das Geräusch des Getriebes normal ist und bei normalen Geschwindigkeiten ungehindert nach vorne und hinten bewegt, ist die Antriebsachse entlüftet.
Prüfen Sie den Ölstand im Ausdehnungsgefäß noch einmal. Füllen Sie Öl der entsprechenden Sorte ein, bis die Linie FULL COLD am Ausdehnungsgefäß erreicht ist.
Stellen Sie das Mähwerk auf eine ebene Fläche.
Kuppeln Sie den Zapfwellenantriebsschalter aus, stellen die Fahrantriebshebel in die ARRETIERTE NEUTRAL-Stellung und aktivieren die Feststellbremse.
Stellen Sie vor dem Verlassen der Bedienungsposition den Motor ab, ziehen den Schlüssel ab und warten, bis alle beweglichen Teile zum Stillstand gekommen sind.
Prüfen Sie den Reifendruck in den Antriebsreifen. Siehe Prüfen des Reifendrucks.
Stellen Sie das Mähwerk in die arretierte Transport-Stellung.
Drehen Sie die Schnittmesser vorsichtig von einer Seite zur anderen.
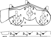
Messen Sie den Abstand zwischen der Messerspitze und der ebenen Oberfläche (Bild 75). Wenn beide Messwerte nicht innerhalb von 5 mm liegen, stellen Sie die Nivellierung ein; fahren Sie mit diesen Schritten fort.

Prüfen Sie die Schnittmesserneigung in Längsrichtung (Bild 76). Stellen Sie sicher, dass die vordere Messerspitze niedriger als die hintere Messerspitze ist, wie in der Blockhöhen- und Rechentabelle angegeben. Wenn eine Einstellung erforderlich ist, fahren Sie mit diesem Schritt fort.

Stellen Sie die Antiskalpierrollen auf die oberen Löcher oder entfernen Sie sie ganz für diese Einstellung.
Legen Sie zwei Blöcke (siehe Blockhöhen- und Rechentabelle) unter die hintere Kante des Mähwerks, einen Block an jeder Seite des Mähwerks (Bild 77).
Stellen Sie die Schnitthöhe auf 76 mm ein.
Legen Sie zwei Blöcke an jeder Seite unter die vordere Kante des Mähwerks, jedoch nicht unter die Halterungen der Antiskalpierrollen oder die Schweißnähte.

| Mähwerk-größe | Vordere Blockhöhe | Rechen |
| Alle Mähwerke | 7,3 cm | 4,8 bis 6,4 mm |
Drehen Sie die Schnittmesser vorsichtig von einer Seite zur anderen (Bild 75).
Lösen Sie die Sicherungsmuttern (Bild 78) an allen vier Ecken und stellen Sie sicher, dass das Mähwerk fest auf allen vier Blöcken sitzt.
Entfernen Sie das Spiel an den Mähwerk-Hängeprofilen und stellen Sie sicher, dass der Mähwerkhubhebel nach hinten gegen den Anschlag gedrückt ist.
Ziehen Sie die vier Sicherungsmuttern fest.

Vergewissern Sie sich, dass die Blöcke bündig unter dem Mähwerk sind und alle Schrauben des Anbaugeräts angezogen sind
Setzen Sie die Nivellierung des Mähwerks fort und prüfen Sie die Schnittmesserneigung in Längsrichtung.
Prüfen Sie die Nivellierung der Messer und führen Sie ggf. den Nivellierungsschritte für das Mähwerk erneut aus.
Halten Sie, damit eine optimale Schnittqualität sichergestellt wird, die Schnittmesser scharf. Halten Sie Ersatzschnittmesser zum Schärfen und Austauschen bereit.
Ein abgenutztes oder beschädigtes Messer kann zerbrechen. Herausgeschleuderte Messerstücke können Sie oder Unbeteiligte treffen und schwere oder tödliche Verletzungen verursachen. Der Versuch, ein defektes Messer zu reparieren, kann zum Verlust der Sicherheitsabnahme der Maschine führen.
Prüfen Sie die Messer regelmäßig auf Abnutzung oder Beschädigungen.
Prüfen Sie die Messer vorsichtig. Wickeln Sie die Messer in einen Lappen ein oder tragen Handschuhe; gehen Sie bei der Wartung der Messer mit besonderer Vorsicht vor. Wechseln oder schärfen Sie die Messer, sie dürfen keinesfalls geglättet oder geschweißt werden.
Denken Sie bei Maschinen mit mehreren Schnittmessern daran, dass ein sich bewegendes Messer das Mitdrehen anderer Messer verursachen kann.
Stellen Sie die Maschine auf eine ebene Fläche, kuppeln Sie den Zapfwellenantriebsschalter aus und aktivieren Sie die Feststellbremse.
Stellen Sie den Motor ab, ziehen Sie den Zündschlüssel und den Zündkerzenstecker ab.
| Wartungsintervall | Wartungsmaßnahmen |
|---|---|
| Bei jeder Verwendung oder täglich |
|
Untersuchen Sie die Schnittkanten (Bild 79).
Entfernen Sie das Messer und schärfen Sie es, wenn die Kanten nicht scharf sind oder Kerben aufweisen, siehe Schärfen der Messer.
Prüfen Sie die Schnittmesser, insbesondere im gebogenen Bereich.
Wenn Sie Risse, Verschleiß oder Rillenbildung in diesem Bereich feststellen, sollten Sie sofort ein neues Schnittmesser einbauen (Bild 79).

Kuppeln Sie den Zapfwellenantriebsschalter aus, stellen die Fahrantriebshebel in die ARRETIERTE NEUTRAL-Stellung und aktivieren die Feststellbremse.
Stellen Sie vor dem Verlassen der Bedienungsposition den Motor ab, ziehen den Schlüssel ab und warten, bis alle beweglichen Teile zum Stillstand gekommen sind.
Drehen Sie die Schnittmesser, bis die Enden nach vorne und hinten gerichtet sind.
Messen Sie von einer ebenen Fläche bis zu den Schnittkante (Stellung A) der Messer (Bild 80).

Drehen Sie das andere Ende des Messers nach vorne.
Messen Sie von einer ebenen Oberfläche bis zur Schnittkante der Messer an der gleichen Stelle wie bei Schritt 4 oben.
Note: Der Unterschied zwischen den Werten, die Sie in den Schritten 4 und 6 erhalten haben, darf nicht über 3 mm liegen.
Note: Bei einem Unterschied von mehr als 3 mm ist das Messer verbogen und muss ausgetauscht werden.
Ein verbogenes oder beschädigtes Messer kann brechen und Sie oder Unbeteiligte schwer verletzen oder töten.
Ersetzen Sie verbogene oder beschädigte Messer immer durch neue.
Feilen oder bilden Sie nie scharfe Auskerbungen an der Schnitt- oder Oberfläche des Messers.
Tauschen Sie das Messer aus, wenn es auf einen festen Gegenstand geprallt oder wenn es unwuchtig oder verbogen ist. Verwenden Sie nur Originalersatzmesser von Toro, damit eine optimale Leistung erzielt wird und die Maschine weiterhin den Sicherheitsbestimmungen entspricht. Ersatzmesser anderer Fabrikate können die Sicherheitsbestimmungen in Frage stellen.
Halten Sie die Spindelwelle mit einem Schraubenschlüssel fest.
Nehmen Sie die Messerschraube, Wellenscheibe und das Messer von der Spindelwelle ab (Bild 81).

Schärfen Sie die Schnittkante an beiden Enden des Schnittmessers mit einer Feile (Bild 82).
Note: Behalten Sie den ursprünglichen Winkel bei.
Note: Das Schnittmesser behält seine Auswuchtung bei, wenn von beiden Schnittkanten die gleiche Materialmenge entfernt wird.

Prüfen Sie die Auswuchtung des Schnittmessers auf einer Ausgleichsmaschine (Bild 83).
Note: Wenn das Schnittmesser in seiner horizontalen Position bleibt, ist es ausgewuchtet und kann wiederverwendet werden.
Note: Feilen Sie, wenn das Schnittmesser nicht ausgewuchtet ist, vom Flügelbereich des Messers etwas Metall ab (Bild 82).

Wiederholen Sie diesen Vorgang, bis das Messer ausgewuchtet ist.
Setzen Sie das Messer auf die Spindelwelle (Bild 84).
Important: Der gebogene Teil des Schnittmessers muss nach oben zur Innenseite des Mähwerks zeigen, um einen guten Schnitt sicherzustellen.
Setzen Sie die Federscheibe und die Messerschraube ein (Bild 84).
Note: Der Konus der Federscheibe muss bei der Installation in Richtung Schraubenkopf zeigen (Bild 84).
Ziehen Sie die Messerschraube mit 115 bis 150 N·m an.

Stellen Sie den Motor ab, warten Sie, bis alle beweglichen Teile zum Stillstand gekommen sind und ziehen den Zündschlüssel ab. Aktivieren Sie die Feststellbremse.
Entfernen Sie den Einstellstift für die Höhe und senken Sie das Mähwerk ab.
Stecken Sie den Höheneinstellstift in das Loch für die Schnitthöhe von 7,6 cm.
Entfernen Sie die Riemenabdeckungen.
Lösen Sie die Spannscheibe des Mähwerks und nehmen Sie den Mähwerkriemen ab, siehe Warten der Riemen.
Entfernen Sie die Schrauben und Muttern von der Vorderseite der Platte unter der Fußstütze.
Entfernen und bewahren Sie die Schrauben und Muttern an beiden Seiten der Maschine auf (Bild 85).

Schieben Sie das Mähwerk von der rechten Seite der Maschine heraus.
Ein nicht abgedeckte Auswurföffnung kann zum Ausschleudern von Gegenständen auf den Bediener oder Unbeteiligte führen. Das kann schwere Verletzungen zur Folge haben. Außerdem könnte es auch zum Kontakt mit dem Messer kommen.
Setzen Sie den Rasenmäher nur dann ein, wenn Sie eine Abdeckplatte, eine Mulchplatte, ein Ablenkblech oder eine Fangvorrichtung montiert haben.
Entfernen Sie die Sicherungsmutter, Schraube, Feder und das Distanzstück, mit denen das Ablenkblech an den Schwenkhalterungen befestigt ist (Bild 86).
Entfernen Sie defekte oder abgenutzte Ablenkbleche (Bild 86).

Legen Sie das Distanzstück und die Feder auf das Ablenkblech.
Setzen Sie ein J-förmiges Federende hinter die Kante des Mähwerks.
Note: Achten Sie darauf, dass ein J-förmiges Federende hinter der Mähwerkkante befestigt ist, bevor Sie die Schraube einsetzen, wie in Bild 86 abgebildet.
Setzen Sie die Schraube und Mutter ein.
Führen Sie das J-förmige Hakenende der Feder um das Ablenkblech (Bild 86).
Important: Das Grasablenkblech muss sich drehen können. Heben Sie das Ablenkblech in die ganz geöffnete Stellung an und stellen Sie sicher, dass es sich in die ganz untere Stellung dreht.
| Wartungsintervall | Wartungsmaßnahmen |
|---|---|
| Bei jeder Verwendung oder täglich |
|
Kuppeln Sie den Zapfwellenantriebsschalter aus, stellen die Fahrantriebshebel in die ARRETIERTE NEUTRAL-Stellung und aktivieren die Feststellbremse.
Stellen Sie vor dem Verlassen der Bedienungsposition den Motor ab, ziehen den Schlüssel ab und warten, bis alle beweglichen Teile zum Stillstand gekommen sind.
Heben Sie das Mähwerk in die Transportposition an.
Motoröl, Batterien, Hydrauliköl und Motorkühlmittel belasten die Umwelt. Entsorgen Sie diese Mittel entsprechend den in Ihrem Gebiet gültigen Vorschriften.
Kuppeln Sie den Zapfwellenantriebsschalter aus, aktivieren Sie die Feststellbremse, drehen den Zündschlüssel in die AUS-Stellung und ziehen ihn ab.
Entfernen Sie Schnittgut und Schmutz von den äußeren Teilen der Maschine, insbesondere vom Motor und der Hydraulikanlage. Entfernen Sie Schmutz und Rückstände außen an den Zylinderkopfrippen des Motors und am Gebläsegehäuse.
Important: Sie können die Maschine mit einem milden Reinigungsmittel und Wasser waschen. Reinigen Sie die Maschine nicht mit einem Hochdruckreiniger. Vermeiden Sie den Einsatz von zu viel Wasser, insbesondere in der Nähe des Armaturenbretts, des Motors, der Hydraulikpumpen und -motoren.
Prüfen Sie die Bremsen; siehe Einstellen der Feststellbremse.
Warten Sie den Luftfilter, siehe Warten des Luftfilters.
Schmieren Sie die Maschine ein, siehe Einfetten der Maschine.
Wechseln Sie das Getriebeöl, siehe Wechseln des Motoröls und des Ölfilters.
Prüfen Sie den Reifendruck, siehe Prüfen des Reifendrucks.
Wechseln Sie die Hydraulikfilter aus, siehe Wechseln des Hydrauliköls und der -filter .
Laden Sie die Batterie auf, siehe Aufladen der Batterie.
Schaben Sie starke Schnittgut- und Schmutzablagerungen von der Unterseite des Mähwerks ab und reinigen Sie das Mähwerk dann mit einem Gartenschlauch.
Note: Lassen Sie die Maschine mit eingekuppeltem Zapfwellenantriebsschalter und Motor mit hoher Drehzahl für zwei bis fünf Minuten nach dem Reinigen laufen.
Prüfen Sie den Zustand der Messer, siehe Prüfen der Messer.
Bereiten Sie die Maschine bei Stilllegung länger als 30 Tage zur Einlagerung vor. Bereiten Sie die Maschine wie im Anschluss beschrieben für die Einlagerung vor:
Geben Sie einen Stabilisator auf Mineralölbasis zum Benzin im Tank. Befolgen Sie dabei die Mischanweisungen des Herstellers des Stabilisators. Verwenden Sie keinen Stabilisator auf Alkoholbasis (Ethanol oder Methanol).
Note: Ein Kraftstoffstabilisator wirkt am effektivsten, wenn er frischem Kraftstoff beigemischt und ständig verwendet wird.
Lassen Sie den Motor laufen, um den stabilisierten Kraftstoff in der Kraftstoffanlage zu verteilen (fünf Minuten).
Stellen Sie den Motor ab, lassen ihn abkühlen und lassen den Kraftstoff aus dem Tank ab; wenden Sie sich an den offiziellen Toro Vertragshändler.
Starten Sie den Motor und lassen Sie ihn laufen, bis er abstellt.
Entsorgen Sie Kraftstoff vorschriftsmäßig. Das Recycling sollte den örtlichen Vorschriften entsprechen.
Important: Lagern Sie stabilisiertes Benzin nicht länger als 90 Tage.
Prüfen Sie alle Muttern und Schrauben und ziehen diese bei Bedarf an. Reparieren Sie alle beschädigten und defekten Teile oder wechseln sie aus.
Bessern Sie alle zerkratzten oder abgeblätterten Metallflächen aus. Die passende Farbe erhalten Sie bei Ihrem Vertragshändler.
Lagern Sie die Maschine in einer sauberen, trockenen Garage oder an einem anderen geeigneten Ort ein.
Ziehen Sie den Schlüssel ab und bewahren Sie ihn sicher auf, außerhalb der Reichweite von Kindern und anderen unbefugten Personen.
Decken Sie die Maschine ab, damit sie geschützt ist und nicht verstaubt.
| Problem | Possible Cause | Corrective Action |
|---|---|---|
| Der Anlasser läuft nicht. |
|
|
| Der Motor springt nicht an, kann nur schwer angelassen werden, oder stellt ab. |
|
|
| Der Motor verliert an Leistung. |
|
|
| Der Motor wird zu heiß. |
|
|
| Das Mähwerk zieht bei ganz nach vorne gedrückten Hebeln nach links oder rechts. |
|
|
| Die Maschine fährt nicht. |
|
|
| Die Maschine weist abnormale Vibrationen auf. |
|
|
| Die Maschine mäht mit unterschiedlicher Schnitthöhe. |
|
|
| Die Schnittmesser drehen sich nicht. |
|
|
| Die Kupplung kann nicht eingekuppelt werden. |
|
|
