| Underhållsintervall | Underhållsförfarande |
|---|---|
| Varje användning eller dagligen |
|
Denna åkgräsklippare med roterande knivar är avsedd att användas av privatkunder och yrkesförare som har anlitats för kommersiellt arbete. Den är primärt konstruerad för att klippa gräs på väl underhållna gräsmattor runt bostäder eller kommersiella anläggningar. Den är inte konstruerad för att klippa snår eller för jordbruksändamål.
Läs den här informationen noga så att du lär dig att använda och underhålla produkten på rätt sätt och för att undvika person- och produktskador. Du är ansvarig för att produkten används på ett korrekt och säkert sätt.
Om du behöver utbildningsmaterial för säkerhet och drift, information om tillbehör, hjälp med att hitta en återförsäljare eller om du vill registrera din produkt kan du kontakta Toro via www.toro.com.
Kontakta en auktoriserad återförsäljare eller Toros kundservice och ha produktens modell- och artikelnummer till hands om du har behov av service, Toro-originaldelar eller ytterligare information. Figur 1 visar var på produkten modell- och serienumren sitter. Skriv numren i det tomma utrymmet.

I den här bruksanvisningen anges potentiella risker och alla säkerhetsmeddelanden har markerats med en varningssymbol (Figur 2), som anger fara som kan leda till allvarliga personskador eller dödsfall om föreskrifterna inte följs.

Två ord används också i den här bruksanvisningen för att markera information. Viktigt anger speciell teknisk information och Observera anger allmän information som bör ges särskild uppmärksamhet.
Produkten uppfyller alla relevanta europeiska direktiv. Mer information finns i produktens separata försäkran om överensstämmelse.
Detta tändningssystem överensstämmer med bestämmelserna i kanadensiska ICES-002.
Om gängse originalutrustning och -tillbehör tas bort kan det påverka maskinens garanti, drivning och säkerhet. Underlåtenhet att använda Toro-originaldelar kan leda till allvarliga personskador eller dödsfall. Obemyndigade förändringar av motorn, bränsle- och ventilationssystemen kan bryta mot föreskrifterna.
Byt ut alla delar inklusive, men inte begränsat till, däck, remmar, knivar och bränslesystemkomponenter mot Toro-originaldelar.
Important: Om du använder en maskin med Toro-motor på högre höjd än 1 500 m under en längre period, ska du montera satsen för höga höjder så att motorn uppfyller CARB-/EPA-bestämmelserna för avgaser. Satsen för höga höjder ökar motorns prestanda och förhindrar samtidigt förorening av tändstiften, trög start och ökade utsläpp. När du har monterat satsen för höga höjder ska du fästa satsens etikett bredvid serienummerdekalen på maskinen. Kontakta en auktoriserad Toro-återförsäljare för att införskaffa rätt sats för höga höjder och tillhörande etikett för maskinen. Du hittar återförsäljare som finns i närheten av dig på vår webbplats www.Toro.com eller genom att kontakta Toros kundtjänst på de nummer som anges i garantiförklaringen om kontroll av emission.Ta bort satsen från motorn och återställ motorn till dess ursprungliga fabrikskonfiguration när motorn körs på lägre höjd än 1 500 m. Kör inte en motor som har konverterats för användning på hög höjd på lägre höjd. Då kan motorn överhettas och skadas.Om du är osäker på om maskinen har konverterats för användning på hög höjd kan du leta efter följande etikett (Figur 3).

Maskinen har utformats i enlighet med specifikationerna i SS-EN ISO 5395:2013.
Maskinen kan slita av händer och fötter och kasta omkring föremål. Följ alltid alla säkerhetsanvisningar för att undvika allvarliga personskador.
Det kan medföra fara för dig och kringstående om maskinen används i andra syften än vad som avsetts.
Läs och se till att du har förstått innehållet i den här bruksanvisningen innan du startar motorn. Se till att alla som använder den här produkten förstår varningarna och vet hur produkten ska användas.
Håll händer och fötter på avstånd från maskinens rörliga delar.
Kör endast maskinen om skydd och andra säkerhetsanordningar sitter på plats och fungerar.
Håll avstånd till utkastaröppningen. Håll kringstående på säkert avstånd från maskinen.
Håll barn på säkert avstånd från arbetsområdet. Låt aldrig barn använda maskinen.
Stanna maskinen och stäng av motorn innan du utför service på, tankar eller rensar maskinen.
Felaktigt bruk eller underhåll av maskinen kan leda till personskador. För att minska risken för skador ska du alltid följa säkerhetsanvisningarna och uppmärksamma varningssymbolen. Symbolen betyder Var försiktig, Varning eller Fara – anvisning om personsäkerhet. Underlåtenhet att följa anvisningarna kan leda till personskador eller dödsfall.
Du hittar mer säkerhetsinformation i respektive avsnitt i denna bruksanvisning.

![]() |
Säkerhetsdekalerna och anvisningarna är fullt synliga för föraren och finns nära alla potentiella farozoner. Dekaler som har skadats eller ramlat bort ska bytas ut eller ersättas. |



























Bekanta dig med alla reglage innan du startar motorn och kör maskinen (Figur 5 och Figur 6).

Använd tändningslåset för att starta klipparens motor. Det har tre lägen: STARTA, KöR och AV.
Använd choken för att starta en kall motor. Dra chokereglaget uppåt för att koppla in det. Tryck chokereglaget nedåt för att koppla ur det (Figur 6).
Gasreglaget styr motorhastigheten och har en steglös reglerbar inställning från LåNGSAMT till SNABBT (Figur 6).
Knivreglagebrytaren (kraftuttaget) kopplar på och av strömmen till klipparknivarna (Figur 6).
Timmätaren registrerar antalet timmar som motorn har arbetat. Den är aktiv när motorn är igång. Använd dessa tider för att schemalägga regelbundet underhåll (Figur 6).
Det finns symboler på timmätaren som med hjälp av en svart triangel anger att säkerhetskomponenten är i rätt läge (Figur 7).
Om du vrider tändningsnyckeln till KöRLäGET i några sekunder visas batterispänningen där timmarna vanligtvis visas.
Batterilampan tänds när tändningen vrids på och när laddningen ligger under korrekt driftnivå (Figur 7).

Använd rörelsereglagespakarna för att köra maskinen framåt och bakåt och för att svänga åt olika håll.
Använd det NEUTRALA LåSLäGET tillsammans med säkerhetssystemet för att fastställa NEUTRALLäGET.
Stäng bränslekranen (bakom sätet) vid transport och förvaring av klipparen.
Det finns ett urval av godkända Toro-redskap och -tillbehör som du kan använda för att förbättra och utöka maskinens kapacitet. Kontakta en auktoriserad serviceverkstad eller återförsäljare eller gå till www.Toro.com för att se en lista över alla godkända redskap och tillbehör.
Note: Delarnas specifikationer och utformning kan ändras utan föregående meddelande.
| Klippdäck på 122 cm | Klippdäck på 132 cm | |
|---|---|---|
| Utan klippdäck | 121 cm | 124 cm |
| Gräsriktare uppfälld | 133 cm | 144 cm |
| Gräsriktare nedfälld | 160 cm | 171 cm |
| Klippdäck på 122 cm | Klippdäck på 132 cm | |
|---|---|---|
| Längd | 208 cm | 208 cm |
| Störtbåge – uppfälld | Störtbåge – nedfälld |
|---|---|
| 179 cm | 125 cm |
| Maskiner | Vikt |
| 122 cm maskin med sidoutkast | 385–425 kg |
| 132 cm maskin med sidoutkast | 391–434 kg |
Note: Vänster och höger sida på maskinen är lika med förarens vänstra respektive högra sida vid normal körning.
Låt aldrig barn eller någon som inte har fått utbildning använda eller utföra underhåll på maskinen. Lokala föreskrifter kan begränsa förarens ålder. Det är ägaren som ansvarar för att utbilda alla förare och mekaniker.
Lär dig hur du använder utrustningen på ett säkert sätt och bekanta dig med manöverorgan och säkerhetsskyltar.
Lär dig att stanna maskinen och motorn snabbt.
Kontrollera att förarkontroller, säkerhetsbrytare och skydd sitter fast och fungerar som de ska. Kör inte maskinen om dessa inte fungerar som de ska.
Före klippning ska du alltid kontrollera att knivarna, knivskruvarna och klippenheterna är i gott fungerande skick. Byt ut slitna eller skadade knivar och skruvar i satser så att balanseringen bibehålls.
Inspektera området där maskinen ska användas och ta bort föremål som maskinen kan slunga iväg.
Undersök terrängen för att avgöra vad som är lämplig utrustning och vilka redskap eller tillbehör som eventuellt krävs för att använda maskinen på ett korrekt och säkert sätt.
Var mycket försiktig när du hanterar bränsle så att du undviker personskador och materiella skador. Bränsleångor är brandfarliga och explosiva.
Släck alla cigaretter, cigarrer, pipor och allt annat som brinner.
Använd endast en godkänd bränsledunk.
Ta inte bort tanklocket och fyll aldrig på bränsle i bränsletanken när motorn är igång.
Fyll inte på bränsle i maskinen inomhus.
Förvara inte maskinen eller bränslebehållaren i närheten av en öppen låga, t.ex. nära en varmvattenberedare eller någon annan maskin.
Fyll inte på dunkar inuti ett fordon eller på ett lastbilsflak eller släp med plastklädsel. Ställ alltid dunkar på marken, en bit bort från ditt fordon före påfyllning.
Ta bort utrustningen från lastbilen eller släpet och fyll på bränsle när den står på marken. Fyll hellre på maskinen från en dunk än med munstycket på en bensinpump om det inte är möjligt att lasta av maskinen från släpet.
Kör inte maskinen utan att ha hela avgassystemet på plats och i gott fungerande skick.
Se till att bensinpumpens munstycke hela tiden har kontakt med kanten på bränsletankens eller dunkens öppning tills tankningen är klar. Använd inte en låsöppningsanordning för munstycket.
Byt omedelbart kläder om du råkar spilla bränsle på dem. Torka upp utspillt bränsle.
Överfyll aldrig bränsletanken. Sätt på tanklocket och dra åt det ordentligt.
Förvara bränslet i en godkänd dunk och håll den utom räckhåll från barn. Köp aldrig mer bränsle än vad som går åt inom en månad.
Fyll inte tanken helt full. Fyll på bränsle i tanken tills det återstår 6 till 13 mm till påfyllningsrörets underkant. Det tomma utrymmet behövs för bränslets expansion.
Undvik att andas in bränsleångor under en längre tid.
Håll ansiktet borta från munstycket och bränsletankens öppning.
Undvik hudkontakt och tvätta bort spill med tvål och vatten.
Använd endast ren och färsk (ej äldre än 30 dagar) blyfri bensin med oktantal 87 eller högre för bästa resultat (klassificeringsmetod [R+M]/2).
Etanol: Bensin som innehåller upp till 10 % etanol (gasohol) eller 15 % MTBE (metyl-tertiär-butyleter) baserat på volym är godkänd. Etanol och MTBE är inte samma sak. Bensin med 15 % etanol (E15) baserat på volym får inte användas. Använd inte bensin som innehåller mer än 10 % etanol baserat på volym, t.ex. E15 (innehåller 15 % etanol), E20 (innehåller 20 % etanol) eller E85 (innehåller upp till 85 % etanol). Användning av ej godkänd bensin kan leda till prestandaproblem och/eller skador på motorn som eventuellt inte omfattas av garantin.
Använd inte bensin som innehåller metanol.
Förvara inte bränsle i bränsletanken eller i en bränsledunk under vintern om inte en stabiliserare används.
Tillför inte olja i bensinen.
En bränslestabiliserare/-konditionerare i maskinen ger följande fördelar:
Bränslet förblir färskt vid förvaring i upp till 90 dagar (tappa ur bränsletanken om maskinen ska förvaras i mer än i 90 dagar).
Rengör motorn under körning.
Motverkar att gummiliknande beläggningar bildas i bränslesystemet, något som orsakar trög start.
Important: Använd inte bränsletillsatser som innehåller metanol eller etanol.
Tillsätt rätt mängd stabiliserare/konditionerare till bränslet.
Note: En stabiliserare/konditionerare fungerar som mest effektivt när den blandas med färskt bränsle. Använd alltid bränslestabiliserare så minimeras risken för avlagringar i bränslesystemet.
Parkera maskinen på ett plant underlag.
Stäng av motorn och koppla in parkeringsbromsen.
Gör rent omkring tanklocket.
Fyll bränsletanken till påfyllningsrörets nedersta del (Figur 8).
Note: Fyll inte tanken helt full. Det tomma utrymmet i tanken behövs för bensinens expansion.

Innan du startar motorn och använder maskinen ska du kontrollera vevhusets oljenivå; se Kontrollera oljenivån i motorn.
Det tar tid för nya maskiner att komma upp i sin fulla prestanda. Nya klippdäck och drivsystem har högre friktion vilket belastar motorn ytterligare. Räkna med att det tar 40 till 50 timmar att köra in nya maskiner så att de får full kraft och optimal prestanda.
Så här undviker du att välta, vilket kan innebära personskador och livsfara: Håll störtbågen i helt upprätt och låst läge och använd säkerhetsbältet.
Kontrollera att sätet sitter fast ordentligt på maskinen.
Det finns inget vältskydd om störtbågen är nedfälld.
Fäll inte ned störtbågen om det inte är absolut nödvändigt.
Använd inte säkerhetsbältet om störtbågen är nedfälld.
Kör långsamt och försiktigt.
Fäll upp störtbågen så snart som det finns tillräckligt med utrymme.
Var mycket uppmärksam på utrymmen ovanför dig (dvs. grenar, dörrar, elektriska sladdar) innan du kör under ett föremål och vidrör dem inte.
Important: Fäll inte ner störtbågen om det inte är absolut nödvändigt.
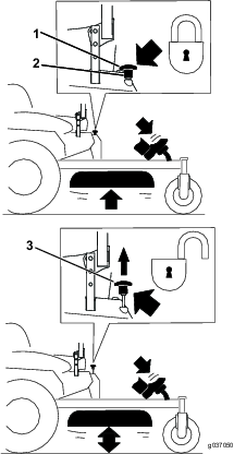
Tryck den övre delen av störtbågen framåt för att sänka den.
Dra ut båda rattarna och vrid dem 90 grader så att de kopplas ur (Figur 9).
Sänk ned störtbågen till nedfällt läge (Figur 9).

Fäll upp störtbågen genom att placera den i körläget och rotera vreden så att de delvis glider in i skårorna (Figur 9).
Fäll upp störtbågen helt samtidigt som du trycker på den övre störtbågen. Sprintarna snäpper på plats när de ligger i linje med hålen (Figur 9).
Important: Använd alltid säkerhetsbältet med störtbågen uppfälld.
Tryck på störtbågen och kontrollera att båda sprintarna sitter fast.
Läs alla säkerhetsanvisningar och symboler i avsnittet om säkerhet. Att känna till denna information kan hjälpa dig och kringstående att undvika skada.
Körning på vått gräs eller i branta sluttningar kan orsaka slirning eller att du förlorar kontrollen.
Kör inte i backar vars lutning överstiger 15 grader.
Minska hastigheten och var ytterst försiktig på sluttningar.
Kör inte maskinen nära vattendrag.
Hjul som glider över en kant kan orsaka vältolyckor vilket kan resultera i allvarliga skador, dödsfall eller drunkning.
Kör inte maskinen nära stup.
Om du välter med maskinen när störtbågen är nedfälld kan det leda till allvarliga personskador eller dödsfall.
Håll alltid störtbågen låst i helt uppfällt läge och använd säkerhetsbältet.

Denna maskin ger ljudnivåer vid förarens öra som överstiger 85 dBA och kan orsaka hörselskador vid längre arbetspass.
Använd hörselskydd när du kör denna maskin.
Använd skyddsutrustning för ögonen, öronen, händerna, fötterna och huvudet.

Om säkerhetsbrytarna är frånkopplade eller skadade kan maskinen plötsligt aktiveras vilket i sin tur kan leda till personskador.
Gör inga otillåtna ändringar på säkerhetsbrytarna.
Kontrollera säkerhetsbrytarnas funktion dagligen och byt ut eventuella skadade brytare innan maskinen körs.
Säkerhetssystemet är konstruerat så att motorn inte kan startas om inte
parkeringsbromsen är inkopplad
knivreglagebrytaren (kraftuttaget) är urkopplad
rörelsereglagen är i det NEUTRALA LåSLäGET.
Säkerhetssystemet ska också stänga av motorn när rörelsereglagen förs från det låsta läget med parkeringsbromsen åtdragen eller om du reser dig upp från sätet när kraftuttaget är inkopplat.
Det finns symboler på timmätaren som visar om säkerhetskomponenterna är i rätt läge. När komponenten är i rätt läge tänds en triangel i motsvarande ruta.

| Underhållsintervall | Underhållsförfarande |
|---|---|
| Varje användning eller dagligen |
|
Testa säkerhetssystemet före varje användningstillfälle. Låt en auktoriserad serviceverkstad reparera systemet omedelbart om det inte fungerar enligt nedanstående beskrivning.
Sitt på sätet, koppla in parkeringsbromsen och för knivreglagebrytaren (kraftuttaget) till På-LäGET. Försök att starta motorn – det ska inte gå.
Sitt på sätet, koppla in parkeringsbromsen och koppla ur knivreglagebrytaren (kraftuttaget) till AV-LäGET. Flytta något av rörelsereglagen (från det NEUTRALA LåSLäGET). Försök att starta motorn – det ska inte gå. Upprepa med den andra reglagespaken.
Sitt på sätet, koppla in parkeringsbromsen, KOPPLA UR knivreglagebrytaren (kraftuttaget) och för rörelsereglagen till det NEUTRALA LåSLäGET. Starta sedan motorn. Koppla ur parkeringsbromsen, koppla in knivreglagebrytaren (kraftuttaget) och res dig något från sätet medan motorn är igång. Motorn ska stängas av.
Sitt på sätet, koppla in parkeringsbromsen, KOPPLA UR knivreglagebrytaren (kraftuttaget) och för rörelsereglagen till det NEUTRALA LåSLäGET. Starta sedan motorn. För ett av rörelsereglagen mot mitten och rör på det (framåt eller bakåt) medan motorn är igång. Motorn ska stängas av. Upprepa samma sak för det andra rörelsereglaget.
Sitt på sätet, koppla ur parkeringsbromsen, för knivreglagebrytaren (kraftuttaget) till AV-LäGET och för rörelsereglagespakarna till det NEUTRALA LäGET. Försök att starta motorn – det ska inte gå.
Sätet kan flyttas framåt och bakåt (Figur 13). Ställ in sätet så att du har bäst kontroll över maskinen och sitter bekvämt.

Sätet kan justeras så att du får en mjuk och bekväm åkning. Ställ in sätet i det läge som du tycker är mest bekvämt.
Justera genom att vrida ratten i endera riktningen för att uppnå bästa bekvämlighet (Figur 14).

Använd endast redskap och tillbehör som är godkända av Toro.
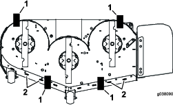
Om fler än en monteringssats för tillbehör (dvs. hinksatsen eller universalmonteringssatsen) läggs till på någon av de fyra platserna som visas i Figur 15 ska du lägga till en framviktssats. Kontakta en auktoriserad återförsäljare för anvisningar om framviktssatsen.

Ägaren/operatören kan förebygga och ansvarar för olyckor som kan ge upphov till personskador eller skador på egendom.
Använd lämpliga kläder, inklusive ögonskydd, halkfria och ordentliga skor samt hörselskydd. Sätt upp långt hår och använd inte smycken.
Kör inte maskinen om du är sjuk, trött eller påverkad av alkohol eller läkemedel.
Låt aldrig passagerare åka på maskinen och håll kringstående personer och husdjur på avstånd från maskinen under drift.
Använd endast maskinen om du har god sikt, så att du kan undvika gropar och dolda faror.
Undvik att klippa vått gräs. Försämrat grepp kan göra att maskinen glider.
Se till att alla drivenheter är i neutralläge, parkeringsbromsen är inkopplad och att du sitter i förarsätet innan du startar motorn.
Håll händer och fötter borta från klippenheterna. Håll alltid avstånd till utkastaröppningen.
Titta bakåt och nedåt innan du backar för att se till att vägen är fri.
Var försiktig när du närmar dig hörn med skymd sikt, buskage, träd eller andra objekt som kan försämra sikten.
Klipp inte gräset nära stup, diken eller flodbäddar. Maskinen kan välta plötsligt om ett hjul kör över en kant eller kanten ger med sig.
Stanna knivarna när du inte klipper gräs.
Stanna maskinen och undersök knivarna om du kör på ett föremål eller om maskinen vibrerar på ett onormalt sätt. Reparera alla skador innan du börjar köra maskinen igen.
Sakta ned och var försiktig när du svänger och korsar vägar och trottoarer med maskinen. Lämna alltid företräde.
Koppla ur drivningen till klippenheten och stäng av motorn innan du ställer in klipphöjden (om du inte kan justera den från förarplatsen).
Låt aldrig motorn gå i ett utrymme där avgaser inte kan komma ut.
Lämna aldrig en maskin som är i gång utan uppsikt.
Innan du lämnar förarplatsen (till exempel för att tömma gräsuppsamlarna eller för att rensa utkastaren) ska du göra följande:
Stanna maskinen på ett plant underlag.
Koppla ur kraftuttaget och sänk ned redskapen.
Koppla in parkeringsbromsen.
Stäng av motorn och ta ut nyckeln.
Vänta tills alla rörliga delar har stannat.
Använd inte maskinen när det finns risk för blixtnedslag.
Använd inte maskinen som bogserfordon.
Ändra inte varvtalshållarens inställning och övervarva inte motorn.
Använd endast tillbehör och redskap som har godkänts av Toro.
Ta inte bort störtbågen från maskinen.
Kontrollera att säkerhetsbältet är fastspänt och att du kan knäppa upp det snabbt i en nödsituation.
Använd alltid säkerhetsbältet när störtbågen är uppfälld.
Var mycket uppmärksam på hinder som kan finnas ovanför dig och vidrör dem inte.
Håll störtbågen i säkert bruksskick genom att regelbundet inspektera den noga och kontrollera att den inte är skadad samt hålla alla fästelement åtdragna.
Byt ut störtbågen om den är skadad. Reparera eller ändra den inte.
Sakta ned maskinen och var extra försiktig i sluttningar. Kör rakt upp och ned i sluttningar. Gräsförhållandena kan påverka maskinens stabilitet.
Undvik att svänga med maskinen i sluttningar. Om du måste svänga så gör det om möjligt långsamt och gradvis nedför.
Sväng inte maskinen tvärt. Var försiktig när du backar maskinen.
Var extra försiktig när du kör maskinen med redskap – de kan påverka maskinens stabilitet.
Koppla alltid in parkeringsbromsen när du stannar maskinen eller lämnar den utan uppsikt.
Parkeringsbromsen kanske inte kan hålla maskinen parkerad på lutande underlag. Detta kan orsaka personskador eller skador på egendom.
Vid eventuell parkering i en sluttning måste hjulen alltid kilas fast eller blockeras på något sätt.


Med knivreglagebrytaren (kraftuttaget) startas och stoppas klipparens knivar och eventuella motordrivna redskap.
Note: Om knivreglagebrytaren (kraftuttaget) kopplas in med halvt gaspådrag eller mindre slits drivremmarna kraftigt.


Du kan flytta gasreglaget mellan det SNABBA och det LåNGSAMMA läget (Figur 20).
Använd alltid det SNABBA läget när du startar klippdäcket med knivreglagebrytaren (kraftuttaget).

Vrid tändningsnyckeln till STARTLäGET (Figur 22).
Note: Släpp nyckeln när motorn startar.
Important: Låt inte startmotorn gå i mer än fem sekunder åt gången. Om motorn inte startar ska du vänta 15 sekunder innan du försöker igen. Om du inte följer de här anvisningarna kan startmotorn brännas ur.
Note: Det kan krävas flera försök att starta motorn om du startar den första gången efter att bränslesystemet har tömts helt på bränsle.

Vrid tändningsnyckeln till STOPPLäGET för att stänga av motorn.
Fäll upp störtbågen och lås den på plats, sätt dig i sätet och fäst säkerhetsbältet.
För rörelsereglagen till det NEUTRALA LåSLäGET.
Koppla in parkeringsbromsen. Se Koppla in parkeringsbromsen.
Flytta knivreglagebrytaren (kraftuttaget) till det AV-läget (Figur 23).
Flytta gasreglaget till mittläget mellan det LåNGSAMMA och det SNABBA läget.

Vrid tändningsnyckeln till START-läget (Figur 24).
Note: Släpp nyckeln när motorn startar.
Important: Låt inte startmotorn gå i mer än 5 sekunder åt gången. Om motorn inte startar ska du låta den svalna under 15 sekunder mellan startförsöken. Om du inte följer de här anvisningarna kan startmotorn brännas ur.
Note: Ytterligare startcykler kan behövas när motorn startas för första gången efter att bränslesystemet har tömts helt på bränsle.

Barn eller kringstående kan skadas om de flyttar eller försöker köra en maskin som har lämnats utan uppsikt.
Ta alltid ur tändningsnyckeln och koppla in parkeringsbromsen när du lämnar maskinen utan tillsyn, även om det bara är för några minuter.
För gasreglaget till det SNABBA läget och vrid reglaget till läget AV.

Important: Se till att bränslekranen är stängd innan maskinen transporteras eller ställs i förvaring, eftersom bränsleläckage kan förekomma. Koppla in parkeringsbromsen före transport. Kontrollera att du tagit ut nyckeln eftersom bränslepumpen annars kan gå igång och göra att batteriet laddar ur.

Drivhjulen svänger oberoende av varandra och drivs av hydraulmotorer på varje axel. Du kan svänga ena sidan bakåt och den andra framåt så att maskinen snurrar istället för att svänga. Detta gör maskinen mycket mer lättmanövrerad, men det kan ta en stund att vänja sig vid rörelserna.
Med gasreglaget styrs motorns varvtal mätt i rpm (varv per minut). Sätt gasreglaget i det SNABBA läget för bästa prestanda. Kör alltid med full gas vid klippning.
Maskinen kan rotera väldigt snabbt. Föraren kan förlora kontrollen över maskinen och orsaka personskador eller skador på maskinen.
Var försiktig i svängar.
Sakta ned innan du gör skarpa svängar.
Note: Om du flyttar på rörelsereglagen när parkeringsbromsen är inkopplad stängs motorn av.
Dra rörelsereglagen till NEUTRALLäGET för att stanna.
Koppla ur parkeringsbromsen. Se Koppla ur parkeringsbromsen.
För reglagen till mittläget, olåst läge.
Kör framåt genom att försiktigt föra rörelsereglagespakarna framåt (Figur 27).

För reglagen till mittläget, olåst läge.
Backa genom att försiktigt dra rörelsereglagespakarna bakåt (Figur 28).

Transportlåset har två lägen och manövreras med däcklyftpedalen. Klippdäckets transportläge har ett LåST läge och ett OLåST läge (Figur 29).

Klipphöjden kan justeras från 38 till 127 mm i steg om 6 mm genom att klipphöjdsprinten flyttas till olika hållägen.
För transportlåset till det LåSTA läget.
Tryck på däcklyftpedalen med foten och höj klippdäcket till TRANSPORTLäGET (även klipphöjdsläget på 127 mm) som visas i Figur 30.
Justera inställningen genom att ta ut sprinten ur klipphöjdsfästet (Figur 30).
Sätt i sprinten i det hål i klipphöjdsfästet som passar för den önskade klipphöjden (Figur 30).
Tryck på däcklyftpedalen, dra transportlåsvredet bakåt och sänk sakta ner klippdäcket.

Ställ in antiskalvalsarnas höjd om du ändrar klipphöjden.
Koppla ur knivreglagebrytaren (kraftuttaget), för rörelsereglagespakarna till det NEUTRALA LåSLäGET och dra åt parkeringsbromsen.
Stäng av motorn, ta ut nyckeln och vänta tills alla rörliga delar har stannat innan du kliver ur förarsätet.


Du stannar maskinen genom att föra rörelsereglagen till neutralläget och därefter det NEUTRALA LåSLäGET, koppla ur knivreglagebrytaren (kraftuttaget) och STäNGA AV maskinen med tändningsnyckeln.
Dra åt parkeringsbromsen varje gång du lämnar maskinen. Se Koppla in parkeringsbromsen. Ta ut nyckeln ur tändningslåset.
Barn eller kringstående kan skadas om de flyttar eller försöker köra en maskin som har lämnats utan uppsikt.
Ta alltid ur tändningsnyckeln och koppla in parkeringsbromsen när du lämnar maskinen utan tillsyn, även om det bara är för några minuter.
Klipparen har en fällbar gräsriktare som sprider ut det klippta gräset åt sidan och ner i gräsmattan.
Om ingen gräsriktare, utkastarlucka eller komplett gräsuppsamlare har monterats kan du och andra komma i kontakt med knivarna eller träffas av utslungat skräp. Kontakt med roterande kniv(ar) och utslungat skräp kan orsaka skador eller leda till dödsfall.
Ta aldrig bort gräsriktaren från klipparen eftersom den riktar avfallet ned mot gräset. Byt omedelbart ut gräsriktaren om den skadas.
För aldrig in händerna eller fötterna under klipparen.
Försök aldrig att rensa utkastaren eller knivarna utan att först KOPPLA UR knivreglagebrytaren (kraftuttaget) och vrida tändningsnyckeln till det AVSTäNGDA läget och ta ut den.
Se till att gräsriktaren är i nedfällt läge.
Kör motorn i det SNABBA läget för bästa klippning och maximal luftcirkulation. Det krävs luft för att klippa gräset ordentligt. Ställ inte in för låg klipphöjd så att klipparen helt omges av oklippt gräs. Försök att alltid se till att en sida av klipparen är fri från oklippt gräs, vilket medför att luft kan sugas in i klipparen.
Klipp gräset något längre än normalt så att inte klipparen skalperar ojämn mark. Den klipphöjd som använts tidigare är vanligtvis den bästa. Vid klippning av gräs som är längre än 15 cm kan du behöva klippa två gånger för att få ett acceptabelt klippresultat.
Det är bäst att bara klippa av cirka en tredjedel av grässtrået. Mer än så rekommenderas bara om gräset är glest eller om det är sent på hösten då gräset växer saktare.
Växla klippriktning för att hålla gräset rakt. Det underlättar också fördelningen av det klippta gräset, vilket förbättrar nedbrytningen och gödningen.
Gräs växer i olika takt beroende på årstiden. För att hålla samma längd på gräset ska man klippa oftare tidigt på våren. Klipp mer sällan när tillväxten avtar mot mitten av sommaren. Klipp med högre klipphöjd och klipp sedan igen efter två dagar med lägre klipphöjd om du inte kan klippa under en längre tidsperiod.
Du kan köra saktare för att få ett bättre klippresultat under vissa förhållanden.
Höj klipphöjden vid klippning av en ojämn gräsmatta så att inte gräsmattan skalas av.
Om du måste stanna maskinen under klippningen kan en klump med gräsklipp falla ner på gräsmattan. Kör till ett område som du redan har klippt medan knivarna är inkopplade för att undvika detta eller koppla bort klippardäcket samtidigt som du kör framåt.
Rensa bort gräsklipp och smuts från undersidan av klipparen efter varje klippning. Om gräs och smuts ansamlas inuti klipparen blir klippresultatet till slut inte tillfredsställande.
Se till att hålla kniven vass under klippsäsongen, eftersom en vass kniv klipper rent utan att slita och rycka av grässtråna. Om gräset slits och rycks av gulnar det i ändarna, vilket minskar tillväxten och ökar risken för sjukdomar. Kontrollera knivarna efter varje användning för att se till att de inte är slöa, slitna eller skadade. Fila ned eventuella hack och slipa knivarna om så behövs. Om en kniv är skadad eller sliten ska den bytas ut omedelbart mot en originalkniv från Toro.
Ta bort gräs och skräp från klippenheterna, ljuddämparna och motorrummet för att undvika eldsvåda. Torka upp eventuellt olje- eller bränslespill.
Stäng av bränsletillförseln på maskinen vid förvaring och transport.
Koppla ur redskapets drivning när du transporterar maskinen eller inte använder den.
Använd ramper i fullbredd när du lastar maskinen på en släpvagn eller lastbil.
Bind fast maskinen så att den sitter säkert med spännband, kedjor, vajrar eller rep. Både de främre och bakre spännremmarna ska vara riktade nedåt och ut från maskinen.
Låt motorn svalna innan maskinen ställs undan i ett slutet utrymme.
Stäng av bränsletillförseln på maskinen vid förvaring och transport.
Förvara aldrig maskinen eller bränslebehållaren i närheten av en öppen låga, gnista eller tändlåga, t.ex. på en varmvattenberedare eller någon annan anordning.
Bränslekranen sitter bakom sätet.
Stäng bränslekranen vid transport, underhåll och förvaring.
Kontrollera att bränslekranen är öppen när motorn startas.


Händer kan fastna i de roterande drivningskomponenterna under motordäcket, vilket kan orsaka allvarliga skador.
Stäng av motorn, ta ut nyckeln och vänta tills alla rörliga delar har stannat innan du försöker att komma åt drivhjulens utlösningsventiler.
Motorn och hydrauldrivningsenheterna kan bli mycket varma. Om du rör vid en varm motor eller hydrauldrivningsenhet kan du få allvarliga brännskador.
Låt motor och hydrauldrivningsenheter svalna helt innan du försöker att komma åt drivhjulens utlösningsventiler.
Drivhjulens utlösningsventiler sitter på vänster och höger sida under motordäcket.
Koppla ur knivreglaget (kraftuttaget), vrid tändningsnyckeln till det avstängda läget, för reglagen till det NEUTRALA LåSLäGET, lägg i parkeringsbromsen och ta ut nyckeln.
Förbikopplingsreglagen finns bakom sätet, nedtill på vänster och höger sida om ramen.
Om du vill skjuta maskinen framåt för du båda förbikopplingsvreden bakåt och låser dem sedan på plats (Figur 34).
Koppla ur parkeringsbromsen innan du skjuter på maskinen.

När du ska köra maskinen ska du vrida förbikopplingsvreden till FRAMåTLäGET och låsa dem i läge (Figur 34).
Använd en släpvagn eller lastbil för tung last för att transportera maskinen. Kontrollera att släpvagnen eller lastbilen är utrustad med alla bromsar, lampor och markeringar som krävs enligt lag. Läs alla säkerhetsanvisningarna noga. Risken för att du, din familj, dina husdjur eller kringstående skadas minskar om du känner till denna information.
Det är farligt att köra på gator eller vägar utan blinkers, strålkastare och reflexer, eller utan en skylt för långsamtgående fordon, och det kan orsaka olyckor med personskador som följd.
Kör inte maskinen på allmän väg.
Gör så här för att transportera maskinen:
Om du använder en släpvagn ska den kopplas till det bogserande fordonet och säkras med säkerhetskedjor.
Anslut släpvagnsbromsarna om tillämpligt.
Lasta maskinen på släpvagnen eller lastbilen.
Stäng av motorn, ta ut nyckeln, dra åt parkeringsbromsen och stäng bränslekranen.
Använd fästöglorna av metall på maskinen för att säkra den på släpvagnen eller lastbilen med hjälp av spännband, kedjor, vajrar eller rep (Figur 35).

Var mycket försiktigt när du lastar på eller av maskiner på ett släp eller en lastbil. Använd en fullbreddsramp som är bredare än maskinen för den här proceduren. Backa uppför rampen och kör framåt nedför rampen (Figur 36).

Important: Använd inte smala, åtskilda ramper för maskinens båda sidor.
Om man lastar på en maskin på ett släp eller en lastbil ökar risken för att välta, vilket kan orsaka allvarliga personskador och innebära livsfara (Figur 37).
Var mycket försiktig vid körning på en ramp.
Använd endast en fullbreddsramp. Använd inte åtskilda ramper för var sida av maskinen.
Kontrollera att lutningen mellan rampen och marken, eller mellan rampen och släpet eller lastbilen, inte är större än 15 grader.
Kontrollera att rampen är minst fyra gånger så lång som släpvagns- eller lastbilsflakets höjd från marken. Det tillförsäkrar att rampens vinkel inte överstiger 15 grader på plan mark.
Backa uppför ramper och kör framåt nedför ramper.
Undvik plötslig acceleration eller inbromsning när du kör maskinen på en ramp, eftersom det kan orsaka att du tappar kontrollen eller tippar.

| Underhållsintervall | Underhållsförfarande |
|---|---|
| Efter de första 5 timmarna |
|
| Efter de första 75 timmarna |
|
| Varje användning eller dagligen |
|
| Var 25:e timme |
|
| Var 50:e timme |
|
| Var 100:e timme |
|
| Var 200:e timme |
|
| Var 250:e timme |
|
| Var 500:e timme |
|
| En gång per månad |
|
| Årligen eller före förvaring |
|
Important: Läs i motormanualen för ytterligare underhållsrutiner.
Om du lämnar nyckeln i tändningslåset kan någon oavsiktligt starta motorn och skada dig eller någon annan person allvarligt.
Ta ut nyckeln ur tändningslåset innan du utför något underhåll.
Innan du reparerar maskinen ska du göra följande:
Koppla bort drivenheterna.
Koppla in parkeringsbromsen.
Stäng av motorn och ta ut nyckeln.
Lossa tändkabeln.
Parkera maskinen på ett jämnt underlag.
Ta bort gräs och skräp från klippenheten, drivhjulen, ljuddämparna och motorn för att undvika eldsvåda.
Torka upp eventuellt olje- eller bränslespill.
Låt motorn svalna före förvaring av maskinen.
Förvara inte maskinen eller bränsle i närheten av öppna lågor, och tappa inte ur bränsle inomhus.
Låt inte obehöriga personer serva maskinen.
Stötta upp maskinen och/eller dess komponenter med domkrafter när det behövs.
Lätta försiktigt på trycket i komponenter med upplagrad energi.
Koppla ifrån batteriet eller dra ur tändkabeln innan du utför några reparationer. Lossa minuskabelanslutningen först och pluskabelanslutningen sist. Återanslut pluskabelanslutningen först och minuskabelanslutningen sist.
Var försiktig när du kontrollerar knivarna. Svep något omkring kniven/knivarna eller bär tjockt vadderade handskar, och var försiktig vid underhåll. Du ska endast byta ut knivarna och inte räta ut eller svetsa dem.
Håll händer och fötter borta från rörliga delar. Gör helst inga justeringar när motorn är igång.
Håll alla delar i gott bruksskick och samtliga fästelement åtdragna, i synnerhet knivskruvarna. Byt ut alla slitna eller skadade dekaler.
Mixtra aldrig med den avsedda funktionen hos en säkerhetsbrytare, och reducera inte det skydd en säkerhetsbrytare ger. Kontrollera regelbundet att säkerhetsbrytarna fungerar som de ska.
Använd endast originalreservdelar och tillbehör från Toro för att garantera optimal prestanda och fortlöpande säkerhet för produkten. Det kan vara farligt att använda reservdelar och tillbehör från andra tillverkare och det kan göra produktgarantin ogiltig.
Kontrollera parkeringsbromsens funktion ofta. Justera och underhåll om så erfordras.
Lossa den övre skruven på kjolen så att den frigörs och du får åtkomst till klippdäckets ovansida (Figur 38). Dra åt bulten och sätt tillbaka kjolen när underhållet är slutfört.

Smörj oftare vid extremt dammiga eller sandiga förhållanden.
Typ av fett: Universalfett nr 2 på litiumbas eller fett på molybdenbas
Koppla ur knivreglagebrytaren (kraftuttaget), för rörelsereglagespakarna till det NEUTRALA LåSLäGET och koppla in parkeringsbromsen.
Stäng av motorn, ta ut nyckeln och vänta tills alla rörliga delar har stannat innan du kliver ur förarsätet.
Torka av smörjnipplarna med en trasa.
Note: Skrapa bort eventuell färg från nippelns/nipplarnas framsida.
Sätt på en fettspruta på nippeln.
Pumpa in fett i nipplarna tills det börjar tränga ut ur lagren.
Torka bort överflödigt fett.
| Underhållsintervall | Underhållsförfarande |
|---|---|
| Var 25:e timme |
|
| Var 50:e timme |
|
Koppla ur knivreglagebrytaren (kraftuttaget), för rörelsereglagespakarna till det NEUTRALA LåSLäGET och koppla in parkeringsbromsen.
Stäng av motorn, ta ut nyckeln och vänta tills alla rörliga delar har stannat innan du kliver ur förarsätet.
Smörj pumptomgångsskivans tapp med en eller två pumpningar fett (Figur 41).
Smörj de främre hjulaxlarna (Figur 41).

Vid kontakt med heta ytor kan personskador uppstå.
Håll händer, fötter, ansikte, kläder samt andra kroppsdelar på avstånd från ljuddämparen och andra heta ytor.
Stäng av motorn innan du kontrollerar oljenivån eller fyller på olja i vevhuset.
| Underhållsintervall | Underhållsförfarande |
|---|---|
| Var 25:e timme |
|
| Var 100:e timme |
|
| Var 200:e timme |
|
Parkera maskinen på en plan yta och koppla ur knivreglaget (PTO).
Lägg i parkeringsbromsen, stanna motorn, ta ut nyckeln och vänta tills alla rörliga delar har stannat innan du lämnar förarplatsen.
Gör rent omkring luftrenaren så att inte smuts faller ned i motorn och orsakar skador.
Lyft kåpan och vrid luftrenaren ut ur motorn (Figur 42).


Ta bort skumplastinsatsen från pappersinsatsen (Figur 43).

Tvätta skumplastinsatsen med vatten och byt ut den om den är skadad.
Knacka insatsen lätt mot ett plant underlag så att damm och smuts lossnar.
Kontrollera att insatsen inte är sprucken, att gummitätningen inte har gått sönder samt att det inte finns någon oljebeläggning på insatsen.
Important: Blås inte rent pappersinsatsen med tryckluft eller vätska, t.ex. lösningsmedel, bensin eller fotogen. Byt ut insatsen om den är skadad eller inte kan rengöras ordentligt.
Oljetyp: Renad olja (API service SF, SG, SH, SJ eller SL)
Vevhusets kapacitet: 2,4 l med filter
Viskositet: Se tabellen nedan.

| Underhållsintervall | Underhållsförfarande |
|---|---|
| Varje användning eller dagligen |
|
Note: Kontrollera oljenivån när motorn är kall.
Vid kontakt med heta ytor kan personskador uppstå.
Håll händer, fötter, ansikte, kläder samt andra kroppsdelar på avstånd från ljuddämparen och andra heta ytor.
Important: Fyll inte på för mycket olja i vevhuset eftersom detta kan skada motorn. Kör inte motorn om oljenivån ligger under lågnivåmärket eftersom detta kan skada motorn.
Parkera maskinen på plan mark, koppla ur knivreglaget, stäng av motorn, dra åt parkeringsbromsen och ta ut nyckeln.
Säkerställ att motorn är avstängd, är i nivå och har svalnat så att oljan har hunnit rinna ned i sumpen.
Rengör området runt oljepåfyllningslocket och oljestickan innan du tar bort stickan så att smuts och gräsklipp inte hamnar i motorn (Figur 45).

| Underhållsintervall | Underhållsförfarande |
|---|---|
| Efter de första 5 timmarna |
|
| Var 100:e timme |
|
Note: Kassera spilloljan på en återvinningsstation.
Parkera maskinen på ett jämnt underlag för att försäkra att oljan töms helt.
Koppla ur kraftuttaget och lägg i parkeringsbromsen.
Stäng av motorn, ta ut nyckeln och vänta tills alla rörliga delar har stannat innan du kliver ur förarsätet.
Tappa ur motoroljan (Figur 46).


Byt ut motoroljefiltret (Figur 47).

Note: Kontrollera att oljefilterpackningen ligger mot motorn och vrid sedan filtret ytterligare ¾ varv.
Häll långsamt cirka 80 procent av den angivna oljan i påfyllningsröret och tillsätt långsamt ytterligare olja tills den når markeringen Full (Figur 48).

| Underhållsintervall | Underhållsförfarande |
|---|---|
| Var 100:e timme |
|
| Var 200:e timme |
|
Se till att luftgapet mellan mitt- och sidoelektroderna är rätt innan tändstiftet monteras. Använd en tändstiftsnyckel vid demontering och montering och ett bladmått för kontroll och justering av luftgapet. Montera vid behov nya tändstift.
Typ: Champion RN9YC eller NGK BPR6ES
Luftgap: 0,76 mm
Koppla ur kraftuttaget och lägg i parkeringsbromsen.
Stäng av motorn, ta ut nyckeln och vänta tills alla rörliga delar har stannat innan du kliver ur förarsätet.

Note: Eftersom nedsänkningen runt tändstiftet är så djup, går det vanligtvis lättast att blåsa rent hålrummet med tryckluft. Det går lättast att nå tändstiftet när fläkthuset tas bort för rengöring.
Important: Rengör inte tändstiftet/-stiften. Byt alltid ut tändstiftet om det har en svart beläggning, slitna elektroder, en oljefilm eller sprickor.
Om isolatorn är ljust brun eller grå fungerar motorn korrekt. En svart beläggning på isolatorn betyder vanligen att luftrenaren är smutsig.
Ställ in gapet till 0,76 mm.

Dra åt tändstiftet/-stiften till 25–30 N·m.

| Underhållsintervall | Underhållsförfarande |
|---|---|
| Varje användning eller dagligen |
|
Ta bort gräs och skräp från luftintagsgallret före varje användningstillfälle.
Koppla ur knivreglagebrytaren och dra åt parkeringsbromsen.
Stäng av motorn, ta ut nyckeln och vänta tills alla rörliga delar har stannat innan du kliver ur förarsätet.
Ta bort luftfiltret från motorn.
Ta bort motorhöljet.
Montera luftfiltret på filterbasen för att förhindra att skräp kommer in i luftintaget.
Avlägsna skräp och gräs från delarna.
Ta bort luftfiltret och montera motorhöljet.
Montera luftfiltret.
| Underhållsintervall | Underhållsförfarande |
|---|---|
| Var 50:e timme |
|
Varma komponenter i avgassystemet kan antända bensinångor även efter att du stängt av motorn. Varma partiklar som blåses ut medan motorn är igång kan antända brännbara material. En brand kan leda till skador på person eller egendom.
Det måste finnas en gnistsläckare monterad innan du fyller på bränsle eller kör motorn.
Stäng av motorn, vänta tills alla rörliga delar har stannat och ta ut nyckeln. Dra åt parkeringsbromsen.
Vänta tills ljuddämparen har svalnat.
Byt ut släckaren om du upptäcker sprickor i skärmen eller svetspunkterna.
Om skärmen har blivit igensatt tar du bort släckaren och skakar den så att lösa partiklar ramlar bort. Rengör även skärmen med en stålborste (blötlägg vid behov i lösningsmedel). Montera släckaren på avgasutloppet.
| Underhållsintervall | Underhållsförfarande |
|---|---|
| Var 500:e timme |
|
Stäng av motorn, vänta tills alla rörliga delar har stannat och ta ut nyckeln. Dra åt parkeringsbromsen.
Ta bort filtret från luftningsslangen.
Sätt i ett nytt filter i luftningsslangens ände.
| Underhållsintervall | Underhållsförfarande |
|---|---|
| Var 500:e timme |
|
Important: Montera bränsleslangarna och fäst dem med spännband i plast på samma sätt som de ursprungligen var monterade. På så sätt undviker du att bränsleslangarna kommer i kontakt med komponenter som kan orsaka skador på dem.
Bränslefiltret är placerat på vänster del av motorns framsida.
Koppla ur knivreglagebrytaren (kraftuttaget), för rörelsereglagespakarna till det NEUTRALA LåSLäGET och koppla in parkeringsbromsen.
Stäng av motorn, ta ut nyckeln och vänta tills alla rörliga delar har stannat innan du kliver ur förarsätet.
Låt maskinen svalna.
Stäng bränslekranen bakom sätet (Figur 33).

Öppna bränslekranen.
Försök inte att tömma bränsletanken. Låt en auktoriserad återförsäljare tömma bränsletanken och serva eventuella andra komponenter i bränslesystemet.
Koppla bort batteriet innan reparation utförs på maskinen. Lossa minuskabelanslutningen först och pluskabelanslutningen sist. Återanslut pluskabelanslutningen först och minuskabelanslutningen sist.
Ladda batteriet i ett öppet och välventilerat utrymme, på avstånd från gnistor och öppna lågor. Koppla ur laddaren innan batteriet ansluts eller kopplas bort. Använd skyddskläder och isolerade verktyg.
Batteripoler, kabelanslutningar och tillbehör till dessa innehåller bly och blykomponenter: kemikalier som staten Kalifornien anser orsaka cancer och fortplantningsskador. Tvätta händerna när du har hanterat batteriet.
| Underhållsintervall | Underhållsförfarande |
|---|---|
| En gång per månad |
|
Batterielektrolyt innehåller svavelsyra, ett dödligt gift som orsakar allvarliga brännskador.
Drick inte elektrolyten och undvik kontakt med hud, ögon och kläder. Använd skyddsglasögon för att skydda ögonen och gummihandskar för att skydda händerna.
Batteripolerna eller verktyg av metall kan kortslutas mot maskinkomponenter i metall och orsaka gnistor. Gnistor kan få batterigaserna att explodera, vilket kan leda till personskador.
Vid avlägsnande eller installation av batteriet får du inte låta batterianslutningarna komma i kontakt med några av maskinens metalldelar.
Låt inte metallverktyg kortslutas mellan batterianslutningarna och maskinens metalldelar.
Felaktig dragning av batterikablarna kan skada maskinen och kablarna samt orsaka gnistor. Gnistor kan få batterigaserna att explodera, vilket kan leda till personskador.
Lossa alltid batteriets minuskabel (svart) innan du lossar pluskabeln (röd).
Anslut alltid pluskabeln (röd) innan minuskabeln (svart) ansluts.
Koppla ur knivreglagebrytaren (kraftuttaget), för rörelsereglagespakarna till det NEUTRALA LåSLäGET och koppla in parkeringsbromsen.
Stäng av motorn, ta ut nyckeln och vänta tills alla rörliga delar har stannat innan du kliver ur förarsätet.
Lossa batteriets minuskabel (svart) från batteriets minuspol (–) (Figur 53).
Skjut av den röda anslutningsskon från batteriets pluspol (röd) och ta bort batteriets pluskabel (+) (Figur 53).
Ta bort gummiremmen (Figur 53).
Ta ut batteriet.


Sätt i batteriet i lådan med anslutningspolerna mot hydraultanken (Figur 53).
Anslut batteriets pluskabel (röd) till batteriets pluspol (+).
Anslut batteriets minuskabel (svart) och jordkabel till batteriets minuspol (–).
Fäst kablarna med två skruvar, två brickor och två låsmuttrar (Figur 53).
Trä på den röda anslutningsskon på batteriets pluspol (+).
Fäst batteriet med gummiremmen (Figur 53).
När batteriet laddas bildas explosiva gaser.
Rök aldrig nära batteriet och håll det borta från gnistor och lågor.
Important: Håll alltid batteriet fulladdat, (specifik vikt 1,265). Detta är särskilt viktigt för att batteriet inte ska skadas när temperaturen understiger 0 °C.
Ladda batteriet i 10–15 minuter med 25–30 A eller 30 minuter med 10 A.
När batteriet är fulladdat ska laddaren kopplas bort från eluttaget först, och sedan ska laddningskablarna lossas från batteripolerna (Figur 54).
Sätt i batteriet i maskinen och anslut batterikablarna. Se Montera batteriet.
Note: Kör inte maskinen med bortkopplat batteri, eftersom detta kan orsaka elektriska skador.

Elsystemet skyddas av säkringar. Det kräver inget underhåll, men om en säkring går bör du undersöka om det har uppstått funktionsfel eller kortslutning i komponenten eller kretsen.
Säkringarna sitter på den högra konsolen bredvid sätet (Figur 55).
Om du behöver byta ut en säkring drar du i den för att lossa den.
Sätt i en ny säkring (Figur 55).

| Underhållsintervall | Underhållsförfarande |
|---|---|
| Varje användning eller dagligen |
|
Se över säkerhetsbältet för att se om det är slitet eller trasigt och för att kontrollera att enheten och spännet fungerar som de ska. Byt ut säkerhetsbältet om det är skadat.
| Underhållsintervall | Underhållsförfarande |
|---|---|
| Varje användning eller dagligen |
|
Så här undviker du att välta, vilket kan leda till personskador och livsfara: Håll störtbågen i helt upprätt och låst läge och använd säkerhetsbältet.
Kontrollera att sätet sitter fast ordentligt på maskinen.
Kontrollera att både fästelementen och vreden är i gott bruksskick.
Se till att vreden är helt åtdragna och att störtbågen är uppfälld.
Note: Störtbågens övre ring kan behöva skjutas framåt eller dras bakåt för att båda vreden ska bli helt åtdragna (Figur 56 och Figur 57).


Koppla ur knivreglagebrytaren (kraftuttaget).
Kör till ett öppet och plant område och för rörelsereglagen till det NEUTRALA LåSLäGET.
För gasreglaget halvvägs mellan SNABBT och LåNGSAMT läge.
För båda rörelsereglagen framåt tills de når stoppen i T-skåran.
Kontrollera åt vilket håll maskinen går.
Om maskinen spårar till höger ska du föra in en sexkantig nyckel på 3/16 tum genom hålet i den högre främre täckpanelen och vrida spårskruven medsols eller motsols för att justera spakens riktning (Figur 58).
Om maskinen spårar till vänster ska du föra in en sexkantig nyckel på 3/16 tum genom hålet i den högre främre täckpanelen och vrida spårskruven medsols eller motsols för att justera spakens riktning (Figur 58).
Kör maskinen och kontrollera körning framåt med full fart.
Upprepa inställningen tills spårningen är korrekt.

| Underhållsintervall | Underhållsförfarande |
|---|---|
| Var 50:e timme |
|
Lufttrycket i både fram- och bakdäcken ska vara 0,9 bar. Ojämnt lufttryck i däcken kan orsaka ojämn klippning. Mät trycket när däcken är kalla för att få en så exakt avläsning som möjligt.

Kontrollera hjulmuttrarna och dra åt dem till 122–136 N·m.
| Underhållsintervall | Underhållsförfarande |
|---|---|
| Varje användning eller dagligen |
|
Ta bort eventuella ansamlingar av gräs, smuts eller annat skräp från motorfiltret, motorns utsläpp och området runt motorn innan du använder maskinen. Detta bidrar till att skapa tillräcklig kylning och korrekt motorhastighet samt minskar riskerna för överhettning och mekaniska skador på motorn.
| Underhållsintervall | Underhållsförfarande |
|---|---|
| Var 500:e timme |
|
Note: Se till att följa denna rutin när en komponent för bromsen har tagits bort eller bytts ut.
Kör maskinen till ett plant underlag.
Koppla ur knivreglagebrytaren (kraftuttaget), för rörelsereglagespakarna till det NEUTRALA LåSLäGET och koppla in parkeringsbromsen.
Stäng av motorn, ta ut nyckeln och vänta tills alla rörliga delar har stannat innan du kliver ur förarsätet.
Ställ in maskinen för att skjutas med hand. Se Använda drivhjulens utlösningsventiler.
Höj upp den bakre delen av maskinen och stötta upp den med domkrafter.
Det kan vara farligt att enbart förlita sig på mekaniska eller hydrauliska domkrafter när man hissar upp maskinen för service eller underhåll. De mekaniska eller hydrauliska domkrafterna kanske inte klarar att hålla maskinen uppe eller kan ha funktionsfel som medför att maskinen ramlar ned, vilket kan orsaka personskador.
Stötta inte maskinen enbart med mekaniska eller hydrauliska domkrafter. Använd lämpliga domkrafter eller liknande stöd.
Aktivera och koppla ur parkeringsbromsen och kontrollera varje drivhjul för att säkerställa att alla bromsar aktiveras och frigörs.
Om en justering är nödvändig ska du koppla ur parkeringsbromsen. Ta bort saxpinnen från bromslänkaxeln (Figur 60).

Kontrollera båda fjädrarnas längd så som visas i Figur 61. Om en justering är nödvändig ska du vrida den övre muttern medsols för att förkorta fjädern och motsols för att förlänga den.

För parkeringsbromsspaken hela vägen framåt och nedåt.
Vrid bromslänkaxeln tills änden riktas in efter hålet i spaken.
Förkorta länksystemet genom att vrida det medsols.
Förläng länksystemet genom att vrida det motsols.
För in bromslänkaxeln i parkeringsbromsens hål och fäst den med saxpinnen. Upprepa steg 6 och justera vid behov.
När justeringen är färdig ska du ta bort domkraften eller motsvarande stöd och sänka ned maskinen.
Placera maskinen i ARBETSLäGET. Se Använda drivhjulens utlösningsventiler.
| Underhållsintervall | Underhållsförfarande |
|---|---|
| Var 50:e timme |
|
Byt ut remmen om den är sliten. Gnisslande ljud när remmen roterar, slirande knivar vid gräsklippning, fransiga remkanter, brännmärken och sprickor är tecken på en sliten klipparrem.
Koppla ur knivreglagebrytaren (kraftuttaget), för rörelsereglagespakarna till det NEUTRALA LåSLäGET och koppla in parkeringsbromsen.
Stäng av motorn, ta ut nyckeln och vänta tills alla rörliga delar har stannat innan du kliver ur förarsätet.
Sänk ned klipparen till en klipphöjd på 76 mm.
Lossa skruven på respektive remkåpa.
Lossa den nedre skruven som fäster klippdäckets kjol vid klippdäcket. Se Lossa klippdäckets kjol.
Ta bort skyddsplåten. Se Ta bort skyddsplåten.
Ta bort remkåporna och tillhörande skruvar (Figur 62).

Ta bort fjäderspänningen från den fjäderbelastade mellanremskivan. Se Figur 64.
Note: Använd fjäderborttagningsverktyget (Toro-artikelnr 92–5771) för att ta bort fjädern från klippdäckshållaren (Figur 64).
Ta bort remmen från klippdäcksskivorna och kopplingsskivan.
Montera en ny rem runt klipparskivorna och kopplingsskivan under motorn (Figur 63).


Montera mellanremsskivfjädern (Figur 63).
Note: Se till att fjäderändarna sitter i förankringsspåren.
Montera remkåporna och skruvarna som fäster dem (Figur 65).

Lossa den nedre skruven som fäster klippdäckets kjol vid klippdäcket. Se Lossa klippdäckets kjol.
Ta bort skyddsplåten. Se Ta bort skyddsplåten.
Koppla ur knivreglagebrytaren (kraftuttaget) och koppla in parkeringsbromsen.
Stäng av motorn, ta ut nyckeln och vänta tills alla rörliga delar har stannat innan du kliver ur förarsätet.
Ta bort klipparremmen. Se Byta ut klipparremmen för klippdäck med sidoutkast.
Höj upp maskinen och stötta upp den med domkrafter (Figur 67).
Ta bort kopplingsspärren (Figur 66).

Demontera mellanremskivfjädern från stolpen (Figur 67).
Ta bort den befintliga remmen från den hydrauliska pumpenhetens drivskivor och motorremskivan.
Montera den nya remmen runt motorremskivan och de två hydrauliska pumpdrivskivorna (Figur 67).

Montera kopplingsspärren (Figur 66).
Montera klipparremmen. Se Underhålla remmarna.
Koppla ur knivreglagebrytaren (kraftuttaget), för rörelsereglagespakarna till det NEUTRALA LåSLäGET och koppla in parkeringsbromsen.
Stäng av motorn, ta ut nyckeln och vänta tills alla rörliga delar har stannat innan du kliver ur förarsätet.
Justera höjden:
Du kan höja eller sänka rörelsereglagespakarna för maximal komfort.
Lossa beslaget som håller fast reglagespaken vid reglagearmen.

För reglaget till nästa hålpar. Fäst reglaget med beslaget.
Gör likadant med det andra gasreglaget.
Justera lutningen
Lossa på den övre skruv som håller fast reglagespaken vid reglagearmen.
Lossa den nedre skruven såpass mycket att du kan svänga reglagespaken framåt och bakåt. Dra åt båda skruvarna ordentligt för att säkra spaken i det nya läget.
Gör likadant med det andra gasreglaget.

Se Justera rörelsereglagelänken om reglagens ändar slår mot varandra.
På varje sida i maskinen finns en pumpstyrlänk under sätet. Vrid slutskruven med en ½ tum-hylsnyckel för att finjustera inställningarna så att maskinen inte rör sig i neutralläget. Eventuella justeringar ska endast göras för neutralläget.
Motorn måste vara igång och drivhjulen snurra för att justeringar ska kunna utföras. Kontakt med rörliga delar eller varma ytor kan leda till personskador.
Håll fingrar, händer och kläder borta från roterande delar och varma ytor.
Tryck på däcklyftpedalen och ta bort klipphöjdssprinten innan du startar motorn. Sänk ner däcket till marken.
Höj upp maskinens bakdel och stötta med domkrafter (eller liknande stöd) så att maskinen är precis så högt över marken att drivhjulen kan snurra fritt.
Ta bort elanslutningen från sätets säkerhetsbrytare, som finns under sätets nedre dyna.
Note: Brytaren är en del av sätesenheten.
Montera tillfälligt en bygel över huvudkablagets anslutningar.
Starta motorn. Kör motorn med full gas och släpp parkeringsbromsen.
Note: Kontrollera att parkeringsbromsen är åtdragen och att rörelsereglagespakarna är i det yttre läget för att starta motorn. Du måste inte sitta i sätet.
Kör maskinen i minst fem minuter med körreglagen på full hastighet för körning framåt för att få upp hydrauloljan till driftstemperatur.
Note: Rörelsereglagespaken måste vara i neutralläget medan du gör alla nödvändiga justeringar.
För rörelsereglagespakarna till NEUTRALLäGET.
Kontrollera och säkerställ att styrenhetsplattans flikar vidrör plattorna för återgång till neutralläget på de hydrauliska enheterna.
Justera pumpreglagestångens längd genom att vrida muttern i lämplig riktning tills hjulen rör sig långsamt bakåt (se Figur 70).
För rörelsereglagespakarna till BACKLäGET. Tryck försiktigt på spakarna och låt fjädrarna för bakåtindikatorn föra reglagen tillbaka till neutralläget.
Note: Hjulen ska sluta snurra eller rotera långsamt bakåt.
Note: Du kanske behöver ta bort rörelsereglagekåpan för att komma åt.

Stäng av maskinen.
Ta bort bygeln från kablagekontakten och anslut kontakten till sätesomkopplaren.
Ta bort domkrafterna.
Höj upp klippdäcket och montera klipphöjdssprinten.
Kontrollera och säkerställ att maskinen inte kryper i neutralläget när parkeringsbromsen är urkopplad.
Se till att alla hydrauloljeslangar och -ledningar är i gott skick och att alla hydraulanslutningar och -kopplingar är ordentligt åtdragna innan hydraulsystemet trycksätts.
Håll kropp och händer borta från småläckor eller munstycken som sprutar ut hydraulvätska under högtryck.
Använd en kartong- eller pappersbit för att hitta hydraulläckor.
Lätta på allt tryck i hydraulsystemet på ett säkert sätt innan något arbete utförs i hydraulsystemet.
Sök läkare omedelbart om du träffas av en stråle hydraulvätska och vätskan tränger in i huden. Vätska som trängt in i huden måste opereras bort inom några få timmar av en läkare.
Hydrauloljetyp: Toro® HYPR-OIL™ 500-hydraulolja (rekommenderas) eller Mobil 1 15W-50-olja.
Important: Använd den specificerade oljan. Andra oljor kan orsaka skador på systemet.
Hydraulisk systemkapacitet (med filtren borttagna): 4,45 l
| Underhållsintervall | Underhållsförfarande |
|---|---|
| Varje användning eller dagligen |
|
Låt hydrauloljan svalna. Kontrollera oljenivån när oljan är kall.
Kontrollera expansionstanken och fyll vid behov på med Toro® HYPR-OIL™ 500-hydraulolja till linjen FULL COLD.

| Underhållsintervall | Underhållsförfarande |
|---|---|
| Efter de första 75 timmarna |
|
| Var 250:e timme |
|
| Var 500:e timme |
|
Byt oljan och filtren samtidigt. Använd inte oljan igen. Avlufta systemet när du har monterat de nya filtren och fyllt på olja. Se Lufta hydraulsystemet.
Upprepa luftningen tills oljenivån når och stannar vid nivån FULL COLD i tanken efter luftning. Om du inte utför denna procedur kan det leda till skador på växellådedrivsystemet som inte kan åtgärdas.
Stäng av motorn, vänta tills alla rörliga delar har stannat, låt motorn svalna, ta ut nyckeln och dra åt parkeringsbromsen.
Lokalisera filtret och skydden på bägge växellådedrivningssystemen (Figur 72).
Ta bort de tre skruvarna som håller fast filterskyddet och skyddet (Figur 72).

Gör försiktigt rent området runt filtren.
Important: Låt inte smuts komma in i hydraulsystemet eftersom det kan orsaka föroreningar.
Sätt ett uppsamlingskärl under filtret för att samla upp den olja som tappas ur när filtret och avluftarpluggarna tas bort.
Lokalisera och ta bort avluftarpluggen på varje transmission.
Skruva loss filtret, ta bort det och tappa ut oljan ur drivsystemet.
Upprepa proceduren för bägge filtren.
Stryk på ett tunt lager olja på ytan på alla filtergummitätningar.
Vrid filtret medurs tills gummitätningen går emot filteradaptern och dra sedan åt filtret ytterligare tre fjärdedels varv till ett helt varv.
Upprepa för filtret på motsatta sidan.
Montera filterskydden över alla filter som du tog bort tidigare.
Använd de tre skruvarna för att fästa filterskydden.
Kontrollera att avluftarpluggarna har tagits bort innan du tillsätter olja.
Häll sakta den angivna oljan i expansionstanken tills det kommer ut olja ur ett av avluftarplugghålen.
Montera ventilpluggen.
Dra åt tändstiftet till ett moment på 20 N·m.
Fortsätt att hälla olja genom expansionstanken tills olja kommer ut från det återstående avluftarplugghålet i den andra transmissionen.
Montera ventilpluggen på motsatta sidan.
Dra åt tändstiftet till ett moment på 20 N·m.
Fortsätt att fylla på olja i expansionstanken tills den når upp till linjen FULL COLD.
Gå vidare till Lufta hydraulsystemet.
Important: Om du inte utför proceduren som beskrivs i Lufta hydraulsystemet när du har bytt hydraulfilter och -olja kan det leda till skador på växellådedrivsystemet som inte kan åtgärdas.

Höj upp maskinens bakdel och stötta med domkrafter (eller liknande stöd) så att maskinen är precis så högt över marken att drivhjulen kan snurra fritt.

Starta motorn, flytta gasreglaget framåt till halvgasläget och lossa parkeringsbromsen.
För förbikopplingsreglagen till läget för påskjutning av maskinen. Ha överströmningsventilerna öppna, låt motorn gå och för sakta rörelsereglagen både framåt och bakåt fem eller sex gånger.
För förbikopplingsreglagen till läget för körning av maskinen.
Stäng överströmningsventilen, låt motorn gå och för sakta styrspaken både framåt och bakåt fem till sex gånger.
Stäng av motorn och kontrollera oljenivån i expansionstanken. Fyll på angiven olja tills den når upp till linjen FULL COLD i expansionstanken.
Upprepa steg 2 tills systemet har tömts helt på luft.
Note: När ljudet från växellådan är normalt och maskinen går jämnt framåt och bakåt med normal hastighet har växellådan tömts på luft.
Kontrollera oljenivån i expansionstanken en sista gång. Fyll på angiven olja tills den når upp till linjen FULL COLD i expansionstanken.
Ställ klipparen på ett plant underlag.
Koppla ur knivreglagebrytaren (kraftuttaget), för rörelsereglagespakarna till det NEUTRALA LåSLäGET och koppla in parkeringsbromsen.
Stäng av motorn, ta ut nyckeln och vänta tills alla rörliga delar har stannat innan du kliver ur förarsätet.
Kontrollera däcktrycket i drivhjulen. Se Kontrollera däcktrycket.
Placera klippdäcket i transportspärrläget.
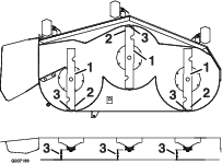
Vrid försiktigt på knivarna så att de pekar åt samma håll.
Mät mellan knivens spets och den plana ytan (Figur 75). Om inget av måtten är inom 5 mm måste de justeras. Fortsätt åtgärden.

Kontrollera den främre-bakre knivlutningen (Figur 76). Kontrollera att den främre knivens spets är lägre än den bakre knivens spets som visas tabellen över klosshöjd och räfsor. Om justering behövs ska du fortsätta med åtgärden.

Ställ in antiskalvalsarna i de översta hålen eller ta bort dem helt när du gör den här justeringen.
Placera två klossar (se Tabell över klosshöjd och räfsor) under den bakre kanten på klippdäckets kjol. En på vardera sida av klippdäcket (Figur 77).
Ställ in klipphöjdsreglaget på läget 76 mm.
Lägg två klossar under var sida av däckets framkant, men inte under antiskalvalsens fästen eller svetsfogar.

| Klippenhetsstorlek | Främre klosshöjd | Räfsa |
| Alla klippdäck | 7,3 cm | 4,8–6,4 mm |
Vrid försiktigt på knivarna i sidled (Figur 75).
Lossa låsmuttrarna (Figur 78) i alla fyra hörnen och säkerställ att klippdäcket sitter fast ordentligt på alla fyra klossar.
Se till att däckhållarna inte är slaka och att däcklyftsfotspaken är tryckt så långt tillbaka det går.
Dra åt de fyra låsmuttrarna.

Kontrollera att klossarna sitter säkert fast under däckkjolen och att skruvarna är åtdragna
Fortsätt att balansera däcket genom att kontrollera den främre-bakre knivlutningen.
Kontrollera att knivarna är balanserade, och upprepa proceduren för balansering av däcket vid behov.
För bästa klippresultat ska knivarna hållas vassa. För att kunna slipa och byta knivar bekvämt är det bra att ha extraknivar till hands.
En sliten eller skadad kniv kan gå sönder och en bit av kniven kan slungas ut mot dig eller någon kringstående, vilket kan leda till allvarliga personskador eller dödsfall. Om man försöker reparera en skadad kniv kan detta resultera i att produktens säkerhetscertifiering upphör att gälla.
Kontrollera om knivarna är slitna eller skadade med jämna mellanrum.
Var försiktig när du kontrollerar knivarna. Linda in knivarna i något eller ta på dig handskar, och var försiktig när du servar knivarna. Knivarna får endast bytas ut eller slipas – de ska aldrig rätas ut eller svetsas.
Var försiktig när en kniv roteras på maskiner med flera knivar, eftersom den kan få även andra knivar att börja rotera.
Parkera maskinen på en plan yta, koppla ur knivreglagebrytaren (kraftuttaget) och koppla in parkeringsbromsen.
Stäng av motorn, ta ut nyckeln och koppla bort tändkablarna från tändstiften.
| Underhållsintervall | Underhållsförfarande |
|---|---|
| Varje användning eller dagligen |
|
Kontrollera eggarna (Figur 79).
Ta bort kniven och slipa den om eggarna är slöa eller har fått hack, se Slipa knivarna.
Kontrollera knivarna, speciellt den böjda delen.
Montera omedelbart en ny kniv om du upptäcker sprickor, slitage eller spårbildning i detta område (Figur 79).

Koppla ur knivreglagebrytaren (kraftuttaget), för rörelsereglagespakarna till det NEUTRALA LåSLäGET och koppla in parkeringsbromsen.
Stäng av motorn, ta ut nyckeln och vänta tills alla rörliga delar har stannat innan du kliver ur förarsätet.
Vrid knivarna tills ändarna vetter framåt och bakåt.
Mät från en plan yta till knivens egg vid punkt A på knivarna (Figur 80).

Rotera knivarnas motsatta ändar framåt.
Mät från ett jämnt underlag till knivarnas egg vid samma punkt som i steg 4 ovan.
Note: Skillnaden mellan måtten i steg 4 och 6 får inte överstiga 3 mm.
Note: Om detta mått överstiger 3 mm är kniven böjd och måste bytas ut.
En kniv som är böjd eller skadad kan brytas av och orsaka allvarliga personskador eller dödsfall.
Byt alltid ut en böjd eller skadad kniv mot en ny kniv.
Fila inte på en knivs egg eller yta, och skapa inte vassa spår på dem.
Om du kör på ett hårt föremål, om kniven är i obalans eller om kniven är böjd måste den bytas ut. Använd alltid Toros originalknivar för att försäkra bästa möjliga prestanda och även fortsättningsvis hålla maskinen säker. Om du använder ersättningsknivar från andra tillverkare kan det resultera i att maskinen inte uppfyller gällande säkerhetsstandarder.
Håll spindelaxeln med en skiftnyckel.
Avlägsna knivskruven, den böjda brickan och kniven från spindelaxeln (Figur 81).

Slipa eggarna i båda ändarna av kniven med en fil (Figur 82).
Note: Behåll ursprungsvinkeln.
Note: Kniven behåller balanseringen om samma mängd material avlägsnas från båda eggarna.

Kontrollera knivens balans med en knivbalanserare (Figur 83).
Note: Om kniven stannar kvar i ett horisontellt läge är den i balans och kan användas.
Note: Om kniven inte är balanserad kan du fila bort lite metall från knivens segeldel (Figur 82).

Upprepa proceduren tills kniven är balanserad.
Montera kniven på spindelaxeln (Figur 84).
Important: Knivens böjda del måste alltid peka uppåt, mot gräsklipparens insida, för att klippningen ska bli rätt.
Montera fjäderbrickan och knivbulten (Figur 84).
Note: Fjäderskivans kon måste monteras mot skruvens huvud (Figur 84).
Dra åt knivskruven till 115–150 N·m.

Stäng av motorn, vänta tills alla rörliga delar har stannat och ta ut nyckeln. Dra åt parkeringsbromsen.
Ta bort höjdjusteringssprinten och sänk ned däcket till marken.
För in höjdjusteringssprinten i klipphöjdsläget på 7,6 cm.
Ta bort remkåporna.
Lossa klippdäckets remskiva och ta bort klippremmen. Se Underhålla remmarna.
Ta bort skruvar och muttrar från den främre delen av plattan under fotstödet.
Ta bort och spara skruvarna och muttrarna på båda sidor av maskinen (Figur 85).

För ut däcket på maskinens högra sida.
Om utkastaröppningen inte är täckt kan gräsklipparen slunga ut föremål i riktning mot föraren eller kringstående och därmed orsaka allvarliga skador. Det skulle också kunna medföra kontakt med knivarna.
Kör inte gräsklipparen utan täckplåt, mullplåt, gräsutkastare eller gräsuppsamlare.
Ta bort låsmuttern, skruven, fjädern och distansbrickan som håller fast gräsriktaren på tappfästena (Figur 86).
Demontera den skadade eller slitna gräsriktaren (Figur 86).

Sätt distansbrickan och fjädern på gräsriktaren.
Placera fjäderns ena J-formade ände bakom däckkanten.
Note: Kontrollera att den ena av fjäderns J-formade ändar sitter bakom däckkanten innan du monterar skruven enligt Figur 86.
Montera skruven och muttern.
Placera fjäderns 1 J krokformade ände runt gräsriktaren (Figur 86).
Important: Gräsriktaren måste kunna rotera. Lyft upp riktaren till det helt öppna läget och kontrollera att den roterar ned helt.
| Underhållsintervall | Underhållsförfarande |
|---|---|
| Varje användning eller dagligen |
|
Koppla ur knivreglagebrytaren (kraftuttaget), för rörelsereglagespakarna till det NEUTRALA LåSLäGET och koppla in parkeringsbromsen.
Stäng av motorn, ta ut nyckeln och vänta tills alla rörliga delar har stannat innan du kliver ur förarsätet.
Lyft upp klipparen till transportläget.
Motorolja, batterier, hydraulolja och kylarvätska förorenar miljön. Kassera dessa produkter i enlighet med gällande statliga och lokala föreskrifter.
Koppla ur knivreglagebrytaren (kraftuttaget), koppla in parkeringsbromsen, vrid tändningsnyckeln till AV-LäGET och ta ut nyckeln.
Avlägsna gräsklipp, smuts och smörja från maskinens utvändiga delar. Var särskilt noga med motorn och hydraulsystemet. Rensa bort smuts och skräp från utsidan av motorns kylflänsar och fläkthus.
Important: Tvätta maskinen med ett milt rengöringsmedel och vatten. Högtryckstvätta inte maskinen. Undvik att använda alltför mycket vatten, särskilt nära kontrollpanelen, motorn, hydraulpumparna och motorerna.
Kontrollera bromsen, se Justera parkeringsbromsen.
Serva luftrenaren, se Serva luftrenaren.
Smörj maskinen; se Smörja maskinen.
Byt oljan i vevhuset; se Byta motoroljan och oljefiltret.
Kontrollera lufttrycket i däcken, se Kontrollera däcktrycket.
Byt hydraulfiltren, se Byta hydraulsystemets filter och olja.
Ladda batteriet, se Ladda batteriet.
Skrapa bort eventuella ansamlingar av gräs och smuts från klipparens undersida, och tvätta sedan klipparen med en trädgårdsslang.
Note: Kör maskinen med knivreglagebrytaren (kraftuttaget) inkopplad och motorn på hög tomgång under 2 till 5 minuter efter tvätt.
Kontrollera knivarnas skick, se Kontrollera knivarna.
Förbered maskinen för förvaring om den ska stå oanvänd i över 30 dagar. Förbered maskinen för förvaring på följande sätt:
Fyll på en oljebaserad bränslestabiliserare/-konditionerare i bränslet i tanken. Följ blandningsanvisningarna från tillverkaren. Använd inte en alkoholbaserad stabiliserare (etanol eller metanol).
Note: En stabiliserare/konditionerare fungerar effektivast när den blandas med färskt bränsle och alltid används.
Kör motorn så att det stabiliserade bränslet fördelas i bränslesystemet (5 minuter).
Stäng av motorn, låt den svalna och töm bränsletanken. Kontakta en auktoriserad Toro-återförsäljare.
Starta motorn igen och kör den tills den stannar.
Kassera bränslet på lämpligt sätt. Återvinn enligt lokala föreskrifter.
Important: Förvara inte stabiliserat/konditionerat bränsle i mer än 90 dagar.
Kontrollera och dra åt alla bultar, muttrar och skruvar. Reparera eller byt ut skadade delar.
Måla i lackskador och bara metallytor. Färg finns att köpa hos din närmaste auktoriserade återförsäljare.
Förvara maskinen i ett rent och torrt garage eller lagerutrymme.
Ta ut nyckeln ur tändningslåset och förvara den utom räckhåll för barn eller andra obehöriga användare.
Täck över maskinen för att skydda den och hålla den ren.
| Problem | Possible Cause | Corrective Action |
|---|---|---|
| Startmotorn startar inte. |
|
|
| Motorn startar inte, är trögstartad eller stannar efter en stund. |
|
|
| Motorn tappar kraft. |
|
|
| Motorn överhettas. |
|
|
| Klipparen drar åt vänster eller höger (med reglagen riktade framåt).. |
|
|
| Maskinen driver inte. |
|
|
| Maskinen vibrerar på ett onormalt sätt. |
|
|
| Maskinen ger en ojämn klipphöjd. |
|
|
| Knivarna roterar inte. |
|
|
| Kopplingen kopplar inte in. |
|
|
