| 整備間隔 | 整備手順 |
|---|---|
| 使用するごとまたは毎日 |
|
この機械は回転刃を使用する乗用芝刈り機であり、一般の家庭での使用や専門業務に従事するプロのオペレータが運転操作することを前提として製造されています。この製品は、適切な管理を受けている家庭の芝生や商用目的で使用される芝生に対する刈り込み管理を行うことを主たる目的として製造されております。本機は、雑草地や農業用地における刈り取りなどを目的とした機械ではありません。
この説明書を読んで製品の運転方法や整備方法を十分に理解し、他人に迷惑の掛からない、適切で安全な方法でご使用ください。この製品を適切かつ安全に使用するのはお客様の責任です。
弊社のウェブサイト www.Toro.com で安全講習や運転講習の狩猟、アクセサリ情報の閲覧、代理店についての情報閲覧、お買い上げ製品の登録などを行っていただくことができます。
整備について、また純正部品についてなど、分からないことはお気軽に弊社代理店またはカスタマーサービスにおたずねください。お問い合わせの際には、必ず製品のモデル番号とシリアル番号をお知らせください。図 1にモデル番号とシリアル番号を刻印した銘板の取り付け位置を示します。いまのうちに番号をメモしておきましょう。

この説明書では、危険についての注意を促すための警告記号(図 2)を使用しております。これらは死亡事故を含む重大な人身事故を防止するための注意ですから、必ずお守りください。

この他に2つの言葉で注意を促しています。重要 は製品の構造などについての注意点を、注はその他の注意点を表しています。
この製品は、関連するEU規制に適合しています。詳細については、DOC シート(規格適合証明書)をご覧ください。
この製品に使用されているスパーク式着火装置は、カナダの ICES-002 標準に適合しています。
標準装備となっているオリジナル機器やアクセサリを取り外すと、機械の性能が変わり走行状態や安全性に問題が発生したり製品保証が適用されなくなる場合がでてきます。トロのオリジナルパーツを使用しないと重症事故や死亡事故を引き起こす可能性があります。エンジン、燃料システムや換気システムに対して弊社が認めていない改造を施すことは法律違反となる可能性があります。
タイヤ、ベルト、ブレード、燃料系統の部品を始めとする交換部品には、必ずトロ社の純正部品をご使用ください。
Important: 標高 1500m 以上でご使用される場合には、エンジンが CARB/EPA 排ガス規制に適合するように高地用キットを取り付けてください。高地用キットを取り付けることにより、エンジンの性能が確保され、点火不良、始動困難、黒鉛などのトラブルが出なくなります。高地用キットを取り付けたら、機体のシリアル番号プレートの隣に高地用キット取り付けを取り付け済みラベルを貼ってください。ご使用のマシンに必要な高地用キットおよび高地用キット取り付け済みラベルは、弊社正規代理店よりお求めください。お近くの代理店を簡単に探すには、www.Toro.com が便利です。また、排ガス規制保証書に、弊社のお客様サービス部の電話番号を記載しております。高地用キットを取り付けたマシンを標高 1500m 以下の場所で使用する場合には、キットを取り外し、エンジンを当初の仕様に戻してください。高地用に調整されたエンジンを低地で使用しないでください;オーバーヒートなどを起こしてエンジンが損傷する可能性があります。高地用に調整されているかどうかは、ラベルで確認してください(図 3)。

この機械は EN ISO 5395:2013 適合製品です。
この機械は手足を切断したり物をはね飛ばしたりする能力があります。重大な人身事故を防ぐため、すべての注意事項を厳守してください。
この機械は本来の目的から外れた使用をすると運転者本人や周囲の人間に危険な場合があります。
エンジンを始動する前に必ずこのオペレーターズマニュアルをお読みになり、内容をよく理解してください。この製品を使用する人すべてが製品を良く知り、警告の内容を理解してください。
機械の可動部の近くには絶対に手足を近づけないでください。
ガードなどの安全保護機器が正しく取り付けられていない時は、運転しないでください。
排出口の近くに、手足などを近づけないでください。周囲の人を十分に遠ざけてください。
作業場所に子供を近づけないでください。子供に運転させないでください。
整備、燃料補給、詰まりの解除作業などを行う前には、必ずエンジンを停止させてください。
間違った使い方や整備不良は人身事故などの原因となります。事故を防止するため、以下に示す安全上の注意や安全注意標識のついている遵守事項は必ずお守りください 「注意」、「警告」、および「危険」 の記号は、人身の安全に関わる注意事項を示しています。これらの注意を怠ると死亡事故などの重大な人身事故が発生する恐れがあります。
このマニュアルの他の場所に書かれている注意事項も必ずお守りください。

![]() |
危険な部分の近くには、見やすい位置に安全ラベルや指示ラベルを貼付しています。破損したりはがれたりした場合は新しいラベルを貼付してください。 |



























実際にエンジンを始動させて運転する前に、運転装置の名称や場所、操作方法に十分慣れてください(図 5と図 6)。

エンジンを始動するためのスイッチです。3つの位置があります:START、RUN、OFFです。
冷えているエンジンを始動する時に使用します。ノブを引くとチョークが掛かります。ノブを押し込むとチョークが解除されます(図 6)。
スロットルコントロールはエンジンの回転速度を低速 から 高速まで無段階制御します(図 6)
ブレード(PTO)スイッチは、刈り込み刃のON/OFFを行うスイッチです(図 6)。
エンジンの積算運転時間を表示します。エンジンが作動中に作動します。表示時間を目安にして定期整備の計画を立ててください(図 6)。
アワーメータに黒色三角形が表示されていれば、そのインタロックは正しい位置にセットされています(図 7)。
始動キーを数秒間 ON 位置にすると、バッテリーの電圧が表示されます。表示は、アワーメータの数値表示部を使って行なわれます。
始動キーを ON にしたとき、チャージが適正位置よりも低いとバッテリーランプが点灯します(図 7)。

コントロールレバーを使って、前進・後退・左旋回・右旋回を行うことができます。
ニュートラルロック位置は、安全インタロックが作動する位置であり、マシンのニュートラルを確認できる位置です。
移送や保管する場合は、燃料バルブ(運転席の後ろにあります)を閉じておいてください。
トロが認定した各種のアタッチメントやアクセサリがそろっており、マシンの機能をさらに広げることができます。 詳細は弊社の正規サービスディーラ、または代理店へお問い合わせください;弊社のウェブサイト www.Toro.com でもすべての認定アタッチメントとアクセサリをご覧になることができます。
Note: 仕様および設計は予告なく変更される場合があります。
| 122cm デッキ | 132cm デッキ | |
|---|---|---|
| デッキなし | 121 cm | 124 cm |
| デフレクタが上位置 | 133 cm | 144 cm |
| デフレクタが下位置 | 160 cm | 171cm |
| 122cm デッキ | 132cm デッキ | |
|---|---|---|
| 長さ | 208 cm | 208 cm |
| ROPSを上位置にセット | ROPSを下位置にセット |
|---|---|
| 179cm | 125 cm |
| 機体 | 重量 |
| 122cm 側方排出マシン | 385~425kg |
| 132cm 側方排出マシン | 391~425kg |
Note: 前後左右は運転位置からみた方向です。
子供やトレーニングを受けていない大人には、絶対に運転や整備をさせないでください。地域によっては機械のオペレータに年齢制限を設けていることがありますのでご注意ください。オーナーは、オペレータ全員にトレーニングを受講させる責任があります。
安全な運転操作、各部の操作方法や安全標識などに十分慣れておきましょう。
エンジンの緊急停止方法に慣れておきましょう。
オペレータコントロールやインタロックスイッチなどの安全装置が正しく機能しているか、また安全カバーなどが外れたり壊れたりしていないか点検してください。これらが正しく機能しない時には機械を使用しないでください。
使用前に必ず、ブレード、ブレードボルト、刈り込みアセンブリの点検を行ってください。バランスを狂わせないようにするため、ブレードを交換するときにはボルトもセットで交換してください。
これから機械で作業する場所をよく確認し、機械に巻き込まれそうなものはすべて取り除きましょう。
作業場所を良く観察し、安全かつ適切に作業するにはどのようなアクセサリやアタッチメントが必要かを判断してください。
人身事故や物損事故を防止するために、燃料の取り扱いには細心の注意を払ってください。気化した燃料は非常に引火・爆発しやすくなっています。
燃料取り扱い前に、引火の原因になり得るタバコ、パイプなど、すべての火気を始末してください。
燃料の保管は必ず認可された容器で行ってください。
エンジン回転中などエンジンが高温の時に燃料タンクのふたを開けたり給油したりしないでください。
屋内での燃料補給はしないでください。
ガス湯沸かし器のパイロット火やストーブなど裸火や火花を発するものがある近くでは、機械や燃料容器を保管・格納しないでください。
トラックの荷台に敷いたカーペットやプラスチックマットなど絶縁体の上で燃料の給油をしないでください。ガソリン容器は車から十分に離し、地面に直接置いて給油してください。
給油は、機械をトラックやトレーラから地面に降ろし、機体を接地させた状態で行ってください。機械を車両に搭載したままで給油を行わなければいけない場合には、大型タンクのノズルからでなく、小型の容器から給油してください。
必ず適切な排気システムが取り付けられていてそれが正常に作動する状態で使用してください。
給油は、給油ノズルを燃料タンクの口に接触させた状態を維持して行ってください。ノズルを開いたままにする器具などを使わないでください。
もし燃料を衣服にこぼしてしまった場合には、直ちに着替えてください。こぼれた燃料はふき取る。
絶対にタンクから燃料をあふれさせないでください。給油後は燃料タンクキャップをしっかりと締めてください。
燃料は安全で汚れのない認可された容器に入れ、子供の手の届かない場所で保管する。30 日分以上の買い置きは避ける。
燃料タンク一杯に入れないこと。給油は燃料タンクの首の根元から 6-13 mm 程度下までとする。これは、温度が上昇して燃料は膨張したときにあふれないように空間を確保するためである。
燃料蒸気を長時間吸わないようにする。
ノズルやタンクの注入口に顔を近づけないこと。
皮膚についた場合には、石鹸と水で十分に洗い流す。
機械の性能を最も良く発揮させるために、オクタン価87以上の、きれいで新しい(購入後30日以内)無鉛ガソリンを使ってください(オクタン価評価法は(R+M)/2 を採用)。
エタノール: エタノールを添加(10% まで)したガソリン、MTBE(メチル第3ブチルエーテル)添加ガソリン(15% まで)を使用することが可能です。エタノールとMTBEとは別々の物質です。エタノール添加ガソリン(15% 添加=E15)は使用できません。エタノール含有率が 10% を超えるガソリンは絶対に使用してはなりません:たとえば E15(含有率 15%)、E20(含有率 20%)、E85(含有率 85%がこれにあたります。これらの燃料を使用した場合には性能が十分に発揮されず、エンジンに損傷が発生する恐れがあり、仮にそのようなトラブルが発生しても製品保証の対象とはなりません。
メタノールを含有するガソリンは使用できません。
燃料タンクや保管容器でガソリンを冬越しさせないでください。 冬越しさせる場合には必ずスタビライザ(品質安定剤)を添加してください。
ガソリンにオイルを混合しないでください。
添加剤としてスタビライザー/コンディショナーを使用してください。この添加剤には以下のような働きがあります。
90 日にわたって燃料の品質を保持します(格納期間が 90 日を超える場合には燃料タンクから燃料を抜き取ってください)。
運転中のエンジンのクリーニングを行う。
ゴム状やニス状の物質の発生を抑え、エンジンの始動をスムーズにする。
Important: エタノール、メタノールを含んだ添加剤は絶対に使用しないでください。
燃料に対して適量のスタビライザー/コンディショナーを添加してください。
Note: 燃料スタビライザー/コンディショナーは燃料が新しいうちに添加するのが一番効果的です。燃料系にワニス状の付着物が発生するのを防ぐため、燃料スタビライザーは必ず使用してください。
平らな場所に停車してください。
エンジンを止め、駐車ブレーキを掛ける。
燃料タンクのキャップの周囲をきれいに拭く。
燃料タンクの首の根元まで燃料を入れる(図 8)。
Note: 燃料タンク一杯に入れないこと。これは、温度が上昇して燃料は膨張したときにあふれないように空間を確保するためである。

エンジンを始動させる前に、エンジンオイルの量を点検してください;手順はエンジンオイルの量を点検するを参照してください。
エンジンが設計通りの性能を発揮するまでにはある程度の時間が必要です。刈り込みデッキや駆動系統も、機械が新しいうちは摩擦抵抗などが大きいため、エンジンにはやや大きな負担がかかります。これを考慮して、新しい機械については、使用開始後40-50 時間を慣らし運転期間としてください。
転倒による事故を防止するためにROPSは常時立てた状態で刈り込み作業を行い、必ずシートとベルトを着用してください。
運転席が機体に固定されていることを運転前に確認すること。
ROPS を下げると横転に対する保護効果はなくなる。
どうしても必要な時以外には ROPS を下げないこと。
ROPS を下げて乗車しているときにはシートベルトを着用しないこと。
運転はゆっくり慎重におこなうこと。
頭上の障害物がなくなったら直ちに ROPS を立てること。
頭上の安全(木の枝、門、電線など)に注意し、これらに機械や頭をぶつけないように注意すること。
Important: どうしても必要な時以外には ROPS を下げないこと。
安全についての章に記載されている注意事項をすべてよく読んでください。オペレータや周囲の人を事故から守る重要な情報が掲載されています。
ぬれ芝、急斜面など滑りやすい場所で運転すると滑って制御できなくなる危険がある。
傾斜が15度を超える斜面では本機を使用しない。
斜面では速度を落とし、より慎重な運転を心がける。
水の近くに乗り入れないこと。
車輪やローラが溝などに落ちて機体が転倒すると、最悪の場合、死亡事故などの重大な事故となる危険があります。
段差の近くに乗り入れないこと。
ROPSを降ろした状態で運転して万一転倒すると、重大な人身事故になる恐れがある。
ROPSは完全に立てた状態にセットし、必ずシートベルトと共に使用する。

この機械の運転音は、オペレータの耳の位置で 85dBA となり、長時間使用しつづけると聴覚に障害を起こす可能性がある。
運転に際しては聴覚保護具を使用すること。
目、耳、足、頭などの保護具を使用すること。

インタロックスイッチは安全装置であり、これを取り外すと予期せぬ人身事故が起こり得る。
インタロックスイッチをいたずらしないこと。
作業前にインタロックスイッチの動作を点検し、不具合があれば作業前に交換修理する。
安全のために、以下の条件がそろわないとエンジンを始動できないようになっています。
駐車ブレーキが掛かっていることを確認する。
ブレード(PTO)制御スイッチが解除されている。
走行コントロールレバーがニュートラルロック位置にある。
駐車ブレーキを解除しないで走行コントロールレバーを操作した場合やPTOを動作させたままで運転席から立ち上がった場合にも安全インタロックシステムが働いてエンジンを停止させます。
アワーメータには、インタロックが正しい位置にセットされているかどうかがマークで表示されます。各インタロック機器が正しい(エンジン作動可能な)状態にある時には、それぞれの位置に三角形が点灯表示されます。

| 整備間隔 | 整備手順 |
|---|---|
| 使用するごとまたは毎日 |
|
機械を使用する前には、必ずインタロックシステムのテストをしてください。安全装置が正しく動作しない場合には直ちに修理が必要です。弊社代理店に連絡してください。
着席し、駐車ブレーキを掛け、ブレード(PTO)制御スイッチをON位置にする。エンジンを始動させてみる;クランキングしなければ正常。
着席し、駐車ブレーキを掛け、ブレード(PTO)制御スイッチをOFF位置にする。走行コントロールレバーのうちの一方をニュートラルロック位置以外の位置に動かす。エンジンを始動させてみる;クランキングしなければ正常。もう一方のコントロールレバーでも同じ点検を行う。
着席し、駐車ブレーキを掛け、ブレード(PTO)制御スイッチをOFF位置にセットし、走行コントロールレバーをニュートラルロック位置にする。エンジンが始動できれば正常。エンジンが作動している状態で駐車ブレーキを解除し、ブレード(PTO)制御スイッチを「入」にセットし、運転席からすこし立ち上がる;エンジンが停止すれば正常。
着席し、駐車ブレーキを掛け、ブレード(PTO)制御スイッチをOFF位置にセットし、走行コントロールレバーをニュートラルロック位置にする。エンジンが始動できれば正常。エンジンが作動している状態で、左右どちらかの走行コントロールを中央から(前進または後退方向に)動かす;エンジンが停止すれば正常。もう一方の走行コントロールについても同じテストを行う。
着席し、駐車ブレーキを解除し、ブレード(PTO)制御スイッチをOFF位置にセットし、走行コントロールレバーをニュートラルロック位置にする。エンジンを始動させてみる;クランキングしなければ正常。
運転席の前後位置を調整することができます(図 13)。体格に合わせて運転しやすい位置を選んでセットしてください。

Toro が認めていないアタッチメントやアクセサリは使用しないでください。
図 15に示す4ヶ所の位置のいずれであっても、2つ以上のアクセサリ取り付けキットが取り付けてある場合には、前輪用ウェイトキットの取り付けが必要になります。詳細については弊社代理店におたずねください。

オーナーやオペレータは自分自身や他の安全に責任があり、オペレータやユーザーの注意によって物損事故や人身事故を防止することができます。
作業にふさわしい服装をする;安全めがね、すべりにくく安全な靴、聴覚保護具を着用してください。長い髪は束ねてください。装飾品は身に着けないでください。
疲れている時、病気の時、アルコールや薬物を摂取した時は運転しないでください。
絶対に人を乗せないでください。また、作業中は周囲から人やペットを十分に遠ざけてください。
運転は、穴や障害物を確認できる十分な照明のもとで行ってください。
ぬれた芝の刈り込みは避けてください。接地力が落ちてスリップする危険が高くなります。
エンジンを掛ける前に、全部の駆動装置がニュートラルであること、駐車ブレーキが掛かっていることを確認し、運転席に着席してください。
カッティングユニットに手足を近づけないでください。また排出口の近くにも絶対に人を近づけないでください。
バックするときには、足元と後方の安全に十分な注意を払ってください。
見通しの悪い曲がり角や、茂み、立ち木などの障害物の近くでは安全に十分注意してください。
段差や溝、大きく盛り上がった場所の近くなどでは作業しないでください。万一車輪が段差や溝に落ちたり、地面が崩れたりすると、機体が瞬時に転倒し、非常に危険です。
刈り込み中以外は必ずブレードの回転を止めておいてください。
異物をはね飛ばしたときや機体に異常な振動を感じたときには運転を停止してよく点検してください。異常を発見したら、作業を再開する前にすべて修理してください。
旋回するときや道路や歩道を横切るときなどは、減速し周囲に十分な注意を払ってください。常に道を譲る心掛けを。
刈高を変更する時は、必ずカッティングユニットを停止させ、エンジンを止めてください(運転席で刈高を変更できる場合はこの限りでありません)。
排気ガスが充満するような締め切った場所では絶対にエンジンを運転しないでください。
エンジンを掛けたままで絶対に機体から離れないでください。
運転位置を離れる前に(集草バッグを空にする場合や詰まりを除去する場合も):
平らな場所に停止する。
PTOの接続を解除し、アタッチメントを下降させる。
駐車ブレーキを掛ける。
エンジンを止め、キーを抜き取る。
すべての動作が停止するのを待つ。
落雷の危険がある時には運転しないでください。
この機械を牽引用車両として使用しないでください。
エンジンのガバナの設定を変えたり、エンジンの回転数を上げすぎたりしないでください。
弊社(トロ)が認めた以外のアクセサリやアタッチメントを使用しないでください。
ROPSを取り外さないでください。
必ずシートベルトを着用し、緊急時にはシートベルトを迅速に外せるよう練習しておいてください。
ROPS を立てて運転中は必ずシートベルトを着用してください。
頭上の障害物に注意し、これらに衝突しないように注意してください。
ROPS自体に損傷がないか、また、取り付け金具がゆるんでいないか、定期的に十分に点検を行い、万一の際に確実に役立つようにしておいてください。
損傷したROPSは交換してください。修理したり改造しての使用はしないでください。
斜面では必ず減速し、安全に十分注意して運転してください。斜面では、上下方向に走行してください。ターフの状態は、マシンの安定性に大きな影響を与えます。
斜面では旋回操作は避けてください。どうしても旋回しなければならない場合は、ゆっくりと、可能であれば谷側に、旋回してください。
小さな旋回をしないでください。後退は十分注意して行ってください。
アタッチメントを搭載すると機械の安定性が変化しますから、運転には特に注意してください。
停止中や、誰も乗車していない時は、必ず駐車ブレーキを掛けてください。
斜面では、駐車ブレーキの機能が十分でなく機体が動き出して人身事故や物損事故を起こす危険がある。
斜面に駐車する場合には、必ず車輪をブロックすること。


ブレード(PTO)制御スイッチは、刈り込みデッキのブレードを回転・停止させるスイッチです。
Note: スロットルレバーを出力 1/2 以下にセットしてをブレード(PTO)制御スイッチを操作すると駆動ベルトに著しい磨耗が発生しますからご注意ください。


始動キーを START 位置に回す(図 22)。
Note: エンジンが始動したら、キーから手を離す。
Important: スタータは 1 度に 5 秒間以上連続で使用しないでください。5秒間以内にエンジンが始動しなかった場合は、15秒間待ってから再度始動を試みてください。この手順を守らないとスタータモータを焼損する恐れがあります。
Note: 燃料タンクが完全に空になっていた状態から給油してエンジンを始動する場合には、1回の始動動作で始動できない場合があります。

エンジンを停止させるには、キーをOFFにしてください。
ROPS を立ててロックし、運転席に座ってシートベルトを締める。
走行コントロールをニュートラルロック位置にする。
駐車ブレーキを掛ける;駐車ブレーキの掛け方を参照。
ブレードコントロールスイッチ(PTO)をOFF 位置にセットする(図 23)。
スロットルレバーを FAST と SLOW の中間位置にセットする。

始動キーを START 位置に回す(図 24)。
Note: エンジンが始動したら、キーから手を離す。
Important: スタータは 1 度に 5 秒間以上連続で使用しないでください。5秒以内にエンジンが始動しなかった場合は、15秒間待って、それからもう一度始動を試みてください。この手順を守らないとスタータモータを焼損する恐れがあります。
Note: 燃料系統から燃料を一度完全に抜いた後には、一度の始動操作でエンジンが始動できない場合があります。

置きっぱなしの機械を子供などがいたずらで運転すると大きな事故になる恐れがある。
機械から離れる時には、たとえ数分間であっても必ず駐車ブレーキを掛け、キーを抜き取る。
スロットルレバーを高速位置に戻し、始動キーを OFF にする。

Important: 移送や保管をする場合は、燃料もれを確実に防止するために必ず燃料バルブを閉じてください。移送時には駐車ブレーキを掛けてください。燃料ポンプが通電状態になっているとバッテリーが消耗しますから、キーを必ず抜き取っておいてください。

駆動輪はそれぞれに油圧モータがついており、各輪が独立して回転します。一方のコントロールレバーを前進方向に、もう一方を後退方向にするとその場回転(スピン)することができます。これにより、取り回し性が圧倒的に向上しますが、運転操作には多少の習熟が必要になるでしょう。
エンジンの速度(1分間の回転数)はスロットルコントロールによって制御されています。スロットルコントロールをFAST位置にすると最も良い性能が得られます。芝刈り作業を行う時は、必ずスロットルを Fast 位置にセットしてください。
この機械は高速急旋回が可能である。確実にコントロールしないと人身事故や機械を破損するなどの事故を起こす。
旋回動作は十分に注意して行うこと。
小さな旋回を行う前には速度を十分に落としてください。
Note: 駐車ブレーキを掛けたままで走行コントロールレバーを操作するとエンジンが停止します。
停止するには両方のレバーをニュートラル位置にします。
駐車ブレーキを掛ける;駐車ブレーキの解除方法を参照。
レバーを中央位置(ロック解除位置)にする。
前進するには、左右の走行コントロールレバーをゆっくりと前へ押し出す(図 27)。

レバーを中央位置(ロック解除位置)にする。
後退するには、左右の走行コントロールレバーをゆっくりと後ろへ引く(図 28)。

移動走行ロックには2つの位置があり、デッキ昇降ペダルで操作を行います。移動走行用のロック位置と、ロック解除位置とがあります(図 29)。

刈高を変更した場合には、芝削り防止ローラの高さの調整を行ってください。
ブレード(PTO)コントロールスイッチを切り、走行コントロールレバーをニュートラルロック位置にセットし、駐車ブレーキを掛ける。
エンジンを停止させ、キーを抜き取り、各部が完全に停止したのを確認してから運転位置を離れる。


走行を停止するには、左右の走行コントロールレバーをニュートラルロック位置にし、PTO(ブレード制御スイッチ)を切り、始動キーをOFF位置に回します。
本機を離れるときには必ず駐車ブレーキを掛けてください;駐車ブレーキの掛け方を参照。キーは抜き取っておく。
置きっぱなしの機械を子供などがいたずらで運転すると大きな事故になる恐れがある。
機械から離れる時には、たとえ数分間であっても必ず駐車ブレーキを掛け、キーを抜き取る。
カッティングデッキ(モア)には、刈りかすを横下方向へ向けるデフレクタが取り付けられています。
デフレクタ、排出口カバー、あるいは集草アセンブリ一式を取り付けずに刈り込み作業を行うことは、自分自身や周囲の人間を回転刃やそれに飛ばされてくる異物の危険にさらす危険行為である。回転中のブレードに触れたり、跳ね飛ばされた物に当たると、けがをするばかりでなく場合によっては死亡する。
デフレクタは排出方向を下向きにする重要な部材であるから、絶対に取り外したままで刈り込みを行ってはならない。デフレクタが破損している場合には直ちに交換すること。
刈り込みデッキの下には絶対に手足を差し入れないこと。
刈り込みデッキの排出部や刈り込みブレードの近くを清掃する時には、必ずPTOを解除(OFF)し、エンジンのキーをOFFにして抜き取る。
デフレクタが降りた位置になっているのを必ず確認しておくこと。
刈り込みおよび吹き飛ばしをベストの状態で行うために、エンジンは常に高速で使ってください。刈かすをきれいに裁断するには十分な空気流が必要ですから、刈高を低くしすぎたり、刈り込みデッキの周囲すべてを高い草で囲まれるような刈り込みはお奨めできません。常に刈り込みデッキの左右どちらかの側から、デッキの内部に十分な空気を吸い込めるようにしておきましょう。
希望する刈高より少し高目の設定で刈って、凹凸面で芝が削られたりしないことを確認し、その後にいつもの刈高に戻すようにしましょう。安全が確認できたら、それまで使用してきた刈高にセットして使うのがベストでしょう。草丈が15 cmを超えるような場所を刈り込む時には、最初に高めに刈り込み、次に刈高を下げて刈るというように二度刈りするときれいにできます。
草丈の 1/3 以上を刈り取らないようにするのがベストです。これ以上の刈り込みは、草がまばらにしか生えていないような場所や、秋の終わりで草の生長速度が非常に遅いときなどだけにしましょう。
いつも前回と違う方向から刈ってやるようにすると、草に寝ぐせがつかず真っ直ぐに成長します。また、刈りかすの飛散方向も変わるので自然分解が促進され、栄養的にも有利です。
芝草の生長速度は色々な条件によって左右され、一定ではありません。ですから、草丈をいつもほぼ一定に維持するためには成長が早い時期にはひんぱんな刈り込みが必要になります。芝生の成長速度が遅くなってきたら、刈り込み間隔を長くするようにします。何かの事情で長期間刈り込みを休んでしまった場合には、まず高めの刈高で一度刈り込みを行い、2日ほど経ってから刈高を低くしてもう一度刈り込みます。
コンディションに合わせて遅めの走行速度で刈る方がきれいに刈り上がります。
草丈がそろっていない場所では、芝削りを避けるために高めの刈高で刈りましょう。
刈り込み中に前進動作を停止しなければならなくなると、刈かすが芝生の上に山になって残ってしまいます。これを避けるには、ブレードを回転させたままで、既に刈り込みの終わっている場所まで移動するか、前進しながらデッキを停止させます。
芝刈り作業が終わったらホースと水道水で刈り込みデッキの裏側を洗浄してください。ここに刈りかすやごみが溜まると切れ味が落ち、仕上がりが悪くなります。
ブレードの刃先が鋭利であれば、芝草の切り口もきれいです。シーズンを通してブレードの刃先を鋭利にしておきましょう。切れ味の悪い刃先は芝草を引きちぎるので、切り口が茶色に変色し、芝草の成長を悪くし、また病気にもかかりやすくなります。刈り込み後は、ブレードに磨耗や破損が発生していないか毎回点検してください。必要に応じてやすりなどで当たり傷などを修正し、刃先を鋭利に研いでください。ブレードが破損したり磨耗したりした場合には、直ちに交換してください;純正ブレードを使ってください。
火災防止のため、カッティングユニット、マフラー、エンジンの周囲に、草や木の葉、ホコリなどが溜まらないようご注意ください。オイルや燃料がこぼれた場合はふき取ってください。
格納保管中やトレーラで輸送中は、燃料バルブを閉じておいてください。
移動走行時など、刈り込みなどの作業をしていない時には、アタッチメントの駆動を解除しておいてください。
機械をトレーラやトラックに積み込む際には、機体と同じ幅のある歩み板を使用してください。
荷台に載せたら、ストラップ、チェーン、ケーブル、ロープなどで機体を確実に固定してください。機体の前後に取り付けた固定ロープは、どちらも、機体を外側に引っ張るように配置してください。
閉めきった場所に本機を保管する場合は、エンジンが十分冷えていることを確認してください。
格納保管中やトレーラで輸送中は、燃料バルブを閉じておいてください。
ガス湯沸かし器のパイロット火やストーブなど裸火や火花を発するものがある近くでは、絶対に機械や燃料容器を保管・格納しないでください。
燃料バルブは運転席の後ろにあります。
移送、整備、保管などの場合は、燃料バルブを閉じてください。
その後にエンジンを始動する場合には、忘れずに燃料バルブを開いてください。


エンジンデッキ下の回転部に巻き込まれると、手などを切断する大けがを負う危険がある。
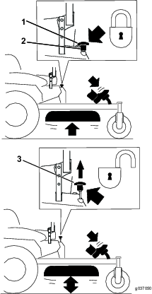
走行ホイール解除バルブの操作を行うときは、必ずエンジンを停止させ、キーを抜き取り、各部が完全に停止したのを確認すること。
エンジンや油圧関係機器は高温になっている可能性がある。高温になっている部分に触れるとやけどなどの重篤な人身事故になる恐れがある。
走行ホイール解除バルブの操作を行うときは、必ずエンジンや油圧関係機器が十分に冷えていることを確認すること。
走行ホイール解除バルブはエンジンデッキの下の左右にあります。
マシンの移送には十分に強度のあるトレーラやトラックを使用してください。トレーラやトラックには、法令で定められたブレーキ、灯火類やマークを必ず取り付けてください。安全に関する注意事項はすべてよく読んでください。あなたご自身やご家族、ペット、周囲の人を事故から守るための情報です。
公道上を走行する場合には、適切な方向指示器、反射器、表示、低速車表示などが定められており、これらを遵守しないと危険である。
公道上などを走行しないこと。
移送に際しての準備:
トレーラを使用する場合は、トレーラを牽引車両に接続するとともに、安全チェーンを取り付けること。
ブレーキを使用する場合には、ブレーキの接続を行なってください。
トレーラまたはトラックにマシンを乗り入れる。
エンジンを停止し、キーを抜き取り、駐車ブレーキを掛け、燃料バルブを閉じる。
マシンにはロープ固定用のアイがついているので、チェーンやロープなどを使ってトラックやトレーラに機体をしっかりと固定する(図 35)。

トラックやトレーラに積み降ろしなどをする場合には十分に注意して作業を行ってください。トレーラなどへの積み降ろしには、マシンよりも幅広の一枚ものの歩み板を使用してください。積み込み(登り)はバックで、降りる時には前進で運転してください (図 36)。

Important: 左右に分かれた細い板を使用しないでください。
マシンをトレーラなどに搭載する作業は、機体を転倒させる危険をはらんでおり、万一そのような事故が起こると死亡事故など重大な人身事故となる(図 37)。
歩み板の上を運転する場合には安全に十分に注意すること。
歩み板は幅の広いものを使用すること;マシンの左右それぞれに細い歩み板を使用しないこと。
歩み板と路面との角度、および歩み板とトレーラの荷台の床面との角度が、いずれも15度を超えないようにすること。
必ず、トラック(トレーラ)の荷台の高さの4倍程度の長さの板を使用すること。このようにすれば、平らな地面と荷台との角度が15度を超えることはない。
積み込み(登り)はバックで、降りる時には前進で運転する。
積み下ろし作業中の急加速や急減速などは転倒などの危険を大きくするから避ける。

| 整備間隔 | 整備手順 |
|---|---|
| 使用開始後最初の 5 時間 |
|
| 最初の 75 運転時間後 |
|
| 使用するごとまたは毎日 |
|
| 25運転時間ごと |
|
| 50運転時間ごと |
|
| 100運転時間ごと |
|
| 200運転時間ごと |
|
| 250運転時間ごと |
|
| 500運転時間ごと |
|
| 毎月 |
|
| 1年ごとまたは長期保管前 |
|
Important: エンジンの整備に関しての詳細は、付属のエンジンマニュアルを参照のこと。
始動キーをつけたままにしておくと、誰でもいつでもエンジンを始動させることができ、危険である。
整備・調整作業の前には必ずエンジンを停止し、キーを抜いておくこと。
修理開始前に以下の作業を行ってください:
駆動系統をOFFにする。
駐車ブレーキを掛ける。
エンジンを止め、キーを抜き取る。
点火コードを外す。
平らな場所に駐車する。
火災防止のため、カッティングユニットや駆動部、マフラーの周囲にある草や木の葉、ホコリなどを除去する。
オイルや燃料がこぼれた場合はふき取ってください。
格納はエンジンが十分に冷えてから行ってください。
裸火の近くに機械や燃料を保管したり、屋内で燃料の抜き取りをしたりしない。
適切な訓練を受けていない人には機械の整備をさせない。
必要に応じ、ジャッキなどを利用して機体や機器を確実に支える。
機器類を取り外すとき、スプリングなどの力が掛かっている場合があります。取り外しには十分注意してください。
修理を行うときには必ずバッテリーの接続と点火プラグの接続を外しておいてください。バッテリーの接続を外すときにはマイナスケーブルを先に外し、次にプラスケーブルを外してください。接続するときにはプラス側を先に接続し、次にマイナス側を接続してください。
ブレードを点検する時には安全に十分注意してください。ブレードを取り扱う時は、ブレードをウェスでくるむか、安全手袋をはめてください。曲がったブレードをたたいて直したり溶接で修復したりせず、必ず新品に交換してください。
可動部に手足を近づけないよう注意してください。エンジンを駆動させたままで調整を行うのは可能な限り避けてください。
各部品が良好な状態にあること、ボルトナット類、特にブレード取り付け用のボルト類に問題がないか常に点検してください。読めなくなったステッカーは貼り替えてください。
安全装置の作動を妨げるようなことや、安全装置による保護を弱めるようなことは絶対にしないでください。安全装置が適切に作動するかを定期的に点検してください。
いつも最高の性能と安全性を維持するために、必ずToroの純正部品をご使用ください。他社の部品やアクセサリを御使用になると危険な場合があり、製品保証を受けられなくなる場合がありますのでおやめください。
駐車ブレーキは、頻繁に動作点検を行ってください。必要に応じて調整や整備を確実に行ってください。
カーテン上部についているボルトをゆるめると刈り込みデッキのカーテンを開放することができます (図 38)。施業終了後は、ボルトを締めてカーテンを固定してください。

ほこりなどのひどい場所で使用する場合は、整備間隔を短くしてください。
グリスのタイプ:No.2リチウム系汎用グリスまたはモリブデン系のグリス
ブレード(PTO)コントロールスイッチを切り、走行コントロールレバーをニュートラルロック位置にセットし、駐車ブレーキを掛ける。
エンジンを停止させ、キーを抜き取り、各部が完全に停止したのを確認してから運転位置を離れる。
グリスニップルをウェスできれいに拭く。
Note: フィッティング前部にペンキが付着している場合には、必ず落としておく。
ニップルにグリスガンを接続する。
グリスがベアリングからはみ出てくるまで注入する。
はみ出したグリスはふき取る。
高温部に触れると非常に危険である。
手足や顔や衣服などをマフラなどの高温部に近づけないよう十分注意すること。
エンジンオイルの点検や補充は、エンジンを止めて行ってください。
| 整備間隔 | 整備手順 |
|---|---|
| 25運転時間ごと |
|
| 100運転時間ごと |
|
| 200運転時間ごと |
|
スポンジエレメントは水洗いする。破損している場合は交換する。
堅い平らな面の上でエレメントを軽く叩いて汚れを落とす。
破れ、油汚れ、シールの傷がないか点検する。
Important: ペーパーエレメントは水や石油などで洗ったり、エア吹きしたりしないでください。破れたり汚れが十分に落ちなくなったペーパーエレメントは交換してください。
オイルのタイプ: 洗浄性オイル(API 規格 SF, SG, SH, SJ またはSL)
オイル容量: 2.4 リットル (フィルタ共)
粘度: 下の表を参照してください。

| 整備間隔 | 整備手順 |
|---|---|
| 使用するごとまたは毎日 |
|
Note: エンジンが冷えている状態で点検してください。
高温部に触れると非常に危険である。
手足や顔や衣服を回転部やマフラなどの高温部に近づけないよう十分注意すること。
Important: オイルの入れすぎは、かえってエンジンを傷めます。また、オイル量が下限マークより少ない状態でエンジンを作動させないでください。エンジンを傷めます。
平らな場所に駐車し、ブレードスイッチを OFF にし、エンジンを停止させ、駐車ブレーキを掛けてキーを抜き取る。
エンジンが停止しており、水平であり、停止後にオイルがエンジンに戻る十分な時間が経過してエンジンが冷えていることを確認する。
エンジン内部に異物が入らないように、オイルキャップやディップスティックの周囲をきれいにする(図 45)。

| 整備間隔 | 整備手順 |
|---|---|
| 使用開始後最初の 5 時間 |
|
| 100運転時間ごと |
|
Note: 廃油はリサイクルセンターに持ち込むなど適切な方法で処分してください。
| 整備間隔 | 整備手順 |
|---|---|
| 100運転時間ごと |
|
| 200運転時間ごと |
|
電極間のエアギャップを正しく調整しておいてください。取り付け、取り外しには必ず専用のレンチを使い、エアギャップの点検調整にはすきまゲージやギャップ調整工具などを使ってください。必要に応じて新しい点火プラグと交換してください。
タイプ : Champion RN9YC または NGK BPR6ES
エアギャップ:0.76 mm
PTOを解除し、駐車ブレーキを掛ける。
エンジンを停止させ、キーを抜き取り、各部が完全に停止したのを確認してから運転位置を離れる。

Note: 点火プラグの周囲の溝が非常に深いので、圧縮空気を吹き付けて清掃するのが最も効率的です。また、ブロアハウジングを取り外したときに点火プラグの点検を行うのが最も容易です。
Important: 点火プラグは清掃しないでください。黒い汚れ、電極の磨耗、油膜、亀裂などがあれば新しいものと交換してください。
絶縁体部がうす茶色や灰色なら適正、碍子が黒くなっているのは不完全燃焼である(エアクリーナの汚れが原因であることが多い)。
すきまを 0.76 mm に調整する。

点火プラグを25~30 N·m(2.5~3.0 kg.m = 19~22 ft-lb)にトルク締めする。

| 整備間隔 | 整備手順 |
|---|---|
| 使用するごとまたは毎日 |
|
毎回、運転前にエアインテークのスクリーンについている刈りかすやごみを取り除いてください。
ブレードスイッチを解除し、駐車ブレーキを掛ける。
エンジンを停止させ、キーを抜き取り、各部が完全に停止したのを確認してから運転位置を離れる。
エンジンからエアフィルタを外す。
エンジンのシュラウドを取り外す。
エアインテークに異物が入らないように、フィルタベースにフィルタを取り付ける。
これらについている汚れを除去する。
エンジンからエアフィルタを外し、シュラウドを取り付ける。
エアフィルタを取り付ける。
| 整備間隔 | 整備手順 |
|---|---|
| 50運転時間ごと |
|
排気系統が高温である間はエンジンを停止させた後でもガソリンの蒸気に着火する可能性がある。エンジンから排出された高温のチリが周囲のものを引火させる可能性がある。このようなことが起こると火災や人身事故になる恐れがある。
燃料の補給やエンジンの運転はスパークアレスタを取り付けて行うこと。
エンジンを止め、各部が停止するのを待ち、キーを抜き取る。駐車ブレーキを掛ける。
マフラーが冷えるまで待つ。
スクリーンや溶接部に破損を発見した場合にはアレスタを交換する。
スクリーンが目詰まりを起こしている場合には、アレスタを取り外してよく振ってスクリーンについているススなどを払いおとし、ワイヤブラシでスクリーンを清掃(必要に応じて溶剤に浸して清掃)する。排気口にアレスタを取り付ける。
| 整備間隔 | 整備手順 |
|---|---|
| 500運転時間ごと |
|
エンジンを止め、各部が停止するのを待ち、キーを抜き取る。駐車ブレーキを掛ける。
換気ホースからフィルタを外す。
ホースに新しいフィルタを取り付ける。
| 整備間隔 | 整備手順 |
|---|---|
| 500運転時間ごと |
|
Important: 燃料ラインのホースを取り付け、これらが可動部に接触して破損することのないように、燃料ラインのホースを、元と同じようにプラスチックタイで縛って固定してください。
燃料フィルタは、エンジンの左前付近についています。
ブレード(PTO)コントロールスイッチを切り、走行コントロールレバーをニュートラルロック位置にセットし、駐車ブレーキを掛ける。
エンジンを停止させ、キーを抜き取り、各部が完全に停止したのを確認してから運転位置を離れる。
マシンが冷えるのを待つ。
運転席の後ろにある燃料バルブを閉じる(図 33)。

燃料バルブを開く。
燃料タンクから燃料を抜き取らないでください。燃料の抜き取りや燃料計等の整備は弊社サービスティーラにお任せください。
マシンの整備や修理を行う前に、バッテリーの接続を外してください。バッテリーの接続を外すときにはマイナスケーブルを先に外し、次にプラスケーブルを外してください。接続するときにはプラスを先に接続し、次にマイナスを接続してください。
バッテリーの充電は、火花や火気のない換気の良い場所で行ってください。バッテリーと充電器の接続や切り離しを行うときは、充電器をコンセントから抜いておいてください。また、安全な服装を心がけ、工具は確実に絶縁されたものを使ってください。
バッテリーの電極部や端子などの部分には鉛や鉛含有物質が含まれており、カリフォルニア州では、これらの物質が癌や先天性異常の原因となるとされている。取り扱い後は手を洗うこと。
| 整備間隔 | 整備手順 |
|---|---|
| 毎月 |
|
電解液には触れると火傷を起こす劇薬である硫酸が含まれている。
電解液を飲まないこと。また、電解液を皮膚や目や衣服に付けないよう十分注意すること。安全ゴーグルとゴム手袋で目と手を保護すること。
バッテリーの端子に金属製品や車体の金属部分が触れるとショートを起こして火花が発生する。 それによって水素ガスが爆発を起こし人身事故に至る恐れがある。
バッテリーの取り外しや取り付けを行うときには、端子と金属を接触させないように注意する。
バッテリーの端子と金属を接触させない。
バッテリーケーブルの接続手順が不適切であるとケーブルがショートを起こして火花が発生する。それによって水素ガスが爆発を起こし人身事故に至る恐れがある。
ケーブルを取り外す時は、必ずマイナス(黒)ケーブルから取り外す。
ケーブルを取り付ける時は、必ずプラス(赤)ケーブルから取り付け、それからマイナス(黒)ケーブルを取り付ける。
充電中は爆発性のガスが発生する。
充電中は絶対禁煙を厳守。バッテリーに火気を近づけない。
Important: バッテリーは常時フル充電状態に維持してください(このとき電解液の比重は1.265 になります)。特に氷点下で保管する場合にはこのことを守ってください。
25~30アンペアで10~15分、または10 アンペアで30分、バッテリーを充電する。
充電が終わったら、チャージャのプラグをコンセントから抜いてから、チャージャのリード線をバッテリー端子から外す(図 54)。
バッテリーをマシンに取り付け、バッテリーケーブルを接続する;バッテリーの取り付けを参照。
Note: バッテリーを外したままで機械を運転しないでください。電気系統を損傷する恐れがあります。

| 整備間隔 | 整備手順 |
|---|---|
| 使用するごとまたは毎日 |
|
シートベルトが磨耗していないか、切れていないか、適切に引き込まれるか、バックルは問題ないかを目視で点検する。ベルトが破損している場合には交換する。
ブレード制御スイッチ(PTO)を切る
広い平らな場所に移動し、走行コントロールレバーをニュートラルロック位置にセットする。
スロットルを FAST と SLOW の中間位置にセットする。
左右両方のコントロールハンドルを倒してT字スロットのストップに当てる。
この状態でマシンが左右どちらにずれるかを観察する。
マシンが右にずれる場合は、右前カバーパネルのアクセス穴から 3/16" のレンチを差し込んでトラッキングねじを右または左に回してレバーの動作範囲を調整する(図 58)
マシンが左にずれる場合は、右前カバーパネルのアクセス穴から 3/16" のレンチを差し込んでトラッキングねじを右または左に回してレバーの動作範囲を調整する(図 58)
マシンを作動させ、前進全速走行で動作を確認する。
直進できるまでこの操作を繰り返す。

| 整備間隔 | 整備手順 |
|---|---|
| 50運転時間ごと |
|
前後のタイヤは 0.9 bar (0.91 kg/cm2 = 13 psi)に調整して運転してください。タイヤ空気圧がそろっていないと、刈り上がりもそろわなくなります。測定はタイヤが冷えている状態で行うのがベストです。

ホイールナットを 122-136 N·m(12.5-13.8 kg.m = 90-100 ft-lb)にトルク締めする。
| 整備間隔 | 整備手順 |
|---|---|
| 使用するごとまたは毎日 |
|
毎回、運転前に、エンジンスクリーン、エンジンの周囲、排気系統などに刈りかすやごみがたまっていたら取り除いてください。これにより、十分な冷却効果と適正なエンジン回転数が確保でき、エンジンのオーバーヒートや損傷の発生を抑えることができます。
| 整備間隔 | 整備手順 |
|---|---|
| 500運転時間ごと |
|
Note: ブレーキ関係の機器を取り外したり交換したりした場合には、以下の作業を実施してください。
平らな場所に移動する。
ブレード(PTO)コントロールスイッチを切り、走行コントロールレバーをニュートラルロック位置にセットし、駐車ブレーキを掛ける。
エンジンを停止させ、キーを抜き取り、各部が完全に停止したのを確認してから運転位置を離れる。
マシンを手押しで移動できるように設定する。走行ホイール解除バルブの使用方法を参照。
機体の後部を持ち上げてジャッキスタンドで支える。
機械式や油圧式のジャッキなどで機体を機体を持ち上げたままで放置するのは危険である。ジャッキ装置のみでは、何らかの拍子に機体が落下する危険があり、重大な人身事故の原因となる。
機械式や油圧式のジャッキのみに頼って機体を支えてはいけない。必ずジャッキスタンドなどの支持物を併用すること。
左右それぞれに駐車ブレーキを何度か掛けてみて、それぞれの駐車ブレーキが問題なく作動することを確認する。
調整が必要な場合は、まず駐車ブレーキを解除する。ブレーキリンクのシャフトからコッターピンを抜き取る(図 60)。

図 61に示すスプリングの長さを両方とも点検する。長さの調整が必要な場合には、上部のナットを使う。右回しで短くなり、左回しで長くなる。

駐車ブレーキレバーを一番下まで下げる。
ブレーキリンクのシャフトを回して、端部とレバーの穴とを整列させる。
リンクを右に回すと短くなる。
リンクを左に回すと長くなる。
ブレーキリンクのシャフトを駐車ブレーキの穴に入れてコッターピンで固定する。必要に応じて上記ステップ6を繰り返して再調整する。
調整が終ったら、ジャッキスタンド(または同様の支持台)を外して機体を床に降ろす。
機体を通常走行用にセットする。走行ホイール解除バルブの使用方法を参照。
| 整備間隔 | 整備手順 |
|---|---|
| 50運転時間ごと |
|
ベルトが破損している場合には交換する。磨耗の兆候として:ベルトが回転するときにきしみ音がする、刈り込み中にベルトが滑ってブレードが回らない、ベルトの縁がほつれている、焼けた跡がある、割れているなどがあります。
ブレード(PTO)コントロールスイッチを切り、走行コントロールレバーをニュートラルロック位置にセットし、駐車ブレーキを掛ける。
エンジンを停止させ、キーを抜き取り、各部が完全に停止したのを確認してから運転位置を離れる。
刈り込みデッキを 76 mm の刈高に降下させる。
各ベルトカバーのボルトを外す。
刈り込みデッキカーテンをデッキに固定している下部ボルトをゆるめる;刈り込みデッキのカーテンの開放を参照。
シートメタルガードを取り外す;シートメタルガードの取り外しを参照。
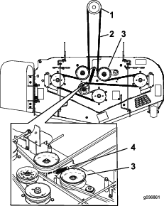
デッキからベルトカバーとベルトを取り外す(図 62)。

スプリング付きのアイドラプーリのスプリングの張力を解除する;図 64を参照。
Note: スプリング取り外し工具(Toro P/N 92-5771)を使って、デッキからスプリングを外す(図 64)。
デッキプーリおよびクラッチプーリからベルトを外す。
新しいベルトをデッキのプーリ、およびエンジン下のプーリに取り付ける(図 63)。


アイドラスプリングを取り付ける(図 63)。
Note: スプリングの各端部をアンカー溝にきちんと嵌めてください。
ベルトカバーとそのボルトを取り付ける(図 65)。

刈り込みデッキカーテンをデッキに固定している下部ボルトをゆるめる;刈り込みデッキのカーテンの開放を参照。
シートメタルガードを取り外す;シートメタルガードの取り外しを参照。
ブレード(PTO)スイッチを解除し、駐車ブレーキを掛ける。
エンジンを停止させ、キーを抜き取り、各部が完全に停止したのを確認してから運転位置を離れる。
刈り込みベルトを取り外す;刈り込みベルトの交換 側方排出デッキの場合を参照。
機体をもち上げて、ジャッキスタンドで支える(図 67)。
クラッチストップを取り外す(図 66)。

ポストからアイドラスプリングを外す(図 67)。
油圧ポンプ駆動プーリとエンジンプーリから古いベルトを取り外す。
エンジンプーリと2つの油圧ポンププーリに新しいベルトを掛け回す(図 67)。

クラッチストップを取り付ける(図 66)。
刈り込みベルトを取り付ける;ベルトの整備を参照。
ブレード(PTO)コントロールスイッチを切り、走行コントロールレバーをニュートラルロック位置にセットし、駐車ブレーキを掛ける。
エンジンを停止させ、キーを抜き取り、各部が完全に停止したのを確認してから運転位置を離れる。
高さの調整:
走行コントロールレバーの高さを調整することができます。
走行コントロールレバーをアームシャフトに固定している金具類を外す。

コントロールレバーを、次の穴に動かす。先ほどの金具類でレバーを固定する。
反対側のコントロールレバーについても、上記の調整を行う。
角度の調整
コントロールレバーをアームシャフトに固定している上ボルトをゆるめる。
レバーを前後に動かせる程度に、下ボルトをゆるめる。適当な角度にして両方のボルトを締め付ける。
反対側のコントロールレバーについても、上記の調整を行う。

左右のレバーの端どうしが当たってしまう場合には、走行コントロールのリンクの調整を参照。
機体の両側、運転席の下側にポンプコントロールリンクがあります。½ インチの深ソケットレンチでこのポンプのエンドナットを回して調整することにより、ニュートラル位置でマシンが動き出さないように微調整を行うことができます。ただしこの調整はニュートラル位置の調整のためにのみ行ってください。
調整は、エンジンを作動させ車輪が回転する状態で行われる。可動部や高温部に触れると非常に危険である。
指、手、衣服などを回転部や高音部に近づけないように十分注意すること。
エンジンを作動させる前に、デッキの昇降ペダルを踏み込んで刈高ピンを抜き取る。デッキを床面まで降下させる。
機体後部を持ち上げてジャッキスタンド(または同様の支持物)で支え、走行車輪が床からわずかに浮いて自由に回転できるようにする。
運転席の安全スイッチのコネクタを外す(運転席のクッションの下にある)。
Note: スイッチはシート・アセンブリの一部である。
一時的に メインのハーネスのコネクタの端子間にジャンパ線を入れる。
エンジンを掛ける。エンジンをフルスロットルで回転させ、駐車ブレーキを解除する。
Note: 駐車ブレーキが掛かっていること、走行コントロールレバーが外側にセットされていることを確認してエンジンを始動してください。着席する必要はありません。
走行コントロールレバーを前進最大速度にセットし、この状態で少なくとも5分間作動さぇて油圧オイルを通常の作動温度まで上昇させる。
Note: どの調整の場合も、走行コントロールレバーをニュートラル位置にセットしておく必要があります。
走行コントロールレバーをニュートラル位置にセットする。
コントロールプレートのタブが、油圧ユニットのニュートラル復帰プレートに接触していることを確認する。
ポンプコントロールロッドのナットを回して、車輪が後退方向にわずかにクリープするように調整する(図 70を参照)。
走行コントロールレバーを後退位置にセットし、レバーを軽く押しつつ、後退インジケータのスプリングの力を使ってレバーをニュートラル位置に戻す。
Note: この状態で車輪の回転が停止、またはわずかに後退側にクリープしていればよい。
Note: 作業しにくい場合は走行コントロールのカバーを外してください。

エンジンを停止する。
ワイヤハーネスからジャンパ線を外し、コネクタを元通りにシートスイッチに接続する。
ジャッキスタンドを外す。
デッキを上昇させ、刈高ピンを取りつける。
試運転を行って、駐車ブレーキを解除してもニュートラル位置でマシンがクリープしないことを確認する。
油圧装置を作動させる前に、全部のラインコネクタが適切に接続されていること、およびラインやホースの状態が良好であることを確認すること。
油圧のピンホールリークやノズルからは作動油が高圧で噴出しているので、絶対に手などを近づけない。
リークの点検には新聞紙やボール紙を使う。
油圧関係の整備を行う時は、内部の圧力を確実に解放する。
万一、油圧オイルが体内に入ったら、直ちに専門医の治療を受けてください。万一、油圧オイルが体内に入った場合には、この種の労働災害に経験のある施設で数時間以内に外科手術を受ける必要がある。
油圧オイルの種類: Toro® HYPR-OIL™ 500 油圧作動液(推奨)、または Mobil 1 15W-50 オイル
Important: 指定されたオイルをご使用ください。他のオイルを使用するとシステムを損傷する可能性があります。
エンジンオイルの量(フィルタを外した状態で):4.45リットル
| 整備間隔 | 整備手順 |
|---|---|
| 使用するごとまたは毎日 |
|
油圧オイルが冷えるのを待つ。オイル量はオイルが冷えている状態で点検する。
補助タンクのオイル量を点検し、必要に応じてToro® HYPR-OIL™ 500 油圧オイルを FULL COLD ラインまで補給する。

| 整備間隔 | 整備手順 |
|---|---|
| 最初の 75 運転時間後 |
|
| 250運転時間ごと |
|
| 500運転時間ごと |
|
フィルタとオイルは同時に交換してください。古いオイルを再使用しないでください。フィルタとオイルを交換したら、必ずエア抜きを行ってください。油圧システムのエア抜きを参照。
エアパージ作業はオイルを追加しつつ行い、パージ後もタンク内のオイルレベルが FULL COLD 位置から減少しなくなるまで繰り返し行います。この作業を正しく行わないと、トランスアクスル駆動システムに修理不能なダメージが発生する恐れがあります。
エンジンを停止し、可動部すべての動作が停止するのを待ち、エンジンが冷えるのを待ち、駐車ブレーキを掛け、キーを抜き取る。
各トランスアクスル駆動システムにあるフィルタとガードを探し出す(図 72)。
フィルタガードとガードを固定しているねじ(3本)を外す(図 72)。

フィルタ取り付け部を十分にきれいにする。
Important: 油圧系統に異物が入らないように十分注意してください。
フィルタとプラグを抜いたときに排出されるオイルを受けるために、フィルタの下に回収容器を置く。
各トランスミッションについているプラグを抜き取る。
フィルタをゆるめて外し、排出されるオイルを回収する。
この作業を両方のフィルタについて行う。
新しいフィルタのゴムシール部にオイルを薄く塗る。
ゴムシールがアダプタに当たるまで手でねじ込み、そこから更に 3/4-1 回転増し締めする。
反対側のフィルタにも同じ作業をする。
各フィルタにフィルタガードを元通りに取り付ける。
フィルタガードは3本のねじで固定する。
オイルを入れる前に、通気プラグを外してあることを確認する。
所定のオイルを補助タンクにゆっくりと入れる;通気プラグのひとつ からオイルが流れ出してくるまでオイルを入れる。
通気プラグを取り付ける。
プラグを 20 N·m (2 kg.m=15 ft-lb)にトルク締めする。
補助タンクにさらにオイルを追加する;第二トランスミッションについているもうひとつの通気プラグの穴からオイルが流れ出てくるまでオイルを入れる。
反対側の通気プラグを取り付ける。
プラグを 20N·m(2kg.m=15ft-lb)にトルク締めする。
補助タンクにさらにオイルを追加する;補助タンクの FULL COLD ラインまでオイルを入れる。
ステップ油圧システムのエア抜きに進む。
Important: 油圧システムのエア抜き 作業を正しく行わないと、トランスアクスル駆動システムに修理不能なダメージが発生する恐れがあります。

機体後部を持ち上げてジャッキスタンド(または同様の支持物)で支え、走行車輪が床からわずかに浮いて自由に回転できるようにする。

エンジンを始動し、スロットルを半分ほどの位置に開き、駐車ブレーキを解除する。
バイパスレバーを「非常時牽引」位置にセットする。エンジンが作動し、バイパスバルブを開いた状態で、走行コントロールレバーを前進および後退方向に 5-6 回ゆっくりと操作する。
バイパスレバーを「通常運転」位置にセットする。
エンジンが作動し、バイパスバルブを閉じた状態で、走行コントロールレバーを前進および後退方向に、5~6回ゆっくりと操作する。
エンジンを停止し、補助タンクの油量を点検する。補助タンクの FULL COLD ラインまで油圧オイルを補給する。
油圧システム内部から完全にエアが抜けるまでステップ 2 を繰り返し行う。
Note: トランスアクスルの作動音が通常レベルになり、前進・後退が通常速度で滑らかに行われるようになったら、トランスアクスル内部のエアが完全にパージされたとみなしてよい。
補助タンク内の油量をもう一度点検する。補助タンクの FULL COLD ラインまで油圧オイルを補給する。
デッキを平らな床の上におく。
ブレード(PTO)コントロールスイッチを切り、走行コントロールレバーをニュートラルロック位置にセットし、駐車ブレーキを掛ける。
エンジンを停止させ、キーを抜き取り、各部が完全に停止したのを確認してから運転位置を離れる。
タイヤ空気圧を点検する。タイヤ空気圧を点検するを参照。
デッキを移動走行ロック位置にする。
注意深くブレードを回転させて、左右方向に向ける。
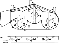
刃先と平らな床面との間の距離を測定する(図 75)。2ヶ所の測定値の差が 5 mm 以内でない場合には、調整が必要であるから、以下の作業を行う。

ブレードの前傾状態を点検する;図 76を参照。「ブロックの高さと傾斜」の表にあるように、ブレードは、その前端が後端よりも下がっていることが必要です。調整が必要な場合には以下の作業を行う。

芝削り防止ローラを一番上の穴にセットするか、全部取り外すかする。
刈り込みデッキのスカートの後ろのエッジ部の下にブロックを 2 個(「ブロックの高さと傾斜」を参照)、また、左右それぞれに 1 個セットする(図 77)。
刈高レバーを、76 mm にセットする。
デッキの前側のエッジの下にブロックを 2 個入れるが、芝削り防止ローラや溶接部の下には入れないように注意する。

| デッキサイズ | 前ブロックの高さ | 傾斜 |
| すべてのデッキに共通 | 7.3 cm | 4.8-6.4 mm |
注意深くブレードを回転させて、左右方向に向ける(図 75)。
4 隅にあるロックナット(図 78) 前部をゆるめ、刈り込みデッキが 4 つのブロックにぐらつかずに乗っていることを確認する。
デッキハンガーのたるみをすべて除去し、デッキ昇降フットレバーがストップに当たって押し戻されることを確認する。
ロックナット(4個)を締めつける。

デッキスカートの下で全部のブロックが適切にデッキを支え、全部のアタッチメントボルトが十分に締まっていることを確認する。
ブレードの前後の傾き点検に進む。
ブレードの前傾姿勢を点検し、必要に応じてデッキの水平調整へ戻る。
ブレード(刃)を鋭利にしておくと、いつも質の良い刈り上がりとなります。ブレードを 2 本用意して交互に使用すると便利です。
磨耗の進んだブレードや破損したブレードは、回転中にちぎれて飛び出す場合があり、これが起こるとオペレータや周囲の人間に多大の危険を及ぼし、最悪の場合には死亡事故となる。また、破損したブレードを修理すると安全規格を満たさなくなる恐れがある。
ブレードが磨耗や破損していないか定期的に点検すること。
ブレードを点検する時には安全に十分注意してください。ブレードをウェスでくるむか、安全手袋をはめ、十分に注意して取り扱ってください。ブレードは研磨または交換のみ行い、たたいて修復したり溶接したりしないでください。
複数のブレードを持つ機械では、1つのブレードを回転させると他も回転する場合がありますから注意してください。
平らな場所に駐車し、ブレード(PTO)制御スイッチを解除し、駐車ブレーキを掛ける。
エンジンを止め、キーを抜きとり、点火プラグからコードを外す。
ブレード(PTO)コントロールスイッチを切り、走行コントロールレバーをニュートラルロック位置にセットし、駐車ブレーキを掛ける。
エンジンを停止させ、キーを抜き取り、各部が完全に停止したのを確認してから運転位置を離れる。
ブレードが前後方向を指すように回転させる。
Aの位置で(図 80)、平らな床面からブレードの刃先までの高さを測る。

ブレードを半回転させてもう一方の刃先を前に向ける。
同じ位置で上記4と同じ要領で平らな床面からブレードの刃先までの高さを測る。
Note: 上記手順4と6で記録した2つの測定値が 3 mm の差の中に収まっていれば適正である。
Note: この差が 3 mm を超える場合には、そのブレードが変形しているので交換する。
曲がったり割れたりしたブレードの一部がデッキから飛び出すと、周囲の人に大けがをさせたり死亡させるなど極めて危険な事故のもととなる。
曲がったり破損したりしたブレードは、必ず新しいものに交換する。
ブレードの表面や縁にヤスリなどで鋭利な溝を作ったりしないこと。
ブレードが堅いものに当たった、バランスが取れていない、磨耗した、曲がったなどの場合には新しいものと交換する必要があります。いつも最高の性能を維持し、安全を確保するために、交換用の刈り込み刃(ブレード)は必ず Toro の純正部品をご使用ください。他社のブレードを使用すると安全規格に適合しなくなる可能性があります。
レンチでスピンドルシャフトを押さえる。
スピンドルのシャフトからブレードボルト、湾曲ワッシャ、ブレードを取り外す(図 81)。

排出口がデフレクタなどで覆われていないと、デッキから異物が飛び出して人に当たる恐れがあり、このようなことが実際におこると深刻な人身事故になる。また、ブレードに触れて大怪我をする可能性もある。
運転時には、必ず、カバープレート、マルチプレート、またはデフレクタやバガーを取り付けること。
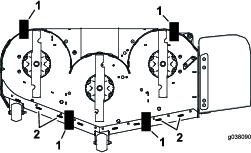
デフレクタをピボットブラケットに固定しているロックナット、ボルト、スプリング、スペーサを外す(図 86)。
破損または古くなっているデフレクタを取り外す(図 86)。

デフレクタにスペーサとスプリングを取り付ける。
J 形端部の1つをデッキ後部のエッジに引っ掛ける。
Note: 必ず、スプリングのJフック端の1つをデッキエッジの後ろに引っ掛け、それからボルトを 図 86のように取り付けてください。
ボルトとナットを取り付ける。
J 形端部のひとつをデフレクタに引っ掛ける(図 86)。
Important: デフレクタが回転できることが必要です。デフレクタを手で上向きにしてから手をはなし、自力で下がることを確認してください。
| 整備間隔 | 整備手順 |
|---|---|
| 使用するごとまたは毎日 |
|
ブレード(PTO)コントロールスイッチを切り、走行コントロールレバーをニュートラルロック位置にセットし、駐車ブレーキを掛ける。
エンジンを停止させ、キーを抜き取り、各部が完全に停止したのを確認してから運転位置を離れる。
デッキを移動走行位置まで上昇させる。
エンジンオイル、バッテリー、油圧オイル、冷却液は環境汚染物質です。これらの物質は、それぞれの地区の法律などに従って適切に処分してください。
ブレードコントロール(PTO)スイッチを解除し、駐車ブレーキを掛け、始動キーを OFFにして抜き取る。
機体各部、特にエンジンや油圧装置に付着している泥や刈りかすをきれいに落とす。特にエンジンのシリンダヘッドや冷却フィン部分やブロアハウジングを丁寧に清掃する。
Important: 機体は中性洗剤と水で洗うことができます。ただし高圧洗浄器は使用しないでください。また、コントロールパネル、エンジン、油圧ポンプ、モータに大量の水が掛からないように注意してください。
ブレーキを点検する;駐車ブレーキの調整を参照。
エアクリーナの整備を行う;エアクリーナの整備を参照。
機体グリスアップを行う;グリスアップを行うを参照。
エンジンオイルを交換する;エンジンオイルとフィルタの交換を参照。
タイヤ空気圧を点検する;タイヤ空気圧を点検するを参照。
油圧フィルタを交換する;油圧システムのフィルタとオイルの交換を参照。
バッテリーを充電する; バッテリーを充電するを参照。
刈り込みデッキの内側にこびりついている刈かすやごみをスクレーパで掻き落とし、水道ホースで水洗いする。
Note: 機体の洗浄がおわったらエンジンを掛け、ブレード(PTO)制御スイッチを2~5分間程度作動させて内部の水を除去する。
ブレードの状態を点検する;ブレードの点検を参照。
長期間(30 日以上)にわたって保管する場合には次の手順に従う:
石油系のスタビライザ/コンディショナ(燃料品質安定剤)を燃料タンクの燃料に添加する。混合手順は、スタビライザの説明書に従うこと。アルコール系のスタビライザ(エタノール系やメタノール系)は使用しないこと。
Note: スタビライザは、新しい燃料に添加して常時使うのが最も効果的です。
エンジンをかけて、コンディショナ入りのガソリンを各部に循環させる(5分間)。
エンジンを停止し、エンジンの温度が下がるのを待ってガソリンを抜き取る;代理店に連絡する。
エンジンを再度始動する;チョークを引いて始動し自然に停止するまで運転する。
抜き取った燃料は地域の法律などに従って適切に処分する。廃油などはそれぞれの地域の法律などに従って適正に処分する。
Important: コンディショナ入りの燃料でも90日間以上の保存はしないでください。
機体各部のゆるみを点検し、必要な締め付けや交換、修理を行う。破損個所はすべて修理する。
機体の塗装がはげていればタッチアップ修理をする。ペイントは代理店で入手することができる。
汚れていない乾燥した場所で保管する。
始動スイッチのキーは必ず抜き取って子供などの手の届かない場所に保管する。
機体にはカバーを掛けておく。
| Problem | Possible Cause | Corrective Action |
|---|---|---|
| スタータがクランキングしない。 |
|
|
| エンジンが始動しない、始動しにくい、すぐ止まる。 |
|
|
| エンジンのパワーが出ない。 |
|
|
| エンジンがオーバーヒートしている。 |
|
|
| 走行すると左または右にずれる(左右のレバーはともに全速前進). |
|
|
| 走行できない。 |
|
|
| 機体が異常に振動する。 |
|
|
| 刈高がそろわない。 |
|
|
| ブレードが回転しない。 |
|
|
| クラッチが入らない。 |
|
|
