| Częstotliwość serwisowania | Procedura konserwacji |
|---|---|
| Przed każdym użyciem lub codziennie |
|
Ta samojezdna kosiarka rotacyjna przeznaczona jest do użytku domowego lub profesjonalnego. Przeznaczona jest przede wszystkim do koszenia trawy na dobrze utrzymanych trawnikach prywatnych lub komercyjnych. Nie służy do koszenia żywopłotów ani zastosowań rolniczych.
Przeczytaj uważnie poniższe informacje, aby poznać zasady właściwej obsługi i konserwacji urządzenia, nie uszkodzić go i uniknąć obrażeń ciała. Odpowiedzialność za prawidłowe i bezpieczne użytkowanie produktu spoczywa na Tobie.
W kwestiach dotyczących materiałów szkoleniowych w zakresie bezpieczeństwa oraz eksploatacji produktu, informacji na temat akcesoriów, pomocy w znalezieniu autoryzowanego sprzedawcy lub rejestracji urządzenia z firmą Toro można skontaktować się bezpośrednio poprzez stronę www.Toro.com.
Aby skorzystać z serwisu, zakupić oryginalne części Toro lub uzyskać dodatkowe informacje, skontaktuj się z przedstawicielem autoryzowanego serwisu lub biurem obsługi klienta firmy Toro, a także przygotuj numer modelu i numer seryjny urządzenia. Rysunek 1 przedstawia położenie numeru modelu i numeru seryjnego na produkcie. Zapisz je w przewidzianym na to miejscu.

Niniejsza instrukcja zawiera opis potencjalnych zagrożeń, a zawarte w niej ostrzeżenia zostały oznaczone symbolem ostrzegawczym (Rysunek 2), który sygnalizuje niebezpieczeństwo mogące spowodować poważne obrażenia lub śmierć w razie zlekceważenia zalecanych środków ostrożności.

W niniejszej instrukcji występują 2 słowa podkreślające wagę informacji. Ważne zwraca uwagę na szczególne informacje techniczne, a Uwaga podkreśla informacje ogólne, wymagające szczególnej uwagi.
Niniejsze urządzenie jest zgodne ze wszystkimi obowiązującymi dyrektywami Unii Europejskiej; szczegółowe informacje zamieszczone są w odpowiedniej deklaracji zgodności, w oddzielnym arkuszu.
System zapłonu iskrowego jest zgodny z kanadyjską normą ICES-002.
Demontaż części i akcesoriów oryginalnie zamontowanych w maszynie może mieć negatywny wpływ na przyczepność, zdolność jazdy oraz bezpieczeństwo maszyny. Korzystanie z części innych niż oryginalne może doprowadzić do poważnych obrażeń lub śmierci. Dokonywanie niezatwierdzonych modyfikacji silnika, układu paliwowego lub wentylacyjnego może stanowić naruszenie obowiązujących przepisów.
Przy wymianie wszystkich części, takich jak, między innymi: opony, paski, ostrza i podzespoły układu paliwowego, stosuj wyłącznie oryginalne części Toro.
Important: W przypadku eksploatowania przez dłuższy czas maszyny z silnikiem Toro na wysokości powyżej 1500 m n.p.m. należy upewnić się, że zainstalowano zestaw do pracy na dużej wysokości n.p.m., dzięki czemu silnik będzie spełniał wymagania CARB/EPA w zakresie emisji. Zestaw do pracy na dużej wysokości n.p.m. poprawia osiągi silnika oraz zapobiega zbieraniu się nagaru na świecach, trudnościom w rozruchu i zwiększonej emisji. Po zainstalowaniu zestawu maszynę należy oznaczyć stosowną etykietą, umieszczając ją obok etykiety z numerem seryjnym. W sprawie uzyskania właściwego zestawu do pracy na dużej wysokości n.p.m. oraz etykiety na maszynę, należy skontaktować się z autoryzowanym serwisem Toro. Adres najbliższego przedstawiciela można znaleźć na witrynie www.Toro.com lub kontaktując się z Działem Obsługi Klienta Toro pod numerami podanymi w dokumencie Emission Control Warranty Statement (Gwarancja dotycząca kontroli emisji).W przypadku eksploatacji maszyny na wysokości poniżej 1500 m n.p.m. należy zdemontować zestaw z silnika i przywrócić oryginalne fabryczne ustawienia silnika. Nie eksploatować silnika przystosowanego do pracy na dużej wysokości n.p.m. na niższych wysokościach, gdyż grozi to przegrzaniem i uszkodzeniem silnia.Nie mając pewności, czy maszyna została przystosowana do eksploatacji na dużej wysokości, należy poszukać następującej etykiety (Rysunek 3).

Maszyna została zaprojektowana zgodnie z normą EN ISO 5395:2013.
Niniejszy produkt może obciąć dłonie lub stopy oraz wyrzucać przedmioty. Aby uniknąć poważnych obrażeń ciała, zawsze przestrzegaj wszystkich instrukcji dotyczących bezpieczeństwa.
Używanie produktu w celach niezgodnych z jego przeznaczeniem może okazać się niebezpieczne dla operatora i osób postronnych.
Przed pierwszym uruchomieniem silnika należy zapoznać się niniejszą instrukcją obsługi. Każdy użytkownik tego urządzenia musi być zaznajomiony ze sposobem jego obsługi i z podanymi ostrzeżeniami.
Nie zbliżać dłoni ani stóp do ruchomych części maszyny.
Zabronione jest używanie maszyny bez założonych i działających wszystkich osłon oraz innych urządzeń ochronnych.
Nie zbliżać się do wyrzutnika. Osoby postronne powinny przebywać w bezpiecznej odległości od maszyny.
Nie zezwalać dzieciom na podchodzenie w pobliże obszaru pracy. Nigdy nie pozwalaj dzieciom obsługiwać maszyny.
Przed serwisowaniem, dolewaniem paliwa lub odblokowywaniem tunelu wyrzutowego należy zatrzymać maszynę i wyłączyć silnik.
Niewłaściwe użytkowanie lub nieprawidłowa konserwacja maszyny mogą spowodować obrażenia ciała. Aby zmniejszyć ryzyko urazu, należy postępować zgodnie z niniejszymi instrukcjami bezpieczeństwa i zawsze zwracać uwagę na symbol dotyczący bezpieczeństwa, który oznacza: uwaga, ostrzeżenie lub niebezpieczeństwo – instrukcja dotycząca bezpieczeństwa osobistego. Nieprzestrzeganie powyższych zasad może doprowadzić do obrażeń ciała lub śmierci.
Dodatkowe informacje dotyczące bezpieczeństwa można znaleźć w stosownych rozdziałach niniejszej instrukcji.

![]() |
Etykiety dotyczące bezpieczeństwa oraz instrukcje są wyraźnie widoczne dla operatora i znajdują się w pobliżu wszystkich miejsc potencjalnego zagrożenia. Uszkodzone i zagubione etykiety należy wymienić. |



























Zanim uruchomisz silnik i rozpoczniesz pracę z maszyną, zapoznaj się ze wszystkimi elementami sterowania (Rysunek 5 oraz Rysunek 6).

Służy on do uruchamiania silnika kosiarki. Można go ustawić w jednej z trzech pozycji: ROZRUCH, PRACA i WYłąCZENIE.
Przełącznik ssania jest używany przy uruchamianiu zimnego silnika. Wyciągnij gałkę ssania, aby załączyć ssanie. Pchnij gałkę ssania w dół, aby wyłączyć ssanie (Rysunek 6).
Dźwignia przepustnicy służy do sterowania prędkością obrotową silnika. Dźwignię można ustawić w dowolnej pozycji między położeniem WOLNO a SZYBKO (Rysunek 6).
Przełącznik sterowania ostrzem (WOM) służy do załączania i odłączania napędu ostrza kosiarki (Rysunek 6).
Licznik godzin rejestruje liczbę godzin pracy silnika. Licznik pracuje podczas pracy silnika. Korzystaj ze wskazań licznika do planowania regularnej konserwacji (Rysunek 6).
Na liczniku godzin znajdują się symbole, które wskazują (symbol czarnego trójkąta), że składnik blokujący jest poprawnie ustawiony (Rysunek 7).
Gdy kluczyk zapłonu zostanie na kilka sekund ustawiony w pozycji PRACA, w obszarze, gdzie normalnie są wyświetlane godziny, wyświetlone zostanie napięcie akumulatora.
Kontrolka akumulatora włączy się, gdy zapłon zostanie włączony i gdy poziom naładowania będzie poniżej prawidłowego poziomu roboczego (Rysunek 7).

Dźwignie kierowania służą do kierowania ruchem maszyny do przodu, do tyłu oraz do skręcania w dowolnym kierunku.
Użyj położenia NEUTRALNEGO ZABLOKOWANEGO wraz z układem blokad bezpieczeństwa do określenia położenia NEUTRALNEGO.
Podczas transportowania lub przechowywania kosiarki zamknij zawór odcięcia paliwa (znajduje się za fotelem).
Dostępna jest gama zatwierdzonego przez firmę Toro sprzętu i akcesoriów przeznaczonych do stosowania z maszyną, zwiększających jej możliwości. Lista wszystkich zaakceptowanych rodzajów sprzętu i akcesoriów jest dostępna u autoryzowanych przedstawicieli serwisu i dystrybutorów oraz na stronie internetowej www.Toro.com.
Note: Dane techniczne i konstrukcja mogą ulec zmianie bez uprzedzenia.
| Kosiarka z podwoziem tnącym 122 cm | Kosiarka z podwoziem tnącym 132 cm | |
|---|---|---|
| Bez podwozia tnącego | 121 cm | 124 cm |
| Deflektor trawy uniesiony | 133 cm | 144 cm |
| Deflektor trawy opuszczony | 160 cm | 171 cm |
| Kosiarka z podwoziem tnącym 122 cm | Kosiarka z podwoziem tnącym 132 cm | |
|---|---|---|
| Długość | 208 cm | 208 cm |
| Pałąk bezpieczeństwa w górnej pozycji | Pałąk bezpieczeństwa w dolnej pozycji |
|---|---|
| 179 cm | 125 cm |
| Maszyny | Masa |
| Maszyny z wyrzutem bocznym 122 cm | 849-937 lb(385-425 kg) |
| Maszyny z wyrzutem bocznym 132 cm | 862-957 lb (391–434 kg) |
Note: Określaj lewą i prawą stronę maszyny ze standardowego stanowiska operatora.
Użytkowanie lub serwisowanie maszyny przez dzieci lub osoby nieprzeszkolone jest zabronione. Przepisy lokalne mogą ograniczać wiek operatora. Za szkolenie operatorów i mechaników odpowiada właściciel.
Należy zapoznać się z zasadami bezpiecznego użytkowania sprzętu, elementami sterującymi oraz symbolami bezpieczeństwa.
Operator musi umieć szybko zatrzymać maszynę i wyłączyć silnik.
Należy sprawdzić czujniki obecności operatora i właściwe działanie wyłączników bezpieczeństwa, a także osłony pod kątem prawidłowego zamocowania i działania. Nie używać maszyny, jeśli nie działa ona prawidłowo.
Przed użyciem sprawdź, czy ostrza, śruby ostrzy i zespoły tnące są w dobrym stanie technicznym. Aby zachować równowagę zespołu tnącego, wymieniaj cały zestaw zużytych lub uszkodzonych ostrzy i śrub.
Sprawdź obszar, w którym zamierzasz używać maszyny, i usuń wszelkie obiekty, które mogłyby zostać podrzucone przez maszynę.
Oceń teren pod kątem konieczności zastosowania odpowiedniego wyposażenia oraz sprzętu i akcesoriów w celu właściwego i bezpiecznego operowania maszyną.
Aby uniknąć obrażeń i zniszczenia mienia, należy zachować szczególną ostrożność podczas obchodzenia się z paliwem. Opary paliwa są łatwopalne i wybuchowe.
Zgaś papierosy, cygara, fajki i wszelkie inne źródła zapłonu.
Używaj wyłącznie zatwierdzonego kanistra na paliwo.
Nigdy nie zdejmuj korka zbiornika paliwa ani nie uzupełniaj paliwa w trakcie pracy silnika lub gdy jest on rozgrzany.
Nie tankuj paliwa w zamkniętych pomieszczeniach.
Nie przechowuj maszyny ani kanistra na paliwo w miejscach występowania otwartego ognia, tam gdzie występuje iskrzenie lub stosowany jest płomień pilotowy, na przykład przy piecykach gazowych lub innych urządzeniach tego typu.
Zabrania się napełniania kanistrów we wnętrzu pojazdu, na skrzyni ładunkowej czy na przyczepie ciężarówki wyłożonej tworzywem sztucznym. Kanistry przed napełnieniem umieszczaj zawsze na gruncie, w bezpiecznej odległości od pojazdu.
Zdejmij urządzenie z ciężarówki lub przyczepy i zatankuj je, gdy stoi na ziemi. Jeśli nie jest to możliwe, zatankuj to urządzenie za pomocą przenośnego kanistra, a nie z pistoletu dystrybutora paliwa.
Nigdy nie używaj maszyny, gdy układ wydechowy jest niekompletny lub nie jest w dobrym stanie technicznym.
Utrzymuj dyszę dystrybutora tak, aby stykała się z obręczą zbiornika lub otworu pojemnika przez cały czas, aż do zakończenia tankowania. Nie stosować blokady zaworu pistoletu.
Ubranie oblane paliwem należy natychmiast zmienić. Wycieraj rozlane paliwo.
Nie wlewać nadmiernej ilości paliwa do zbiornika. Założyć korek paliwa i mocno go dokręcić.
Przechowuj paliwo w atestowanym kanistrze, poza zasięgiem dzieci. Zapas paliwa nigdy nie powinien starczać na więcej niż 30 dni.
Nie napełniaj całego zbiornika. Dolewamy paliwo do zbiornika, aż jego poziom znajdzie się 6 do 13 mm poniżej szyjki wlewu paliwa. Wolna przestrzeń w zbiorniku umożliwia rozszerzanie się paliwa.
Unikaj długotrwałego wdychania oparów.
Nie zbliżaj twarzy do pistoletu dystrybutora paliwa ani do otworu zbiornika paliwa.
Unikaj kontaktu ze skórą; rozlane paliwo należy usunąć za pomocą wody z mydłem.
Aby uzyskać najlepsze rezultaty, używaj tylko czystej, świeżej (poniżej 30 dni) benzyny bezołowiowej o liczbie oktanowej 87 lub wyższej (metoda klasyfikacji [R+M)/2]).
Etanol: można stosować benzynę zawierającą do 10% etanolu (gazohol) lub 15% MTBE (eteru tert-butylowo-metylowego). Etanol i MTBE to nie to samo. Benzyna o zawartości 15% etanolu (E15) nie może być stosowana. Nigdy nie należy stosować benzyny zawierającej w objętości ponad 10% etanolu, takiej jak E15 (zawiera 15% etanolu), E20 (zawiera 20% etanolu), czy E85 (zawiera do 85% etanolu). Zastosowanie nieprawidłowego rodzaju benzyny może skutkować problemami z wydajnością i/lub uszkodzeniem silnika, które mogą nie być objęte gwarancją.
Nie używaj benzyny zawierającej metanol.
Zabrania się przechowywania paliwa w zbiorniku lub kanistrach przez okres zimowy, jeżeli nie został użyty stabilizator paliwa.
Nie dolewaj oleju do benzyny.
Zastosowanie środka stabilizującego/dodatku uszlachetniającego paliwo może zapewnić następujące korzyści:
Zachowanie świeżości paliwa przy przechowywaniu przez okres 90 dni lub krótszy (w przypadku przechowywania maszyny przez okres dłuższy niż 90 dni należy spuścić paliwo ze zbiornika paliwa)
Oczyszczanie silnika w trakcie pracy
Wyeliminowanie powstawania w układzie paliwowym gumiastych osadów, które utrudniają rozruch silnika
Important: Nie stosuj dodatków uszlachetniających paliwo zawierających metanol lub etanol.
Dodaj do paliwa właściwą porcję środka stabilizującego/dodatku uszlachetniającego paliwo.
Note: Środek stabilizujący/dodatek uszlachetniający jest najskuteczniejszy, gdy zostanie wymieszany ze świeżym paliwem. Aby zmniejszyć do minimum możliwość powstania osadów w układzie paliwowym, należy stosować stabilizator do paliwa przez cały czas.
Parkujemy maszynę wyłącznie na równym podłożu.
Wyłącz silnik i załącz hamulec postojowy.
Oczyść okolice korka zbiornika paliwa.
Napełniaj zbiornik paliwa do dolnego poziomu szyjki wlewu (Rysunek 8).
Note: Nie napełniaj całego zbiornika. Pusta przestrzeń w zbiorniku pozwoli na rozszerzenie się benzyny.

Przed uruchomieniem silnika i przystąpieniem do użytkowania maszyny należy sprawdzić poziom oleju w skrzyni korbowej silnika (patrz Sprawdzanie poziomu oleju silnikowego).
Osiągnięcie przez silnik pełnej mocy wymaga nieco czasu. Nowe jednostki tnące oraz układy napędowe kosiarek generują większe opory i powodują większe obciążenie silnika. Nowa maszyna wymaga około 40 do 50 godzin dotarcia, aby rozwinąć pełną moc i uzyskać najlepsze osiągi.
Aby uniknąć obrażeń lub śmierci spowodowanej przewróceniem, utrzymuj pałąk w całkowicie uniesionym i zablokowanym położeniu oraz zapnij pas bezpieczeństwa.
Sprawdź, czy fotel jest zamocowany do maszyny.
Kiedy pałąk jest opuszczony, ochrona przed przewróceniem nie jest zapewniona.
Pałąk można obniżyć, wyłącznie jeżeli jest to absolutnie niezbędne.
Nie należy zapinać pasa bezpieczeństwa, jeżeli pałąk jest opuszczony.
Jedź powoli i ostrożnie.
Gdy przestrzeń jest wystarczająca, podnieś pałąk.
Przed przejechaniem pod jakimikolwiek obiektami (np. konarami lub przewodami elektrycznymi) albo przez drzwi sprawdź dokładnie wolną przestrzeń nad maszyną, aby uniknąć zderzenia.
Important: Pałąk można obniżyć, wyłącznie jeżeli jest to absolutnie niezbędne.
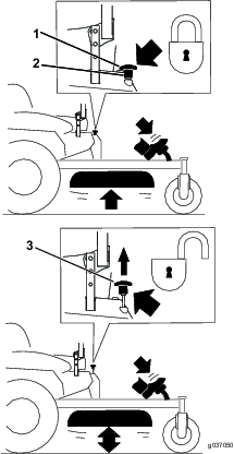
Aby opuścić pałąk bezpieczeństwa, pchnij do przodu górną część pałąka.
Pociągnij oba pokrętła i obróć je o 90 stopni, aby je zwolnić (Rysunek 9).
Opuść pałąk (Rysunek 9).

Aby unieść pałąk bezpieczeństwa, podnieś go do pozycji roboczej, obróć pokrętła, aby wsunęły się częściowo w rowki (Rysunek 9).
Unieś pałąk bezpieczeństwa całkowicie do góry, jednocześnie popychając górną część pałąka, aż po zrównaniu się z odpowiednimi otworami trzpienie blokujące wskoczą w nie (Rysunek 9).
Important: Zapnij pas bezpieczeństwa, jeżeli pałąk jest podniesiony.
Pchnij pałąk bezpieczeństwa i sprawdź, czy obydwa sworznie wsunęły się w odpowiednie otwory.
Przeczytaj wszystkie instrukcje dotyczące bezpieczeństwa. Zapoznaj się z symbolami znajdującymi się w części dotyczącej bezpieczeństwa. Pomoże to uniknąć obrażeń operatora lub osób postronnych.
Eksploatacja maszyny na mokrej trawie lub stromych terenach pochyłych może powodować poślizg i utratę kontroli.
Nie należy używać maszyny na terenach o nachyleniu większym niż 15 stopni.
Na terenach pochyłych zmniejsz prędkość i zachowaj szczególną ostrożność.
Nie używaj maszyny w pobliżu zbiorników wodnych.
Koła wypadające poza brzegi mogą spowodować przewrócenie się maszyny, co może prowadzić do poważnych obrażeń, śmierci lub utonięcia.
Nie używaj maszyny w pobliżu stromych zboczy.
Obsługa maszyny z opuszczonym pałąkiem grozi poważnymi urazami lub śmiercią w przypadku przewrócenia się maszyny.
Pałąk musi zawsze znajdować się w uniesionym, zablokowanym położeniu, a pas bezpieczeństwa musi być zapięty.

Poziom hałasu wytwarzanego przez maszynę przekracza 85 dBA przy uchu operatora. Przy długotrwałym użytkowaniu może to doprowadzić do utraty słuchu.
Podczas eksploatacji maszyny należy korzystać z ochraniaczy słuchu.
Używaj odpowiedniego sprzętu do ochrony oczu, słuchu, dłoni, stóp oraz głowy.

Jeśli wyłączniki blokad bezpieczeństwa są odłączone lub uszkodzone, pojazd może zostać nieoczekiwanie uruchomiony, powodując obrażenia ciała.
Nie manipuluj przy przełącznikach blokad.
Codziennie przed przystąpieniem do obsługi urządzenia sprawdzaj działanie wyłączników blokad i wymieniaj wszystkie uszkodzone wyłączniki.
Układ blokad bezpieczeństwa został opracowany, aby zapobiegać uruchomieniu silnika, chyba że:
hamulec postojowy jest załączony;
Przełącznik sterowania ostrzami (napęd PTO) jest odłączony.
dźwignie sterowania są w położeniu NEUTRALNYM ZABLOKOWANYM.
Układ blokad bezpieczeństwa powoduje zatrzymanie silnika również wtedy, gdy elementy sterujące jazdą zostaną przestawione z położenia zablokowanego przy załączonym hamulcu postojowym lub jeśli wstaniesz z fotela, gdy załączony jest napęd PTO.
Na liczniku godzin znajdują się symbole informujące użytkownika o prawidłowym położeniu danego komponentu blokady. Gdy element znajduje się w prawidłowym położeniu, trójkąt w odpowiednim kwadracie zaświeci się.

| Częstotliwość serwisowania | Procedura konserwacji |
|---|---|
| Przed każdym użyciem lub codziennie |
|
Układ blokad bezpieczeństwa sprawdzaj przed każdym skorzystaniem z maszyny. Jeżeli układ bezpieczeństwa nie działa w sposób opisany poniżej, skontaktuj się z autoryzowanym przedstawicielem serwisowym w celu przeprowadzenia niezwłocznej naprawy.
Siedząc na fotelu załącz hamulec postojowy i ustaw przełącznik sterowania ostrzami (napęd PTO) w położeniu WłąCZONYM. Spróbuj uruchomić silnik (nie powinien się uruchomić).
Siedząc na fotelu załącz hamulec postojowy i ustaw przełącznik sterowania ostrzami (napęd PTO) w położeniu WYłąCZONYM. Przesuń jedną z dźwigni kierowania (z położenia NEUTRALNEGO ZABLOKOWANEGO). Spróbuj uruchomić silnik (nie powinien się uruchomić). Powtórz czynność dla drugiej dźwigni kierowania.
Siedząc na fotelu załącz hamulec postojowy, ustaw przełącznik sterowania ostrzami (napędu PTO) w położeniu WYłąCZONYM i ustaw dźwignie sterowania jazdą w położeniu NEUTRALNYM ZABLOKOWANYM. Teraz uruchom silnik. Gdy silnik pracuje, zwolnij hamulec postojowy, załącz przełącznik sterowania ostrzem (PTO) i lekko unieś się z fotela – silnik powinien się zatrzymać.
Siedząc na fotelu załącz hamulec postojowy, ustaw przełącznik sterowania ostrzami (napędu PTO) w położeniu WYłąCZONYM i ustaw dźwignie sterowania jazdą w położeniu NEUTRALNYM ZABLOKOWANYM. Teraz uruchom silnik. Gdy silnik pracuje, ustaw dowolną dźwignię kierowania w środkowej pozycji i przesuń ją do przodu lub do tyłu – silnik powinien się zatrzymać. Powtórz czynność dla drugiej dźwigni kierowania.
Siedząc na fotelu zwolnij hamulec postojowy, ustaw przełącznik sterowania ostrzami (napędu PTO) w położeniu WYłąCZONYM i ustaw dźwignie sterowania jazdą w położeniu NEUTRALNYM ZABLOKOWANYM. Spróbuj uruchomić silnik (nie powinien się uruchomić).
Fotel można przesuwać do przodu i do tyłu (Rysunek 13). Położenie fotela ustaw w miejscu, w którym masz najlepszą kontrolę nad maszyną i w którym czujesz się najwygodniej.

Fotel można regulować w celu zapewnienia płynnej i wygodnej jazdy. Ustaw fotel w najwygodniejszym dla siebie położeniu.
Aby wyregulować fotel, obracaj pokrętło z przodu w dowolnym kierunku i znajdź położenie zapewniające najwięcej komfortu (Rysunek 14).

Używaj jedynie osprzętu i akcesoriów zatwierdzonych przez Toro.
Jeżeli w jednym z 4 miejsc podanych na Rysunek 15 zamontowany jest więcej niż jeden zestaw do montażu akcesoriów (na przykład zestaw łyżki lub uniwersalny zestaw montażowy), należy dodać zestaw przedniego obciążnika. Skontaktuj się z przedstawicielem autoryzowanego serwisu w celu uzyskania zestawu przedniego obciążnika.

Właściciel/operator może zapobiegać wypadkom i jest odpowiedzialny za obrażenia ciała innych osób i uszkodzenia mienia wynikłe wskutek wypadków.
Należy stosować odpowiedni ubiór, w tym ochronę oczu, pełne obuwie robocze z podeszwą antypoślizgową i ochronniki słuchu. Zwiąż długie włosy i nie noś biżuterii.
Nie używaj maszyny będąc chorym, zmęczonym lub pod wpływem alkoholu lub narkotyków.
W żadnym wypadku nie przewoź pasażerów na maszynie ani nie pozwalaj osobom postronnym i zwierzętom przebywać w pobliżu maszyny podczas pracy.
Aby uniknąć dziur lub niewidocznych zagrożeń, korzystaj z urządzenia tylko przy dobrej widoczności.
Unikaj koszenia mokrej trawy. Pogorszona przyczepność może być przyczyną poślizgu.
Przed uruchomieniem silnika upewnij się, że wszystkie napędy są w położeniu neutralnym, hamulec postojowy jest załączony i że siedzisz w fotelu operatora.
Nie zbliżaj dłoni ani stóp do zespołów tnących. Wylot wyrzutnika zawsze powinien być drożny.
Zanim rozpoczniesz cofanie obejrzyj się, aby upewnić się, że teren za kosiarką jest pusty.
Zachowaj ostrożność przy zbliżaniu się do zakrętów, krzewów, drzew i innych obiektów, które mogą utrudniać widoczność.
Nie koś blisko zboczy, rowów ani skarp. Nagłe przejechanie kołem przez obrzeże lub obsunięcie się obrzeża mogłoby spowodować wywrócenie się maszyny.
Zatrzymaj ostrza zawsze, gdy nie wykonujesz koszenia.
Po uderzeniu w przedmiot lub w razie wystąpienia odbiegających od normy drgań zatrzymaj maszynę i sprawdź ostrza. Przed kontynuowaniem pracy przeprowadź wszystkie niezbędne naprawy.
Zwolnij i zachowaj ostrożność podczas skręcania i przejeżdżania przez jezdnie i chodniki. Zawsze ustępujemy drogi takim pojazdom.
Przed regulacją wysokości koszenia odłączaj napęd od jednostki tnącej i wyłączaj silnik (chyba że regulację można wykonać ze stanowiska operatora).
Nigdy nie uruchamiaj silnika w pomieszczeniu zamkniętym, bez ujścia spalin.
Nie wolno pozostawiać uruchomionej maszyny bez nadzoru.
Przed opuszczeniem stanowiska operatora (dotyczy również opróżniania zestawu do zbierania trawy lub udrożnienia kanału) wykonaj następujące czynności:
Zatrzymaj maszynę na równym terenie.
Odłącz odbiór mocy i opuść sprzęt.
Załącz hamulec postojowy.
Wyłącz silnik i wyjmij kluczyk ze stacyjki.
Zaczekaj, aż wszystkie ruchome części zatrzymają się.
Nie używaj maszyny, jeżeli występuje ryzyko wystąpienia wyładowań atmosferycznych.
Nie używaj maszyny do holowania innych pojazdów.
Nie zmieniaj ustawień regulatora silnika ani nie ustawiaj nadmiernej prędkości obrotowej.
Stosuj wyłącznie akcesoria i osprzęt zatwierdzony przez firmę Toro.
Nie demontuj pałąka bezpieczeństwa z maszyny.
Upewnij się, że pas bezpieczeństwa jest pewnie zamontowany i sprawdź, czy możesz go szybko odpiąć w sytuacji awaryjnej.
Przy rozłożonym pałąku bezpieczeństwa należy zawsze zapinać pas bezpieczeństwa.
Dokładnie sprawdź, czy nad głową operatora nie znajdują się nisko zawieszone przeszkody i unikaj dotykania ich.
Należy utrzymywać pałąk bezpieczeństwa w dobrym stanie, przeprowadzając dokładne, okresowe kontrole pałąka pod kątem uszkodzeń i stanu dokręcenia łączników.
Uszkodzony pałąk bezpieczeństwa należy wymienić na nowy. Zabrania się naprawiania lub modyfikowania pałąka.
Zwolnij i zachowaj szczególną ostrożność na pochyłościach terenu. Podczas jazdy po zboczu jedź tylko prosto w górę i w dół. Stan murawy może mieć wpływ na stabilność maszyny.
Unikaj skręcania na zboczach. Jeżeli musisz skręcić, rób to powoli i w miarę możliwości kierując się stopniowo w dół.
Nie wykonuj ostrych skrętów. Zachowaj ostrożność podczas cofania.
Używając maszyny z zamontowanym sprzętem, który może wpłynąć na jej stabilność, należy zachować szczególną ostrożność.
Załączaj hamulec postojowy, zawsze po zatrzymaniu maszyny lub gdy pozostawiasz ją bez nadzoru.
Hamulec postojowy może nie utrzymać maszyny zaparkowanej na terenie pochyłym, co może doprowadzić do obrażeń lub zniszczenia mienia.
Nie wolno parkować na pochyłościach, chyba że koła zostaną unieruchomione klinami lub zablokowane.


Przełącznik sterowania ostrzem (PTO) służy do uruchamiania i zatrzymywania ostrza kosiarki i wszelkiego napędzanego osprzętu.
Note: Załączenie przełącznika sterowania ostrzem (PTO) przy przepustnicy w położeniu otwarcia do połowy lub mniej spowoduje nadmierne zużywanie się pasków napędowych.


Dźwignię przepustnicy można ustawić w położeniu pomiędzy położeniem SZYBKO i WOLNO (Rysunek 20).
Przy uruchamianiu podwozia tnącego za pomocą przełącznika sterowania ostrzem (WOM) należy zawsze używać pozycji SZYBKIEJ.

Przełącznik ssania jest używany przy uruchamianiu zimnego silnika.
Przekręć włącznik zapłonu do położenia ROZRUCHU (Rysunek 22).
Note: Kiedy silnik uruchomi się, należy zwolnić kluczyk.
Important: Podczas rozruchu silnika nie kręć rozrusznikiem dłużej niż przez 5 sekund. Jeśli silnik nie daje się uruchomić, odczekaj 15 sekund pomiędzy kolejnymi próbami. Niezastosowanie się do powyższych zaleceń może spowodować spalenie rozrusznika.
Note: Podczas uruchamiania silnika po raz pierwszy po całkowitym opróżnieniu układu paliwowego z paliwa konieczne może być kilkukrotne podjęcie próby uruchomienia silnika.

Aby wyłączyć silnik, przekręć kluczyk zapłonu do pozycji WYłąCZENIA.
Unieś pałąk bezpieczeństwa i zablokuj go. Usiądź w fotelu i zapnij pas bezpieczeństwa.
Przesuń dźwignie kierowania w położenie NEUTRALNE ZABLOKOWANE.
Załącz hamulec postojowy; patrz Załączanie hamulca postojowego.
Ustaw przełącznik sterowania ostrzami (PTO) w pozycji WYłąCZENIA (Rysunek 23).
Ustaw dźwignię przepustnicy w połowie między pozycjami WOLNO a SZYBKO.

Przekręć włącznik zapłonu do położenia ROZRUCHU (Rysunek 24).
Note: Gdy silnik uruchomi się, puść kluczyk.
Important: Przy rozruchu silnika nie kręć rozrusznikiem dłużej niż przez 5 sekund. Jeśli silnik nie chce się uruchomić, odczekaj 15 sekund pomiędzy kolejnymi próbami. Niezastosowanie się do powyższych zaleceń może spowodować spalenie rozrusznika.
Note: Podczas uruchamiania silnika po raz pierwszy po całkowitym opróżnieniu układu paliwowego z paliwa wymagane mogą być dodatkowe cykle uruchamiania.

Dzieci lub osoby postronne mogą odnieść obrażenia w przypadku przemieszczenia lub próby uruchomienia maszyny pozostawionej bez nadzoru.
W przypadku pozostawienia maszyny bez nadzoru nawet na kilka minut należy wyjąć kluczyk zapłonu oraz załączyć hamulec postojowy.
Przestaw przepustnicę w pozycję SZYBKO i ustaw wyłącznik zapłonu w położeniu WYłąCZONYM.

Important: Przed transportowaniem lub przechowywaniem maszyny upewnij się, że zawór odcięcia paliwa jest zamknięty, ponieważ w przeciwnym razie może nastąpić wyciek paliwa. Przed transportowaniem załącz hamulec postojowy. Pamiętaj o wyjęciu kluczyka, ponieważ pompa paliwowa może nadal działać i spowodować rozładowanie akumulatora.

Koła napędowe są napędzane przez oddzielne silniki hydrauliczne i obracają się niezależnie. Jedna strona może kręcić się do tyłu podczas gdy druga może kręcić się do przodu, co spowoduje obrót maszyny w miejscu zamiast jazdy po łuku. Poprawia to znacząco zwrotność maszyny, ale może wymagać czasu do przystosowania się do jej sposobu poruszania się.
Przepustnica kontroluje prędkość obrotową silnika, wyrażoną w obr./min (obrotach na minutę). Aby osiągnąć najwyższą moc, ustaw moduł sterowania przepustnicą w pozycji SZYBKIEJ. Podczas koszenia przepustnica musi być całkowicie otwarta.
Maszyna może gwałtownie się obrócić. Istnieje ryzyko utraty kontroli przez operatora i doprowadzenia do obrażeń ciała lub uszkodzenia maszyny.
Podczas skrętów należy zachować ostrożność.
Zwolnij przed ostrymi zakrętami.
Note: W przypadku przesunięcia dźwigni sterowania jazdą przy załączonym hamulcu postojowym silnik zgaśnie.
Aby zatrzymać, przesuń dźwignie sterowania do położenia NEUTRALNEGO.
Zwolnij hamulec postojowy; patrz Zwalnianie hamulca postojowego.
Ustaw dźwignie w środkowym położeniu odblokowanym.
Aby jechać do przodu, powoli przesuń do przodu dźwignie kierowania (Rysunek 27).

Ustaw dźwignie w środkowym położeniu odblokowanym.
Aby jechać do tyłu, powoli przesuń dźwignie kierowania do tyłu (Rysunek 28).

Blokada transportowa jest obsługiwana za pomocą pedału podnoszenia jednostki tnącej. Można ją ustawić w jednym z 2 położeń. Te położenia to pozycje ZABLOKOWANIA oraz ODBLOKOWANIA blokady transportowej podwozia tnącego kosiarki (Rysunek 29).

Wysokość koszenia można regulować w zakresie od 38 do 127 mm, co 6 mm, przekładając sworzeń w inny otwór.
Ustaw blokadę transportową w położeniu ZABLOKOWANYM.
Naciśnij nogą pedał podnoszenia jednostki tnącej i unieś jednostkę tnącą do położenia TRANSPORTOWEGO (zwanego również położeniem o wysokości cięcia 127 mm) w sposób pokazany na Rysunek 30.
Aby wyregulować, wyjmij sworzeń ze wspornika wysokości cięcia (Rysunek 30).
We wsporniku wysokości cięcia wybierz otwór odpowiadający żądanej wysokości cięcia i włóż do niego sworzeń (Rysunek 30).
Naciśnij pedał podnoszenia jednostki tnącej, pociągnij gałkę blokady transportowej i powoli opuść jednostkę tnącą kosiarki.

Po każdej zmianie wysokości koszenia należy wyregulować wysokość rolek zapobiegających zdzieraniu darni.
Ustaw przełącznik sterowania ostrzami (napęd PTO) w położeniu odłączonym, ustaw dźwignie sterowania jazdą w położeniu NEUTRALNYM ZABLOKOWANYM i załącz hamulec postojowy.
Przed zejściem z fotela operatora wyłącz silnik, wyjmij kluczyk i poczekaj, aż wszystkie części ruchome zatrzymają się.


Aby zatrzymać maszynę, przesuń dźwignie sterowania jazdą do położenia neutralnego, a następnie do położenia NEUTRALNEGO ZABLOKOWANEGO, ustaw przełącznik sterowania ostrzami (napędu PTO) w położeniu odłączenia i ustaw kluczyk zapłonu w położeniu WYłąCZENIA.
Załączaj hamulec postojowy, gdy pozostawiasz maszynę bez nadzoru, patrz Załączanie hamulca postojowego. Wyjmij kluczyk ze stacyjki.
Dzieci lub osoby postronne mogą odnieść obrażenia w przypadku przemieszczenia lub próby uruchomienia maszyny pozostawionej bez nadzoru.
W przypadku pozostawienia maszyny bez nadzoru nawet na kilka minut należy wyjąć kluczyk zapłonu oraz załączyć hamulec postojowy.
Kosiarka wyposażona została w deflektor trawy zamocowany na zawiasie, rozrzucający ścinki na boki i w dół do darni.
Bez zamontowanego deflektora trawy, osłony wyrzutu lub kompletnego zespołu wychwytywacza trawy, użytkownik i inne osoby narażone są na kontakt z ostrzem i wyrzucanymi pozostałościami. Kontakt z obracającymi się ostrzami kosiarki i wyrzucanymi pozostałościami może spowodować obrażenia lub śmierć.
Deflektora trawy nie wolno zdejmować z kosiarki, ponieważ kieruje on materiał w dół do darni. Jeśli deflektor trawy ulegnie uszkodzeniu, należy go wymienić.
Nie wkładać rąk ani stóp pod kosiarkę.
Nie wolno czyścić obszaru wyrzutu lub ostrzy kosiarki, jeśli przełącznik sterowania ostrzami (napędu PTO) nie jest ustawiony w położeniu ODłąCZENIA, a kluczyk zapłonu należy ustawić w położeniu WYłąCZONYM, a następnie go wyjąć.
Upewnij się, że deflektor trawy jest opuszczony.
Aby zapewnić najlepsze koszenie i maksymalną cyrkulację powietrza, używaj silnika z przepustnicą ustawioną w położeniu SZYBKIM. Powietrze jest potrzebne do dokładnego rozdrobnienia ścinków trawy, nie należy więc ustawiać wysokości koszenia zbyt nisko ani w pełni otaczać kosiarki nieściętą trawą. Należy jeden z boków kosiarki trzymać na obszarze wolnym od nieściętej trawy, co pozwoli na zapewnienie dopływu powietrza do wnętrza kosiarki.
Aby upewnić się, że wysokość koszenia kosiarki nie powoduje zdzierania darni na nierównym terenie, koś trawę na nieco większą długość źdźbeł niż normalnie. Najlepsza jest jednak wcześniej używana wysokość cięcia. Podczas koszenia trawy dłuższej niż 15 cm konieczne może okazać się dwukrotne skoszenie trawnika w celu zapewnienia właściwej jakości cięcia.
Najlepiej ścinać jedynie około 1/3 długości źdźbła trawy. Ścinanie większej części źdźbła nie jest zalecane, chyba że trawa jest rzadka lub koszenie następuje późną jesienią, gdy trawa rośnie wolniej.
Aby trawa była prosta, należy zmieniać kierunek koszenia. Pomaga to również w rozrzuceniu ściętej trawy, co poprawia rozkład oraz nawożenie.
Trawa rośnie z różną szybkością, w zależności od pory roku. Aby zachować tę samą wysokość koszenia, wczesną wiosną należy kosić częściej. Ponieważ prędkość wzrostu trawy zmniejsza się w środku lata, należy wtedy kosić rzadziej. Jeśli nie możesz kosić trawy przez dłuższy czas, najpierw skoś ją z większą wysokością koszenia, a następnie skoś ponownie dwa dni później z mniejszą wysokością koszenia.
Aby poprawić jakość koszenia, jedź wolniej w pewnych warunkach.
Podczas koszenia nierównego trawnika należy, w celu uniknięcia zdzierania murawy, zwiększyć wysokość koszenia.
Jeśli konieczne jest zatrzymanie ruchu maszyny do przodu, na trawnik może spaść bryła sklejonych ścinków trawy. Aby tego uniknąć, po włączeniu ostrzy przejedź wcześniej skoszony obszar lub wyłącz napęd podwozia tnącego podczas jazdy do przodu.
Po każdym zastosowaniu należy usunąć skoszoną trawę i zabrudzenia z części spodniej kosiarki. Jeżeli wewnątrz kosiarki nagromadzi się trawa i zabrudzenia, jakość koszenia stanie się niezadowalająca.
Ostrze przez cały sezon koszenia musi być ostre, ponieważ wtedy tnie czysto bez ciągnięcia ani urywania źdźbeł. Ciągnięcie i urywanie sprawia, że trawa staje się brązowa na krawędziach, co spowalnia jej wzrost i zwiększa ryzyko chorób. Po każdym użyciu sprawdzaj ostrza pod kątem ostrości oraz jakichkolwiek oznak zużycia lub uszkodzeń. Spiłuj wszelkie zadziory. W razie potrzeby naostrz ostrza. Jeśli ostrze jest uszkodzone lub zużyte, wymień je na oryginalne ostrze zamienne firmy Toro.
Usuń trawę i pozostałości z zespołów tnących, tłumików i komory silnika, aby zmniejszyć ryzyko powstania pożaru. Pamiętaj, aby usunąć rozlany olej lub rozlane paliwo.
Przed rozpoczęciem magazynowania lub transportowania urządzenia należy odciąć dopływ paliwa.
Na czas transportu lub przerwy w użytkowaniu maszyny odłącz napęd sprzętu.
Do załadunku maszyny na przyczepę i zdejmowania jej z przyczepy używaj platformy o pełnej szerokości.
Bezpiecznie przywiąż maszynę za pomocą pasów, łańcuchów, kabli lub lin. Zarówno przednie, jak i tylne pasy powinny być skierowane w dół i na zewnątrz od maszyny.
Przed przechowywaniem maszyny w jakimkolwiek pomieszczeniu, zaczekaj, aż silnik ostygnie.
Przed rozpoczęciem magazynowania lub transportowania urządzenia należy odciąć dopływ paliwa.
Nie wolno przechowywać maszyny lub kanistra na paliwo w pobliżu otwartego ognia, iskier lub lamp kontrolnych, takich jak montowane na podgrzewaczu wody lub innych urządzeniach.
Zawór odcięcia paliwa znajduje się za fotelem.
Zamknij zawór odcięcia paliwa na czas transportu, konserwacji i przechowywania.
Upewnij się, że podczas uruchamiania silnika zawór odcięcia paliwa jest otwarty.


Ręce mogą zostać uwięzione przez obracające się elementy napędowe poniżej jednostki tnącej, co może doprowadzić do poważnych obrażeń.
Przed użyciem zaworów zwalniających napędy kół wyłącz silnik, wyjmij kluczyk i poczekaj na zatrzymanie wszystkich części ruchomych.
Silnik i hydrauliczne jednostki napędowe mogą nagrzać się do bardzo wysokiej temperatury. Dotknięcie gorącego silnika lub hydraulicznych jednostek napędowych może spowodować poważne poparzenia.
Przed użyciem zaworów zwalniających napęd kół odczekaj aż silnik i hydrauliczne jednostki napędowe całkowicie ostygną.
Zawory zwolnienia napędu kół znajdują się po lewej i prawej stronie pod silnikiem.
Ustaw przełącznik sterowania ostrzami (napędu PTO) w położeniu odłączonym, przekręć kluczyk zapłonu do położenia wyłączenia, ustaw dźwignie w położeniu NEUTRALNYM ZABLOKOWANYM, załącz hamulec postojowy i wyjmij kluczyk.
Odnajdź dźwignie obejścia za fotelem, po lewej i prawej stronie ramy.
Aby móc pchać maszynę, przesuń obydwa pokrętła obejścia do tyłu i zablokuj je w tym położeniu (Rysunek 34).
Zanim przystąpisz do pchania maszyny, zwolnij hamulec postojowy.

Aby używać maszyny, przesuń pokrętła obejścia do PRZODU i zablokuj je w tym położeniu (Rysunek 34).
Do transportu maszyny należy użyć przyczepy lub ciężarówki o dużej nośności. Upewnij się, że przyczepa lub ciężarówka wyposażone są w niezbędne hamulce, oświetlenie i oznaczenia wymagane przez prawo. Prosimy o uważne przeczytanie wszystkich instrukcji bezpieczeństwa. Wiedza ta pomoże uniknąć obrażeń u operatora, rodziny, zwierząt lub osób postronnych.
Jazda po ulicy lub drodze bez kierunkowskazów, oświetlenia, oznaczeń odblaskowych lub symbolu pojazdu wolnobieżnego jest niebezpieczna i może prowadzić do wypadków powodujących obrażenia ciała.
Maszyną nie wolno jechać po drogach publicznych.
Aby przetransportować maszynę:
W przypadku korzystania z przyczepy zamocuj ją do pojazdu holującego i podłącz łańcuchy zabezpieczające.
Podłącz przewody hamulców przyczepy, jeśli są stosowane.
Załaduj maszynę na przyczepę lub ciężarówkę.
Wyłącz silnik, wyjmij kluczyk, załącz hamulec i zamknij zawór odcięcia paliwa.
Zamocuj maszynę do przyczepy lub ciężarówki za pomocą pasów, łańcuchów lub lin, mocując je do metalowych uch na maszynie (Rysunek 35).

Zachowaj szczególną ostrożność podczas ładowania maszyny na przyczepę lub ciężarówkę lub rozładowywania z nich. Do tej procedury używaj jednoczęściowej pochylni szerszej niż maszyna. Wjeżdżaj maszyną na pochylnię tyłem i zjeżdżaj z pochylni przodem (Rysunek 36).

Important: Nie używaj oddzielnych pochylni z każdej strony maszyny.
Ładowanie maszyny na przyczepę lub ciężarówkę zwiększa prawdopodobieństwo przewrócenia maszyny, co może prowadzić do poważnych obrażeń lub śmierci (Rysunek 37).
Podczas obsługi maszyny na pochylni należy zachować szczególną ostrożność.
Używaj tylko pochylni o pełnej szerokości. Nie używaj oddzielnych pochylni z każdej strony maszyny.
Nie przekraczaj kąta 15 stopni między pochylnią a podłożem lub między pochylnią a przyczepą lub ciężarówką.
Upewnij się, że pochylnia jest co najmniej 4 dłuższa niż wysokość skrzyni przyczepy lub ciężarówki. Dzięki temu kąt pochylni względem podłoża nie przekroczy 15 stopni.
Na pochylnię wjeżdżaj tyłem; zjeżdżaj z pochylni przodem.
Podczas jazdy maszyną po pochylni unikaj nagłego przyspieszania lub hamowania, gdyż mogłoby to spowodować utratę kontroli lub przewrócenie się maszyny.

| Częstotliwość serwisowania | Procedura konserwacji |
|---|---|
| Po pierwszych 5 godzinach |
|
| Po pierwszych 75 godzinach |
|
| Przed każdym użyciem lub codziennie |
|
| Co 25 godzin |
|
| Co 50 godzin |
|
| Co 100 godzin |
|
| Co 200 godzin |
|
| Co 250 godzin |
|
| Co 500 godzin |
|
| Co miesiąc |
|
| Co rok lub przed składowaniem |
|
Important: Dodatkowe procedury konserwacyjne zostały podane w instrukcji obsługi silnika.
Jeśli zostawisz kluczyk w stacyjce, ktoś może przypadkowo uruchomić silnik i spowodować poważne obrażenia ciała operatora lub osób postronnych.
Przez przystąpieniem do wykonywania jakichkolwiek czynności konserwacyjnych wyciągnij kluczyk ze stacyjki.
Przed przystąpieniem naprawiania maszyny wykonaj następujące czynności:
Odłącz wszystkie napędy.
Załącz hamulec postojowy.
Wyłącz silnik i wyjmij kluczyk ze stacyjki.
Odłącz przewód od świecy zapłonowej.
Zaparkuj maszynę na równym podłożu.
Oczyść zespół tnący, napędy, tłumiki i silnik z trawy i innych pozostałości, aby zapobiec ewentualnym pożarom.
Pamiętaj, aby usunąć rozlany olej lub rozlane paliwo.
Przed przechowywaniem maszyny odczekaj, aż silnik ostygnie.
Nie wolno przechowywać maszyny ani paliwa w pobliżu ognia ani spuszczać paliwa w pomieszczeniu.
Nie pozwalać nieprzeszkolonym osobom serwisować maszyny.
W razie potrzeby do podparcia maszyny i jej elementów użyj podpórek (tzw. kobyłek).
Ostrożnie uwalniaj ciśnienie z podzespołów magazynujących energię.
Przed dokonaniem jakichkolwiek napraw odłącz akumulator lub przewód świecy zapłonowej. W pierwszej kolejności odłącz zacisk ujemny, a następnie – dodatni. W pierwszej kolejności podłącz zacisk dodatni, a następnie ujemny.
Podczas sprawdzania stanu ostrzy zachowaj szczególną ostrożność. Owiń ostrza materiałem lub załóż grubo wyściełane rękawice i zachowaj ostrożność podczas ich serwisowania. Uszkodzone ostrza należy wymieniać, nie wolno ich prostować ani spawać.
Ręce i nogi operatora muszą znajdować się w bezpiecznej odległości od części ruchomych. Jeśli to możliwe, nie przeprowadzaj żadnych regulacji, gdy silnik jest włączony.
Utrzymuj wszystkie części w nienagannym stanie, a wszystkie elementy montażowe dobrze dokręcone, w szczególności śruby mocujące ostrza. Wymień wszystkie zużyte lub uszkodzone etykiety.
Nie ingeruj w działanie urządzeń zabezpieczających ani nie wykonuj czynności mogących ograniczać poziom bezpieczeństwa zapewniany przez urządzenie zabezpieczające. Regularnie sprawdzaj prawidłowość ich działania.
Aby zapewnić maksymalną wydajność i zachować certyfikat bezpieczeństwa maszyny, używaj wyłącznie oryginalnych części zamiennych i akcesoriów firmy Toro. Części zamienne i akcesoria pochodzące od innych producentów mogą stwarzać zagrożenie dla bezpieczeństwa. Korzystanie z nich może spowodować utratę gwarancji maszyny.
Regularnie sprawdzaj działanie hamulca postojowego. Reguluj i serwisuj zgodnie z wymaganiami.
Poluzuj dolną śrubę osłony jednostki tnącej, aby zwolnić osłonę i uzyskać dostęp do górnej części jednostki tnącej (Rysunek 38). Po zakończeniu czynności konserwacyjnych z powrotem dokręć śrubę.

Smaruj częściej, jeśli praca odbywa się w warunkach bardzo silnego zapylenia lub zapiaszczenia.
Rodzaj smaru: Smar ogólnego zastosowania nr 2 na bazie litu lub molibdenu
Ustaw przełącznik sterowania ostrzami (napęd PTO) w położeniu odłączonym, ustaw dźwignie sterowania jazdą w położeniu NEUTRALNYM ZABLOKOWANYM i załącz hamulec postojowy.
Przed opuszczeniem stanowiska operatora wyłącz silnik, wyjmij kluczyk zapłonu i odczekaj, aż wszystkie części ruchome się zatrzymają.
Oczyść smarowniczki za pomocą szmatki.
Note: Pamiętaj o zeskrobaniu farby z przodu smarowniczki(-ek).
Podłączyć smarownicę do smarowniczki.
Następnie pompuj smar do smarowniczek, aż zacznie wyciekać z łożysk.
Wytrzyj nadmiar smaru.
| Częstotliwość serwisowania | Procedura konserwacji |
|---|---|
| Co 25 godzin |
|
| Co 50 godzin |
|
Ustaw przełącznik sterowania ostrzami (napęd PTO) w położeniu odłączonym, ustaw dźwignie sterowania jazdą w położeniu NEUTRALNYM ZABLOKOWANYM i załącz hamulec postojowy.
Przed opuszczeniem stanowiska operatora wyłącz silnik, wyjmij kluczyk zapłonu i odczekaj, aż wszystkie części ruchome się zatrzymają.
Nasmaruj oś obrotu jałowego koła pasowego pompy jedną lub dwoma porcjami smaru (Rysunek 41).
Nasmaruj osie obrotu przednich kół samonastawnych (Rysunek 41).

Dotykanie gorących powierzchni może powodować obrażenia ciała.
Ręce, stopy, twarz, inne części ciała i odzież powinny znajdować się w bezpiecznej odległości od tłumika i innych gorących powierzchni.
Przed sprawdzeniem poziomu oleju lub przed jego uzupełnieniem w skrzyni korbowej wyłącz silnik.
| Częstotliwość serwisowania | Procedura konserwacji |
|---|---|
| Co 25 godzin |
|
| Co 100 godzin |
|
| Co 200 godzin |
|
Ustaw maszynę na płaskim podłożu i odłącz napęd WOM za pomocą przełącznika sterowania ostrzami.
Przed opuszczeniem stanowiska operatora załącz hamulec postojowy wyłącz silnik, wyjmij kluczyk zapłonu i odczekaj, aż wszystkie części ruchome się zatrzymają.
Oczyść obszar wokół pokrywy filtra powietrza, aby zapobiec przedostaniu się zabrudzeń do silnika i spowodowaniu uszkodzeń.
Unieś pokrywę i odkręcając, odłącz zespół filtra powietrza z silnika (Rysunek 42).


Wyjmij piankowy wkład z filtra papierowego (Rysunek 43).

Przemyj wkład piankowy wodą lub wymień go, jeśli jest uszkodzony.
W celu usunięcia zabrudzeń i kurzu delikatnie postukaj wkładem o twardą powierzchnię.
Sprawdź wkład pod kątem rozdarć, tłustej powłoki i uszkodzenia uszczelki.
Important: Nie czyść wkładu papierowego za pomocą sprężonego powietrza ani płynów, takich jak: rozpuszczalniki, benzyna lub nafta. Jeśli wkład papierowy jest uszkodzony lub jeśli nie można go dokładnie oczyścić, wymień go.
Rodzaj oleju: Olej zawierający detergenty (klasa serwisowa SF, SG, SH, SJ lub SL według API)
Pojemność skrzyni korbowej: 2,4 l z filtrem
Lepkość: Patrz tabela poniżej.

| Częstotliwość serwisowania | Procedura konserwacji |
|---|---|
| Przed każdym użyciem lub codziennie |
|
Note: Sprawdź olej, kiedy silnik jest zimny.
Dotykanie gorących powierzchni może powodować obrażenia ciała.
Ręce, stopy, twarz, inne części ciała i odzież powinny znajdować się w bezpiecznej odległości od tłumika i innych gorących powierzchni.
Important: Nie przepełnij skrzyni korbowej olejem, ponieważ mogłoby to spowodować uszkodzenie silnika. Nie uruchamiaj silnika, gdy olej jest poniżej dolnego oznaczenia napełnienia, ponieważ może to doprowadzić do uszkodzenia silnika.
Ustaw maszynę na równej nawierzchni, odłącz napęd ostrzy za pomocą przełącznika sterowania ostrzami, zatrzymaj silnik, załącz hamulec postojowy i wyciągnij kluczyk zapłonu.
Upewnij się, że silnik jest zatrzymany, maszyna stoi na poziomym podłożu i zdążyła ostygnąć, dzięki czemu olej miał czas spłynąć do miski olejowej.
Aby zapobiec dostaniu się zanieczyszczeń, ścinków trawy itp. do wnętrza silnika, oczyść obszar wokół korka wlewu oleju i wskaźnika poziomu oleju przed ich odkręceniem (Rysunek 45).

| Częstotliwość serwisowania | Procedura konserwacji |
|---|---|
| Po pierwszych 5 godzinach |
|
| Co 100 godzin |
|
Note: Przekaż zużyty olej do odpowiedniego centrum recyklingu.
Zaparkuj maszynę na poziomej nawierzchni, aby olej mógł całkowicie spłynąć z silnika.
Rozłącz napęd PTO i załącz hamulec postojowy.
Przed opuszczeniem stanowiska operatora wyłącz silnik, wyjmij kluczyk zapłonu i odczekaj, aż wszystkie części ruchome się zatrzymają.
Spuść olej silnikowy (Rysunek 46).


Wymień filtr oleju silnikowego (Rysunek 47).

Note: Dokręcaj filtr do momentu, aż uszczelka filtra oleju będzie dotykać silnika, a następnie dokręć o jeszcze ¾ obrotu.
Powoli wlej około 80% oleju do kanału wlewowego, a następnie powoli wlewaj pozostałą porcję, aż olej osiągnie poziom znaku Full (Pełny) (Rysunek 48).

| Częstotliwość serwisowania | Procedura konserwacji |
|---|---|
| Co 100 godzin |
|
| Co 200 godzin |
|
Przed zainstalowaniem świecy zapłonowej upewnij się, że szczelina pomiędzy centralną i boczną elektrodą jest odpowiednich rozmiarów. Do montażu lub demontażu świec używaj klucza do świec zapłonowych. Aby sprawdzić i skorygować odstęp, używaj szczelinomierza lub innego narzędzia pozwalającego zmierzyć szerokość szczeliny. W razie potrzeby zamontuj nową świecę zapłonową.
Typ: Champion RN9YC lub NGK BPR6ES
Szczelina: 0,76 mm
Rozłącz napęd PTO i załącz hamulec postojowy.
Przed opuszczeniem stanowiska operatora wyłącz silnik, wyjmij kluczyk zapłonu i odczekaj, aż wszystkie części ruchome się zatrzymają.

Note: Ze względu na umieszczenie świecy we wgłębieniu najskuteczniejszą metodą oczyszczenia jest przedmuchanie tej przestrzeni sprężonym powietrzem. Dobry dostęp do świecy zapłonowej można uzyskać po zdemontowaniu obudowy dmuchawy w celu oczyszczenia.
Important: Nigdy nie czyść świec zapłonowych. Wymień świecę zapłonową, gdy pokryta jest czarnym nalotem, jej elektrody są zużyte, pokryte tłustym filmem lub gdy są popękane.
Jeżeli izolator jest lekko brązowy lub szary, silnik działa poprawnie. Czarny nalot na izolatorze zazwyczaj oznacza, że filtr powietrza jest brudny.
Ustaw szerokość szczeliny na 0,76 mm.

Dokręć świece zapłonowe z momentem od 25 do 30 N∙m.

| Częstotliwość serwisowania | Procedura konserwacji |
|---|---|
| Przed każdym użyciem lub codziennie |
|
Przed każdym użyciem maszyny należy oczyścić siatkę wlotu powietrza z trawy i zanieczyszczeń.
Ustaw przełącznik sterowania ostrzem w pozycji rozłączenia i załącz hamulec postojowy.
Przed opuszczeniem stanowiska operatora wyłącz silnik, wyjmij kluczyk zapłonu i odczekaj, aż wszystkie części ruchome się zatrzymają.
Odłącz filtr powietrza od silnika.
Zdejmij osłonę silnika.
Aby zapobiec dostaniu się zanieczyszczeń do wlotu powietrza, zamocuj filtr powietrza do podstawy filtra.
Oczyść elementy silnika z zanieczyszczeń i trawy.
Zdejmij filtr powietrza i zamontuj osłonę silnika.
Zamontuj filtr powietrza.
| Częstotliwość serwisowania | Procedura konserwacji |
|---|---|
| Co 50 godzin |
|
Rozgrzane elementy układu wydechowego mogą spowodować zapalenie się oparów benzyny nawet po wyłączeniu silnika. Gorące cząstki wydzielane w trakcie pracy silnika mogą spowodować zapalenie się łatwopalnych substancji. Powstanie pożaru może prowadzić do obrażeń ciała lub uszkodzenia mienia.
Nie uzupełniaj paliwa ani nie uruchamiaj silnika przy zdjętym iskrochronie.
Wyłącz silnik, zaczekaj aż wszystkie części ruchome się zatrzymają, a następnie wyjmij kluczyk. Załącz hamulec postojowy.
Odczekaj, aż tłumik ostygnie.
W razie zauważenia pęknięć przegrody siatkowej lub spoin spawanych należy wymienić iskrochron.
Jeżeli ekran jest zatkany, zdemontuj iskrochron i wytrząśnij z niego luźne cząstki, po czym oczyść ekran szczotką drucianą (w razie potrzeby namocz w rozpuszczalniku). Zamontuj iskrochron na wylocie układu wydechowego.
| Częstotliwość serwisowania | Procedura konserwacji |
|---|---|
| Co 500 godzin |
|
Wyłącz silnik, zaczekaj aż wszystkie części ruchome się zatrzymają, a następnie wyjmij kluczyk. Załącz hamulec postojowy.
Wyjmij filtr z przewodu odpowietrzającego.
Włóż nowy filtr w koniec przewodu odpowietrzającego.
| Częstotliwość serwisowania | Procedura konserwacji |
|---|---|
| Co 500 godzin |
|
Important: Zamontuj przewody paliwowe i zamocuj opaskami z tworzywa dokładnie w taki sam sposób, w jaki zostały one poprowadzone fabrycznie, aby przewody paliwowe znajdowały się z dala od podzespołów, które mogłyby je uszkodzić.
Filtr paliwa znajduje się w pobliżu silnika, z przodu po jego lewej stronie.
Ustaw przełącznik sterowania ostrzami (napęd PTO) w położeniu odłączonym, ustaw dźwignie sterowania jazdą w położeniu NEUTRALNYM ZABLOKOWANYM i załącz hamulec postojowy.
Przed opuszczeniem stanowiska operatora wyłącz silnik, wyjmij kluczyk zapłonu i odczekaj, aż wszystkie części ruchome się zatrzymają.
Poczekaj, aż maszyna się ochłodzi.
Zamknij zawór odcięcia paliwa znajdujący się za fotelem (Rysunek 33).

Otwórz zawór odcięcia paliwa.
Nie próbuj opróżniać zbiornika paliwa. Upewnij się, że autoryzowany przedstawiciel serwisowy opróżni zbiornik paliwa i przeprowadzi konserwację wszystkich komponentów układu paliwowego.
Przed przystąpieniem do naprawy maszyny odłącz akumulator. W pierwszej kolejności odłącz zacisk ujemny, a następnie dodatni. W pierwszej kolejności podłącz zacisk dodatni, a następnie ujemny.
Ładuj akumulator na otwartym, dobrze wentylowanym obszarze, z dala od źródeł iskier i ognia. Przed podłączeniem lub odłączeniem od akumulatora odłącz ładowarkę od źródła zasilania. Używaj odzieży ochronnej oraz narzędzi z izolacją.
Bieguny, zaciski i powiązane akcesoria akumulatora zawierają ołów i związki ołowiu – substancje chemiczne, które w stanie Kalifornia klasyfikowane są jako substancje rakotwórcze i wpływające negatywnie na rozrodczość. Umyj ręce po wykonaniu czynności przy akumulatorze.
| Częstotliwość serwisowania | Procedura konserwacji |
|---|---|
| Co miesiąc |
|
Elektrolit akumulatora zawiera kwas siarkowy, który jest trujący i powoduje poważne poparzenia.
Nie próbuj pić elektrolitu i unikaj kontaktu ze skórą, oczami i odzieżą. Noś okulary ochronne w celu ochrony oczu i gumowe rękawice w celu ochrony dłoni.
Zaciski akumulatora i metalowe narzędzia mogą powodować zwarcie z komponentami metalowymi, wywołując iskrzenie. Iskrzenie może spowodować wybuch gazów akumulatora, co grozi obrażeniami.
Podczas demontażu lub montażu akumulatora nie dopuść, aby doszło do zetknięcia się zacisków akumulatora z metalowymi częściami maszyny.
Nie dopuść, aby metalowe narzędzia spowodowały zwarcie między zaciskami akumulatora a metalowymi częściami maszyny.
Nieprawidłowe poprowadzenie przewodów akumulatora może spowodować uszkodzenie maszyny i przewodów z powodu iskrzenia. Iskrzenie może spowodować wybuch gazów akumulatora, co będzie skutkowało obrażeniami ciała.
Przed odłączeniem dodatniego (czerwonego) przewodu należy zawsze odłączać ujemny (czarny) przewód akumulatora.
Przed podłączeniem ujemnego (czarnego) przewodu należy zawsze podłączyć dodatni (czerwony) przewód akumulatora.
Ustaw przełącznik sterowania ostrzami (napęd PTO) w położeniu odłączonym, ustaw dźwignie sterowania jazdą w położeniu NEUTRALNYM ZABLOKOWANYM i załącz hamulec postojowy.
Przed opuszczeniem stanowiska operatora wyłącz silnik, wyjmij kluczyk zapłonu i odczekaj, aż wszystkie części ruchome się zatrzymają.
Odłącz ujemny (czarny) przewód akumulatora od ujemnego (-) zacisku akumulatora (Rysunek 53).
Zsuń czerwoną osłonkę z dodatniego (czerwonego) bieguna akumulatora, a następnie odłącz dodatni (+) (czerwony) przewód akumulatora (Rysunek 53).
Zdejmij pasek gumowy (Rysunek 53).
Wyjmij akumulator.


Ustaw akumulator na podstawce z biegunami zacisków znajdującymi się po przeciwnej stronie niż zbiornik hydrauliczny (Rysunek 53).
Podłącz dodatni (czerwony) przewód do dodatniego (+) zacisku akumulatora.
Podłącz ujemny (czarny) przewód oraz przewód uziemiający do ujemnego (-) zacisku akumulatora.
Zamocuj przewody za pomocą dwóch śrub, dwóch podkładek i dwóch nakrętek zabezpieczających (Rysunek 53).
Wsuń czerwoną nakładkę zacisku na dodatni (+) biegun akumulatora.
Zabezpiecz akumulator za pomocą gumowego paska (Rysunek 53).
Podczas ładowania akumulatora wytwarzają się gazy mogące tworzyć mieszaninę wybuchową.
Nigdy nie pal tytoniu w pobliżu akumulatora; trzymaj akumulator z dala od ognia i źródeł iskier.
Important: Dbaj o to, aby akumulator był w pełni naładowany (ciężar właściwy powinien wynosić 1,265). Jest to szczególnie istotne, aby zapobiec uszkodzeniu akumulatora, gdy temperatura spadnie poniżej 0°C.
Ładuj akumulator przez 10 do 15 minut prądem o natężeniu od 25 do 30 amperów lub przez 30 minut prądem 10 amperów.
Gdy akumulator będzie w pełni naładowany, należy odłączyć ładowarkę od gniazdka elektrycznego, a następnie odłączyć przewody ładowarki od biegunów akumulatora (Rysunek 54).
Zamontuj akumulator w maszynie i podłącz przewody akumulatora; patrz Montaż akumulatora.
Note: Nie uruchamiaj maszyny z odłączonym akumulatorem, gdyż może dojść do uszkodzeń elektrycznych.

Układ elektryczny chroniony jest przez bezpieczniki. Nie wymaga on konserwacji, ale jeśli przepali się bezpiecznik, sprawdź, czy element i obwód nie jest uszkodzony ani zwarty.
Bezpieczniki znajdują się w prawej konsoli obok fotela (Rysunek 55).
Aby wymienić bezpiecznik, wyciągnij go.
Włóż nowy bezpiecznik (Rysunek 55).

| Częstotliwość serwisowania | Procedura konserwacji |
|---|---|
| Przed każdym użyciem lub codziennie |
|
Sprawdź, czy pas bezpieczeństwa nie jest zużyty, ponacinany ani popękany oraz czy zwijacz oraz klamra pasa działają poprawnie. Uszkodzony pasek należy wymienić.
| Częstotliwość serwisowania | Procedura konserwacji |
|---|---|
| Przed każdym użyciem lub codziennie |
|
Aby uniknąć obrażeń lub śmierci spowodowanej przewróceniem, utrzymuj pałąk w całkowicie uniesionym i zablokowanym położeniu oraz zapnij pas bezpieczeństwa.
Sprawdź, czy fotel jest zamocowany do maszyny.
Upewnij się, że zarówno elementy montażowe, jak i pokrętła są w dobrym stanie.
Upewnij się, że przy całkowicie uniesionym pałąku bezpieczeństwa pokrętła są poprawnie zablokowane.
Note: Dla pełnego wskoczenia obu pokręteł na swoje miejsce konieczne może być pchnięcie do przodu lub pociągnięcie do tyłu górnej części pałąka bezpieczeństwa (Rysunek 56 oraz Rysunek 57).


Odłącz napęd ostrzy (WOM) za pomocą przełącznika służącego do sterowania nimi.
Przejedź na otwarty, płaski obszar i przesuń dźwignie sterowania jazdą w położenie NEUTRALNE ZABLOKOWANE.
Ustaw dźwignię przepustnicy w połowie zakresu pomiędzy położeniami SZYBKO i WOLNO.
Przesuń obie dźwignie sterowania jazdą do przodu do samego końca, aż dotkną ograniczników w szczelinie w kształcie litery T.
Sprawdź, w którą stronę skręca maszyna.
Jeżeli maszyna zbacza na prawo, włóż klucz trzpieniowy sześciokątny 3/16 cala w otwór dostępowy w prawym przednim panelu pokrywy i przekręć śrubę zespołu jezdnego w prawo lub w lewo, aby wyregulować skok dźwigni (Rysunek 58).
Jeżeli maszyna zbacza na lewo, włóż klucz trzpieniowy sześciokątny 3/16 cala w otwór dostępowy w prawym przednim panelu pokrywy i przekręć śrubę zespołu jezdnego w prawo lub w lewo, aby wyregulować skok dźwigni (Rysunek 58).
Jedź maszyną i sprawdź, czy w pozycji jazdy do przodu z pełną prędkością zachowuje ona tor jazdy.
Powtórz czynności regulacyjne do chwili uzyskania pożądanego ustawienia układu jezdnego.

| Częstotliwość serwisowania | Procedura konserwacji |
|---|---|
| Co 50 godzin |
|
Utrzymuj w oponach kół przednich i tylnych ciśnienie powietrza na poziomie 0,9 bar. Nierówne ciśnienie w oponach może powodować nierówne cięcie. Sprawdź ciśnienie w oponach, gdy są zimne. Pozwoli to na uzyskanie najdokładniejszego odczytu ciśnienia.

Sprawdź i dokręć nakrętki mocujące kół z momentem od 122 do 136 N∙m.
| Częstotliwość serwisowania | Procedura konserwacji |
|---|---|
| Przed każdym użyciem lub codziennie |
|
Przed każdym użyciem usuń z osłony silnika, układu wydechowego silnika oraz obszaru wokół silnika wszelkie nagromadzenia trawy, zabrudzeń lub innych zanieczyszczeń. Zapewni to odpowiednie chłodzenie i poprawną prędkość obrotową silnika oraz zmniejszy ryzyko przegrzewania się i mechanicznego uszkodzenia silnika.
| Częstotliwość serwisowania | Procedura konserwacji |
|---|---|
| Co 500 godzin |
|
Note: Tę procedurę należy wykonać po zdemontowaniu lub wymianie elementu hamulca.
Zaparkuj maszynę na poziomej nawierzchni.
Ustaw przełącznik sterowania ostrzami (napęd PTO) w położeniu odłączonym, ustaw dźwignie sterowania jazdą w położeniu NEUTRALNYM ZABLOKOWANYM i załącz hamulec postojowy.
Przed opuszczeniem stanowiska operatora wyłącz silnik, wyjmij kluczyk zapłonu i odczekaj, aż wszystkie części ruchome się zatrzymają.
Przygotowanie maszyny do pchania Patrz Używanie zaworów odłączenia napędu kół.
Unieś tył maszyny i oprzyj ją na podporach.
Przy serwisowaniu podnoszenie urządzenia wyłącznie na podnośnikach mechanicznych lub hydraulicznych może być niebezpieczne. Podnośniki mechaniczne lub hydrauliczne mogą nie mieć wystarczającego podparcia lub mogą działać wadliwie, wskutek czego urządzenie spadnie, co może spowodować powstanie obrażeń ciała.
Nie należy polegać wyłącznie na podnośnikach hydraulicznych ani mechanicznych jako podparciu urządzenia. Należy stosować odpowiednie podpórki lub kozły.
Załączaj i zwalniaj hamulec postojowy, sprawdzając, czy hamulce obu kół napędzanych są załączane i zwalniane.
Jeżeli wymagane jest dokonanie regulacji, zwolnij hamulec postojowy. Wyjmij zawleczkę z trzpienia łączącego mechanizmu hamulcowego (Rysunek 60).

Sprawdź długości obu sprężyn w sposób przedstawiony na Rysunek 61. Jeżeli konieczna jest regulacja, obróć górną nakrętkę w prawo, aby skrócić sprężynę lub w lewo, aby ją wydłużyć.

Przesuń dźwignię hamulca postojowego do oporu do przodu i do dołu.
Przekręcaj trzpień łączący mechanizmu hamulcowego, aż jego koniec zrówna się z otworem w dźwigni.
Aby skrócić pręt łączący, przekręcaj nim w prawo.
Aby wydłużyć pręt łączący, przekręcaj nim w lewo.
Włóż trzpień łączący mechanizmu hamulcowego do otworu w hamulcu postojowym i zamocuj go za pomocą zawleczki. Powtórz krok 6, w razie potrzeby dokonaj regulacji.
Po zakończeniu regulacji wyjmij podpórki lub użyte podpory i opuść maszynę.
Przestaw maszynę do położenia ROBOCZEGO. Patrz Używanie zaworów odłączenia napędu kół.
| Częstotliwość serwisowania | Procedura konserwacji |
|---|---|
| Co 50 godzin |
|
Należy wymienić zużyty pasek. Oznakami zużycia paska są: piski podczas ruchu paska, ślizganie się ostrzy podczas koszenia trawy, wystrzępione krawędzie, ślady przypalenia i pęknięcia na pasku.
Ustaw przełącznik sterowania ostrzami (napęd PTO) w położeniu odłączonym, ustaw dźwignie sterowania jazdą w położeniu NEUTRALNYM ZABLOKOWANYM i załącz hamulec postojowy.
Przed opuszczeniem stanowiska operatora wyłącz silnik, wyjmij kluczyk zapłonu i odczekaj, aż wszystkie części ruchome się zatrzymają.
Opuść kosiarkę na wysokość koszenia 76 mm.
Poluzuj śrubę na każdej osłonie paska.
Poluzuj dolną śrubę mocującą osłonę do jednostki tnącej, patrz Zwalnianie osłony jednostki tnącej.
Zdejmij osłonę blaszaną, patrz Demontaż osłony blaszanej.
Usuń pokrywy paska i zamocowane do nich śruby (Rysunek 62).

Zlikwiduj naprężenie sprężyny sprężynowego jałowego koła pasowego. Patrz Rysunek 64.
Note: Użyj narzędzia do demontażu sprężyny (część Toro nr 92–5771), aby zdjąć sprężynę ze słupka na podwoziu tnącym (Rysunek 64).
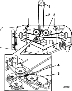
Zdejmij pasek z kół pasowych podwozia tnącego i koła pasowego sprzęgła.
Załóż nowy pasek wokół kół pasowych kosiarki i koła pasowego sprzęgła pod silnikiem (Rysunek 63 ).


Zamontuj sprężynę koła pasowego luźnego (Rysunek 63).
Note: Upewnij się, że końce sprężyny są osadzone w rowkach elementów mocujących.
Zamontuj pokrywy paska i zamocowane do nich śruby (Rysunek 65).

Poluzuj dolną śrubę mocującą osłonę do jednostki tnącej, patrz Zwalnianie osłony jednostki tnącej.
Zdejmij osłonę blaszaną, patrz Demontaż osłony blaszanej.
Ustaw przełącznik sterowania ostrzem (PTO) w pozycji rozłączenia i załącz hamulec postojowy.
Przed opuszczeniem stanowiska operatora wyłącz silnik, wyjmij kluczyk zapłonu i odczekaj, aż wszystkie części ruchome się zatrzymają.
Zdejmij pasek kosiarki, patrz Wymiana paska kosiarki w jednostkach tnących z wyrzutem bocznym.
Unieś maszynę i oprzyj ją na podporach (Rysunek 67).
Zdemontuj ogranicznik sprzęgła (Rysunek 66).

Odłącz sprężynę koła pasowego luźnego od słupka (Rysunek 67).
Zdejmij dotychczasowy pasek z kół pasowych hydraulicznych jednostek napędowych oraz koła pasowego silnika.
Załóż nowy pasek wokół kół pasowych silnika i dwóch kół pasowych pomp hydraulicznych (Rysunek 67).

Zamontuj ogranicznik sprzęgła (Rysunek 66).
Załóż pas kosiarki, patrz Konserwacja pasków napędowych.
Ustaw przełącznik sterowania ostrzami (napęd PTO) w położeniu odłączonym, ustaw dźwignie sterowania jazdą w położeniu NEUTRALNYM ZABLOKOWANYM i załącz hamulec postojowy.
Przed opuszczeniem stanowiska operatora wyłącz silnik, wyjmij kluczyk zapłonu i odczekaj, aż wszystkie części ruchome się zatrzymają.
Regulacja wysokości:
Dla lepszego komfortu dźwignie sterowania jazdą można ustawić niżej lub wyżej.
Zdemontuj elementy mocujące dźwignię sterowania do trzpienia ramienia sterującego.

Ustaw dźwignię sterowania w następnym zestawie otworów. Zamocuj dźwignię za pomocą elementów mocujących.
Powtórz regulację dla drugiej dźwigni sterującej
Regulacja wychylenia
Poluzuj górną śrubę mocującą dźwignię sterującą do trzpienia ramienia sterującego.
Poluzuj dolną śrubę tylko na tyle, aby móc obracać dźwignię sterującą do przodu i do tyłu. Dokręć obydwie śruby, aby unieruchomić dźwignię w nowym położeniu.
Powtórz regulację dla drugiej dźwigni sterującej

Jeżeli końce dźwigni uderzają o siebie, patrz Regulacja mechanizmu sterowania jazdą.
Po obu stronach maszyny, pod fotelem znajdują się mechanizmy sterujące pomp. Precyzyjne regulacje w celu zapobieżenia poruszaniu się maszyny w położeniu neutralnym są dokonywane poprzez obrócenie nakrętek końcowych za pomocą głębokiego klucza nasadowego ½ cala. Wszelkie regulacje należy dokonywać wyłącznie w położeniu neutralnym.
W celu wykonania regulacji silnik musi być uruchomiony, a koła napędowe muszą mieć możliwość obracania się. Dotknięcie ruchomych części lub gorących powierzchni może spowodować obrażenia.
Palce, ręce i odzież muszą znajdować się z dala od obracających się elementów i gorących powierzchni.
Przed uruchomieniem silnika naciśnij pedał podnoszenia podwozia i wyjmij sworzeń ustalający wysokość koszenia. Opuść jednostkę tnącą na podłoże.
Unieś tył maszyny i podeprzyj go podporami (lub innymi podpórkami) nie wyżej niż na takiej wysokości, aby koła napędowe mogły się swobodnie obracać.
Odłącz przewody od czujnika bezpieczeństwa fotela znajdującego się pod siedziskiem.
Note: Przełącznik wchodzi w skład zespołu fotela.
Zainstaluj tymczasowo przewód zwierający między wyprowadzeniami złącza głównej wiązki przewodów.
Uruchom silnik. Uruchom silnik i ustaw przepustnicę w pozycji maksymalnych obrotów, a następnie zwolnij hamulec postojowy.
Note: Aby możliwe było uruchomienie silnika, musisz upewnić się, że hamulec postojowy jest załączony, a dźwignie sterowania jazdą są w położeniu odłączonego napędu. Nie musisz siedzieć w fotelu.
Zostaw silnik pracujący przez co najmniej 5 minut z dźwigniami sterowania jazdą ustawionymi w położeniu pełnej szybkości jazdy do przodu, aby olej hydrauliczny osiągnął temperaturę roboczą.
Note: Podczas przeprowadzania regulacji dźwignia sterowania jazdą musi znajdować się w położeniu neutralnym.
Ustaw dźwignie sterowania jazdą w położeniu NEUTRALNYM.
Sprawdź i upewnij się, że wypustki płyty sterującej dotykają płyt powrotu do położenia neutralnego na jednostkach hydraulicznych.
Wyreguluj długości prętów sterujących pompami obracając nakrętkę w odpowiednim kierunku, aż koła zaczną powoli obracać się do tyłu (patrz Rysunek 70).
Ustaw dźwignie sterowania jazdą w położeniu jazdy DO TYłU i naciskając lekko dźwignię, pozwól, aby sprężyny wskaźnika biegu wstecznego przesunęły dźwignie z powrotem do położenia neutralnego.
Note: Koło musi przestać się obracać lub przestać lekko pełzać podczas jazdy do tyłu.
Note: W celu uzyskania dostępu konieczne może być zdjęcie pokrywy dźwigni sterowania jazdą.

Wyłącz maszynę.
Usuń przewód zwierający ze złącza wiązki przewodów i podłącz złącze do przełącznika fotela.
Usuń podpory.
Unieś podwozie tnące kosiarki i włóż sworzeń wysokości koszenia.
Sprawdź i upewnij się, że po zwolnieniu hamulca postojowego i ustawieniu dźwigni w położeniu neutralnym maszyna nie zaczyna powoli jechać.
Przed podaniem ciśnienia na układ hydrauliczny upewnij się, że wszystkie jego przewody i węże są w dobrym stanie, a połączenia/złączki – szczelne.
Operator musi znajdować się w bezpiecznej odległości od wycieków z otworów sworzni lub dysz, które wyrzucają olej hydrauliczny pod dużym ciśnieniem.
Używaj kartonu lub papieru, aby sprawdzić wycieki hydrauliczne.
Przed przystąpieniem do jakichkolwiek czynności związanych z układem hydraulicznym w bezpieczny sposób uwolnij całe ciśnienie z układu.
Jeśli płyn przedostanie się pod skórę, natychmiast wezwij pomoc medyczną. Olej wstrzyknięty pod skórę musi zostać usunięty chirurgicznie w ciągu kilku najbliższych godzin przez lekarza.
Typ oleju hydraulicznego: olej hydrauliczny Toro® HYPR-OIL™ 500 (preferowany) lub Mobil 1 15W-50.
Important: Używaj zalecanego rodzaju oleju. Wykorzystanie innych płynów może doprowadzić do uszkodzenia układu.
Pojemność układu hydraulicznego (ze zdemontowanymi filtrami): 4,45 l
| Częstotliwość serwisowania | Procedura konserwacji |
|---|---|
| Przed każdym użyciem lub codziennie |
|
Poczekaj, aż olej hydrauliczny ostygnie. Po ostygnięciu sprawdź poziom oleju.
Sprawdź zbiornik wyrównawczy, w razie potrzeby dolej oleju hydraulicznego Toro® HYPR-OIL™ 500 tak, aby osiągnął poziom znaku PEŁNY, ZIMNO.

| Częstotliwość serwisowania | Procedura konserwacji |
|---|---|
| Po pierwszych 75 godzinach |
|
| Co 250 godzin |
|
| Co 500 godzin |
|
Podczas wymiany oleju wymieniaj filtry. Nie używaj ponownie tego oleju. Po zamontowaniu nowych filtrów i wlaniu nowego oleju wykonaj procedurę usuwania pozostałości powietrza w układzie. Patrz Odpowietrzaniem układu hydraulicznego.
Powtarzaj proces odpowietrzania, aż po przepłukaniu olej pozostanie na poziomie znaku PEłNY ZIMNY zbiornika. Niewłaściwe wykonanie tej procedury może doprowadzić do nienaprawialnego uszkodzenia układu przekładni napędowej.
Zatrzymaj silnik, zaczekaj aż wszystkie części ruchome zatrzymają się, odczekaj aż silnik ostygnie, wyjmij kluczyk i załącz hamulec postojowy.
Zlokalizuj filtr i osłony na każdym z układów przekładnia-napęd (Rysunek 72).
Odkręcić 3 śruby mocujące osłonę filtra i osłonę (Rysunek 72).

Ostrożnie oczyść obszar wokół filtrów.
Important: Chroń układ hydrauliczny przed dostaniem się zanieczyszczeń, w przeciwnym wypadku zostanie on zabrudzony.
Umieść miskę spustową pod filtrem, aby zebrać olej spływający po wykręceniu filtra i korka odpowietrzającego.
Znajdź i wykręć korek odpowietrzenia na każdej przekładni
Odkręć filtr w celu zdemontowania i poczekaj, aż olej spłynie z układu napędu.
Powtórz tę procedurę dla obydwu filtrów.
Posmaruj powierzchnię gumowej uszczelki w każdym filtrze cienką warstwą oleju.
Przekręcaj filtr zgodnie z ruchem wskazówek zegara do momentu, aż gumowa uszczelka zetknie się z adapterem filtra, a następnie dokręć filtr o dodatkowe od ¾ do 1 pełnego obrotu.
Powtórz dla filtra po przeciwnej stronie.
Załóż zdemontowane wcześniej osłony filtrów wokół każdego z filtrów.
Zamocuj osłony filtrów za pomocą 3 śrub.
Przed dolaniem oleju upewnij się, że korki odpowietrzające są wykręcone.
Powoli wlewaj olej zalecanego typu do momentu, gdy zacznie wypływać z jednego z otworów odpowietrzających.
Wkręć korek w otwór odpowietrzający.
Dokręć korek z momentem 20 N∙m.
Dolewaj olej do zbiornika wyrównawczego do momentu, gdy olej zacznie wypływać z drugiego z otworów odpowietrzających na drugiej przekładni.
Wkręć korek odpowietrzający po drugiej stronie.
Dokręć korek z momentem 20 N∙m.
Dolewaj olej do zbiornika wyrównawczego do momentu osiągnięcia poziomu znaku PEłNY ZIMNY na zbiorniku wyrównawczym.
Przejdź do Odpowietrzaniem układu hydraulicznego.
Important: Niewykonanie procedury Odpowietrzanie układu hydraulicznego po wymianie oleju hydraulicznego i filtrów może doprowadzić do nienaprawialnego uszkodzenia układu przekładni napędowych.

Unieś tył maszyny i podeprzyj go podporami (lub innymi podpórkami) nie wyżej niż na takiej wysokości, aby koła napędowe mogły się swobodnie obracać.

Uruchom silnik, przesuń dźwignię przepustnicy do połowy skoku i zwolnij hamulec postojowy.
Przestaw dźwignie obejścia do pozycji pchania maszyny. Przy otwartych zaworach obejścia i pracującym silniku powoli przesuwaj dźwignie sterujące jazdą 5 do 6 razy w kierunku jazdy do przodu oraz do tyłu.
Przestaw dźwignie obejścia do pozycji używania maszyny.
Przy zamkniętych zaworach obejścia i pracującym silniku, powoli przesuwaj dźwignię sterującą 5 do 6 razy w kierunku jazdy do przodu oraz do tyłu.
Wyłącz silnik i sprawdź poziom oleju w zbiorniku wyrównawczym. Wlej olej zalecanego typu do momentu osiągnięcia poziomu znaku PEłNY ZIMNY na zbiorniku wyrównawczym.
Powtórz krok 2, aż całe powietrze zostanie całkowicie usunięte z układu.
Note: Prawidłowe odpowietrzenie można poznać po normalnym poziomie hałasu podczas pracy przekładni oraz płynnej jeździe do przodu i do tyłu z normalną prędkością.
Po raz ostatni sprawdź poziom oleju w zbiorniku wyrównawczym. Wlej olej zalecanego typu do momentu osiągnięcia poziomu znaku PEłNY ZIMNY na zbiorniku wyrównawczym.
Ustaw kosiarkę na płaskim podłożu.
Ustaw przełącznik sterowania ostrzami (napęd PTO) w położeniu odłączonym, ustaw dźwignie sterowania jazdą w położeniu NEUTRALNYM ZABLOKOWANYM i załącz hamulec postojowy.
Przed opuszczeniem stanowiska operatora wyłącz silnik, wyjmij kluczyk zapłonu i odczekaj, aż wszystkie części ruchome się zatrzymają.
Sprawdź ciśnienie w oponach kół napędowych. Patrz Sprawdzanie ciśnienia w oponach.
Ustaw podwozie tnące w pozycji blokady transportowej.
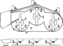
Ostrożnie przekręć ostrza tak, aby były ustawione poprzecznie.
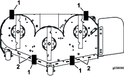
Zmierz odległość między końcówką ostrza a poziomą powierzchnią (Rysunek 75). Jeżeli obydwa pomiary różnią się o więcej niż 5 mm, wymagane jest dokonanie regulacji wypoziomowania, którą należy wykonać zgodnie z poniższą procedurą.

Sprawdź wypoziomowanie wzdłużne ostrzy (Rysunek 76). Upewnij się, że przedni koniec ostrza znajduje się niżej niż tylny koniec ostrza, zgodnie z tabelą wysokości i podcięcia klocka. Jeżeli wymagana jest regulacja, wykonuj dalsze czynności tej procedury.

W celu wykonania tej regulacji ustaw rolki zapobiegające zdzieraniu darni w górnych otworach lub zdemontuj je.
Umieść 2 klocki (zob. Tabela wysokości i podcięcia klocka) pod tylną krawędzią fartucha jednostki tnącej, po jednym na każdą stronę jednostki tnącej (Rysunek 77).
Ustaw dźwignię wysokości koszenia w pozycji 76 mm.
Umieść dwa klocki po obu stronach przedniej krawędzi jednostki tnącej, ale nie pod rolkami zapobiegającymi zdzieraniu darni lub spoinami.

| Podwozie tnące Wielkość | Wysokość przedniego klocka | Podcięcie |
| Wszystkie podwozia kosiarek | 7,3 cm | 4,8–6,4 mm |
Ostrożnie ustaw ostrza poprzecznie (Rysunek 75).
Poluzuj nakrętki zabezpieczające (Rysunek 78) w każdym z 4 naroży i upewnij się, że podwozie tnące spoczywa bezpiecznie na każdym z 4 klocków.
Zlikwiduj luzy na wieszakach jednostki tnącej i upewnij się, że dźwignia pedału podnoszenia podwozia tnącego jest całkowicie dociśnięta do ogranicznika.
Dokręć 4 nakrętki zabezpieczające.

Upewnij się, że klocki siedzą pewnie pod fartuchem podwozia tnącego i wszystkie śruby mocujące są mocno dokręcone
Kontynuuj poziomowanie podwozia tnącego poprzez sprawdzenie pochylenia wzdłużnego ostrza.
Sprawdź wypoziomowanie ostrzy, w razie potrzeby powtórz procedurę poziomowania jednostki tnącej.
Aby zapewnić najwyższą jakość koszenia, ostrza powinny być zawsze naostrzone. Aby ułatwić sobie ostrzenie i wymianę, warto rozważyć zakup dodatkowych ostrzy.
Uszkodzone lub zużyte ostrze może się złamać, a jego kawałki mogą być wyrzucone w kierunku operatora lub osób postronnych powodując poważne obrażenia ciała lub śmierć. Próba naprawy uszkodzonego ostrza może skutkować unieważnieniem certyfikatu bezpieczeństwa produktu.
Regularnie sprawdzaj ostrza pod kątem zużycia i uszkodzeń.
Podczas sprawdzania stanu ostrzy zachowaj szczególną ostrożność. Na czas wykonywania czynności serwisowych owiń ostrza lub załóż rękawice i zachowaj ostrożność. Ostrza należy wymienić lub naostrzyć, nie wolno ich prostować ani spawać.
Zachowaj szczególną ostrożność w przypadku maszyn wieloostrzowych, ponieważ obrót jednego ostrza może spowodować obracanie się innych ostrzy.
Ustaw maszynę na poziomej nawierzchni, odłącz napęd ostrzy za pomocą przełącznika sterującego ostrzami (WOM) i załącz hamulec postojowy.
Wyłącz silnik, wyjmij kluczyk zapłonu i odłącz przewody od świec zapłonowych.
| Częstotliwość serwisowania | Procedura konserwacji |
|---|---|
| Przed każdym użyciem lub codziennie |
|
Sprawdź krawędzie tnące (Rysunek 79).
Jeżeli krawędzie nie są ostre lub mają wyszczerbienia, zdejmij i naostrz ostrze; patrz Ostrzenie ostrzy.
Sprawdź ostrza, a w szczególności ich wygięty obszar.
Jeżeli zauważysz jakiekolwiek pęknięcia, zużycie lub szczeliny powstające w tym obszarze, natychmiast zamontuj nowe ostrze (Rysunek 79).

Ustaw przełącznik sterowania ostrzami (napęd PTO) w położeniu odłączonym, ustaw dźwignie sterowania jazdą w położeniu NEUTRALNYM ZABLOKOWANYM i załącz hamulec postojowy.
Przed opuszczeniem stanowiska operatora wyłącz silnik, wyjmij kluczyk zapłonu i odczekaj, aż wszystkie części ruchome się zatrzymają.
Obróć ostrza tak, aby ich końce były skierowane do przodu i do tyłu.
Dokonaj pomiaru odległości od poziomej powierzchni do krawędzi tnącej ostrzy, w położeniu A ().Rysunek 80

Obróć przeciwne końce ostrzy do przodu.
Zmierz odległość od poziomej powierzchni do krawędzi tnącej ostrzy w tym samym miejscu, co w kroku 4 powyżej.
Note: Różnica wymiarów zmierzonych w krokach 4 i 6 nie może przekroczyć 3 mm.
Note: Jeśli różnica ta przekracza 3 mm, ostrze jest zgięte i musi zostać wymienione.
Zgięte lub uszkodzone ostrze może pęknąć i poważnie zranić lub spowodować śmierć operatora lub osób postronnych.
Pamiętaj, aby zgięte lub uszkodzone ostrze wymieniać na nowe.
Krawędzi ani powierzchni ostrzy nie wolno szlifować pilnikiem ani tworzyć na nich ostrych zadziorów.
Ostrza należy wymienić po uderzeniu w twardy przedmiot, gdy ostrze jest niewyważone lub zgięte. Aby zapewnić optymalną wydajność i stałą zgodność z wymogami bezpieczeństwa maszyny, należy używać tylko oryginalnych ostrzy zamiennych firmy Toro. Ostrza zamienne wyprodukowane przez innych producentów mogą spowodować niezgodność ze standardami bezpieczeństwa.
Przytrzymaj kluczem wał wrzeciona.
Odkręć śrubę ostrza, zdejmij podkładkę falistą i zdejmij ostrze z wału wrzeciona (Rysunek 81).

Użyj pilnika w celu naostrzenia krawędzi tnącej na obu końcach każdego ostrza (Rysunek 82).
Note: Zachowaj oryginalny kąt ostrza.
Note: Ostrze będzie wyważone, jeśli usuniesz tę samą ilość materiału z obu krawędzi tnących.

Sprawdź wyważenie ostrza, układając je na równoważniku ostrzy (Rysunek 83).
Note: Jeżeli ostrze pozostaje w położeniu poziomym, wówczas jest wyważone i można je stosować.
Note: Jeżeli ostrze nie jest wyważone, spiłuj nieco metalu z obszaru łopatki (Rysunek 82).

Powtarzaj tę procedurę do momentu wyważenia ostrza.
Zamontuj ostrze na wale wrzeciona (Rysunek 84).
Important: Aby koszenie było prawidłowe, zagięta część ostrza musi być skierowana w górę do wnętrza kosiarki.
Zamontuj podkładkę sprężystą tarczową i śrubę ostrza (Rysunek 84).
Note: Stożek podkładki sprężystej musi być skierowany w stronę łba śruby (Rysunek 84).
Dokręć śrubę ostrza momentem od 115 do 150 N∙m.

Wyłącz silnik, zaczekaj aż wszystkie części ruchome się zatrzymają, a następnie wyjmij kluczyk. Załącz hamulec postojowy.
Wyjmij sworzeń wysokości cięcia i opuść jednostkę tnącą na podłoże.
Włóż sworzeń wysokości koszenia w położenie odpowiadające wysokości koszenia 7,6 cm.
Usuń pokrywy paska.
Poluzuj jałowe koło pasowe podwozia tnącego i zdejmij pasek kosiarki, patrz Konserwacja pasków napędowych.
Wykręć śruby i nakrętki przy przedniej krawędzi płyty pod podnóżkiem.
Odkręć śruby i nakrętki po obu stronach maszyny i zachowaj je (Rysunek 85).

Wysuń jednostkę tnącą spod prawej strony maszyny.
Niezasłonięty otwór wyrzutowy może spowodować, że kosiarka będzie wyrzucać przedmioty w kierunku operatora lub osób postronnych, powodując poważne urazy. Może również nastąpić kontakt z ostrzem.
Nie wolno używać maszyny bez zamocowanej płyty osłony, płyty rozdrabniacza, deflektora trawy ani kosza na trawę.
Odkręć przeciwnakrętkę, śrubę, sprężynę i element dystansowy mocujące deflektor do wsporników osi obrotu (Rysunek 86).
Usuń uszkodzony lub zużyty deflektor trawy (Rysunek 86).

Umieść element dystansowy i sprężynę na deflektorze trawy.
Zahacz jeden z końców sprężyny w kształcie litery J za krawędź obudowy jednostki tnącej.
Note: Przed przykręceniem śruby w sposób pokazany na Rysunek 86 upewnij się, że koniec sprężyny w kształcie literyJ jest zaczepiony za krawędź obudowy jednostki tnącej.
Zamocuj śrubę i nakrętkę.
Umieść jeden z końców sprężyny z zaczepem w kształcie litery J wokół deflektora trawy (Rysunek 86).
Important: Deflektor trawy musi mieć możliwość obrotu. Unieś deflektor do pozycji pełnego otwarcia, aby sprawdzić, czy opuści się do samego końca.
| Częstotliwość serwisowania | Procedura konserwacji |
|---|---|
| Przed każdym użyciem lub codziennie |
|
Ustaw przełącznik sterowania ostrzami (napęd PTO) w położeniu odłączonym, ustaw dźwignie sterowania jazdą w położeniu NEUTRALNYM ZABLOKOWANYM i załącz hamulec postojowy.
Przed opuszczeniem stanowiska operatora wyłącz silnik, wyjmij kluczyk zapłonu i odczekaj, aż wszystkie części ruchome się zatrzymają.
Unieś kosiarkę do położenia transportowego.
Oleje silnikowe, akumulatory, oleje hydrauliczne oraz płyny chłodzące mogą zanieczyścić środowisko. Usuwaj je zgodnie z lokalnymi przepisami.
Ustaw dźwignię sterowania ostrzami (napędu PTO) w położeniu odłączonym, załącz hamulec postojowy, ustaw kluczyk zapłonu w położeniu WYłąCZONYM i wyciągnij go.
Usuń pozostałości trawy, zanieczyszczenia i zabrudzenia z zewnętrznych elementów maszyny, zwłaszcza z silnika i układu hydraulicznego. Usuń zabrudzenia i ścinki z zewnętrznych powierzchni żeberek głowicy cylindra i obudowy dmuchawy.
Important: Maszynę można umyć za pomocą delikatnego środka czyszczącego i wody. Nie myj urządzenia wodą pod wysokim ciśnieniem. Unikaj stosowania nadmiernej ilości wody, zwłaszcza w pobliżu panelu sterowania, silnika, pomp hydraulicznych i silników elektrycznych.
Sprawdź hamulec; patrz Regulacja hamulca postojowego.
Oczyść filtr powietrza; patrz Konserwacja oczyszczacza powietrza.
Nasmaruj maszynę; patrz Smarowanie maszyny.
Wymień olej przekładniowy; patrz Wymiana oleju i filtra silnikowego.
Sprawdź ciśnienie w oponach; patrz Sprawdzanie ciśnienia w oponach.
Wymień filtry oleju hydraulicznego; patrz Wymiana filtrów i oleju hydraulicznego.
Naładuj akumulator; patrz Ładowanie akumulatora.
Usuń całą nagromadzoną trawę i zanieczyszczenia ze spodniej części kosiarki, a następnie umyj kosiarkę wężem ogrodowym.
Note: Po umyciu uruchom maszynę z załączonym przełącznikiem sterowania ostrzem (PTO) i pozostaw maszynę na 2 do 5 minut na wysokich obrotach biegu jałowego silnika.
Sprawdź stan ostrzy; patrz Sprawdzanie ostrzy.
Jeśli maszyna ma być przechowywana przez ponad 30 dni, należy ją odpowiednio przygotować. Przygotuj maszynę do przechowywania w następujący sposób:
Do paliwa w zbiorniku dodaj środek stabilizujący/kondycjonujący na bazie ropy naftowej. Przestrzegaj instrukcji mieszania podanych przez producenta środka stabilizującego. Nie stosuj środka stabilizującego na bazie alkoholu (etanolu lub metanolu).
Note: Środek stabilizujący/kondycjonujący jest najskuteczniejszy, gdy zostanie wymieszany ze świeżym paliwem i będzie stosowany przez cały czas.
Uruchomić silnik na 5 minut, aby wzbogacone paliwo zostało rozprowadzone po układzie.
Wyłącz silnik, poczekaj aż ostygnie, i opróżnij zbiornik paliwa - skontaktuj się z autoryzowanym dealerem Toro.
Uruchom silnik i zostaw uruchomiony, aż się zatrzyma.
Odpowiednio usunąć paliwo. Utylizacja powinna zostać przeprowadzona zgodnie z lokalnymi przepisami.
Important: Nie przechowuj stabilizatora/paliwa kondycjonowanego przez okres dłuższy niż 90 dni.
Sprawdź i dokręć wszystkie śruby, nakrętki i wkręty. Napraw lub wymień wszystkie części, które są uszkodzone.
Pomalować miejsca, z których farba została usunięta. Farba jest dostępna u autoryzowanego przedstawiciela serwisowego.
Przechowywać maszynę w czystym i suchym garażu lub innym miejscu tego typu.
Wyjmij kluczyk ze stacyjki i umieść go w miejscu niedostępnym dla dzieci lub innych nieupoważnionych użytkowników.
Nakryj maszynę, aby ją zabezpieczyć i utrzymać w czystości.
| Problem | Possible Cause | Corrective Action |
|---|---|---|
| Rozrusznik nie działa. |
|
|
| Silnik nie uruchamia się, dławi się lub po chwili gaśnie. |
|
|
| Silnik traci moc. |
|
|
| Przegrzewanie się silnika. |
|
|
| Kosiarka zbacza w lewo lub w prawo (przy dźwigniach wychylonych całkowicie do przodu). |
|
|
| Maszyna nie jedzie. |
|
|
| Maszyna zaczyna nieprawidłowo drgać. |
|
|
| Maszyna pozostawia nierówną wysokość koszenia. |
|
|
| Ostrza się nie obracają. |
|
|
| Sprzęgło nie daje się załączyć. |
|
|
