| Cadenza di manutenzione | Procedura di manutenzione |
|---|---|
| Prima di ogni utilizzo o quotidianamente |
|
Questo tosaerba a lame rotanti con operatore a bordo è pensato per l'utilizzo da parte di privati od operatori professionisti del verde. Il suo scopo è quello di tagliare l'erba di prati ben tenuti di complessi residenziali o proprietà commerciali. Non è stato progettato per tagliare aree cespugliose o per impieghi in agricoltura.
Leggete attentamente il presente manuale al fine di utilizzare e mantenere correttamente il prodotto ed evitare infortuni e danni. Voi siete responsabili del corretto utilizzo del prodotto, all'insegna della sicurezza.
Per ricevere materiale di addestramento sulla sicurezza e il funzionamento dei prodotti, informazioni sugli accessori, ottenere assistenza nella ricerca di un rivenditore o registrare il vostro prodotto potete contattare direttamente Toro all'indirizzo www.Toro.com.
Per assistenza, ricambi originali Toro o ulteriori informazioni, rivolgetevi a un Distributore Toro autorizzato o ad un Centro Assistenza Toro ed abbiate sempre a portata di mano il numero del modello ed il numero di serie del prodotto. Figura 1 indica la posizione del numero del modello e del numero di serie sul prodotto. Scrivete i numeri negli spazi previsti.

Questo manuale identifica pericoli potenziali e riporta messaggi di sicurezza evidenziati dal simbolo di avviso di sicurezza (Figura 2), che segnala un pericolo che può causare gravi infortuni o la morte se non osserverete le precauzioni raccomandate.

Per evidenziare le informazioni vengono utilizzate due parole. Importante indica informazioni meccaniche di particolare importanza e Nota evidenzia informazioni generali di particolare rilevanza.
Questo prodotto è conforme a tutte le direttive europee pertinenti. Per informazioni dettagliate vedere la Dichiarazione di Conformità (DICO) specifica del prodotto, fornita a parte.
Questo sistema di accensione a scintilla è conforme alla norma canadese ICES-002.
La rimozione di pezzi delle apparecchiature e accessori standard originali può pregiudicare la garanzia, la trasmissione e la sicurezza della macchina. Il mancato utilizzo di ricambi originali Toro potrebbe causare lesioni gravi o la morte. Modifiche non autorizzate al motore, all'impianto di alimentazione o al sistema di ventilazione potrebbero essere contrarie alla legge.
Sostituite tutti i pezzi, inclusi, ma non solo, pneumatici, cinghie, lame e componenti dell'impianto di alimentazione con ricambi originali Toro.
Important: Se state utilizzando una macchina con motore Toro al di sopra di 1 500 m di altitudine per un periodo continuato, assicuratevi che sia stato installato il Kit altitudini elevate, in modo che il motore soddisfi i regolamenti sulle emissioni CARB/EPA. Il Kit altitudini elevate aumenta le prestazioni del motore impedendo, al tempo stesso, ostruzioni delle candele, difficoltà di avviamento e aumenti delle emissioni. Una volta installato il kit, applicate l'adesivo per le altitudini elevate accanto all'adesivo del numero di serie sulla macchina. Contattate un Centro assistenza Toro autorizzato per ottenere il kit altitudini elevate e la relativa etichetta per la vostra macchina. Per individuare un distributore nelle vostre vicinanze, navigate sul nostro sito Web www.Toro.com o contattate il nostro Servizio clienti Toro al numero (o numeri) indicato nella vostra dichiarazione di garanzia sul controllo delle emissioni.Rimuovete il kit dal motore e riportate il motore alla configurazione originaria di fabbrica quando è in funzione al di sotto di 1 500 m di altitudine. Non utilizzate un motore convertito per l'utilizzo ad altitudini elevate ad altitudini inferiori, altrimenti potreste surriscaldarlo e danneggiarlo.Se non siete sicuri del fatto che la vostra macchina sia stata convertita per l'uso ad altitudini elevate o meno, cercate la seguente etichetta (Figura 3).

Questa macchina è stata progettata in conformità con EN ISO 5395:2013.
Questo prodotto è in grado di amputare mani e piedi, e di scagliare oggetti. Rispettate sempre tutte le norme di sicurezza per evitare gravi lesioni personali.
L'utilizzo di questo prodotto per scopi non conformi alle funzioni per cui è stato concepito può essere pericoloso per voi e gli astanti.
Leggete e comprendete il contenuto di questo Manuale dell'operatore prima di avviare il motore. Assicuratevi che tutti coloro che utilizzano questo prodotto sappiano come utilizzarlo e comprendano le avvertenze.
Non infilate le mani o i piedi accanto alle parti in movimento della macchina.
Non utilizzate la macchina se non sono montate e funzionanti tutte le protezioni e gli altri dispositivi di sicurezza sulla macchina.
Restate lontani dalle aperture di scarico. Tenete gli astanti a distanza di sicurezza dalla macchina.
Tenete i bambini lontano dall’area di lavoro. Non permettete mai che bambini e ragazzi utilizzino la macchina.
Arrestate la macchina e spegnete il motore prima di effettuare operazioni di assistenza, rifornimento o disintasamento della macchina.
L'errato utilizzo o l'errata manutenzione di questa macchina può causare infortuni. Per ridurre il rischio di incidenti, rispettate le seguenti norme di sicurezza e fate sempre attenzione al simbolo di allarme che indica Attenzione, Avvertenza o Pericolo – Norme di sicurezza personali. Il mancato rispetto di queste istruzioni può provocare infortuni o la morte.
Potete trovare informazioni di sicurezza aggiuntive nelle relative sezioni di questo manuale.

![]() |
Gli adesivi di sicurezza e di istruzione sono chiaramente visibili e sono affissi accanto a zone particolarmente pericolose. Sostituite gli adesivi danneggiati o smarriti. |



























Prima di avviare il motore e di utilizzare la macchina, familiarizzate con tutti i comandi (Figura 5 e Figura 6).

Utilizzate questo interruttore per avviare il motore del tosaerba. Presenta 3 posizioni: AVVIAMENTO, FUNZIONAMENTO e SPEGNIMENTO.
Usate lo starter per avviare il motore a freddo. Sollevate la manopola dello starter per innestare lo starter. Spingete in basso la manopola dello starter per disinnestarla (Figura 6).
L’acceleratore controlla il regime motore e vanta una regolazione continua variabile dalla posizione di MINIMA a quella di MASSIMA (Figura 6).
L'interruttore del comando delle lame (PDF) innesta e disinnesta l'alimentazione alle lame del tosaerba (Figura 6).
Il contaore registra il numero di ore di funzionamento del motore, e funziona quando il motore gira. Utilizzate questi tempi per la programmazione della manutenzione ordinaria (Figura 6).
Sul contaore sono presenti dei simboli che indicano, per mezzo di un triangolo nero, che il componente microinterruttore è posizionato correttamente (Figura 7).
Se girate la chiave di accensione in posizione di ACCENSIONE per alcuni secondi, la tensione della batteria viene visualizzata nell'area in cui generalmente vengono visualizzate le ore.
La spia della batteria si accende quando l'accensione è inserita e quando la carica è inferiore al giusto livello di funzionamento (Figura 7).

Utilizzate le leve di controllo del movimento per fare marcia avanti, indietreggiare e girare la macchina nella direzione opportuna.
Utilizzate la posizione di BLOCCO IN FOLLE con il sistema di interblocco di sicurezza per determinare la posizione di FOLLE.
Chiudete la valvola d'intercettazione del carburante (dietro il sedile) quando trasportate o riponete il tosaerba.
È disponibile una gamma di attrezzi ed accessori approvati da Toro per l'impiego con la macchina, per ottimizzare ed ampliare le sue applicazioni. Richiedete la lista degli attrezzi ed accessori approvati ad un Centro Assistenza Toro o ad un Distributore, oppure visitate www.Toro.com.
Note: Specifiche e disegno sono soggetti a variazione senza preavviso.
| scocca del tosaerba da 122 cm | scocca del tosaerba da 132 cm | |
|---|---|---|
| Senza scocca del tosaerba | 121 cm | 124 cm |
| Deflettore su | 133 cm | 144 cm |
| Deflettore giù | 160 cm | 171 cm |
| scocca del tosaerba da 122 cm | scocca del tosaerba da 132 cm | |
|---|---|---|
| Lunghezza | 208 cm | 208 cm |
| Roll Bar - Sollevato | Roll Bar - Abbassato |
|---|---|
| 179 cm | 125 cm |
| Macchine | Zavorra |
| macchine a scarico laterale da 122 cm | 849-937 lb(385-425 kg) |
| macchine a scarico laterale da 132 cm | 862-957 lb (391–434 kg) |
Note: Stabilite i lati sinistro e destro della macchina dalla normale posizione di guida.
Non permettete a bambini, ragazzi o adulti non addestrati di utilizzare o manutenere la macchina. Le normative locali possono imporre limiti all'età dell'operatore. Il proprietario è responsabile dell'addestramento di tutti gli operatori e i meccanici.
Familiarizzate con il sicuro funzionamento dell'apparecchiatura, dei comandi dell'operatore e degli adesivi di sicurezza.
Imparate a fermare rapidamente la macchina e il motore.
Verificate che comandi di presenza dell'operatore, interruttori di sicurezza e schermi siano fissati e correttamente funzionanti. Se non funzionano correttamente, non azionate la macchina.
Prima della tosatura, ispezionate sempre la macchina per garantire che lame, bulloni delle lame e gruppi di taglio siano in buone condizioni operative. Sostituite in serie lame e bulloni usurati o danneggiati, per mantenere il bilanciamento.
Ispezionate l'area dove utilizzerete la macchina e rimuovete tutti gli oggetti che la macchina potrebbe eventualmente scagliare.
Valutate il terreno per determinare l'attrezzatura appropriata ed eventuali attrezzi o accessori necessari per il funzionamento corretto e sicuro della macchina.
Per evitare lesioni personali o danni alle cose, prestate la massima cautela quando manipolate il carburante. I vapori di carburante sono infiammabili ed esplosivi.
Spegnete sigarette, sigari, pipa e altre fonti di accensione.
Utilizzate soltanto taniche per carburanti approvate.
Non rimuovete il tappo del carburante né rabboccate il carburante nel relativo serbatoio mentre il motore è in funzione o è caldo.
Non effettuate il rifornimento della macchina al chiuso.
Non depositate la macchina o la tanica del carburante in presenza di fiamme libere, scintille o spie, come vicino a uno scaldabagno o altre apparecchiature.
Non riempite le taniche all'interno di un veicolo o su un autocarro o il pianale di un rimorchio con rivestimento in plastica. Prima del rabbocco, posizionate sempre le taniche di carburante sul pavimento, lontano dal veicolo.
Rimuovete l'attrezzatura dall'autocarro o rimorchio ed effettuate il rifornimento quando si trova a terra. Qualora ciò non sia possibile, fate rifornimento mediante una tanica portatile, anziché con un normale ugello erogatore del carburante.
Non utilizzate la macchina se non è montato l'impianto di scarico completo o se non è in buone condizioni di servizio.
Tenete sempre l'ugello della pompa del carburante a contatto con il bordo del serbatoio del carburante o con il foro della tanica finché non sia stato completato il rifornimento. Non utilizzate un dispositivo di apertura del blocco pompa.
Se vi siete sporcati gli indumenti con il carburante, cambiatevi immediatamente. Tergete il carburante versato.
Non riempite eccessivamente il serbatoio del carburante. Riposizionate il tappo del carburante e serrate a fondo.
Conservate il carburante in taniche approvate, e tenetelo lontano dalla portata dei bambini. Acquistate carburante in modo da utilizzarla entro 30 giorni.
Non riempite completamente il serbatoio. Versate del carburante nel serbatoio fino a 6–13 mm sotto la base del collo del bocchettone di riempimento. Questo spazio servirà ad assorbire l'espansione del carburante.
Evitate di respirare a lungo i vapori.
Tenete il viso a distanza dall'erogatore e dall'apertura del serbatoio della benzina.
Evitate il contatto con la pelle; pulite le fuoriuscite con sapone e acqua.
Per ottenere risultati ottimali utilizzate solo benzina senza piombo fresca (con meno di 30 giorni) e pulita, di 87 o più ottani (metodo di classificazione (R+M)/2).
Etanolo: È accettabile la benzina con etanolo fino al 10% (nafta) o 15% di MTBE (metil-ter-butil-etere) per volume. L'etanolo e l'MTBE non sono la stessa cosa. Non è consentito l'utilizzo di benzina con il 15% di etanolo (E15) per volume. Non utilizzate benzina con etanolo superiore al 10% per volume, come E15 (contiene etanolo al 15%), E20 (contiene etanolo al 20%) o E85 (contiene etanolo fino all'85%). L'utilizzo di benzina non consentita può causare problemi di prestazioni e/o danni al motore non coperti dalla garanzia.
Non utilizzate benzina contenente metanolo.
Nella stagione invernale, non conservate il carburante nel serbatoio o nei contenitori senza utilizzare un apposito stabilizzatore.
Non aggiungete olio alla benzina.
L’uso di un additivo stabilizzatore/additivo nella macchina offre i seguenti vantaggi:
mantiene fresco il carburante durante un rimessaggio pari o inferiore a 90 giorni (spurgate il serbatoio del carburante quando rimessate la macchina per oltre 90 giorni)
mantiene pulito il motore durante l'uso;
elimina i depositi gommosi nell'impianto di alimentazione, che possono provocare problemi di avviamento.
Important: Non utilizzate additivi per carburante contenenti metanolo o etanolo.
Aggiungete la quantità corretta di stabilizzatore/additivo del carburante al carburante.
Note: Lo stabilizzatore/additivo è più efficace se mescolato a carburante fresco. Per ridurre al minimo la morchia nell'impianto di alimentazione, utilizzate sempre lo stabilizzatore.
Parcheggiate la macchina su terreno pianeggiante.
Spegnete il motore e inserite il freno di stazionamento.
Pulite attorno al tappo del serbatoio del carburante.
Riempite il serbatoio fino alla base del collo del bocchettone (Figura 8).
Note: Non riempite completamente il serbatoio. Questo spazio consente alla benzina di espandersi.

Prima di avviare il motore e di utilizzare la macchina, controllate il livello dell'olio nella coppa; vedere Controllo del livello dell'olio motore.
I motori nuovi raggiungono la piena potenza dopo qualche tempo. I piatti di taglio e le trasmissioni, quando sono nuovi, hanno un maggiore attrito e assoggettano il motore ad un maggiore carico. Le macchine nuove hanno bisogno di un rodaggio di 40 o 50 ore prima di sviluppare la piena potenza e dare la migliore performance.
Per evitare ferite ed anche la morte, tenete il roll bar completamente alzato e bloccato in tale posizione ed allacciate la cintura di sicurezza.
Assicuratevi che il sedile sia fissato alla macchina.
Quando il roll bar è abbassato non vi è altra protezione antiribaltamento.
Abbassate il roll bar soltanto se assolutamente necessario.
Non allacciate la cintura di sicurezza quando il roll bar è abbassato.
Guidate lentamente e con prudenza.
Alzate il roll bar non appena l'altezza lo consente.
Controllate attentamente lo spazio libero superiore prima di passare con la macchina sotto qualsiasi oggetto (rami, vani porta, fili elettrici) e impeditene il contatto.
Important: Abbassate il roll bar soltanto se assolutamente necessario.
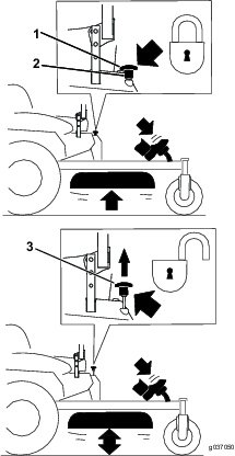
Per abbassare il roll bar, applicate una pressione in avanti sulla parte superiore del roll bar.
Tirate entrambe le manopole e ruotatele di 90 gradi in modo che non siano innestate (Figura 9).
Abbassate il roll bar (Figura 9).

Per sollevare il roll bar, portatelo in posizione operativa e ruotate le manopole in modo che si spostino parzialmente nelle scanalature (Figura 9).
Sollevate completamente il roll bar premendo contemporaneamente la parte superiore del roll bar in modo che i perni scattino in posizione non appena saranno allineati ai fori (Figura 9).
Important: Allacciate sempre la cintura di sicurezza quando il roll bar è alzato.
Premete il roll bar e assicuratevi che entrambi i perni siano innescati.
Leggete tutte le istruzioni e i simboli contenuti nella sezione sulla sicurezza. La conoscenza di queste informazioni potrebbe aiutare voi e gli astanti ad evitare infortuni.
L'erba bagnata e pendenze ripide possono causare scivolate e la perdita di controllo del tosaerba.
non utilizzate su pendenze superiori ai 15 gradi;
rallentate sui pendii, ed usate la massima cautela;
Non azionate la macchina nei pressi di zone d'acqua.
Se le ruote cadono oltre i bordi dell'area di lavoro, possono provocare il ribaltamento della macchina e causare gravi infortuni, la morte o l'annegamento.
Non azionate la macchina nei pressi di scarpate.
L'azionamento della macchina con il roll bar abbassato può determinare gravi infortuni o anche la morte in caso di ribaltamento.
Tenete sempre il roll bar completamente alzato e bloccato, ed allacciate la cintura di sicurezza.

Questa macchina produce livelli acustici superiori a 85 dBA alle orecchie dell'operatore e può causare la perdita dell'udito in caso di lunghi periodi di esposizione al rumore.
Quando utilizzate questa macchina indossate protezioni per l’udito.
Utilizzate l’equipaggiamento di protezione per gli occhi, l’udito, le mani, i piedi e la testa.

Se gli interruttori di sicurezza sono scollegati o guasti, la macchina può muoversi improvvisamente e causare incidenti.
Non manomettete gli interruttori di sicurezza a interblocchi.
Controllate ogni giorno il funzionamento degli interruttori di sicurezza a interblocchi e, prima di azionare la macchina, sostituite gli interruttori guasti.
Il sistema di microinterruttori di sicurezza è progettato per consentire l'avviamento del motore a condizione che:
il freno di stazionamento sia inserito;
il comando delle lame (PDF) sia disinnestato.
le leve di controllo del movimento siano in posizione di BLOCCO IN FOLLE.
Inoltre, il sistema di interblocco di sicurezza è concepito per bloccare il motore quando i comandi di trazione si spostano dalla posizione di blocco con il freno di stazionamento inserito o quando vi alzate dal sedile con la PDF inserita.
Il contaore ha dei simboli per avvisare l'utente quando il componente a interblocchi si trova nella giusta posizione. Quando il componente si trova nella giusta posizione, nel quadrato corrispondente si illumina un triangolo.

| Cadenza di manutenzione | Procedura di manutenzione |
|---|---|
| Prima di ogni utilizzo o quotidianamente |
|
Collaudate sempre il sistema di microinterruttori di sicurezza prima di utilizzare la macchina. Qualora non funzioni come descritto di seguito, fatelo riparare immediatamente da un Centro Assistenza autorizzato.
Restando seduti sul sedile, inserite il freno di stazionamento e spostate l’interruttore di comando delle lame (PDF) in posizione di ACCENSIONE. Provate ad avviare il motore: non deve avviarsi.
Restando seduti sul sedile, inserite il freno di stazionamento e spostate l’interruttore di comando delle lame (PDF) in posizione di SPEGNIMENTO. Spostate una leva di controllo del movimento, a scelta, togliendola dalla posizione di BLOCCO IN FOLLE. Provate ad avviare il motore: non deve avviarsi. Ripetete con l'altra leva di controllo del movimento.
Restando seduti sul sedile, inserite il freno di stazionamento, spostate l’interruttore di comando delle lame (PDF) in posizione di SPEGNIMENTO e le leve di controllo del movimento in posizione di BLOCCO IN FOLLE. Accendete il motore. Con il motore acceso, disinserite il freno di stazionamento, inserite l'interruttore di comando delle lame (PDF) e alzatevi leggermente dal sedile: il motore dovrebbe spegnersi.
Restando seduti sul sedile, inserite il freno di stazionamento, spostate l’interruttore di comando delle lame (PDF) in posizione di SPEGNIMENTO e le leve di controllo del movimento in posizione di BLOCCO IN FOLLE. Accendete il motore. Mentre il motore gira, mettete in posizione centrale un controllo del movimento a scelta, e spostate la macchina (avanti o indietro); il motore deve spegnersi. Ripetete con l'altro controllo del movimento.
Restando seduti sul sedile, disinserite il freno di stazionamento, spostate l’interruttore di comando delle lame (PDF) in posizione di SPEGNIMENTO e le leve di controllo del movimento in posizione di BLOCCO IN FOLLE. Provate ad avviare il motore: non deve avviarsi.
Il sedile può essere spostato avanti e indietro (Figura 13). Posizionate il sedile in modo da poter controllare la macchina con sicurezza e raggiungere comodamente i comandi.

Il sedile è regolabile al fine di ottenere il migliore comfort di marcia possibile. Spostate il sedile nella posizione per voi più confortevole.
Per spostarlo, girate la manopola anteriore nella direzione opportuna, fino ad ottenere il migliore comfort (Figura 14).

Utilizzate solo attrezzi e accessori approvati da Toro.
Quando si aggiunge più di un kit di montaggio accessori (cioè kit cesto o kit di montaggio universale) in una delle 4 posizioni riportate in Figura 15, aggiungete un kit zavorra anteriore. Contattate il Centro Assistenza autorizzato per il kit zavorra anteriore.

Il proprietario/operatore può impedire ed è responsabile di incidenti che possano causare infortuni personali o danni alla proprietà.
Indossate un abbigliamento idoneo, comprendente occhiali di protezione, scarpe robuste e antiscivolo e protezioni per le orecchie. Legate i capelli lunghi e non indossate gioielli.
Non utilizzate la macchina se siete malati, stanchi o se siete sotto l'effetto di alcol o droga.
Non trasportate mai passeggeri sulla macchina e tenete astanti e animali domestici a distanza dalla macchina durante l'utilizzo.
Utilizzate la macchina solo in buone condizioni di visibilità per evitare buche o pericoli nascosti.
Evitate di tosare sull'erba bagnata. Una trazione ridotta può causare lo slittamento della macchina.
Assicuratevi che tutte le trasmissioni siano in posizione di folle, che il freno di stazionamento sia inserito e che vi troviate nella posizione operativa prima di avviare il motore.
Tenete mani e piedi a distanza dagli apparati di taglio. Restate sempre lontani dall'apertura di scarico.
Prima di fare marcia indietro, guardate indietro e in basso, assicurandovi che il percorso sia libero.
Prestate attenzione quando vi avvicinate ad angoli ciechi, cespugli, alberi o altri oggetti che possano ostacolare la vostra visuale.
Non tosate nelle adiacenze di scarpate, fossati o terrapieni. La macchina potrebbe ribaltarsi improvvisamente nel caso in cui una ruota ne superi il bordo o se il bordo dovesse cedere.
Fermate le lame ogni volta che non state effettuando la tosatura.
Dopo avere urtato contro un oggetto, o in caso di vibrazioni anomale, fermate la macchina e ispezionate le lame. Eseguite tutte le necessarie riparazioni prima di riprendere l'attività.
Rallentate e fate attenzione quando eseguite curve o attraversate strade e marciapiedi con la macchina. Date sempre la precedenza.
Disinnestate la trasmissione all'apparato di taglio e spegnete il motore prima di regolare l'altezza di taglio (a meno che non possiate regolarla dalla posizione operativa).
Non fate funzionare il motore in luoghi chiusi dove può accumularsi il gas di scarico.
Non lasciate incustodita la macchina in funzione.
Prima di abbandonare la posizione operativa (incluso per svuotare i dispositivi di raccolta o per disintasare la guida di scarico), effettuate le seguenti operazioni:
Arrestate la macchina su terreno pianeggiante.
Disinnestate la presa di forza e abbassate al suolo l'attrezzatura.
Inserite il freno di stazionamento.
Spegnete il motore ed estraete la chiave.
Attendete finché tutte le parti mobili si siano fermate.
Non utilizzate la macchina se c'è rischio di fulmini.
Non usate la macchina come veicolo di traino.
Non cambiate la velocità del regolatore o utilizzate una velocità eccessiva del motore.
Usate unicamente accessori e attrezzi approvati da Toro
Non rimuovete il roll bar dalla macchina.
Verificate che la cintura di sicurezza sia allacciata e che possa essere slacciata rapidamente in caso di emergenza.
Allacciate sempre la cintura di sicurezza quando il roll bar è sollevato.
Verificate con cura l’eventuale presenza di ostacoli al di sopra della macchina e non entrate in contatto coi medesimi.
Conservate il roll bar in condizioni operative di sicurezza eseguendo periodicamente ispezioni accurate e mantenendo serrati i fermi di montaggio.
Se il roll bar è danneggiato, sostituitelo. Non effettuate riparazioni o modifiche.
Rallentate la macchina e fate molta attenzione sui pendii. Guidate in salita e discesa dalle pendenze. Le condizioni del tappeto erboso possono influire sulla stabilità della macchina.
Non fate curvare la macchina su pendii. Se è necessario sterzare con la macchina, fatelo lentamente e gradualmente a valle, se possibile.
Non curvate bruscamente con la macchina ed eseguite le retromarce con prudenza.
Prestate particolare attenzione quando azionate la macchina con gli accessori in quanto possono compromettere la stabilità della macchina stessa.
Innestate sempre il freno di stazionamento quando spegnete o lasciate incustodita la macchina.
Il freno di stazionamento potrebbe non trattenere la macchina se questa è parcheggiata su una pendenza, e potrebbe causare infortuni o danni.
Non parcheggiate su pendenze, a meno che le ruote non siano bloccate da zeppe o blocchi.


Il comando delle lame (PDF) avvia ed arresta le lame del tosaerba e gli accessori elettrici.
Note: Inserendo il comando delle lame (PDF) con l'acceleratore a medio regime o meno causereste l'eccessiva usura delle cinghie di trasmissione.


Potete spostare il comando dell'acceleratore tra le posizioni di MASSIMA e MINIMA (Figura 20).
Usate sempre la posizione di MASSIMA quando attivate l'apparato di taglio con l'interruttore di comando delle lame (PDF).

Usate lo starter per avviare il motore a freddo.
Girate la chiave di accensione in posizione AVVIO (Figura 22).
Note: Rilasciatela quando il motore si accende.
Important: Non utilizzate il motorino di avviamento per più di 5 secondi alla volta. Se il motore non si avvia, attendete 15 secondi prima di riprovare. La mancata osservanza di queste istruzioni può fare bruciare il motorino di avviamento.
Note: Possono essere necessari diversi tentativi di avviamento del motore la prima volta che lo avviate dopo avere lasciato l'impianto di alimentazione completamente vuoto.

Girate la chiave di accensione in posizione STOP per spegnere il motore.
Sollevate il roll bar e bloccatelo in posizione, sistematevi sul sedile e allacciate la cintura di sicurezza.
Mettete i comandi di movimento in posizione di BLOCCO IN FOLLE.
Innestate il freno di stazionamento; vedere Innesto del freno di stazionamento.
Spostate l'interruttore di comando delle lame (PDF) in posizione di SPEGNIMENTO (Figura 23).
Portate la leva dell'acceleratore al centro tra le posizioni di MINIMA e MASSIMA.

Girate la chiave di accensione in posizione di AVVIAMENTO (Figura 24).
Note: Rilasciatela quando il motore si accende.
Important: Non utilizzate il motorino di avviamento per più di 5 secondi alla volta. Se il motore non si avvia, attendete 15 secondi prima di riprovare, per consentire il raffreddamento. La mancata osservanza di queste istruzioni può fare bruciare il motorino di avviamento.
Note: La prima volta che avviate il motore, dopo avere lasciato l'impianto di alimentazione completamente vuoto, occorreranno probabilmente altri cicli di avviamento.

Bambini ed altre persone potrebbero ferirsi se dovessero spostare o cercare di azionare la macchina quando è incustodita.
Togliete sempre la chiave di accensione e inserite il freno di stazionamento quando lasciate la macchina incustodita, anche se solo per qualche minuto.
Spostate l'acceleratore in posizione FAST e ruotate l'interruttore in posizione OFF.

Important: Verificate che la valvola d'intercettazione del carburante sia chiusa prima di trasferire la macchina o del rimessaggio, per evitare perdite di carburante. Prima del trasporto innestate il freno di stazionamento. Non dimenticate di togliere la chiave, in quanto la pompa del carburante può funzionare e fare scaricare la batteria.

Le ruote motrici girano in modo indipendente, alimentate da motori idraulici su ciascun assale. Potete girare un lato in retromarcia mentre l'altro in marcia avanti, facendo in modo che la macchina giri su se stessa, anziché curvare. Ciò migliora notevolmente la manovrabilità della macchina, ma può richiedere tempo per adattarsi al movimento.
Il comando dell'acceleratore regola il regime del motore, misurato in giri al minuto. Posizionate il comando dell'acceleratore in posizione di MASSIMA per ottenere prestazioni ottimali. Tosate sempre con l'acceleratore sulla massima.
La macchina può girare molto rapidamente. In tal caso l'operatore può perdere il controllo della macchina ed infortunarsi o danneggiare la macchina.
Prestate molta attenzione quando sterzate.
Rallentate prima di prendere curve strette.
Note: Il motore si spegne quando spostate il comando della trazione con il freno di stazionamento innestato.
Per fermarvi tirate in FOLLE le leve di controllo del movimento.
Disinnestate il freno di stazionamento; fate riferimento a Disinnesto del freno di stazionamento.
Sbloccate le leve portandole al centro.
Per fare marcia avanti spingete lentamente in avanti le leve di controllo del movimento (Figura 27).

Sbloccate le leve portandole al centro.
Per fare marcia indietro tirate lentamente indietro le leve di controllo del movimento (Figura 28).

Il blocco di trasporto ha 2 posizioni ed è utilizzato con il pedale di sollevamento del piatto di taglio. Per la posizione di trasporto del piatto di taglio c'è una posizione di BLOCCAGGIO e una posizione di SBLOCCAGGIO (Figura 29).

Regolate l'altezza di taglio da 38 a 127 mm con incrementi di 6 mm spostando il perno dell'altezza di taglio nelle diverse posizioni del foro.
Spostate il blocco di trasporto in posizione di BLOCCO.
Premete sul pedale di sollevamento del piatto e sollevate il piatto del tosaerba in posizione di TRASPORTO (anche la posizione dell'altezza di taglio da 127 mm) come mostrato in Figura 30.
Per regolare, spostate il perno dalla staffa dell'altezza di taglio (Figura 30).
Nella staffa dell'altezza di taglio scegliete un foro corrispondente all'altezza richiesta e inserite il perno (Figura 30).
Premete sul sollevamento del piatto, tirate la manopola del blocco di trasporto e abbassate lentamente il piatto del tosaerba.

Quando cambiate l’altezza di taglio, regolate l’altezza dei rulli antistrappo.
Disinnestate il comando delle lame (PDF), spostate le leve di controllo del movimento in posizione di BLOCCO IN FOLLE e inserite il freno di stazionamento.
Prima di scendere dal posto di guida dell'operatore, spegnete il motore, togliete la chiave di accensione e attendete che si fermino tutte le parti in movimento.


Per fermare la macchina, spostate in folle le leve di controllo del movimento e poi in posizione di BLOCCO IN FOLLE, disinnestate il comando delle lame (PDF) e girate la chiave di accensione in posizione SPENTO.
Innestate il freno di stazionamento quando vi allontanate dalla macchina; vedere Innesto del freno di stazionamento. Rimuovete la chiave dall'interruttore di accensione.
Bambini ed altre persone potrebbero ferirsi se dovessero spostare o cercare di azionare la macchina quando è incustodita.
Togliete sempre la chiave di accensione e inserite il freno di stazionamento quando lasciate la macchina incustodita, anche se solo per qualche minuto.
Il tosaerba è dotato di un deflettore incernierato che sparge lo sfalcio ai lati e in basso verso il terreno.
Se il deflettore di sfalcio, il coperchio dello scarico o il cesto di raccolta completo non sono montati, voi ed altre persone correte il rischio di venire a contatto con la lama e con oggetti scagliati dal tosaerba. Il contatto con le lame rotanti e con i detriti scagliati può provocare gravi infortuni o la morte.
Non togliete mai il deflettore di sfalcio dal tosaerba, perché indirizza lo sfalcio verso il tappeto erboso. Nel caso in cui il deflettore sia danneggiato, sostituitelo immediatamente.
Non infilate mai le mani o i piedi sotto il tosaerba.
Non cercate mai di stasare la zona di scarico o le lame del tosaerba senza aver prima spostato la presa di forza in posizione di SPEGNIMENTO, girato la chiave di accensione in posizione di SPEGNIMENTO e tolto la chiave.
Accertatevi che il deflettore di sfalcio sia abbassato.
Per ottenere migliori risultati e garantire la massima circolazione dell'aria, regolate il motore in posizione di MASSIMA. L’aria è necessaria per sminuzzare l’erba tagliata, quindi si raccomanda di non utilizzare un’altezza di taglio tanto bassa da circondare completamente il tosaerba con erba non tagliata. Perché l'aria venga aspirata nel tosaerba, lasciate sempre un lato del tosaerba lontano dall'erba non tagliata.
Tagliate l'erba leggermente più alta del normale per evitare che il tosaerba venga a contatto con le asperità del terreno. Tuttavia, in genere l'altezza migliore è quella usata in passato. Se l'erba è alta più di 15 cm, è preferibile praticare due passate per garantire una migliore qualità di taglio.
In genere è preferibile tagliare solamente un terzo circa del filo d'erba. Si raccomanda di non superare questa altezza, a meno che l’erba non sia rada, oppure ad autunno inoltrato quando l’erba cresce più lentamente.
Alternate la direzione della tosatura per mantenere l'erba eretta. In tal modo si agevola lo spargimento dello sfalcio per una migliore decomposizione e fertilizzazione.
L'erba cresce a ritmi diversi in momenti diversi dell'anno. Per mantenere la stessa altezza di taglio, tosate più spesso all'inizio della primavera. Poiché a mezza estate il ritmo di crescita dell'erba rallenta, tagliate l'erba meno di frequente. Qualora l'erba non sia stata tagliata per un periodo prolungato, tagliatela prima a un'altezza di taglio elevata, e di nuovo 2 giorni dopo, riducendo gradualmente l'altezza di taglio.
Per migliorare la qualità del taglio, in determinate condizioni scegliete una velocità di spostamento inferiore.
Durante la tosatura di tappeto erboso disomogeneo, alzate l'altezza di taglio per evitare strappi sul manto erboso.
Se si arresta la marcia avanti della macchina durante la tosatura, sul tappeto erboso potrebbe depositarsi un mucchio di sfalcio. Per evitare questo inconveniente, spostatevi con le lame innestate verso un'area già tosata oppure arrestate il piatto di taglio mentre avanzate.
Eliminate l’erba falciata e la morchia dal sottoscocca del tosaerba dopo ogni utilizzo. In caso di accumulo di sfalcio e detriti all’interno del tosaerba, la qualità di taglio può risultare insoddisfacente.
Mantenete affilata la lama per l’intera stagione di taglio, al fine di evitare lo strappo e la frammentazione dell'erba. In caso contrario i bordi dell'erba diventano marrone, di conseguenza l'erba cresce più lentamente ed è più soggetta a malattie. Dopo ogni utilizzo controllate che le lame siano affilate e non presentino danni o segni di usura. All'occorrenza, limate eventuali tacche ed affilate le lame. Sostituite immediatamente la lama se è danneggiata o usurata, utilizzando una lama di ricambio originale Toro.
Pulite erba e detriti da piatti di taglio, marmitte e vano motore, per aiutare a evitare incendi. Tergete l'olio o il carburante versati.
Chiudete il carburante prima di effettuare il rifornimento o il trasporto della macchina.
Disinnestate la trasmissione all'accessorio ogni volta che trasportate o non utilizzate la macchina.
Utilizzate rampe di larghezza massima per caricare la macchina su un rimorchio o un autocarro.
Fissate saldamente la macchina in basso utilizzando cinghie, catene, cavi o corde. Le cinghie anteriori e posteriori dovranno essere rivolte verso il basso e all'esterno rispetto alla macchina.
Lasciate raffreddare il motore prima di riporre la macchina in un ambiente chiuso.
Chiudete il carburante prima di effettuare il rifornimento o il trasporto della macchina.
Non depositate mai la macchina o la tanica del carburante in presenza di fiamme libere, scintille o spie, come vicino a uno scaldabagno o altre apparecchiature.
La valvola di intercettazione del carburante è posizionata dietro il sedile.
Prima di trasferire la macchina, eseguire operazioni di manutenzione o di riporla in rimessa, chiudete la valvola di intercettazione del carburante.
Quando accendete il motore, assicuratevi che la valvola di intercettazione del carburante sia aperta.


La mani potrebbero impigliarsi nei componenti rotanti sotto la scocca del motore, provocando ferite gravi.
Spegnete il motore, togliete la chiave e lasciate che tutte le parti mobili si fermino prima di accedere alle valvole di rilascio delle ruote motrici.
Il motore e le unità idrauliche possono diventare molto caldi. Toccando un motore o unità idrauliche che scottano si possono subire gravi ustioni.
Fate raffreddare completamente il motore e le unità idrauliche prima di accedere alle valvole di rilascio delle ruote motrici.
Le valvole di rilascio della ruota motrice sono posizionate sul lato destro e sinistro sotto la scocca del motore
Disinnestate il comando delle lame (PDF), girate la chiave di accensione su Off, spostate le leve in posizione di BLOCCO IN FOLLE, inserite il freno di stazionamento e togliete la chiave.
Individuate le leve di bypass dietro il sedile, in basso, sui lati sinistro e destro del telaio.
Per spingere la macchina, spostate entrambe la manopole di bypass all'indietro e bloccatele in posizione (Figura 34).
Disinserite il freno di stazionamento prima di spingere la macchina.

Per azionare la macchina, spostate le manopole di bypass su AVANTI e bloccatele in posizione (Figura 34).
Per trasportare la macchina usate un rimorchio per servizio pesante o un autocarro. Controllate che il rimorchio, o l'autocarro, sia provvisto dei freni, fari e dei segnali richiesti per legge. Leggete attentamente tutte le istruzioni di sicurezza. Queste informazioni contribuiranno a salvaguardare l'integrità fisica della vostra persona, della vostra famiglia, di animali domestici e di eventuali astanti.
Non guidate su strade o superstrade se non avete le luci di direzione, fari, catarifrangenti o un cartello di veicolo lento; ciò è pericoloso e può causare incidenti e ferite.
Non guidate la macchina su strade pubbliche o superstrade.
Per trasportare la macchina:
Se usate un rimorchio, collegatelo al veicolo trainante per mezzo di catene di sicurezza.
Se necessario, collegate i freni del rimorchio.
Caricate la macchina sul rimorchio o sull'autocarro.
Spegnete il motore, togliete la chiave, innestate il freno e chiudete la valvola del carburante.
Utilizzate gli anelli di ancoraggio metallici sulla macchina per fissarla saldamente al rimorchio o all'autocarro per mezzo di cinghie, catene, cavi o corde (Figura 35).

Prestate la massima attenzione in fase di carico o scarico delle macchine su un rimorchio o un autocarro. Utilizzate una rampa di larghezza massima che sia più larga della macchina per questa procedura. Risalite in retromarcia la rampa e scendete dalla rampa in marcia avanti (Figura 36).

Important: Non utilizzate singole rampe strette per ciascun lato della macchina.
Quando si carica la macchina su un trailer o un autocarro si aumenta il rischio di ribaltamento, che può causare gravi ferite ed anche la morte (Figura 37).
Prestate la massima attenzione quando guidate la macchina su una rampa.
Usate solo una rampa di larghezza massima, non singole rampe per ciascun lato della macchina.
Non superate un angolo di 15 gradi fra la rampa e il suolo o fra la rampa e il trailer o l'autocarro.
Assicuratevi che la lunghezza della rampa sia almeno il quadruplo dell'altezza dell'autocarro o rimorchio fino al terreno. Ciò garantirà che l'angolo della rampa non superi i 15 gradi su terreno pianeggiante.
Risalite in retromarcia le rampe e scendete dalle rampe in marcia avanti.
Evitate accelerazioni o decelerazioni improvvise mentre guidate la macchina su una rampa, dal momento che potrebbero causare una perdita di controllo o il ribaltamento.

| Cadenza di manutenzione | Procedura di manutenzione |
|---|---|
| Dopo le prime 5 ore |
|
| Dopo le prime 75 ore |
|
| Prima di ogni utilizzo o quotidianamente |
|
| Ogni 25 ore |
|
| Ogni 50 ore |
|
| Ogni 100 ore |
|
| Ogni 200 ore |
|
| Ogni 250 ore |
|
| Ogni 500 ore |
|
| Ogni mese |
|
| Ogni anno o prima del rimessaggio |
|
Important: Per ulteriori interventi di manutenzione si rimanda al manuale per l'uso del motore.
Se lasciate la chiave nell'interruttore di accensione, qualcuno potrebbe accidentalmente avviare il motore e ferire gravemente voi od altre persone.
Togliete la chiave di accensione prima di ogni intervento di manutenzione.
Prima di riparare la macchina, effettuate le seguenti procedure:
Disinnestate le trasmissioni.
Inserite il freno di stazionamento.
Spegnete il motore ed estraete la chiave.
Scollegate il cappellotto.
Parcheggiate la macchina su terreno pianeggiante.
Per prevenire un incendio, eliminate erba e detriti dall'apparato di taglio, dalle trasmissioni, dalle marmitte e dal motore.
Tergete l'olio o il carburante versati.
Fate raffreddare il motore prima del rimessaggio della macchina.
Non rimessate la macchina o il carburante accanto a fiamme e non spurgate il carburante al chiuso.
Non affidate la manutenzione della macchina a personale non addestrato.
Utilizzate cavalletti metallici per sostenere la macchina e/o i componenti quando necessario.
Scaricate con cautela la pressione dai componenti che hanno accumulato energia.
Prima di eseguire qualsiasi riparazione, scollegate la batteria o rimuovete i cappellotti dalla candela. Scollegate prima il morsetto negativo, per ultimo quello positivo. Collegate prima il morsetto positivo, per ultimo quello negativo.
Prestate la massima attenzione quando controllate le lame. Durante gli interventi di manutenzione avvolgete la lama (o lame) o indossate guanti imbottiti adatti allo scopo e fate attenzione. Sostituite soltanto le lame; non raddrizzatele e non saldatele.
Tenete mani e piedi a distanza dalle parti mobili. Se possibile, non eseguite regolazioni mentre il motore è in funzione.
Mantenete tutti i componenti in buone condizioni operative e tutta la bulloneria serrata, soprattutto i bulloni di fissaggio delle lame. Sostituite tutti gli adesivi consumati o danneggiati.
Non interferite mai con la funzione per cui un dispositivo di sicurezza è progettato e non riducete il livello di protezione fornito da un dispositivo di sicurezza. Controllatene il funzionamento ad intervalli regolari.
Per garantire prestazioni ottimali e mantenere sempre la macchina in conformità alle norme di sicurezza, utilizzate esclusivamente ricambi e accessori originali Toro. Ricambi e accessori di altri produttori potrebbero risultare pericolosi e il loro impiego potrebbe far decadere la garanzia del prodotto.
Verificate di frequente il funzionamento del freno di stazionamento. All’occorrenza regolatelo e provvedete alla revisione.
Allentate il bullone sopra la cortina per rilasciare la cortina del piatto del tosaerba e accedere alla parte superiore dello stesso Figura 38 Serrate il bullone dopo la manutenzione per montare la cortina.

Lubrificate più di frequente in ambienti particolarmente polverosi o sabbiosi.
Tipo di grasso: grasso universale n. 2 a base di litio o molibdeno
Disinnestate il comando delle lame (PDF), spostate le leve di controllo del movimento in posizione di BLOCCO IN FOLLE e inserite il freno di stazionamento.
Prima di scendere dalla postazione di guida spegnete il motore, togliete la chiave di accensione e attendete che si fermino tutte le parti in movimento.
Pulite i raccordi d’ingrassaggio con un cencio.
Note: Togliete eventuali tracce di vernice davanti all'ingrassatore (o ingrassatori).
Collegate al raccordo d’ingrassaggio un ingrassatore a pressione.
Pompate del grasso nel raccordo finché non inizia a fuoriuscire dai cuscinetti.
Tergete il grasso superfluo.
| Cadenza di manutenzione | Procedura di manutenzione |
|---|---|
| Ogni 25 ore |
|
| Ogni 50 ore |
|
Disinnestate il comando delle lame (PDF), spostate le leve di controllo del movimento in posizione di BLOCCO IN FOLLE e inserite il freno di stazionamento.
Prima di scendere dalla postazione di guida spegnete il motore, togliete la chiave di accensione e attendete che si fermino tutte le parti in movimento.
Ingrassate il perno della puleggia di rinvio pompa con 1 o 2 pompe del grasso (Figura 41)
Ingrassate gli assali della ruota orientabile anteriore (Figura 41).

Il contatto con superfici calde può causare infortuni.
Tenete mani, piedi, viso, abbigliamento ed altre parti del corpo lontano dalla marmitta e da altre superfici calde.
Prima di controllare l'olio o di rabboccare la coppa, spegnete il motore.
| Cadenza di manutenzione | Procedura di manutenzione |
|---|---|
| Ogni 25 ore |
|
| Ogni 100 ore |
|
| Ogni 200 ore |
|
Parcheggiate la macchina su un terreno pianeggiante e disinnestate il comando delle lame (PDF).
Inserite il freno di stazionamento, spegnete il motore, togliete la chiave e attendete che tutte le parti in movimento si fermino prima di lasciare la posizione di guida.
Pulite intorno al filtro dell'aria per evitare che la morchia possa penetrare nel motore provocando gravi danni.
Sollevate il coperchio e ruotate il gruppo del filtro dell'aria per estrarlo dal motore (Figura 42).


Togliete l'elemento in schiuma sintetica dall'elemento di carta (Figura 43).

Lavate l'elemento in schiuma sintetica con acqua e sostituitelo se danneggiato.
Picchiettate leggermente l'elemento su una superficie piana per rimuovere polvere e morchia.
Controllate che sull'elemento non vi siano strappi, tracce d'olio e che la guarnizione non sia danneggiata.
Important: Non pulite mai l'elemento di carta con aria compressa o liquidi, come solvente, benzina o cherosene. Sostituite l'elemento di carta nel caso in cui sia danneggiato o non possa essere pulito correttamente.
Tipo di olio: Olio detergente (API service SF, SG, SH, SJ o SL)
Capacità della coppa: 2,4 l (80 oz) con filtro
Viscosità: Vedere la tabella seguente.

| Cadenza di manutenzione | Procedura di manutenzione |
|---|---|
| Prima di ogni utilizzo o quotidianamente |
|
Note: Controllate l'olio a motore freddo.
Il contatto con superfici calde può causare infortuni.
Tenete mani, piedi, viso, abbigliamento ed altre parti del corpo lontano dalla marmitta e da altre superfici calde.
Important: Non riempite eccessivamente d'olio il carter, o potreste danneggiare il motore. Non fate funzionare il motore se l'olio non raggiunge il segno di basso livello, perché potreste danneggiare il motore.
Parcheggiate la macchina su una superficie piana, disinnestate l'interruttore di controllo lama, spegnete il motore, innestate il freno di stazionamento e rimuovete la chiave.
Accertate che il motore sia spento, in piano e freddo in modo che l'olio abbia il tempo di scorrere nella coppa.
Per evitare morchia, residui d'erba, ecc. nel motore, pulite l'area attorno al tappo e all'asta di livello dell'olio prima della rimozione (Figura 45).

| Cadenza di manutenzione | Procedura di manutenzione |
|---|---|
| Dopo le prime 5 ore |
|
| Ogni 100 ore |
|
Note: Consegnate l'olio usato ad un centro di raccolta.
Parcheggiate la macchina su una superficie pianeggiante, per garantire che l'olio venga spurgato completamente.
Disinnestate la PDF e inserite il freno di stazionamento.
Prima di scendere dalla postazione di guida spegnete il motore, togliete la chiave di accensione e attendete che si fermino tutte le parti in movimento.
Spurgate l'olio motore (Figura 46).


Cambiate il filtro dell'olio del motore (Figura 47).

Note: Assicuratevi che la guarnizione del filtro dell'olio tocchi il motore e poi ruotate il filtro di altri ¾ di giro.
Versate lentamente circa l'80% dell'olio indicato nel tubo di rifornimento e sempre con cautela rabboccate l'olio necessario per portarlo alla tacca di Full (pieno) (Figura 48).

| Cadenza di manutenzione | Procedura di manutenzione |
|---|---|
| Ogni 100 ore |
|
| Ogni 200 ore |
|
Prima di montare la candela verificate che la distanza tra gli elettrodi centrale e laterale sia corretta. Utilizzate una chiave per candele per rimuovere e installare la(e) candela(e) e un calibro/spessimetro per controllare e regolare la distanza tra gli elettrodi. Se necessario, montate una nuova candela (o nuove candele).
Tipo: Champion RN9YC o NGK BPR6ES
Distanza tra gli elettrodi: 0,76 mm
Disinnestate la PDF e inserite il freno di stazionamento.
Prima di scendere dalla postazione di guida spegnete il motore, togliete la chiave di accensione e attendete che si fermino tutte le parti in movimento.

Note: A causa della profondità della rientranza attorno alla candela, il metodo di pulizia più efficace è l'utilizzo di aria compressa. Per accedere più facilmente alla candela, rimuovete il convogliatore per la pulizia.
Important: Non pulite la(e) candela(e). Sostituite sempre la candela (o candele) in caso di: patina nera sull'isolatore, elettrodi usurati, pellicola d'olio oppure crepe.
Se l'isolatore è marrone chiaro o grigio, il motore funziona correttamente. Una patina nera sull'isolatore significa in genere che il filtro dell'aria è sporco.
Regolate la distanza a 0,76 mm.

Serrate la(e) candela(e) tra 25 e 30 N∙m (tra 19 e 22 ft-lb).

| Cadenza di manutenzione | Procedura di manutenzione |
|---|---|
| Prima di ogni utilizzo o quotidianamente |
|
Prima di ogni utilizzo, pulite la griglia della presa d’aria da eventuale erba o sporcizia.
Disinnestate la PDF e inserite il freno di stazionamento.
Prima di scendere dalla postazione di guida spegnete il motore, togliete la chiave di accensione e attendete che si fermino tutte le parti in movimento.
Rimuovete il filtro dell'aria dal motore.
Togliete il riparo del motore.
Per evitare l'ingresso di detriti nella presa d'aria, montate il filtro dell'aria sulla relativa base.
Rimuovete sporcizia ed erba dagli elementi.
Rimuovete il filtro dell'aria e montate il riparo del motore.
Montate il filtro dell'aria.
| Cadenza di manutenzione | Procedura di manutenzione |
|---|---|
| Ogni 50 ore |
|
I componenti caldi del sistema di scarico potrebbero incendiare i vapori di benzina anche dopo lo spegnimento del motore. Particelle calde espulse durante il funzionamento del motore possono fare incendiare materiali infiammabili. Un incendio può causare danni alle persone o alle cose.
Non effettuate il rifornimento o non avviate il motore finché il parascintille non sarà installato.
Arrestate il motore, aspettate che tutte le parti in movimento si siano fermate e togliete la chiave. Inserite il freno di stazionamento.
Aspettate che la marmitta si raffreddi.
In caso di rotture della griglia o delle saldature, sostituite il parascintille.
Se la griglia è intasata, rimuovete il parascintille e scuotete le particelle sciolte per eliminarle, pulite quindi la griglia con una spazzola metallica (se necessario immergetela nel solvente). Installate il parascintille sull'uscita di scarico.
| Cadenza di manutenzione | Procedura di manutenzione |
|---|---|
| Ogni 500 ore |
|
Arrestate il motore, aspettate che tutte le parti in movimento si siano fermate e togliete la chiave. Inserite il freno di stazionamento.
Rimuovete il filtro dal tubo di sfiato.
Inserite il nuovo filtro all'estremità del tubo di sfiato.
| Cadenza di manutenzione | Procedura di manutenzione |
|---|---|
| Ogni 500 ore |
|
Important: Installate i tubi del carburante e fissateli con fascette in plastica come erano montati in origine per mantenere il tubo di alimentazione lontano dai componenti che potrebbero danneggiarlo.
Il filtro del carburante è situato vicino al motore sul lato anteriore sinistro del motore.
Disinnestate il comando delle lame (PDF), spostate le leve di controllo del movimento in posizione di BLOCCO IN FOLLE e inserite il freno di stazionamento.
Prima di scendere dalla postazione di guida spegnete il motore, togliete la chiave di accensione e attendete che si fermino tutte le parti in movimento.
Lasciate raffreddare la macchina.
Chiudete la valvola d'intercettazione del carburante dietro il sedile (Figura 33).

Aprite la valvola di intercettazione del carburante.
Non cercate di svuotare il serbatoio del carburante. Per lo svuotamento del serbatoio del carburante e la revisione di qualsiasi componente dell'impianto di alimentazione rivolgetevi unicamente a un Centro Assistenza autorizzato.
Scollegate la batteria prima di riparare la macchina. Scollegate prima il morsetto negativo, per ultimo quello positivo. Collegate prima il morsetto positivo, per ultimo quello negativo.
Caricate la batteria in un'area aperta e ben ventilata, lontano da scintille e fiamme. Togliete la spina del caricabatterie prima di collegare o scollegare la batteria. Indossate indumenti di protezione e utilizzate attrezzi isolati.
I poli della batteria, i morsetti e gli accessori attinenti contengono piombo e relativi composti, sostanze chimiche che nello Stato della California sono considerate cancerogene e causa di anomalie della riproduzione. Lavate le mani dopo avere maneggiato questi componenti.
| Cadenza di manutenzione | Procedura di manutenzione |
|---|---|
| Ogni mese |
|
L'elettrolito della batteria contiene acido solforico, veleno mortale che può causare gravi ustioni.
Non bevete l’elettrolito, e non lasciate che venga a contatto con la pelle, gli occhi o gli indumenti. Indossate occhiali di protezione per proteggere gli occhi e guanti di gomma per proteggere le mani.
I morsetti della batteria e gli attrezzi metallici possono creare cortocircuiti contro i componenti metallici e provocare scintille. che possono fare esplodere i gas delle batterie e causare infortuni.
In sede di rimozione o montaggio della batteria, impedite ai morsetti di toccare le parti metalliche della macchina.
Non lasciate che gli attrezzi metallici creino cortocircuiti fra i morsetti della batteria e le parti metalliche della macchina.
In caso di errato percorso dei cavi della batteria, la macchina ed i cavi possono venire danneggiati e causare scintille. che possono fare esplodere i gas delle batterie e causare infortuni.
Scollegate sempre il cavo negativo (nero) della batteria prima di quello positivo (rosso).
Collegate sempre il cavo positivo (rosso) della batteria prima di quello negativo (nero).
Disinnestate il comando delle lame (PDF), spostate le leve di controllo del movimento in posizione di BLOCCO IN FOLLE e inserite il freno di stazionamento.
Prima di scendere dalla postazione di guida spegnete il motore, togliete la chiave di accensione e attendete che si fermino tutte le parti in movimento.
Scollegate il cavo negativo della batteria (nero) dal morsetto negativo (-) della batteria (Figura 53).
Fate scorrere la guaina rossa del morsetto dal morsetto della batteria positivo (rosso) e rimuovete il cavo della batteria positivo (+) (Figura 53).
Rimuovete la fascetta in gomma (Figura 53).
Rimuovete la batteria.


Posizionate la batteria nel vassoio, con i poli in posizione opposta al serbatoio idraulico (Figura 53).
Montate il cavo positivo (rosso) della batteria sul morsetto positivo (+) della batteria.
Montate quindi il cavo negativo (nero) della batteria ed il filo di messa a terra sul morsetto negativo (-) della batteria.
Fissate i cavi con 2 bulloni, 2 rondelle e 2 dadi di bloccaggio (Figura 53).
Infilate la guaina rossa del morsetto sul morsetto positivo (rosso) della batteria.
Fissate la batteria con la fascetta in gomma (Figura 53).
Durante la ricarica della batteria si sviluppano gas esplosivi.
Non fumate mai nelle adiacenze della batteria, e tenete scintille e fiamme lontano dalla batteria.
Important: La batteria deve essere sempre completamente carica (densità specifica 1,265). Questo aspetto è particolarmente importante per non danneggiare la batteria qualora la temperatura scenda sotto 0 ℃.
Caricate la batteria per 10 o 15 minuti a 25–30 A o per 30 minuti a 10 A.
Quando la batteria è completamente carica, staccate il caricabatterie dalla presa elettrica e scollegate i cavi di ricarica dai poli della batteria (Figura 54).
Montate la batteria nella macchina e collegate i cavi; vedere Montaggio della batteria.
Note: Non usate la macchina se la batteria è scollegata, o danneggerete l’impianto elettrico.

L'impianto elettrico è protetto da fusibili, che non necessitano di alcuna manutenzione; tuttavia, nel caso in cui salti un fusibile, dovete controllare che non vi sia un cortocircuito e che i componenti funzionino correttamente.
I fusibili sono posizionati sulla consolle di destra vicino al sedile (Figura 55).
Per sostituire un fusibile, tiratelo ed estraetelo dall'attacco.
Montate un fusibile nuovo (Figura 55).

| Cadenza di manutenzione | Procedura di manutenzione |
|---|---|
| Prima di ogni utilizzo o quotidianamente |
|
Ispezionate la cintura di sicurezza verificando che non presenti segni di usura o tagli e che il riavvolgitore e la fibbia funzionino correttamente. Se la cintura di sicurezza è danneggiata, sostituitela.
| Cadenza di manutenzione | Procedura di manutenzione |
|---|---|
| Prima di ogni utilizzo o quotidianamente |
|
Per evitare lesioni o decesso dovuti a ribaltamento, tenete il roll bar completamente sollevato in posizione di blocco e utilizzate la cintura di sicurezza.
Assicuratevi che il sedile sia fissato alla macchina.
Verificate che la bulloneria di montaggio e le manopole siano in buone condizioni operative.
Assicuratevi che le manopole siano completamente innestate con il roll bar in posizione sollevata.
Note: Può essere necessario spingere avanti o tirare indietro il collare superiore del roll bar per inserire completamente entrambe le manopole (Figura 56 e Figura 57).


Disattivate il comando delle lame (PDF).
Portate la macchina su un'area aperta e pianeggiante e spostate le leve di controllo del movimento in posizione di BLOCCO IN FOLLE.
Portate l'acceleratore al centro tra le posizioni VELOCE e LENTO.
Spostate in avanti entrambe le leve di controllo del movimento fino a che entrambe non giungono al punto di arresto nella fessura a T.
Verificate in che modo procede la macchina.
Se la macchina punta a destra, inserite una chiave esagonale da 3/16" nel foro di accesso del pannello di copertura anteriore destro e ruotate la vite di puntamento in senso orario o antiorario per regolare la corsa della leva (Figura 58).
Se la macchina punta a sinistra, inserite una chiave esagonale da 3/16" nel foro di accesso del pannello di copertura anteriore destro e ruotate la vite di puntamento in senso orario o antiorario per regolare la corsa della leva (Figura 58).
Azionate la macchina e controllate l'intero puntamento avanti.
Ripetete la regolazione fino a ottenere il puntamento desiderato.

| Cadenza di manutenzione | Procedura di manutenzione |
|---|---|
| Ogni 50 ore |
|
Mantenete la pressione dell’aria negli pneumatici anteriori e posteriori a 0,9 bar. La pressione irregolare degli pneumatici può causare un taglio irregolare. Per ottenere valori più attendibili, controllate gli pneumatici a freddo.

Verificate e serrate i dadi ad alette delle ruote a 122–136 N∙m.
| Cadenza di manutenzione | Procedura di manutenzione |
|---|---|
| Prima di ogni utilizzo o quotidianamente |
|
Prima di ogni utilizzo, rimuovete eventuali accumuli di erba, sporco o quant'altro da griglia del motore, scarico del motore e area attorno al motore stesso. In questo modo garantirete un'adeguata ventilazione e una corretta velocità del motore e ridurrete la possibilità di surriscaldamento e danni meccanici al motore.
| Cadenza di manutenzione | Procedura di manutenzione |
|---|---|
| Ogni 500 ore |
|
Note: Seguite attentamente la procedura in caso di rimozione o sostituzione di un componente del freno.
Guidate la macchina su terreno pianeggiante.
Disinnestate il comando delle lame (PDF), spostate le leve di controllo del movimento in posizione di BLOCCO IN FOLLE e inserite il freno di stazionamento.
Prima di scendere dalla postazione di guida spegnete il motore, togliete la chiave di accensione e attendete che si fermino tutte le parti in movimento.
Impostate la macchina per la spinta manuale. Vedere Utilizzo delle valvole di rilascio delle ruote motrici.
Sollevate la parte posteriore della macchina e sostenetela su cavalletti.
Potrebbe essere pericoloso sollevare la macchina per manutenzione o riparazione facendo affidamento unicamente su martinetti idraulici o meccanici. Queste potrebbero non essere sufficienti per sostenere la macchina o potrebbero non funzionare correttamente, facendo cadere la macchina e provocando conseguenti infortuni.
Non utilizzate unicamente binde meccaniche o idrauliche per sollevare la macchina. Utilizzate cavalletti idonei o supporti equivalenti.
Inserite o disinserite il freno di riparazione e controllate ogni pneumatico di trazione per accertare che ogni freno si inserisca e si disinserisca.
Per eventuali regolazioni, disinnestate il freno di stazionamento. Rimuovete la coppiglia dall'albero di collegamento del freno (Figura 60).

Controllate entrambe le lunghezze della molla come mostrato in Figura 61 Qualora si renda necessaria una regolazione, ruotate il dado superiore in senso orario per accorciare la molla e in senso antiorario per allungarla.

Spingete la leva del freno di stazionamento completamente in avanti e in basso.
Ruotate l'albero di collegamento del freno in modo che l'estremità sia allineata con il foro nella leva.
Accorciate il collegamento ruotando in senso orario.
Allungate il collegamento ruotando in senso antiorario.
Inserite l'albero di collegamento del freno nel foro del freno di stazionamento e fissate con la coppiglia. Ripetete lo step 6 ed eventualmente regolate.
Completata la regolazione, rimuovete i cavalletti o i supporti equivalenti e abbassate la macchina.
Posizionate la macchina in posizione di FUNZIONAMENTO . Vedere Utilizzo delle valvole di rilascio delle ruote motrici.
| Cadenza di manutenzione | Procedura di manutenzione |
|---|---|
| Ogni 50 ore |
|
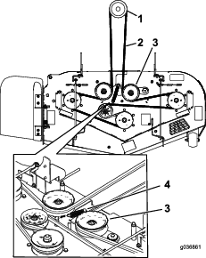
Se la cinghia è usurata, sostituitela. I segni di una cinghia usurata includono stridio durante la rotazione della cinghia, slittamento delle lame durante il taglio dell’erba, bordi sfilacciati, segni di bruciatura e spaccature sulla cinghia.
Disinnestate il comando delle lame (PDF), spostate le leve di controllo del movimento in posizione di BLOCCO IN FOLLE e inserite il freno di stazionamento.
Prima di scendere dalla postazione di guida spegnete il motore, togliete la chiave di accensione e attendete che si fermino tutte le parti in movimento.
Abbassate il tosaerba all’altezza di taglio di 76 mm.
Allentate il bullone su ogni copricinghia.
Allentate il bullone inferiore che fissa la cortina della scocca del tosaerba alla scocca stessa; fate riferimento a Rilascio della cortina del piatto di taglio.
Rimuovete la protezione in lamiera; fate riferimento a Rimozione della protezione in lamiera
Rimuovete i copricinghia e i relativi bulloni (Figura 62).

Rimuovete la tensione della molla dalla puleggia di rinvio caricata a molla. Vedere Figura 64.
Note: Utilizzate lo strumento di rimozione della molla (n. cat. Toro 92–5771) per rimuovere la molla dal perno della scocca del tosaerba (Figura 64).
Rimuovete la cinghia dalle pulegge della scocca del tosaerba e dalla puleggia della frizione.
Montate la nuova cinghia attorno alle pulegge del tosaerba e alla puleggia della frizione, sotto il motore (Figura 63 ).


Installate la molla di rinvio (Figura 63 ).
Note: Verificate di inserire le estremità delle molle nelle scanalature di ancoraggio.
Montate i copricinghia e i relativi bulloni (Figura 65).

Allentate il bullone inferiore che fissa la cortina della scocca del tosaerba alla scocca stessa; fate riferimento a Rilascio della cortina del piatto di taglio.
Rimuovete la protezione in lamiera; fate riferimento a Rimozione della protezione in lamiera
Disinnestate l’interruttore di comando delle lame (PDF) e innestate il freno di stazionamento.
Prima di scendere dalla postazione di guida spegnete il motore, togliete la chiave di accensione e attendete che si fermino tutte le parti in movimento.
Rimuovete la cinghia del tosaerba; vedere Sostituzione della cinghia del tosaerba per scocche del tosaerba a scarico laterale.
Sollevate la macchina e sostenetela su cavalletti (Figura 67).
Togliete l'arresto della frizione (Figura 66).

Staccate la molla di tensione dal perno di ancoraggio (Figura 67).
Rimuovete la cinghia esistente dalle pulegge di azionamento della pompa idraulica e dalla puleggia del motore.
Installate la nuova cinghia attorno alla puleggia del motore e alle 2 pulegge della pompa idraulica (Figura 67).

Montate l'arresto della frizione (Figura 66).
Installate la cinghia del tosaerba; vedere Manutenzione della cinghia.
Disinnestate il comando delle lame (PDF), spostate le leve di controllo del movimento in posizione di BLOCCO IN FOLLE e inserite il freno di stazionamento.
Prima di scendere dalla postazione di guida spegnete il motore, togliete la chiave di accensione e attendete che si fermino tutte le parti in movimento.
Regolazione dell'altezza:
Per un comfort ottimale, è possibile regolare le leve di controllo del movimento più in alto o più in basso.
Rimuovete la ferramenta che fissa la leva di controllo all'albero del braccio di controllo.

Spostate la leva di comando nella serie di fori successiva. Fissate la leva con la ferramenta.
Ripetete la regolazione sulla leva di comando opposta.
Regolazione dell'inclinazione
Allentate il bullone superiore che fissa la leva di controllo all'albero del braccio di controllo.
Allentate il bullone inferiore appena a sufficienza per ruotare la leva di controllo in avanti o all'indietro. Serrate entrambi i bulloni per fissare il controllo nella nuova posizione.
Ripetete la regolazione sulla leva di comando opposta.

Se le estremità delle leve sono a contatto, vedere Regolazione della tiranteria di controllo del movimento.
I collegamenti di controllo pompa sono situati su un lato della macchina sotto il sedile. Ruotate il dado dell'estremità con una chiave a tubo di profondità di ½ pollice per regolare la messa a punto in modo che la macchina non si sposti in folle. Qualsiasi regolazione dovrà essere eseguita unicamente per il posizionamento in folle.
Il motore deve essere in funzione e le ruote motrici devono girare per consentire le regolazioni. Il contatto con parti in movimento o superfici calde può causare infortuni.
Tenete dita, mani e abiti lontano dalle parti rotanti e dalle superfici calde.
Prima di avviare il motore, premete il pedale del piatto di taglio e togliete il perno dell'altezza di taglio. Abbassate il piatto a terra.
Sollevate la parte posteriore della macchina e sostenetela con i cavalletti (o supporti equivalenti) a un'altezza sufficiente a consentire alle ruote motrici di ruotare liberamente.
Togliete il connettore elettrico dall'interruttore di sicurezza del sedile, posto sotto il cuscino inferiore del sedile stesso.
Note: L'interruttore fa parte del gruppo del sedile.
Installate temporaneamente un ponticello attraverso i morsetti nel connettore del cablaggio principale.
Avviate il motore. Azionate il motore al massimo e disinserite il freno di stazionamento.
Note: Accertate che il freno di stazionamento sia inserito e che le leve di controllo del movimento siano estratte per avviare il motore. Non dovete essere sul sedile.
Fate funzionare la macchina almeno 5 minuti con le leve di azionamento a velocità di avanzamento massima per portare il fluido idraulico alla temperatura operativa.
Note: La leva di controllo del movimento deve essere in folle durante l'esecuzione di qualsiasi regolazione necessaria.
Portate le leve di controllo del movimento in posizione di FOLLE.
Controllate e accertate che le alette della piastra di controllo siano a contatto con le piastre di ritorno in folle sulle unità idrauliche.
Regolate le lunghezze delle aste di controllo pompa ruotando il dado nella direzione idonea in modo che le ruote si spostino leggermente in retromarcia (vedere Figura 70).
Spostate le leve di controllo del movimento in posizione di INVERSIONE e, applicando una leggera pressione alla leva, lasciate che le molle dell'indicatore di inversione riportino le leve in folle.
Note: Le ruote non devono più girare o spostarsi leggermente indietro.
Note: Può essere necessario rimuovere la copertura del controllo del movimento per acquisire l'accesso.

Spegnete la macchina.
Togliete il ponticello dal connettore del cablaggio preassemblato ed inserite il connettore nell'interruttore del sedile.
Togliete i cavalletti metallici.
Sollevate il piatto del tosaerba e installate il perno dell'altezza di taglio.
Controllate e accertate che la macchina non si sposti in folle con il freno di stazionamento disinserito.
Verificate che tutti i tubi e i flessibili dell'olio idraulico siano in buone condizioni e che tutte le connessioni e i raccordi idraulici siano saldamente serrati, prima di mettere l'impianto sotto pressione.
Tenete corpo e mani lontano da perdite filiformi o da ugelli che eiettano fluido idraulico pressurizzato.
Usate cartone o carta per cercare perdite di fluido idraulico.
Eliminate con sicurezza la pressione dall'intero impianto idraulico prima di eseguire qualsiasi intervento sull'impianto.
Se il fluido viene iniettato nella pelle, rivolgetevi immediatamente ad un medico. Il fluido idraulico penetrato sotto la pelle deve essere asportato da un medico entro poche ore.
Tipo di fluido idraulico: fluido idraulico Toro® HYPR-OIL™ 500 (preferibile) od olio Mobil 1 15W-50.
Important: Usate il fluido indicato. Altri fluidi possono danneggiare l'impianto.
Capacità del sistema idraulico (con filtri rimossi): 4,45 l (150 oz)
| Cadenza di manutenzione | Procedura di manutenzione |
|---|---|
| Prima di ogni utilizzo o quotidianamente |
|
Lasciate raffreddare il fluido idraulico. Controllate il livello quando l'olio è freddo.
Controllate il serbatoio di espansione ed eventualmente aggiungete fluido idraulico Toro® HYPR-OIL™ 500 alla linea FULL COLD.

| Cadenza di manutenzione | Procedura di manutenzione |
|---|---|
| Dopo le prime 75 ore |
|
| Ogni 250 ore |
|
| Ogni 500 ore |
|
Sostituite filtri e olio contemporaneamente. Non riutilizzate l'olio. Scaricate l'aria nel sistema dopo avere installato i filtri nuovi e aggiunto l'olio. Vedere Spurgo dell'impianto idraulico.
Ripetete il processo di spurgo in modo che l'olio resti alla linea FULL COLD nel serbatoio dopo lo spurgo. L'esecuzione scorretta di questa procedura può causare danni irreversibili al sistema della trasmissione.
Spegnete il motore, attendete che tutte le parti in movimento si siano fermate, lasciate raffreddare il motore, estraete la chiave e innestate il freno di stazionamento.
Individuate il filtro e le protezioni su ogni sistema di trasmissione (Figura 72).
Rimuovete le 3 viti con cui è fissata la protezione del filtro (Figura 72).

Pulite attentamente l’area attorno ai filtri.
Important: Non fate entrare sporcizia nell'impianto idraulico poiché potrebbe contaminarsi.
Posizionate un recipiente di spurgo sotto il filtro per raccogliere l'olio che fluisce quando il filtro e i tappi di sfiato vengono rimossi.
Individuate e rimuovete il tappo di sfiato da ogni trasmissione
Svitate il filtro per rimuoverlo e drenate l'olio dal sistema di azionamento.
Ripetete questa operazione per entrambi i filtri.
Applicate un leggero strato d'olio sulla superficie della guarnizione in gomma di ogni filtro.
Ruotate il filtro in senso orario fino a quando la guarnizione in gomma non viene a contatto con l’adattatore, quindi serrate il filtro di ¾ di giro o di 1 giro completo.
Ripetete per il filtro opposto.
Montate la protezione, precedentemente rimossa, su ogni filtro.
Fissate le protezioni dei filtri con le 3 viti.
Prima di aggiungere l'olio, verificate che i tappi di sfiato siano stati rimossi.
Versate lentamente l'olio specifico nel serbatoio di espansione fino a quando non esce da uno dei fori dei tappi di sfiato.
Installate il tappo di sfiato.
Serrate la candela a 20 N∙m.
Continuate ad aggiungere l'olio nel serbatoio di espansione fino a quando non esce dal foro del tappo di sfiato restante sulla seconda trasmissione.
Installate il tappo di sfiato opposto.
Serrate la candela a 20 N∙m.
Continuate ad aggiungere olio attraverso il serbatoio di espansione fino a raggiungere la linea FULL COLD sul serbatoio di espansione.
Passate a Spurgo dell'impianto idraulico.
Important: La mancata esecuzione della procedura di Spurgo dell'impianto idraulico dopo la sostituzione dei filtri e dell'olio può causare danni irreversibili al sistema di trasmissione.

Sollevate la parte posteriore della macchina e sostenetela con cavalletti (o supporti equivalenti) a un'altezza sufficiente da consentire alle ruote motrici di girare liberamente.

Avviate il motore e spostate in avanti il comando dell’acceleratore in posizione media e disinnestate il freno di stazionamento.
Spostate le leve bypass nella posizione di spinta della macchina. Con la valvola di by-pass aperta e il motore in funzione, spostate lentamente le leve di controllo del movimento avanti e indietro 5 o 6 volte.
Spostate le leve by-pass nella posizione di funzionamento della macchina.
Con la valvola di by-pass chiusa e il motore in funzione, spostate lentamente le leve di controllo del movimento avanti e indietro 5 o 6 volte.
Spegnete il motore e controllate il livello dell'olio del serbatoio di espansione. Aggiungete olio fino a raggiungere la linea FULL COLD sul serbatoio di espansione.
Ripetete il punto 2 fino a eliminare completamente l’aria dall’impianto.
Note: Quando l’asse transaxle funziona a livelli di rumorosità normali, si sposta liberamente avanti e indietro a velocità normali, allora è svuotato.
Controllate un'ultima volta il livello dell'olio nel serbatoio di espansione. Aggiungete l'olio specificato fino a raggiungere la linea FULL COLD sul serbatoio di espansione.
Parcheggiate il tosaerba su terreno piano.
Disinnestate il comando delle lame (PDF), spostate le leve di controllo del movimento in posizione di BLOCCO IN FOLLE e inserite il freno di stazionamento.
Prima di scendere dalla postazione di guida spegnete il motore, togliete la chiave di accensione e attendete che si fermino tutte le parti in movimento.
Controllate la pressione degli pneumatici delle ruote motrici. Vedere Controllo della pressione degli pneumatici.
Posizionate il piatto del tosaerba in posizione di blocco di trasporto.
Ruotate con cautela le lame da un lato all'altro.
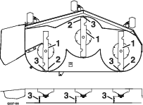
Misurate tra la punta della lama e la superficie piana (Figura 75). Se entrambe le misurazioni non rientrano nei 5 mm, regolate il livellamento; continuate la procedura.

Controllate il livello della lama in direzione longitudinale (Figura 76). Accertate che la punta della lama anteriore sia più bassa della punta della lama posteriore mostrata nella tabella dell'angolo di spoglia e dell'altezza del blocco. Per eventuali regolazioni, continuate la procedura.

Impostate i rulli anti-strappo sui fori superiori o rimuoveteli completamente per questa regolazione.
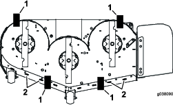
Posizionate i 2 blocchi (vedere la tabella dell'angolo di spoglia e dell'altezza del blocco) sotto il bordo posteriore della falda del piatto di taglio; 1 su ogni lato del piatto di taglio (Figura 77).
Regolate la leva dell’altezza di taglio sulla posizione di 76 mm.
Posizionate i 2 blocchi sotto ogni lato del bordo anteriore del piatto, ma non sotto le staffe o le saldature del rullo anti-strappo.

| Dimensione del piatto | Altezza del blocco anteriore | Angolo di spoglia |
| Tutti i piatti di taglio | 7,3 cm | 4,8–6,4 mm |
Ruotate con cautela le lame da un lato all’altro (Figura 75).
Allentate i controdadi (Figura 78) sui 4 spigoli e accertate che il piatto di taglio sia posizionato in sicurezza sui 4 blocchi.
Eliminate l'eventuale imbando dalle staffe del piatto e accertate che la leva a pedale di sollevamento del piatto sia spinta contro il fermo.
Serrate i 4 controdadi.

Controllate che i blocchi si inseriscano perfettamente sotto la falda del piatto di taglio e che i bulloni di fissaggio siano serrati.
Continuate a livellare il piatto controllando l'inclinazione longitudinale della lama.
Controllate il livellamento delle lame ed eventualmente ripetete la procedura di livellamento del piatto.
Per garantire una qualità del taglio superiore, mantenete le lame affilate. Per agevolare l'affilatura e la sostituzione si consiglia di tenere una scorta di lame di ricambio.
Le lame consumate o danneggiate possono spezzarsi e scagliare frammenti verso di voi o gli astanti, causando gravi ferite o anche la morte. Non cercate di riparare le lame danneggiate, in quanto potreste annullare la certificazione di sicurezza del prodotto.
Controllate le lame ad intervalli regolari, per accertare che non siano consumate o danneggiate.
Prestate la massima attenzione quando controllate le lame. Durante gli interventi di manutenzione, avvolgete le lame o indossate guanti adatti allo scopo e fate attenzione. Sostituite o affilate solo le lame; non raddrizzatele né saldatele.
Su macchine multilama, ricordate che la rotazione di 1 lama può provocare la rotazione anche di altre lame.
Parcheggiate la macchina su una superficie pianeggiante, disinnestate l'interruttore di comando delle lame (PDF) e inserite il freno di stazionamento.
Spegnete il motore, togliete la chiave e scollegate i cappellotti dalle candele.
| Cadenza di manutenzione | Procedura di manutenzione |
|---|---|
| Prima di ogni utilizzo o quotidianamente |
|
Controllate i taglienti (Figura 79).
Se i taglienti non sono affilati o presentano intaccature, togliete la lama ed affilatela; vedere Affilatura delle lame.
Controllate le lame, in particolare l'area curva.
Se notate incrinature, usura o scanalature in questa zona, montate immediatamente una nuova lama (Figura 79).

Disinnestate il comando delle lame (PDF), spostate le leve di controllo del movimento in posizione di BLOCCO IN FOLLE e inserite il freno di stazionamento.
Prima di scendere dalla postazione di guida spegnete il motore, togliete la chiave di accensione e attendete che si fermino tutte le parti in movimento.
Girate le lame fino a disporle in parallelo con la lunghezza della macchina.
Misurate da un piano orizzontale fino al tagliente delle lame, posizione A, (Figura 80).

Girate in avanti le estremità opposte delle lame.
Misurate da un piano orizzontale fino al tagliente delle lame, nella medesima posizione riportata alla precedente voce 4.
Note: La differenza tra le misure rilevate alle voci 4 e 6 non deve superare i 3 mm.
Note: Se la differenza supera 3 mm, la lama è curva e dev'essere sostituita.
Una lama curva o danneggiata può spezzarsi e ferire gravemente o uccidere voi o gli astanti.
Sostituite sempre con una lama nuova le lame curve o danneggiate.
Non limate la lama e non create intaccature aguzze sul tagliente o sulla superficie della lama.
Sostituite le lame se colpiscono un corpo solido, se sono sbilanciate o curve. Per ottenere prestazioni ottimali e mantenere la macchina in conformità alle norme di sicurezza, utilizzate lame di ricambio originali Toro. Le lame di ricambio di altre marche possono annullare la conformità alle norme di sicurezza.
Tenete l'albero del mandrino con una chiave.
Togliete il bullone, la rondella curva e la lama dall'asse del fusello (Figura 81).

Affilate i taglienti da entrambe le estremità della lama con una lima (Figura 82).
Note: Rispettate l’angolazione originale.
Note: La lama conserva il proprio equilibrio soltanto se viene rimossa una quantità uguale di materiale da entrambi i taglienti.

Controllate l’equilibrio della lama posizionandola su un bilanciatore (Figura 83).
Note: Se la lama rimane in posizione orizzontale, è bilanciata e può essere utilizzata.
Note: Se la lama non è bilanciata, limate del metallo soltanto dalla costa (Figura 82).

Ripetete la procedura finché la lama non è perfettamente bilanciata.
Montate la lama sull’asse del fusello (Figura 84).
Important: Perché tagli correttamente, il lato curvo della lama deve essere rivolto in alto, verso l'interno del tosaerba.
Montate il disco elastico e il bullone della lama (Figura 84).
Note: Il cono del disco elastico deve essere rivolto verso la testa del bullone (Figura 84).
Serrate il bullone della lama tra 115 e 149 N∙m.

Arrestate il motore, aspettate che tutte le parti in movimento si siano fermate e togliete la chiave. Inserite il freno di stazionamento.
Rimuovete il perno di regolazione dell'altezza e abbassate il piatto di taglio a terra.
Inserite il perno di regolazione dell'altezza posizionando l'altezza di taglio a 7,6 cm.
Togliete i copricinghia.
Allentate il rinvio del piatto del tosaerba e rimuovete la cinghia del tosaerba; fate riferimento a Manutenzione della cinghia.
Rimuovete dadi e bulloni dalla parte anteriore della piastra sotto il poggiapiedi.
Rimuovete e conservate dadi e bulloni su ambo i lati della macchina (Figura 85).

Fate scorrere il piatto di taglio sul lato destro della macchina.
Lasciando scoperta l’apertura di scarico si permette al tosaerba di scagliare oggetti in direzione dell’operatore o di astanti, causando gravi lesioni; è inoltre possibile venire a contatto con la lama.
Non utilizzate il tosaerba se non avete montato una piastra di copertura, una piastra di mulching, un deflettore dello sfalcio o un cesto di raccolta.
Togliete il dado di bloccaggio, il bullone, la molla e il distanziale che fissano il deflettore alle staffe orientabili del tosaerba (Figura 86).
Togliete il deflettore di sfalcio se è danneggiato o consumato (Figura 86).

Inserite il distanziale e la molla sul deflettore di sfalcio.
Collocate un’estremità a gancio J della molla dietro il bordo della scocca.
Note: Verificate che un'estremità a gancio J della molla si trovi dietro il bordo del piatto di taglio prima di montare il bullone, come illustrato nella Figura 86.
Montate il bullone e il dado.
Infilate l'estremità a gancio J della molla attorno al deflettore dello sfalcio (Figura 86).
Important: Il deflettore dello sfalcio deve essere in grado di girare. Sollevate il deflettore fino alla posizione completamente aperta e controllate che ruoti fino alla posizione completamente ribassata.
| Cadenza di manutenzione | Procedura di manutenzione |
|---|---|
| Prima di ogni utilizzo o quotidianamente |
|
Disinnestate il comando delle lame (PDF), spostate le leve di controllo del movimento in posizione di BLOCCO IN FOLLE e inserite il freno di stazionamento.
Prima di scendere dalla postazione di guida spegnete il motore, togliete la chiave di accensione e attendete che si fermino tutte le parti in movimento.
Alzate il tosaerba in posizione di trasporto.
L'olio motore, le batterie, l'olio idraulico ed il refrigerante del motore inquinano l'ambiente. Smaltiteli nel pieno rispetto dei regolamenti del vostro stato e regionali.
Disinnestate l'interruttore di comando delle lame (PDF), innestate il freno di stazionamento, girate la chiave di accensione in posizione di SPEGNIMENTO e togliete la chiave.
Eliminate residui d'erba, morchia e fanghiglia dalle parti esterne della macchina (in particolare dal motore e dall'impianto idraulico). Eliminate morchia e sporcizia dall’esterno delle alette della testata del motore e dal convogliatore.
Important: La macchina può essere lavata con detersivo neutro ed acqua. Non lavate a pressione la macchina Non utilizzate una quantità d’acqua eccessiva, in particolare in prossimità della plancia, del motore, delle pompe idrauliche e dei motori.
Controllate il freno; vedere Regolazione del freno di stazionamento.
Revisionate il filtro dell'aria; vedere Revisione del filtro dell’aria.
Ingrassate la macchina; vedere Ingrassaggio della macchina.
Cambiate l’olio del carter; vedere Cambio dell'olio motore e del filtro.
Controllate la pressione degli pneumatici; vedere Controllo della pressione degli pneumatici.
Cambiate i filtri idraulici; vedere Sostituzione di fluido e filtri del sistema idraulico.
Cambiate la batteria; vedere Ricarica della batteria.
Raschiate i depositi di erba e morchia dal sottoscocca, quindi lavate il tosaerba con un flessibile da giardino.
Note: Azionate la macchina con l'interruttore di comando delle lame (PDF) inserito e il motore alla minima superiore per 2–5 minuti dopo il lavaggio.
Controllate le condizioni delle lame; vedere Controllo delle lame.
Preparate la macchina per il rimessaggio in caso di pause di utilizzo superiori a 30 giorni. Preparate la macchina per il rimessaggio come segue.
Aggiungete un additivo/stabilizzatore a base di petrolio al carburante nel serbatoio; osservate le istruzioni per la miscelazione riportate dal produttore dello stabilizzatore. Non utilizzate stabilizzatori a base di alcool (etanolo o metanolo).
Note: Lo stabilizzatore/additivo del carburante è più efficace se viene utilizzato sempre, insieme a carburante fresco.
Azionate il motore per distribuire il carburante condizionato nell’impianto di alimentazione (5 minuti).
Spegnete il motore, lasciatelo raffreddare e scaricate il serbatoio del carburante; contattate un rivenditore autorizzato Toro.
Avviate il motore e fatelo girare finché non si spegne.
Smaltite il carburante nel rispetto dell'ambiente. Riciclatelo in conformità alle leggi locali.
Important: Non conservate il carburante stabilizzato/condizionato per più di 90 giorni.
Controllate e serrate tutti i bulloni, i dadi e le viti. Riparate o sostituite le parti danneggiate.
Ritoccate tutti i graffi e le superfici metalliche sverniciate. La vernice può essere ordinata al Centro di Assistenza autorizzato di zona.
Riponete la macchina in una rimessa o in un deposito pulito ed asciutto.
Togliete la chiave di accensione e riponetela fuori della portata dei bambini e delle persone non autorizzate all’uso.
Coprite la macchina con un telo per proteggerla e mantenerla pulita.
| Problem | Possible Cause | Corrective Action |
|---|---|---|
| Il motorino di avviamento non si avvia. |
|
|
| Il motore non si avvia, ha difficoltà di avviamento o perde potenza. |
|
|
| Il motore perde potenza. |
|
|
| Il motore si surriscalda. |
|
|
| Il tosaerba tira verso destra o sinistra (con le leve completamente avanti). |
|
|
| La trazione non funziona. |
|
|
| La macchina inizia a vibrare in modo insolito. |
|
|
| La macchina genera un'altezza di taglio non uniforme. |
|
|
| Le lame non girano. |
|
|
| La frizione non si innesta. |
|
|
