| Intervalo de mantenimiento y servicio | Procedimiento de mantenimiento |
|---|---|
| Cada vez que se utilice o diariamente |
|
Este cortacésped con conductor de cuchillas rotativas está diseñado para ser usado por usuarios domésticos o por operadores profesionales contratados. Está diseñado principalmente para segar césped bien mantenido en zonas verdes residenciales o comerciales. No está diseñado para cortar maleza o para aplicaciones agrícolas.
Lea este manual detenidamente para aprender a utilizar y mantener correctamente su producto, y para evitar lesiones y daños al producto. Usted es responsable de utilizar el producto de forma correcta y segura.
Puede ponerse en contacto con Toro directamente en www.Toro.com si desea materiales de formación y seguridad o información sobre accesorios, para localizar un distribuidor o para registrar su producto.
Cuando necesite asistencia técnica, piezas genuinas Toro o información adicional, póngase en contacto con un Servicio Técnico Autorizado o con Asistencia al Cliente de Toro, y tenga a mano los números de modelo y serie de su producto. Figura 1 identifica la ubicación de los números de modelo y serie en el producto. Escriba los números en el espacio provisto.

Este manual identifica peligros potenciales y contiene mensajes de seguridad identificados por el símbolo de alerta de seguridad (Figura 2), que señala un peligro que puede causar lesiones graves o la muerte si usted no sigue las precauciones recomendadas.

Este manual utiliza 2 palabras más para resaltar información. Importante llama la atención sobre información mecánica especial, y Nota resalta información general que merece una atención especial.
Este producto cumple todas las directivas europeas aplicables; si desea más detalles, consulte la Declaración de Conformidad (Declaration of Conformity – DOC) de cada producto.
Este sistema de encendido por chispa cumple la norma canadiense ICES-002.
La retirada de piezas originales de serie del equipo puede afectar a la garantía, la tracción y la seguridad de la máquina. El no utilizar piezas originales Toro puede causar lesiones graves o la muerte. Los cambios no autorizados en el motor, el sistema de combustible o el sistema de ventilación pueden infringir las normativas.
Sustituya todas las piezas, incluyendo pero sin limitarse a neumáticos, correas, cuchillas y componentes del sistema de combustible, con piezas originales Toro.
Important: Si se utiliza una máquina con motor Toro a una altitud superior a 1500 m durante un periodo de tiempo prolongado, asegúrese de instalar el Kit de gran altitud para que la máquina cumpla las normas de emisiones de EPA/CARB. El Kit de gran altitud mejora las prestaciones del motor y evita el ensuciamiento de las bujías, las dificultades en el arranque, y el incremento de las emisiones. Después de instalar el kit, aplique la pegatina de gran altitud junto a la pegatina que lleva el número de serie de la máquina. Póngase en contacto con cualquier Servicio Técnico Autorizado Toro para adquirir el Kit de gran altitud y la pegatina de gran altitud correctos para su máquina. Para localizar un distribuidor cerca de usted, visite nuestra página web www.toro.com o póngase en contacto con el Departamento de Asistencia al Cliente Toro usando el número que figura en su Declaración de garantía de control de emisiones.Retire el kit del motor y restablezca la configuración original de fábrica antes de utilizar el motor por debajo de los 1500 m. No haga funcionar un motor convertido para gran altitud a altitudes menores; si lo hace, podría sobrecalentar y dañar el motor.Si no está seguro de si la máquina ha sido convertida para funcionar a gran altitud, busque la pegatina siguiente (Figura 3).

Esta máquina ha sido diseñada con arreglo a lo estipulado en la norma EN ISO 5395:2013.
Este producto es capaz de amputar manos y pies y de lanzar objetos al aire. Siga siempre todas las instrucciones de seguridad con el fin de evitar lesiones personales graves.
El uso de este producto para otros propósitos que los previstos podría ser peligroso para usted y para otras personas.
Lea y comprenda el contenido de este manual del operador antes de arrancar el motor. Asegúrese de que todas las personas que utilicen el producto saben cómo hacerlo y comprenden las advertencias.
No coloque las manos o los pies cerca de componentes en movimiento de la máquina.
No utilice la máquina a menos que tenga instalados y estén en funcionamiento todos los protectores y otros dispositivos de seguridad.
Manténgase alejado de cualquier apertura de descarga. Mantenga a otras personas a una distancia prudencial de la máquina.
Mantenga alejados a los niños de la zona de trabajo. Nunca permita a los niños utilizar la máquina.
Detenga la máquina y apague el motor antes de realizar tareas de mantenimiento, repostar o desatascar la máquina.
El uso o mantenimiento incorrecto de esta máquina puede causar lesiones. Para reducir el peligro de lesiones, cumpla estas instrucciones de seguridad y preste atención siempre al símbolo de alerta de seguridad, que significa Cuidado, Advertencia o Peligro – instrucción relativa a la seguridad personal. El incumplimiento de estas instrucciones puede dar lugar a lesiones personales o la muerte.
Puede encontrar información adicional sobre seguridad en sus respectivas secciones a lo largo de este manual.

![]() |
Las pegatinas de seguridad e instrucciones están a la vista del operador y están ubicadas cerca de cualquier zona de peligro potencial. Sustituya cualquier pegatina que esté dañada o que falte. |



























Familiarícese con todos los controles antes de poner en marcha el motor y trabajar con la máquina (Figura 5 y Figura 6).

Este interruptor se utiliza para arrancar el motor del cortacésped. Tiene tres posiciones: ARRANQUE, MARCHA y DESCONECTADO.
Utilice el estárter para poner en marcha un motor frío. Tire del mando del estárter hacia arriba para activarlo. Presione el pomo del estárter hacia abajo para desactivarlo (Figura 6).
El acelerador controla la velocidad del motor y tiene un ajuste variable continuo de LENTO a RáPIDO (Figura 6).
El mando de control de las cuchillas (TDF) engrana y desengrana la transmisión de potencia a las cuchillas del cortacésped (Figura 6).
El contador de horas registra el número de horas de operación de la máquina. Funciona cuando el motor está en marcha. Utilice el recuento de horas para programar el mantenimiento regular (Figura 6).
Hay una serie de símbolos en el contador de horas que indican con un triángulo negro si el componente de seguridad está en la posición correcta (Figura 7).
Si se gira la llave de contacto a la posición de CONECTADO durante unos segundos, se mostrará el voltaje de la batería en la zona en que normalmente se muestra el contador de horas.
La luz de la batería se enciende al accionarse la llave de contacto, y cuando la carga está por debajo del nivel correcto de operación (Figura 7).

Utilice las palancas de control de movimiento para conducir la máquina hacia adelante y hacia atrás y para girar en ambos sentidos.
La posición de BLOQUEO/PUNTO MUERTO se utiliza junto con el sistema de interruptores de seguridad para determinar la posición de PUNTO MUERTO.
Cierre la válvula de cierre de combustible (detrás del asiento) antes de transportar o almacenar el cortacésped.
Está disponible una selección de aperos y accesorios homologados por Toro que se pueden utilizar con la máquina a fin de potenciar y aumentar sus prestaciones. Póngase en contacto con su Servicio Técnico Autorizado o visite www.Toro.com para obtener una lista de todos los accesorios y aperos homologados.
Note: Las especificaciones y diseños están sujetos a modificación sin previo aviso.
| Carcasa de corte de 122 cm | Carcasa de corte de 132 cm | |
|---|---|---|
| Sin carcasa de corte | 121 cm | 124 cm |
| Deflector elevado | 133 cm | 144 cm |
| Deflector bajado | 160 cm | 171 cm |
| Carcasa de corte de 122 cm | Carcasa de corte de 132 cm | |
|---|---|---|
| Longitud | 208 cm | 208 cm |
| Barra antivuelco – elevada | Barra antivuelco – bajada |
|---|---|
| 179 cm | 125 cm |
| Máquinas | Peso |
| Máquinas de descarga lateral de 122 cm | 385 – 425 kg |
| Máquinas de descarga lateral de 132 cm | 391 – 434 kg |
Note: Los lados derecho e izquierdo de la máquina se determinan desde la posición normal del operador.
No deje nunca que la máquina sea utilizada o mantenida por niños o por personas que no hayan recibido la formación adecuada al respecto. La normativa local puede imponer límites sobre la edad del operador. El propietario es responsable de proporcionar formación a todos los operadores y mecánicos.
Familiarícese con la operación segura del equipo, los controles del operador y las señales de seguridad.
Sepa cómo parar rápidamente la máquina y el motor.
Compruebe que los controles de presencia del operador, los interruptores de seguridad y los protectores están instalados y que funcionan correctamente. No utilice la máquina si no funcionan correctamente.
Antes de segar, inspeccione siempre la máquina para asegurarse de que las cuchillas, los pernos de las cuchillas y los conjuntos de corte están en buenas condiciones de funcionamiento. Sustituya las cuchillas o los pernos gastados o dañados en conjuntos completos para no desequilibrar la máquina.
Inspeccione la zona en la que va a utilizar la máquina y retire cualquier objeto que pudiera ser arrojado por la máquina.
Evalúe el terreno para determinar el equipo y los aperos o accesorios necesarios para utilizar la máquina debidamente y con seguridad.
Para evitar lesiones personales o daños materiales, extreme las precauciones al manejar el combustible. Los vapores del combustible son explosivos e inflamables.
Apague cualquier cigarrillo, cigarro, pipa u otra fuente de ignición.
Utilice solamente un recipiente de combustible homologado.
No retire nunca el tapón de combustible ni añada combustible al depósito mientras el motor está en marcha o está caliente.
No añada combustible dentro de un edificio.
No guarde la máquina o un recipiente de combustible en un lugar donde pudiera haber una llama desnuda, chispas o una llama piloto, por ejemplo en un calentador de agua u otro electrodoméstico.
No llene los recipientes dentro de un vehículo o sobre la plataforma de un camión o remolque con forro de plástico. Coloque los recipientes siempre en el suelo, lejos del vehículo, antes de llenarlos.
Retire el equipo del camión o del remolque y repóstelo en el suelo. Si esto no es posible, añada combustible con un recipiente portátil, en vez de usar un surtidor o boquilla dosificadora de combustible.
No utilice la máquina a menos que esté instalado un sistema completo de escape en buenas condiciones de funcionamiento.
Mantenga la boquilla dosificadora de combustible en contacto con el borde del depósito de combustible o el orificio del recipiente en todo momento hasta que termine de repostar. No utilice dispositivos que mantengan abierta la boquilla.
Si se derrama combustible sobre su ropa, cámbiese de ropa inmediatamente. Limpie cualquier combustible derramado.
Nunca llene el depósito de combustible en exceso. Vuelva a colocar el tapón de combustible y apriételo firmemente.
Almacene el combustible en un recipiente homologado y manténgalo fuera del alcance de los niños. No compre nunca carburante para más de 30 días de consumo normal.
No llene completamente el depósito de combustible. Añada combustible al depósito de combustible hasta que el nivel alcance de 6 a 13 mm por debajo de la parte inferior del cuello de llenado. Este espacio vacío en el depósito permitirá la dilatación del combustible.
Evite la respiración prolongada de los vapores.
Mantenga la cara alejada de la boquilla y de la abertura del depósito de combustible.
Evite el contacto con la piel; lave el producto derramado con agua y jabón.
Para obtener los mejores resultados, utilice solamente gasolina fresca (comprada hace menos de 30 días), sin plomo, de 87 o más octanos (método de cálculo (R+M)/2).
Etanol: Es aceptable el uso de gasolina con hasta el 10% de etanol (gasohol) o el 15% de MTBE (éter metil tert-butílico) por volumen. El etanol y el MTBE no son lo mismo. No está autorizado el uso de gasolina con el 15% de etanol (E15) por volumen. No utilice nunca gasolina que contenga más del 10% de etanol por volumen, como por ejemplo la E15 (contiene el 15% de etanol), la E20 (contiene el 20% de etanol) o la E85 (contiene hasta el 85% de etanol). El uso de gasolina no autorizada puede causar problemas de rendimiento o daños en el motor que pueden no estar cubiertos bajo la garantía.
No utilice gasolina que contenga metanol.
No guarde combustible en el depósito de combustible o en recipientes de combustible durante el invierno, a menos que utilice un estabilizador de combustible.
No añada aceite a la gasolina.
Use un estabilizador/acondicionador en la máquina para conseguir los beneficios siguientes:
Mantiene el combustible fresco durante un periodo de almacenamiento de 90 días o menos (drene el depósito de combustible antes de almacenar la máquina durante más de 90 días)
Limpia el motor durante el funcionamiento;
Elimina la formación de depósitos pegajosos, con aspecto de barniz, en el sistema de combustible, que pueden dificultar el arranque.
Important: No utilice aditivos de combustible que contengan metanol o etanol.
Agregue la cantidad adecuada de estabilizador/acondicionador al combustible.
Note: Un estabilizador/acondicionador de combustible es más eficaz cuando se mezcla con combustible fresco. Para reducir al mínimo los depósitos de barniz en el sistema de combustible, utilice siempre un estabilizador de combustible.
Aparque la máquina en una superficie nivelada.
Pare el motor y ponga el freno de estacionamiento.
Limpie alrededor del tapón del depósito de combustible.
Llene el depósito de combustible hasta la parte inferior del cuello de llenado (Figura 8).
Note: No llene completamente el depósito de combustible. El espacio vacío en el depósito permite la dilatación de la gasolina.

Antes de arrancar el motor y utilizar la máquina, compruebe el nivel de aceite de motor en el cárter; consulte Comprobación del nivel de aceite del motor.
Los motores nuevos necesitan tiempo para desarrollar toda su potencia. La fricción generada por las carcasas y los sistemas de propulsión de los cortacéspedes es mayor cuando éstos son nuevos, lo que supone una carga adicional para el motor. Las máquinas nuevas necesitan un periodo de rodaje de 40–50 horas para desarrollar la máxima potencia y el mejor rendimiento.
Para evitar lesiones o la muerte en caso de un vuelco: mantenga la barra antivuelco en posición totalmente elevada y bloqueada, y utilice el cinturón de seguridad.
Asegúrese de que el asiento está sujeto a la máquina.
No hay protección contra vuelcos cuando la barra antivuelco está bajada.
Baje la barra antivuelco únicamente cuando sea imprescindible.
No use el cinturón de seguridad si la barra antivuelco está bajada.
Conduzca lentamente y con cuidado.
Eleve la barra antivuelco tan pronto como haya espacio suficiente.
Compruebe cuidadosamente que hay espacio suficiente antes de conducir por debajo de cualquier objeto en alto (por ejemplo, ramas, portales, cables eléctricos) y no entre en contacto con ellos.
Important: Baje la barra antivuelco únicamente cuando sea imprescindible.
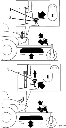
Para bajar la barra antivuelco, presione hacia adelante la parte superior de la barra.
Tire de ambos pomos hacia fuera y gírelos 90 grados para desengranarlos (Figura 9).
Baje la barra anti-vuelco (Figura 9).

Para elevar la barra anti-vuelco, suba la barra a la posición de uso y gire los pomos para que se introduzcan parcialmente en las ranuras (Figura 9).
Eleve la barra antivuelco a la posición vertical, presionando sobre la parte superior de la misma; las clavijas encajarán en cuanto se alineen con los orificios (Figura 9).
Important: Utilice siempre el cinturón de seguridad cuando la barra antivuelco está en la posición elevada.
Presione sobre la barra para asegurarse de que las clavijas han quedado encajadas.
Le rogamos lea todas las instrucciones y símbolos relativos a la seguridad en la sección de seguridad. El conocer esta información puede ayudar a evitarle lesiones a usted o a otras personas.
La operación sobre hierba mojada o en pendientes escarpadas puede hacer que la máquina patine y que usted pierda el control.
No opere en pendientes o cuestas de más de 15 grados.
Reduzca la velocidad y extreme las precauciones en cuestas o pendientes.
No utilice la máquina cerca del agua.
Si una rueda pasa por el borde de un terraplén o una zanja, puede causar un vuelco, que puede dar lugar a lesiones graves o la muerte.
No utilice la máquina cerca de taludes.
El uso de la máquina con la barra antivuelco bajada puede causar graves lesiones o incluso la muerte en caso de un vuelco.
Mantenga siempre la barra antivuelco en la posición de totalmente elevada y bloqueada, y utilice el cinturón de seguridad.

Esta máquina produce niveles sonoros que superan los 85 dBA en el oído del operador, que pueden causar pérdidas auditivas en caso de periodos extendidos de exposición.
Lleve protección auditiva mientras opera esta máquina.
Utilice equipos de protección para los ojos, los oídos, las manos, los pies y la cabeza.

Si los interruptores de seguridad están desconectados o dañados, la máquina podría ponerse en marcha inesperadamente, causando lesiones personales.
No manipule los interruptores de seguridad.
Compruebe la operación de los interruptores de seguridad cada día, y sustituya cualquier interruptor dañado antes de utilizar la máquina.
El sistema de interruptores de seguridad ha sido diseñado para impedir que el motor arranque, a menos que:
El freno de estacionamiento esté puesto.
El mando de control de las cuchillas (TDF) está desengranado.
Las palancas de control de movimiento estén en la posición de BLOQUEO/PUNTO MUERTO.
El sistema de interruptores de seguridad también está diseñado para detener el motor cuando se muevan los controles de tracción desde la posición de bloqueo con el freno de estacionamiento accionado, o si usted se levanta del asiento cuando la TDF está engranada.
El contador de horas tiene una serie de símbolos que indican si el componente de seguridad está en la posición correcta. Cuando el componente está en la posición correcta, se encenderá un triángulo en el recuadro correspondiente.

| Intervalo de mantenimiento y servicio | Procedimiento de mantenimiento |
|---|---|
| Cada vez que se utilice o diariamente |
|
Compruebe el sistema de interruptores de seguridad cada vez que vaya a trabajar con la máquina. Si el sistema no funciona de la forma que se describe a continuación, póngase en contacto con un Servicio Técnico Autorizado para que lo reparen inmediatamente.
Siéntese en el asiento, accione el freno de estacionamiento y mueva el mando de control de las cuchillas (TDF) a CONECTADO. Intente arrancar el motor; el motor no debe arrancar.
Siéntese en el asiento, accione el freno de estacionamiento y mueva el mando de control de las cuchillas (TDF) a DESCONECTADO. Mueva cualquiera de las palancas de control de movimiento (fuera de la posición de BLOQUEO/PUNTO MUERTO). Intente arrancar el motor; el motor no debe arrancar. Repita con la otra palanca de control.
Siéntese en el asiento, accione el freno de estacionamiento, mueva el mando de control de las cuchillas (TDF) a DESCONECTADO y mueva las palancas de control de movimiento a la posición de BLOQUEO/PUNTO MUERTO. Ahora arranque el motor. Con el motor en marcha, quite el freno de estacionamiento, accione el mando de control de las cuchillas (TDF) y levántese un poco del asiento; el motor debe apagarse.
Siéntese en el asiento, accione el freno de estacionamiento, mueva el mando de control de las cuchillas (TDF) a DESCONECTADO y mueva las palancas de control de movimiento a la posición de BLOQUEO/PUNTO MUERTO. Ahora arranque el motor. Con el motor en marcha, ponga cualquiera de las palancas de control de movimiento en posición central y muévala (hacia adelante o hacia atrás); el motor debe apagarse. Repita con la otra palanca de control.
Siéntese en el asiento, quite el freno de estacionamiento, mueva el mando de control de las cuchillas (TDF) a DESCONECTADO y mueva las palancas de control de movimiento a la posición de BLOQUEO/PUNTO MUERTO. Intente arrancar el motor; el motor no debe arrancar.
El asiento puede moverse hacia adelante y hacia atrás (Figura 13). Coloque el asiento en la posición que le permita controlar mejor la máquina y en la que esté más cómodo.

El asiento puede ajustarse para que la conducción sea más suave y cómoda. Coloque el asiento en la posición más cómoda para usted.
Para ajustarlo, gire el pomo situado en la parte delantera en cualquier sentido hasta encontrar la posición más cómoda (Figura 14).

Utilice solamente aperos y accesorios autorizados por Toro.
Si se añaden uno o más kits de montaje de accesorios (es decir, kit de cubo o kit de montaje universal) en cualquiera de las 4 ubicaciones mostradas en la Figura 15, añada un kit de contrapeso delantero. Póngase en contacto con su Servicio Técnico Autorizado para obtener el kit de contrapeso delantero.

El propietario/operador puede prevenir y es responsable de cualquier accidente que pudiera provocar lesiones personales o daños materiales.
Lleve ropa adecuada, incluyendo protección ocular, calzado resistente y antideslizante y protección auricular. Si tiene el pelo largo, recójaselo, y no lleve prendas o joyas sueltas.
No utilice la máquina si está enfermo, cansado o bajo la influencia de alcohol o drogas.
No lleve nunca pasajeros en la máquina, y mantenga a otras personas y animales alejados de la máquina durante el uso.
Utilice la máquina únicamente con buena visibilidad para evitar agujeros y peligros ocultos.
Evite segar la hierba mojada. La reducción de la tracción podría hacer que la máquina se resbalara.
Asegúrese de que todas las transmisiones están en punto muerto, de que el freno de mano está accionado y de que usted se encuentra en la posición del operador antes de arrancar el motor.
Mantenga las manos y los pies alejados de las unidades de corte. Manténgase alejado del conducto de descarga en todo momento.
Mire hacia atrás y hacia abajo antes de poner marcha atrás para asegurarse de que el camino está despejado.
Tenga cuidado al acercarse a esquinas ciegas, arbustos, árboles u otros objetos que puedan dificultar la visión.
No siegue cerca de terraplenes, fosas o taludes. La máquina podría volcar repentinamente si una rueda pasa por el borde de un terraplén o fosa, o si se socava un talud.
Pare las cuchillas si no está segando.
Pare la máquina e inspeccione las cuchillas después de golpear un objeto, o si se produce una vibración anormal. Realice todas las reparaciones necesarias antes de volver a utilizar la máquina.
Vaya más despacio y tenga cuidado al girar y al cruzar calles y aceras con la máquina. Ceda el paso siempre.
Desengrane la transmisión de la unidad de corte y apague el motor antes de ajustar la altura de corte (a menos que pueda ajustarse desde la posición del operador).
No haga funcionar nunca un motor en un lugar cerrado donde no puedan liberarse los gases de escape.
No deje nunca desatendida la máquina si está funcionando.
Antes de abandonar el puesto del operador (incluso para vaciar los recogedores o desatascar el conducto), haga lo siguiente:
Detenga la máquina en un terreno llano.
Desengrane la toma de fuerza y baje los accesorios.
Accione el freno de estacionamiento.
Apague el motor y retire la llave.
Espere a que se detengan todas las piezas en movimiento.
No utilice la máquina cuando exista riesgo de caída de rayos.
No utilice la máquina como un vehículo de remolcado.
No cambie la velocidad del regulador ni haga funcionar el motor a una velocidad excesiva.
Utilice solamente los accesorios y aperos aprobados por Toro.
No retire la barra antivuelco de la máquina.
Asegúrese de abrocharse el cinturón de seguridad y de que puede desabrocharlo rápidamente en caso de emergencia.
Utilice siempre el cinturón de seguridad cuando la barra antivuelco esté en la posición elevada.
Compruebe detenidamente si hay obstrucciones sobre la máquina y no entre en contacto con ellas.
Mantenga la barra antivuelco en condiciones seguras de funcionamiento, inspeccionándola periódicamente en busca de daños y manteniendo bien apretadas todas las fijaciones de montaje.
Cambie la barra antivuelco si está dañada. No la repare ni la modifique.
Conduzca más despacio y extreme la precaución en las pendientes. Conduzca hacia arriba y hacia abajo en las pendientes. Las condiciones del césped pueden afectar a la estabilidad de la máquina.
Evite girar esta máquina en pendientes. Si es imprescindible girar la máquina, gire lenta y gradualmente, cuesta abajo si es posible.
No realice giros bruscos con la máquina. Tenga cuidado al ir hacia atrás.
Extreme las precauciones al usar la máquina con accesorios; pueden afectar a la estabilidad de la máquina.
Accione siempre el freno de estacionamiento cuando pare la máquina o cuando la deje desatendida.
El freno de estacionamiento puede no sujetar la máquina si está aparcada en una pendiente, y pueden producirse lesiones personales o daños materiales.
No deje el vehículo aparcado en pendientes sin calzar o bloquear las ruedas.


El mando de control de las cuchillas (TDF) arranca y detiene las cuchillas del cortacésped y cualquier accesorio conectado.
Note: El uso del mando de control de las cuchillas (TDF) con el acelerador en la posición intermedia o menos producirá un desgaste excesivo en las correas de transmisión.


Puede mover el control del acelerador entre las posiciones de RáPIDO y LENTO (Figura 20).
Utilice siempre la posición RáPIDO al activar la carcasa del cortacésped con el mando de control de las cuchillas (TDF).

Utilice el estárter para poner en marcha el motor en frío.
Gire la llave de contacto a la posición de ARRANQUE (Figura 22).
Note: Cuando el motor arranque, suelte la llave.
Important: No haga funcionar el motor de arranque durante más de 5 segundos seguidos. Si el motor no arranca, espere 15 segundos entre intentos. Si no se siguen estas instrucciones, puede quemarse el motor de arranque.
Note: Pueden ser necesarios varios intentos de arranque para arrancar el motor por primera vez después de quedarse el sistema de combustible totalmente vacío de combustible.

Gire la llave de contacto a la posición de DESCONECTADO para parar el motor.
Eleve la barra antivuelco y bloquéela, siéntese en el asiento y abroche el cinturón de seguridad.
Mueva las palancas de control de movimiento a la posición de BLOQUEO/PUNTO MUERTO.
Accione el freno de estacionamiento; consulte Accionamiento del freno de estacionamiento.
Mueva el mando de control de las cuchillas (TDF) a la posición de DESENGRANADO(Figura 23).
Mueva la palanca del acelerador a un punto intermedio entre las posiciones LENTO y RáPIDO.

Gire la llave de contacto a la posición de ARRANQUE (Figura 24).
Note: Cuando el motor arranque, suelte la llave.
Important: No active el motor de arranque durante más de 5 segundos cada vez. Si el motor no arranca, deje que se enfríe durante 15 segundos entre intentos. Si no se siguen estas instrucciones, puede quemarse el motor de arranque.
Note: Es posible que se requieran ciclos de arranque adicionales al arrancar el motor por primera vez si el sistema de combustible ha estado totalmente vacío.

Los niños u otras personas podrían resultar lesionados si mueven o intentan operar la máquina mientras está desatendida.
Retire siempre la llave de contacto y ponga el freno de estacionamiento cuando deje la máquina sin supervisión, aunque sea por unos pocos minutos.
Mueva el acelerador a la posición de RáPIDO y gire el interruptor a la posición de DESCONECTADO.

Important: Asegúrese de que la válvula de cierre del combustible está cerrada antes de transportar o almacenar la máquina; si no, puede haber fugas de combustible. Accione el freno de estacionamiento antes de transportar la máquina. Asegúrese de retirar la llave, puesto que la bomba de combustible puede funcionar y hacer que la batería pierda su carga.

Las ruedas motrices giran de manera independiente, impulsadas por motores hidráulicos en cada eje. Un lado puede girar hacia atrás mientras que el otro lado gira hacia adelante, haciendo que la máquina rote sobre su eje en lugar de trazar una curva. Esto mejora mucho la maniobrabilidad de la máquina, pero puede ser necesario un periodo de adaptación si no está familiarizado con este sistema.
El control del acelerador regula la velocidad del motor en rpm (revoluciones por minuto). Ponga el acelerador en posición RáPIDO para conseguir el mejor rendimiento. Siegue siempre con el acelerador en posición rápido.
La máquina puede girar muy rápidamente. El operador puede perder el control de la máquina y causar lesiones personales o daños a la máquina.
Extreme las precauciones al girar.
Reduzca la velocidad de la máquina antes de hacer giros cerrados.
Note: El motor se para si mueve el control de tracción con el freno de estacionamiento accionado.
Para detenerse, tire de las palancas de control de movimiento a la posición de PUNTO MUERTO.
Quite el freno de estacionamiento; consulte Desengranaje del freno de estacionamiento.
Mueva las palancas a la posición central desbloqueada.
Para ir hacia adelante, empuje lentamente las palancas de control de movimiento hacia adelante (Figura 27).

Mueva las palancas a la posición central desbloqueada.
Para ir hacia atrás, tire lentamente de las palancas de control de movimiento hacia atrás (Figura 28).

El bloqueo de transporte tiene dos posiciones y se utiliza conjuntamente con el pedal de elevación de la carcasa. Hay una posición de BLOQUEADO y una posición de DESBLOQUEADO para el transporte de la carcasa de corte (Figura 29).

Ajuste la altura de corte de 38 a 127 mm en incrementos de 6 mm colocando el pasador de altura de corte en diferentes taladros.
Mueva el bloqueo de transporte a la posición de BLOQUEADO.
Pise el pedal de elevación de la carcasa y eleve la carcasa de corte a la posición de TRANSPORTE (que es también la posición de altura de corte de 127 mm) según se muestra en Figura 30.
Para ajustar la altura de corte, retire el pasador del soporte de altura de corte (Figura 30).
Seleccione el taladro del soporte de altura de corte que corresponde a la altura de corte deseada, e inserte el pasador (Figura 30).
Pise el pedal de elevación de la carcasa, tire hacia arriba del pomo de bloqueo de transporte y baje lentamente la carcasa de corte.

Cada vez que usted cambie la altura de corte, ajuste también la altura de los rodillos protectores del césped.
Desengrane el mando de control de las cuchillas (TDF), ponga las palancas de control de movimiento en posición de BLOQUEO/PUNTO MUERTO y accione el freno de estacionamiento.
Pare el motor, retire la llave y espere a que se detengan todas las piezas en movimiento antes de abandonar el puesto del operador.


Para detener la máquina, mueva las palancas de control de movimiento a punto muerto y luego a la posición de BLOQUEO/PUNTO MUERTO, desengrane el mando de control de las cuchillas (TDF) y gire la llave de contacto a la posición de DESCONECTADO.
Accione el freno de estacionamiento si va a dejar la máquina desatendida; consulte Accionamiento del freno de estacionamiento. Retire la llave de contacto.
Los niños u otras personas podrían resultar lesionados si mueven o intentan operar la máquina mientras está desatendida.
Retire siempre la llave de contacto y ponga el freno de estacionamiento cuando deje la máquina sin supervisión, aunque sea por unos pocos minutos.
El cortacésped cuenta con un deflector de hierba abisagrado que dispersa los recortes de hierba a un lado y hacia abajo, hacia el césped.
Si la máquina no tiene correctamente montado un deflector de hierba, una tapa de descarga o un recogedor completo, usted y otras personas están expuestos a contacto con las cuchillas y a residuos lanzados al aire. El contacto con las cuchillas de corte en rotación o con los residuos lanzados al aire causará lesiones o la muerte.
No retire nunca el deflector de hierba del cortacésped porque el deflector de hierba dirige el material hacia abajo al césped. Si el deflector de hierba se deteriora alguna vez, sustitúyalo inmediatamente.
No coloque nunca las manos o los pies debajo del cortacésped.
No intente nunca despejar la zona de descarga o las cuchillas del cortacésped sin antes mover la toma de fuerza (mando de control de las cuchillas/TDF) a la posición de DESENGRANADO, girar la llave de contacto a DESCONECTADO y retirar la llave.
Compruebe que el deflector de hierba está bajado.
Para aumentar al máximo la calidad de corte y la circulación de aire, haga funcionar el motor en posición RáPIDO. Se requiere aire para cortar bien la hierba, así que no ponga la altura de corte tan baja como para rodear totalmente el cortacésped de hierba sin cortar. Trate siempre de tener un lado del cortacésped libre de hierba sin cortar, para permitir la entrada de aire en la máquina.
Corte la hierba algo más larga de lo habitual para asegurar que la altura de corte del cortacésped no deje “calvas” en terrenos desiguales. Sin embargo, la altura de corte utilizada habitualmente suele ser la mejor. Si la hierba tiene más de 15 cm de alto, es preferible cortar el césped dos veces para asegurar una calidad de corte aceptable.
Es mejor cortar solamente un tercio aproximadamente de la hoja de hierba. No se recomienda cortar más, a menos que la hierba sea escasa o al final del otoño, cuando la hierba crece más despacio.
Alterne la dirección de corte para mantener la hierba erguida. De esta forma también se ayuda a dispersar mejor los recortes sobre el césped y se conseguirá una mejor descomposición y fertilización.
La hierba crece a velocidades distintas según la estación del año. Para mantener la misma altura de corte, siegue con más frecuencia a principios de la primavera. A medida que avanza el verano, la velocidad de crecimiento de la hierba decrece, por ello debe cortarse con menor frecuencia. Si no puede segar durante un período de tiempo prolongado, siegue primero con una altura de corte alta y, después de dos días, vuelva a segar con un ajuste más bajo.
Para mejorar la calidad de corte, utilice una velocidad de avance más baja en determinadas condiciones.
Al segar césped irregular, eleve la altura de corte, para evitar dañar el césped
Si es necesario detener el avance de la máquina mientras se corta el césped, es posible que caiga un montón de recortes sobre el césped. Para evitar esto, diríjase con las cuchillas engranadas a una zona del césped que ya haya sido segada, o desengrane la carcasa del cortacésped al desplazarse hacia adelante.
Limpie los recortes y la suciedad de los bajos del cortacésped después de cada uso. Si la hierba y la suciedad se acumulan en el interior del cortacésped, se deteriorará la calidad del corte.
Mantenga las cuchillas afiladas durante toda la temporada de corte, ya que una cuchilla afilada corta limpiamente y sin rasgar o deshilachar las hojas de hierba. Si se rasgan o se deshilachan, los filos de las hojas se secarán, lo cual retardará su crecimiento y favorecerá la aparición de enfermedades. Compruebe después de cada uso que las cuchillas están bien afiladas y que no están desgastadas o dañadas. Elimine cualquier mella con una lima, y afile las cuchillas si es necesario. Si una cuchilla está desgastada o deteriorada, sustitúyala inmediatamente por una cuchilla nueva genuina Toro.
Limpie la hierba y los residuos de las unidades de corte, las transmisiones, los silenciadores y el compartimento del motor para prevenir incendios. Limpie cualquier aceite o combustible derramado.
Cierre el combustible antes de almacenar o transportar la máquina.
Desengrane la transmisión al accesorio siempre que transporte la máquina o no la esté utilizando.
Utilice rampas de ancho completo para cargar la máquina en un remolque o un camión.
Amarre la máquina firmemente con correas, cadenas, cables o cuerdas. Tanto las correas delanteras como las traseras deben orientarse hacia abajo y hacia fuera respecto a la máquina.
Espere a que se enfríe el motor antes de guardar la máquina en un recinto cerrado.
Cierre el combustible antes de almacenar o transportar la máquina.
No guarde nunca la máquina o un recipiente de combustible cerca de una llama desnuda, chispa o llama piloto, por ejemplo en un calentador de agua u otro electrodoméstico.
La válvula de cierre de combustible está situada detrás del asiento.
Cierre la válvula de cierre de combustible durante el transporte, el mantenimiento y el almacenamiento.
Asegúrese de que la válvula de cierre del combustible está abierta antes de arrancar el motor.


Las manos pueden quedar atrapadas en los componentes giratorios de la transmisión, debajo de la carcasa del motor, lo que podría dar lugar a lesiones graves.
Apague el motor, retire la llave y espere a que se detengan todas las piezas móviles antes de acceder a las válvulas de liberación de las ruedas motrices.
El motor y las transmisiones hidráulicas pueden alcanzar temperaturas muy altas. El contacto con un motor caliente o una transmisión hidráulica caliente puede causar quemaduras graves.
Deje que se enfríen totalmente el motor y las transmisiones hidráulicas antes de acceder a las válvulas de liberación de las ruedas motrices.
Las válvulas de liberación de las ruedas motrices están situadas en los lados derecho e izquierdo, debajo de la carcasa del motor.
Desengrane el mando de control de las cuchillas (TDF), gire la llave de contacto a la posición de Desconectado, mueva las palancas a la posición de BLOQUEO/PUNTO MUERTO, ponga el freno de estacionamiento y retire la llave.
Localice las palancas de desvío detrás del asiento, en los lados izquierdo y derecho del bastidor.
Para empujar la máquina, mueva ambos pomos de desvío hacia atrás y bloquéelos en esa posición (Figura 34).
Desengrane el freno de estacionamiento antes de empujar la máquina.

Para conducir la máquina, mueva los pomos de desvío a la posición de HACIA ADELANTE y bloquéelos en esa posición (Figura 34).
Utilice un remolque para cargas pesadas o un camión para transportar la máquina. Asegúrese de que el remolque o el camión tenga todos los frenos y todas las luces y señalizaciones requeridos por la ley. Por favor, lea cuidadosamente todas las instrucciones de seguridad. Esta información puede ayudarle a evitar lesiones al operador, a su familia, a sus animales domésticos o a personas que se encuentren en las proximidades.
Conducir en una calle o carretera sin señales de giro, luces, marcas reflectantes o un indicador de vehículo lento es peligroso y puede ser causa de accidentes que pueden provocar lesiones personales.
No conduzca la máquina en una calle o carretera pública.
Para transportar la máquina:
Si utiliza un remolque, conéctelo al vehículo que lo arrastra y conecte las cadenas de seguridad.
En su caso, conecte los frenos del remolque.
Cargue la máquina en el remolque o camión.
Pare el motor, retire la llave, ponga el freno y cierre la válvula de combustible.
Utilice los puntos de amarre metálicos de la máquina para sujetar la máquina firmemente al remolque o al camión con correas, cadenas, cables o cuerdas (Figura 35).

Extreme las precauciones al cargar o descargar la máquina en o desde un remolque o un camión. Utilice una rampa de ancho completo que sea más ancha que la máquina durante este procedimiento. Suba la rampa en marcha atrás y bájela hacia adelante (Figura 36).

Important: No utilice rampas estrechas individuales en cada lado de la máquina.
El cargar la máquina en un remolque o un camión aumenta la posibilidad de un vuelco y podría causar lesiones graves o la muerte (Figura 37).
Extreme las precauciones al manejar la máquina en una rampa.
Utilice únicamente una rampa de ancho completo; no utilice rampas individuales para cada lado de la máquina.
No supere un ángulo de 15 grados entre la rampa y el suelo, o entre la rampa y el remolque o camión.
Asegúrese de que la rampa tiene una longitud de al menos cuatro veces la altura de la plataforma del remolque o del camión sobre el suelo. De esta forma se asegura que el ángulo de la rampa no supere los 15 grados en terreno llano.
Suba las rampas en marcha atrás y bájelas hacia adelante.
Evite acelerar o desacelerar bruscamente al conducir la máquina en una rampa, porque esto podría provocar un vuelco o una pérdida de control.

| Intervalo de mantenimiento y servicio | Procedimiento de mantenimiento |
|---|---|
| Después de las primeras 5 horas |
|
| Después de las primeras 75 horas |
|
| Cada vez que se utilice o diariamente |
|
| Cada 25 horas |
|
| Cada 50 horas |
|
| Cada 100 horas |
|
| Cada 200 horas |
|
| Cada 250 horas |
|
| Cada 500 horas |
|
| Cada mes |
|
| Cada año o antes del almacenamiento |
|
Important: Consulte en el manual del operador del motor procedimientos adicionales de mantenimiento.
Si deja la llave en el interruptor de encendido, alguien podría arrancar el motor accidentalmente y causar lesiones graves a usted o a otras personas.
Retire la llave de contacto antes de realizar cualquier operación de mantenimiento.
Antes de reparar la máquina, haga lo siguiente:
Desengrane las transmisiones.
Accione el freno de estacionamiento.
Apague el motor y retire la llave.
Desconecte el cable de la bujía.
Aparque la máquina en una superficie nivelada.
Limpie la hierba y los residuos de la unidad de corte, las transmisiones, los silenciadores y el motor para prevenir incendios.
Limpie cualquier aceite o combustible derramado.
Deje que el motor se enfríe antes de almacenar la máquina.
No almacene la máquina o el combustible cerca de una llama, y no drene el combustible dentro de un edificio.
No permita que la máquina sea revisada o reparada por personal que no esté debidamente formado.
Utilice soportes fijos para apoyar la máquina o los componentes cuando sea necesario.
Alivie con cuidado la tensión de aquellos componentes que tengan energía almacenada.
Desconecte la batería o retire el cable de la bujía antes de efectuar reparaciones. Desconecte primero el terminal negativo y luego el positivo. Conecte primero el terminal positivo y luego el negativo.
Tenga cuidado al comprobar las cuchillas. Envuelva la(s) cuchilla(s) o lleve guantes gruesos, y extreme las precauciones al realizar tareas de mantenimiento. Cambie las cuchillas únicamente; no las enderece ni las suelde nunca.
Mantenga las manos y los pies alejados de las piezas en movimiento. Si es posible, no haga ajustes mientras el motor está funcionando.
Mantenga todas las piezas en buenas condiciones de funcionamiento, y todos los herrajes bien apretados, sobre todo los pernos de sujeción de las cuchillas. Sustituya cualquier pegatina desgastada o deteriorada.
No interfiera nunca con la funcionalidad prevista de un dispositivo de seguridad, ni reduzca la protección proporcionada por un dispositivo de seguridad. Compruebe regularmente que funcionan correctamente.
Para asegurar un rendimiento óptimo y mantener la certificación de seguridad de la máquina, utilice solamente piezas y accesorios genuinos Toro. Las piezas de repuesto y accesorios de otros fabricantes podrían ser peligrosos, y su uso podría invalidar la garantía del producto.
Compruebe frecuentemente el funcionamiento del freno de estacionamiento. Ajústelos y realice el mantenimiento de los mismos cuando sea necesario.
Afloje el perno superior del faldón para liberar el faldón y poder acceder a la parte superior de la carcasa de corte (Figura 38). Apriete el perno después del mantenimiento para instalar el faldón.

Engrase con más frecuencia si la zona de trabajo tiene mucho polvo o arena.
Tipo de grasa: Grasa de litio de propósito general Nº 2 o grasa de molibdeno
Desengrane el mando de control de las cuchillas (TDF), ponga las palancas de control de movimiento en posición de BLOQUEO/PUNTO MUERTO y accione el freno de estacionamiento.
Apague el motor, retire la llave y espere a que se detengan todas las piezas en movimiento antes de abandonar el puesto del operador.
Limpie con un trapo los puntos de engrase.
Note: Asegúrese de rascar cualquier pintura de la parte delantera de los acoplamientos.
Conecte una pistola de engrasar al punto de engrase.
Bombee grasa hasta que empiece a rezumar grasa de los cojinetes.
Limpie cualquier exceso de grasa.
| Intervalo de mantenimiento y servicio | Procedimiento de mantenimiento |
|---|---|
| Cada 25 horas |
|
| Cada 50 horas |
|
Desengrane el mando de control de las cuchillas (TDF), ponga las palancas de control de movimiento en posición de BLOQUEO/PUNTO MUERTO y accione el freno de estacionamiento.
Apague el motor, retire la llave y espere a que se detengan todas las piezas en movimiento antes de abandonar el puesto del operador.
Engrase el pivote de la polea tensora de la bomba con una o dos aplicaciones de grasa (Figura 41).
Engrase los ejes de las ruedas giratorias delanteras (Figura 41).

El contacto con superficies calientes puede causar lesiones personales.
Mantenga las manos, los pies, la cara, la ropa y otras partes del cuerpo alejados del tubo de escape y de otras superficies calientes.
Apague el motor antes de comprobar el aceite o añadir aceite al cárter.
| Intervalo de mantenimiento y servicio | Procedimiento de mantenimiento |
|---|---|
| Cada 25 horas |
|
| Cada 100 horas |
|
| Cada 200 horas |
|
Aparque la máquina en una superficie nivelada y desengrane el mando de control de las cuchillas (TDF).
Ponga el freno de estacionamiento, pare el motor, retire la llave y espere a que se detengan todas las piezas en movimiento antes de abandonar el puesto del operador.
Limpie alrededor de la tapa del limpiador de aire para evitar que la suciedad penetre en el motor y cause daños.
Retire la tapa y gire el limpiador de aire para retirarlo del motor (Figura 42).


Separe el elemento de gomaespuma del elemento de papel (Figura 43).

Lave el elemento de gomaespuma con agua y sustitúyalo si está dañado.
Golpee suavemente el elemento en una superficie plana para eliminar polvo y suciedad.
Inspeccione el elemento por si estuviera roto, tuviera una película aceitosa o la junta estuviera dañada.
Important: No limpie el elemento de papel con aire a presión o líquidos, como por ejemplo disolvente, gasolina o queroseno. Sustituya el elemento de papel si está dañado o si no puede ser limpiado a fondo.
Tipo de aceite:Aceite detergente (servicio API SF, SG, SH, SJ o SL)
Capacidad del cárter: 2,4 litros
Viscosidad: Consulte la tabla siguiente.

| Intervalo de mantenimiento y servicio | Procedimiento de mantenimiento |
|---|---|
| Cada vez que se utilice o diariamente |
|
Note: Compruebe el aceite con el motor frío.
El contacto con superficies calientes puede causar lesiones personales.
Mantenga las manos, los pies, la cara, la ropa y otras partes del cuerpo alejados del tubo de escape y de otras superficies calientes.
Important: No llene excesivamente el cárter de aceite, ya que esto podría dañar el motor. No haga funcionar el motor si el nivel de aceite está por Debajo de la marca Bajo porque podría dañar el motor.
Aparque la máquina en una superficie nivelada, desengrane el mando de control de las cuchillas, pare el motor, ponga el freno de estacionamiento y retire la llave.
Asegúrese de que el motor está apagado, nivelado, y frío, y que el aceite ha tenido tiempo para drenarse al cárter.
Para que no entre suciedad, recortes de hierba, etc., en el motor, limpie la zona alrededor del tapón de llenado/varilla de aceite antes de retirarlo (Figura 45).

| Intervalo de mantenimiento y servicio | Procedimiento de mantenimiento |
|---|---|
| Después de las primeras 5 horas |
|
| Cada 100 horas |
|
Note: Elimine el aceite usado en un centro de reciclaje.
Aparque la máquina en una superficie nivelada para asegurarse de que el aceite se drene completamente.
Desengrane la TDF y ponga el freno de estacionamiento.
Apague el motor, retire la llave y espere a que se detengan todas las piezas en movimiento antes de abandonar el puesto del operador.
Drene el aceite del motor (Figura 46).


Sustituya el filtro de aceite del motor (Figura 47).

Note: Asegúrese de que la junta del filtro de aceite toca el motor, luego apriete ¾ de vuelta más.
Vierta lentamente un 80% aproximadamente del aceite especificado por el tubo de llenado, luego añada lentamente el resto del aceite hasta que llegue a la marca Full (Lleno) (Figura 48).

| Intervalo de mantenimiento y servicio | Procedimiento de mantenimiento |
|---|---|
| Cada 100 horas |
|
| Cada 200 horas |
|
Antes de instalar la bujía, asegúrese de que la distancia entre los electrodos central y lateral es correcta. Utilice una llave de bujías para desmontar e instalar la(s) bujía(s) y una galga de espesores/herramienta para electrodos para comprobar y ajustar el espacio entre los mismos. Instale una bujía nueva si es necesario.
Tipo: Champion RN9YC o NGK BPR6ES
Distancia entre electrodos: 0,76 mm
Desengrane la TDF y ponga el freno de estacionamiento.
Apague el motor, retire la llave y espere a que se detengan todas las piezas en movimiento antes de abandonar el puesto del operador.

Note: Debido al hueco profundo que hay alrededor de la bujía, el método de limpieza más eficaz suele ser usar aire comprimido para eliminar la suciedad del hueco. Es más fácil acceder a la bujía cuando se retira la carcasa del soplador para su limpieza.
Important: No limpie la(s) bujía(s). Cambie siempre la(s) bujía(s) si tiene(n): un revestimiento negro, los electrodos desgastados, una película aceitosa o grietas.
Si se observa un color gris o marrón claro en el aislante, el motor está funcionando correctamente. Si el aislante aparece de color negro, significa que el limpiador de aire está sucio.
Ajuste la distancia a 0,76 mm.

Apriete la(s) bujía(s) a entre 25 y 30 N∙m.

| Intervalo de mantenimiento y servicio | Procedimiento de mantenimiento |
|---|---|
| Cada vez que se utilice o diariamente |
|
Elimine los recortes de hierba y los residuos de la rejilla de la entrada de aire antes de cada uso.
Desengrane el mando de control de las cuchillas y ponga el freno de estacionamiento.
Pare el motor, retire la llave y espere a que se detengan todas las piezas en movimiento antes de abandonar el puesto del operador.
Retire el filtro de aire del motor.
Retire la cubierta del motor.
Para evitar que se introduzcan residuos en la entrada de aire, instale el filtro de aire en la base del filtro.
Limpie los restos de hierba y los residuos de todas las piezas.
Retire el filtro de aire e instale la cubierta del motor.
Instale el filtro de aire.
| Intervalo de mantenimiento y servicio | Procedimiento de mantenimiento |
|---|---|
| Cada 50 horas |
|
Los componentes calientes del sistema de escape pueden incendiar los vapores de gasolina, incluso después de parar el motor. Las partículas calientes expulsados durante la operación del motor pueden incendiar materiales inflamables. El fuego puede dar lugar a lesiones personales o daños materiales.
No reposte combustible ni ponga en marcha el motor si el parachispas no está instalado.
Pare el motor, espere a que se detengan todas las piezas en movimiento y retire la llave. Ponga el freno de estacionamiento.
Espere a que se enfríe el silenciador.
Si hay roturas en la rejilla o en las soldaduras, sustituya el parachispas.
Si la rejilla está atascada, retire el parachispas y sacuda la rejilla para eliminar partículas sueltas, luego límpiela con un cepillo de alambre (sumérjala en disolvente si es necesario). Instale el parachispas en la salida del tubo de escape.
| Intervalo de mantenimiento y servicio | Procedimiento de mantenimiento |
|---|---|
| Cada 500 horas |
|
Pare el motor, espere a que se detengan todas las piezas en movimiento y retire la llave. Ponga el freno de estacionamiento.
Retire el filtro de la manguera de ventilación.
Inserte un filtro nuevo en el extremo de la manguera de ventilación.
| Intervalo de mantenimiento y servicio | Procedimiento de mantenimiento |
|---|---|
| Cada 500 horas |
|
Important: Instale los tubos de combustible y sujételos con bridas de plástico de la misma manera que estaban al salir de la fábrica, para mantener los tubos de combustible alejados de componentes que podrían dañar los tubos.
El filtro de combustible está situado cerca del motor en la parte delantera izquierda del motor.
Desengrane el mando de control de las cuchillas (TDF), ponga las palancas de control de movimiento en posición de BLOQUEO/PUNTO MUERTO y accione el freno de estacionamiento.
Pare el motor, retire la llave y espere a que se detengan todas las piezas en movimiento antes de abandonar el puesto del operador.
Deje que la máquina se enfríe.
Cierre la válvula de cierre de combustible, situada detrás del asiento (Figura 33).

Abra la válvula de cierre del combustible.
No intente vaciar el depósito de combustible. Asegúrese de que el vaciado del depósito de combustible y el mantenimiento de cualquier componente del sistema de combustible sea realizado por un Servicio Técnico Autorizado.
Desconecte la batería antes de reparar la máquina. Desconecte primero el terminal negativo y luego el positivo. Conecte primero el terminal positivo y luego el negativo.
Cargue la batería en una zona abierta y bien ventilada, lejos de chispas y llamas. Desenchufe el cargador antes de conectar o desconectar la batería. Lleve ropa protectora y utilice herramientas aisladas.
Los bornes, terminales y otros accesorios de la batería contienen plomo y compuestos de plomo, productos químicos reconocidos por el Estado de California como causantes de cáncer y daños reproductivos. Lávese las manos después de manejar el material.
| Intervalo de mantenimiento y servicio | Procedimiento de mantenimiento |
|---|---|
| Cada mes |
|
El electrolito de la batería contiene ácido sulfúrico, que es un veneno mortal y causa quemaduras graves.
No beba electrolito y evite el contacto con la piel, los ojos y la ropa. Lleve gafas de seguridad para proteger sus ojos, y guantes de goma para proteger sus manos.
Los bornes de la batería o una herramienta metálica podrían hacer cortocircuito si entran en contacto con los componentes metálicos de la máquina, causando chispas. Las chispas podrían hacer explotar los gases de la batería, causando lesiones personales.
Al retirar o colocar la batería, no deje que los bornes toquen ninguna parte metálica de la máquina.
No deje que las herramientas metálicas hagan cortocircuito entre los bornes de la batería y las partes metálicas de la máquina.
Un enrutado incorrecto de los cables de la batería podría dañar la máquina y los cables, causando chispas. Las chispas podrían hacer explotar los gases de la batería, causando lesiones personales.
Desconecte siempre el cable negativo (negro) de la batería antes de desconectar el cable positivo (rojo).
Conecte siempre el cable positivo (rojo) de la batería antes de conectar el cable negativo (negro).
Desengrane el mando de control de las cuchillas (TDF), ponga las palancas de control de movimiento en posición de BLOQUEO/PUNTO MUERTO, y ponga el freno de estacionamiento.
Apague el motor, retire la llave y espere a que se detengan todas las piezas en movimiento antes de abandonar el puesto del operador.
Desconecte el cable negativo (negro) de la batería del borne negativo (-) de la batería (Figura 53).
Retire la cubierta de goma roja del borne positivo (rojo) de la batería y retire el cable positivo (+) (Figura 53).
Retire la correa de goma (Figura 53).
Retire la batería.


Coloque la batería en la bandeja, con los bornes frente al depósito de aceite hidráulico (Figura 53).
Conecte primero el cable positivo (rojo) al borne positivo (+) de la batería.
Conecte el cable negativo (negro) y el cable de tierra al borne negativo (–) de la batería.
Fije los cables con 2 pernos, 2 arandelas, y 2 contratuercas (Figura 53).
Deslice el protector de borne rojo sobre el borne positivo (+) de la batería.
Fije la batería con la correa de goma (Figura 53).
El proceso de carga de la batería produce gases que pueden explotar.
No fume nunca cerca de la batería, y mantenga alejados de la batería chispas y llamas.
Important: Mantenga siempre la batería completamente cargada (densidad de 1,265). Esto es especialmente importante para evitar daños a la batería cuando la temperatura está por debajo de los 0ºC.
Cargue la batería durante 10 a 15 minutos a 25 A - 30 A, o durante 30 minutos a 10 A.
Cuando la batería esté completamente cargada, desconecte el cargador de la toma de electricidad, luego desconecte los cables del cargador de los bornes de la batería (Figura 54).
Instale la batería en la máquina y conecte los cables de la batería; consulte Instalación de la batería.
Note: No haga funcionar la máquina con la batería desconectada; puede causar daños al sistema eléctrico.

El sistema eléctrico está protegido con fusibles. No requiere mantenimiento; no obstante, si se funde un fusible, compruebe que no hay avería ni cortocircuito en el componente/circuito.
Los fusibles están situados en la consola de la derecha, junto al asiento (Figura 55).
Para cambiar un fusible, tire del mismo para retirarlo.
Instale un fusible nuevo (Figura 55).

| Intervalo de mantenimiento y servicio | Procedimiento de mantenimiento |
|---|---|
| Cada vez que se utilice o diariamente |
|
Inspeccione el cinturón de seguridad en busca de señales de desgaste o cortes, y compruebe el funcionamiento del retractor y de la hebilla. Sustituya el cinturón de seguridad si está dañado.
| Intervalo de mantenimiento y servicio | Procedimiento de mantenimiento |
|---|---|
| Cada vez que se utilice o diariamente |
|
Para evitar lesiones o la muerte en caso de un vuelco, mantenga la barra antivuelco en posición totalmente elevada y bloqueada, y utilice el cinturón de seguridad.
Asegúrese de que el asiento está sujeto a la máquina.
Compruebe que tanto los herrajes de montaje como los pomos están en buenas condiciones de uso.
Asegúrese de que los pomos están completamente bloqueados cuando la barra antivuelco está elevada.
Note: Puede ser necesario empujar hacia adelante o tirar hacia atrás de la parte superior de la barra anti-vuelco para que se bloquean completamente ambos pomos (Figura 56 y Figura 57).


Desengrane el mando de control de las cuchillas (TDF).
Conduzca hacia un lugar llana y abierta, y mueva las palancas de control de movimiento a la posición de BLOQUEO/PUNTO MUERTO.
Ponga la palanca del acelerador en un punto intermedio entre las posiciones de LENTO y RáPIDO.
Mueva ambas palancas de control de movimiento hacia adelante hasta que toquen los topes en la ranura en T.
Compruebe hacia qué lado se desvía la máquina.
Si la máquina se desvía hacia la derecha, inserte una llave hexagonal de 3/16" a través del orificio de acceso del panel derecho delantero y gire el tornillo en sentido horario o antihorario para ajustar el recorrido de la palanca (Figura 58).
Si la máquina se desvía hacia la izquierda, inserte una llave hexagonal de 3/16" a través del orificio de acceso del panel derecho delantero y gire el tornillo en sentido horario o antihorario para ajustar el recorrido de la palanca (Figura 58).
Conduzca la máquina y compruebe la desviación con las palancas adelantadas del todo.
Repita el ajuste hasta que la máquina no se desvíe.

| Intervalo de mantenimiento y servicio | Procedimiento de mantenimiento |
|---|---|
| Cada 50 horas |
|
Mantenga la presión de los neumáticos delanteros y traseros a 0,9 bar. Una presión desigual en los neumáticos puede hacer que el corte sea desigual. Las lecturas de presión son más exactas cuando los neumáticos están fríos.

Compruebe la torsión de las tuercas de las ruedas y apriételas a 122–136 N·m.
| Intervalo de mantenimiento y servicio | Procedimiento de mantenimiento |
|---|---|
| Cada vez que se utilice o diariamente |
|
Antes de cada uso, retire cualquier acumulación de hierba, suciedad u otros residuos de la rejilla del motor, del escape, y de la zona del motor. Esto ayuda a asegurar una refrigeración adecuada y una velocidad de motor correcta, y reduce la posibilidad de sobrecalentamiento y daños mecánicos al motor.
| Intervalo de mantenimiento y servicio | Procedimiento de mantenimiento |
|---|---|
| Cada 500 horas |
|
Note: Asegúrese de que utilizar este procedimiento si uno de los componentes del freno ha sido retirado o cambiado.
Coloque la máquina sobre una superficie nivelada.
Desengrane el mando de control de las cuchillas (TDF), ponga las palancas de control de movimiento en posición de BLOQUEO/PUNTO MUERTO y accione el freno de estacionamiento.
Apague el motor, retire la llave y espere a que se detengan todas las piezas en movimiento antes de abandonar el puesto del operador.
Prepare la máquina para ser empujada a mano. Consulte Uso de las válvulas de liberación de las ruedas motrices.
Levante la parte trasera de la máquina y apóyela sobre gatos fijos.
Puede ser peligroso confiar únicamente en gatos mecánicos o hidráulicos para elevar la máquina para realizar tareas de mantenimiento o reparación. Los gatos mecánicos o hidráulicos pueden no proporcionar suficiente apoyo, o pueden fallar y dejar caer la máquina, lo que podría provocar lesiones.
No confíe únicamente en gatos mecánicos o hidráulicos para apoyar la máquina. Utilice gatos fijos u otro medio de sustentación equivalente.
Ponga y quite el freno de estacionamiento y compruebe cada rueda motriz para asegurarse de que cada freno se activa y desactiva correctamente.
Si es necesario ajustarlos, quite el freno de estacionamiento. Retire la chaveta de la barra de acoplamiento del freno (Figura 60).

Compruebe la longitud de ambos muelles, según se muestra en Figura 61. Si es necesario ajustarlos, gire la tuerca superior en sentido horario para acortar el muelle y en sentido antihorario para alargarlo.

Empuje la palanca del freno de estacionamiento hacia delante y hacia abajo del todo.
Gire la barra de acoplamiento del freno hasta que el extremo esté alineado con el taladro de la palanca.
Acorte el acoplamiento girándolo en sentido horario.
Alargue el acoplamiento girándolo en sentido antihorario.
Introduzca la barra de acoplamiento del freno en el orificio del freno de estacionamiento, y sujétela con la chaveta. Repita el paso 6 y vuelva a ajustar si es necesario.
Cuando termine el ajuste, retire los gatos o los soportes y baje la máquina.
Ponga la máquina en la posición de OPERACIóN normal. Consulte Uso de las válvulas de liberación de las ruedas motrices.
| Intervalo de mantenimiento y servicio | Procedimiento de mantenimiento |
|---|---|
| Cada 50 horas |
|
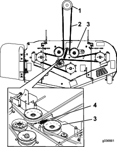
Cambie la correa si está desgastada. Las señales de una correa desgastada incluyen chirridos cuando la correa está en movimiento, patinaje de las cuchillas durante la siega, bordes deshilachados, o marcas de quemaduras o grietas.
Desengrane el mando de control de las cuchillas (TDF), ponga las palancas de control de movimiento en posición de BLOQUEO/PUNTO MUERTO y accione el freno de estacionamiento.
Pare el motor, retire la llave y espere a que se detengan todas las piezas en movimiento antes de abandonar el puesto del operador.
Baje el cortacésped a la posición de altura de corte de 76 mm.
Afloje el perno de cada cubierta de correa.
Afloje el perno inferior que sujeta el faldón de la carcasa a la carcasa del cortacésped; consulte Retirada del faldón de la carcasa de corte.
Retire el protector de chapa; consulte Retirada del protector de chapa.
Retire las cubiertas de las correas y los pernos que están sujetos a las mismas (Figura 62).

Alivie la tensión del muelle de la polea tensora. Consulte Figura 64.
Note: Utilice la herramienta para la retirada de muelles (Pieza Toro Nº 92 – 5771) para retirar el muelle del anclaje de la carcasa de corte (Figura 64).
Retire la correa de las poleas de la carcasa de corte y de la polea del embrague.
Pase la correa nueva alrededor de las poleas del cortacésped y de la polea del embrague, debajo del motor (Figura 63 ).


Instale el muelle tensor (Figura 63).
Note: Asegúrese de que los extremos del muelle están asentados en las ranuras de anclaje.
Instale las cubiertas de las correas y los pernos que están sujetos a las mismas (Figura 65).

Afloje el perno inferior que sujeta el faldón de la carcasa a la carcasa del cortacésped; consulte Retirada del faldón de la carcasa de corte.
Retire el protector de chapa; consulte Retirada del protector de chapa.
Desengrane el mando de control de las cuchillas (TDF) y accione el freno de estacionamiento.
Apague el motor, retire la llave y espere a que se detengan todas las piezas en movimiento antes de abandonar el puesto del operador.
Retire la correa del cortacésped; consulte Cómo cambiar la correa del cortacésped para carcasas de corte de descarga lateral.
Levante la máquina y apóyela sobre gatos fijos (Figura 67).
Retire el tope del embrague (Figura 66).

Retire el muelle tensor del espárrago (Figura 67).
Retire la correa existente de las poleas de transmisión de la bomba hidráulica y de la polea del motor.
Instale la correa nueva alrededor de la polea del motor y de las 2 poleas de la bomba hidráulica (Figura 67).

Instale el tope del embrague (Figura 66).
Instale la correa del cortacésped; consulte Mantenimiento de las correas.
Desengrane el mando de control de las cuchillas (TDF), ponga las palancas de control de movimiento en posición de BLOQUEO/PUNTO MUERTO y accione el freno de estacionamiento.
Apague el motor, retire la llave y espere a que se detengan todas las piezas en movimiento antes de abandonar el puesto del operador.
Para ajustar la altura:
Puede ajustar las palancas de control de movimiento hacia arriba o hacia abajo para que su uso sea más cómodo.
Retire las fijaciones que sujetan la palanca de control al brazo de control.

Mueva la palanca al juego de taladros siguiente. Sujete la palanca con las fijaciones.
Repita el ajuste con la otra palanca de control.
Ajuste de la inclinación
Retire el perno superior fija la palanca de control al brazo de la palanca.
Afloje el perno inferior lo suficiente para poder desplazar hacia adelante o hacia atrás la palanca de control. Apriete ambos pernos para fijar el control en la posición nueva.
Repita el ajuste con la otra palanca de control.

Si los extremos de las palancas chocan entre sí, consulte Ajuste de los acoplamientos de control de movimiento.
Los acoplamientos de control de las bombas están situados en cada lado de la máquina, debajo del asiento. Gire la tuerca del extremo con una llave de ½" para hacer ajustes finos a fin de que la máquina no se desplace en punto muerto. Los ajustes deben realizarse para la posición de punto muerto solamente.
El motor debe estar en marcha y las ruedas motrices deben estar girando para realizar los ajustes. El contacto con piezas en movimiento o superficies calientes puede causar lesiones personales.
Mantenga alejados de los componentes rotativos y de la superficies calientes los dedos, las manos y la ropa.
Antes de arrancar el motor, presione el pedal de elevación de la carcasa y retire el pasador de altura de corte. Baje la carcasa al suelo.
Levante la parte trasera de la máquina y apóyela sobre gatos fijos a una altura suficiente para permitir que las ruedas motrices giren libremente.
Retire la conexión eléctrica del interruptor de seguridad del asiento, situado debajo del cojín del asiento.
Note: El interruptor forma parte del conjunto del asiento.
Provisionalmente, instale un puente entre los terminales del conector del arnés de cables principal.
Arranque el motor. Haga funcionar el motor a su velocidad máxima y quite el freno de estacionamiento.
Note: Asegúrese de que el freno de estacionamiento está puesto y que las palancas de control de movimiento están hacia fuera para poder arrancar el motor. No es necesario que esté en el asiento.
Haga funcionar la máquina durante al menos 5 minutos con las palancas en la posición de velocidad máxima hacia adelante para que el fluido hidráulico alcance su temperatura normal de operación.
Note: La palanca de control de movimiento debe estar en punto muerto en el momento de realizar ajustes.
Ponga las palancas de control de movimiento en la posición de punto MUERTO.
Compruebe que las pestañas de la chapa de control tocan las chapas de retorno a punto muerto de las unidades hidráulicas.
Ajuste la longitud de las varillas de control de la bomba girando la tuerca en el sentido apropiado hasta que la ruedas se muevan ligeramente en marcha atrás (ver Figura 70).
Mueva las palancas de control de movimiento a la posición de MARCHA ATRáS y, aplicando una ligera presión a la palanca, deje que los muelles de marcha atrás devuelvan las palancas a punto muerto.
Note: Las ruedas deben dejar de girar o moverse muy lentamente en marcha atrás.
Note: Puede ser necesario retirar la tapa del panel de control de movimiento para poder acceder.

Apague la máquina.
Retire el puente del arnés de cables y enchufe el conector en el interruptor del asiento.
Retire los soportes.
Eleve la carcasa de corte e instale el pasador de altura de corte.
Compruebe que la máquina no se desplaza en punto muerto con el freno de estacionamiento quitado.
Asegúrese de que todas las mangueras y líneas de fluido hidráulicos están en buenas condiciones de uso, y que todos los acoplamientos y conexiones hidráulicos están apretados, antes de aplicar presión al sistema hidráulico.
Mantenga el cuerpo y las manos alejados de fugas pequeñas o boquillas que liberan fluido hidráulico a alta presión.
Utilice un cartón o un papel para buscar fugas hidráulicas.
Alivie de manera segura toda presión en el sistema hidráulico antes de realizar trabajo alguno en el sistema hidráulico.
Busque atención médica inmediatamente si el fluido penetra en la piel. Un médico deberá eliminar quirúrgicamente el fluido inyectado en pocas horas.
Tipo de fluido hidráulico: Fluido hidráulico Toro® HYPR-OIL™ 500 (recomendado) o aceite Mobil 1 15W-50.
Important: Utilice el fluido especificado. Otros fluidos podrían causar daños en el sistema.
Capacidad del sistema hidráulico (con los filtros retirados): 4,45 litros
| Intervalo de mantenimiento y servicio | Procedimiento de mantenimiento |
|---|---|
| Cada vez que se utilice o diariamente |
|
Deje que el fluido hidráulico se enfríe. Compruebe el nivel de aceite con el aceite frío.
Compruebe el depósito de expansión y si es necesario, añada fluido hidráulico Toro® HYPR-OIL™ 500 hasta la línea FULL COLD.

| Intervalo de mantenimiento y servicio | Procedimiento de mantenimiento |
|---|---|
| Después de las primeras 75 horas |
|
| Cada 250 horas |
|
| Cada 500 horas |
|
Cambie los filtros y el aceite al mismo tiempo. No vuelva a usar el aceite. Purgue el aire del sistema después de instalar los filtros nuevos y añadir aceite. Consulte Purga del sistema hidráulico.
Repita el proceso de purga hasta que el aceite permanezca en la línea FULL COLD del depósito después de la purga. Si no se realiza correctamente este procedimiento, pueden producirse daños irreparables en el sistema de tracción del transeje.
Pare el motor, espere a que se detengan todas las piezas en movimiento, deje que el motor se enfríe, retire la llave y ponga el freno de estacionamiento.
Localice el filtro y los protectores de cada sistema de tracción del transeje (Figura 72).
Retire los 3 tornillos que sujetan el protector del filtro, y retire el protector (Figura 72).

Limpie cuidadosamente la zona alrededor de los filtros.
Important: No permita que entre suciedad en el sistema hidráulico porque lo puede contaminar.
Coloque un recipiente de vaciado debajo del filtro para recoger el aceite que sale del filtro al retirarse el filtro y los tapones de ventilación.
Localice y retire el tapón de ventilación de cada transmisión.
Desenrosque el filtro, retírelo y deje que se vacíe el aceite del sistema de transmisión.
Repita este procedimiento en ambos filtros.
Aplique una capa fina de aceite a la superficie de la junta de goma de cada filtro.
Gire el filtro en sentido horario hasta que la junta de goma entre en contacto con el adaptador del filtro, luego apriete el filtro entre tres cuartos de vuelta y una vuelta completa más.
Haga lo mismo con el otro filtro.
Instale los protectores de filtro sobre cada filtro que retiró anteriormente.
Utilice los 3 tornillos para sujetar los protectores de los filtros.
Compruebe que los tapones de ventilación han sido retirados antes de añadir aceite.
Vierta lentamente aceite del tipo especificado en el depósito de expansión hasta que salga aceite de uno de los orificios de ventilación.
Coloque el tapón de ventilación.
Apriete la bujía a 20 N·m.
Siga añadiendo aceite a través del depósito de expansión hasta que el aceite salga del otro orificio de ventilación del segundo transmisión.
Instale el otro tapón de ventilación.
Apriete la bujía a 20 N·m.
Siga añadiendo aceite a través del depósito de expansión hasta que llegue a la línea FULL COLD del depósito de expansión.
Vaya al paso Purga del sistema hidráulico.
Important: Si no se realiza correctamente el procedimiento de Purga del sistema hidráulico después de cambiar los filtros hidráulicos y el aceite, pueden producirse daños irreparables en el sistema de tracción del transeje.

Levante la parte trasera de la máquina y apóyela sobre gatos fijos (u otro soporte equivalente) a una altura suficiente para permitir que las ruedas motrices giren libremente.

Arranque el motor, mueva el control del acelerador hacia adelante a la posición intermedia y quite el freno de estacionamiento.
Mueva las palancas de desvío a la posición de empujar la máquina. Con las válvulas de desvío abiertas y el motor en marcha, mueva lentamente las palancas de control de movimiento 5 ó 6 veces hacia adelante y hacia atrás.
Mueva las palancas de desvío a la posición de operación de la máquina.
Con la válvula de desvío cerrada y el motor en marcha, mueva lentamente la palanca de control 5 ó 6 veces hacia adelante y hacia atrás.
Apague el motor y verifique el nivel de aceite del depósito de expansión. Añada aceite del tipo especificado hasta que llegue a la línea FULL COLD del depósito de expansión.
Repita el paso 2 hasta que haya purgado todo el aire del sistema.
Note: Si el transeje funciona con un nivel de ruido normal, y se desplaza hacia adelante y hacia atrás a una velocidad normal, está purgado.
Verifique una vez más el nivel de aceite del depósito de expansión. Añada aceite del tipo especificado hasta que llegue a la línea FULL COLD del depósito de expansión.
Coloque el cortacésped en una superficie plana.
Desengrane el mando de control de las cuchillas (TDF), ponga las palancas de control de movimiento en posición de BLOQUEO/PUNTO MUERTO, y ponga el freno de estacionamiento.
Apague el motor, retire la llave y espere a que se detengan todas las piezas en movimiento antes de abandonar el puesto del operador.
Compruebe la presión de los neumáticos de las ruedas motrices. Consulte Comprobación de la presión de los neumáticos.
Ponga la carcasa de corte en la posición de bloqueo de transporte.
Gire cuidadosamente las cuchillas colocándolas perpendicularmente al sentido de avance de la máquina.
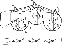
Mida entre la punta de la cuchilla y la superficie plana (Figura 75). Si hay una diferencia de más de 5 mm entre ambas dimensiones, ajuste la nivelación, y siga con este procedimiento.

Compruebe la inclinación longitudinal de las cuchillas (Figura 76). Asegúrese de que la punta de la cuchilla delantera está más baja que la punta de la cuchilla trasera, según se muestra en la tabla Altura de los bloques e inclinación. Si es necesario un ajuste, siga con este procedimiento.

Ajuste los rodillos protectores del césped en los taladros superiores o retírelos completamente para este ajuste.
Coloque dos bloques (consulte la tabla Altura de los bloques e inclinación) debajo del borde trasero del faldón de la carcasa de corte, uno en cada lado de la carcasa de corte (Figura 77).
Ponga la palanca de ajuste de altura de corte en la posición de 76 mm.
Coloque dos bloques debajo de cada lado del borde delantero de la carcasa, pero no debajo de los soportes de los rodillos protectores del césped o de las soldaduras.

| Tamaño de la carcasa | Altura del bloque delantero | Inclinación |
| Todas las carcasas de corte | 7,3 cm | 4,8 mm – 6,4 mm |
Gire cuidadosamente las cuchillas colocándolas perpendicularmente al sentido de avance de la máquina (Figura 75).
Afloje las contratuercas (Figura 78) en las 4 esquinas y compruebe que la carcasa de corte está bien asentada sobre los cuatro bloques.
Eliminar cualquier holgura de las cadenas de suspensión de la carcasa y asegúrese de que el pedal de elevación de la carcasa está hacia atrás, contra el tope.
Apriete las 4 contratuercas.

Asegúrese de que los bloques están ajustados debajo del faldón de la carcasa y que todos los pernos de fijación están bien apretados
Siga nivelando la carcasa comprobando la inclinación longitudinal (delante/detrás) de las cuchillas.
Compruebe la nivelación de las cuchillas y repita el procedimiento de nivelación de la carcasa si es necesario.
Para garantizar una calidad de corte superior, mantenga afiladas las cuchillas. Para que el afilado y la sustitución sean más cómodos, puede desear tener un stock de cuchillas de repuesto.
Una cuchilla desgastada o dañada puede romperse, y un trozo de la cuchilla podría ser arrojado hacia usted u otra persona, provocando lesiones personales graves o la muerte. Cualquier intento de reparar una cuchilla dañada puede anular la certificación de seguridad del producto.
Inspeccione periódicamente las cuchillas, para asegurarse de que no están desgastadas ni dañadas.
Tenga cuidado al comprobar las cuchillas. Envuelva las cuchillas o lleve guantes, y extreme las precauciones al manejar las cuchillas. Las cuchillas únicamente pueden ser cambiadas o afiladas; no las enderece ni las suelde nunca.
En máquinas con múltiples cuchillas, tenga cuidado puesto que girar una cuchilla puede hacer que giren otras cuchillas.
Aparque la máquina en una superficie nivelada, desengrane el mando de control de las cuchillas (TDF) y ponga el freno de estacionamiento.
Pare el motor, retire la llave y desconecte los cables de las bujías.
| Intervalo de mantenimiento y servicio | Procedimiento de mantenimiento |
|---|---|
| Cada vez que se utilice o diariamente |
|
Inspeccione los filos de corte (Figura 79).
Si los filos están romos o tienen muescas, retire la cuchilla y afílela; consulte Afilado de las cuchillas.
Inspeccione las cuchillas, especialmente en la parte curva.
Si observa fisuras, desgaste o la formación de una ranura en esta zona, instale de inmediato una cuchilla nueva (Figura 79).

Desengrane el mando de control de las cuchillas (TDF), ponga las palancas de control de movimiento en posición de BLOQUEO/PUNTO MUERTO, y ponga el freno de estacionamiento.
Apague el motor, retire la llave y espere a que se detengan todas las piezas en movimiento antes de abandonar el puesto del operador.
Gire las cuchillas hasta que los extremos estén orientados hacia adelante y hacia atrás.
Mida desde una superficie nivelada hasta el filo de corte, posición A, de las cuchillas (Figura 80).

Gire hacia adelante los otros extremos de las cuchillas.
Mida desde una superficie nivelada hasta el filo de corte de las cuchillas en la misma posición que en el paso 4 arriba.
Note: La diferencia entre las dimensiones obtenidas en los pasos 4 y 6 no debe superar los 3 mm.
Note: Si esta dimensión es de más de 3 mm, la cuchilla está doblada y debe ser cambiada.
Una cuchilla doblada o dañada podría romperse y podría causar graves lesiones o la muerte a usted o a otras personas.
Siempre sustituya una cuchilla doblada o dañada por una cuchilla nueva.
No lime ni cree muescas afiladas en los bordes o en la superficie de la cuchilla.
Las cuchillas deben cambiarse si golpean un objeto sólido, si están desequilibradas o si están dobladas. Para asegurar un rendimiento óptimo y el continuado cumplimiento de las normas de seguridad de la máquina, utilice cuchillas de repuesto genuinas Toro. Las cuchillas de repuesto de otros fabricantes pueden hacer que se incumplan las normas de seguridad.
Sujete el eje de la cuchilla con una llave.
Retire el perno de la cuchilla, la arandela curva y la cuchilla del eje (Figura 81).

Utilice una lima para afilar el filo de corte en ambos extremos de la cuchilla (Figura 82).
Note: Mantenga el ángulo original.
Note: La cuchilla permanece equilibrada si se retira la misma cantidad de material de ambos filos de corte.

Verifique el equilibrio de la cuchilla colocándola sobre un equilibrador de cuchillas (Figura 83).
Note: Si la cuchilla se mantiene horizontal, está equilibrada y puede utilizarse.
Note: Si la cuchilla no está equilibrada, rebaje algo el metal en la parte de la vela solamente (Figura 82).

Repita este procedimiento hasta que la cuchilla esté equilibrada.
Instale la cuchilla en el eje (Figura 84).
Important: La parte curva de la cuchilla debe apuntar hacia arriba, hacia el interior del cortacésped para asegurar un corte correcto.
Instale la arandela de muelle y el perno de la cuchilla (Figura 84).
Note: El cono de la arandela elástica debe estar orientado hacia la cabeza del perno (Figura 84).
Apriete el perno de la cuchilla a 115–150 N·m.

Pare el motor, espere a que se detengan todas las piezas en movimiento y retire la llave. Ponga el freno de estacionamiento.
Retire el pasador de ajuste de altura y baje la carcasa al suelo.
Coloque el pasador de ajuste de altura en el taladro que corresponde a una altura de 7,6 cm (3").
Retire las cubiertas de las correas.
Afloje el tensor de la carcasa de corte y retire la correa del cortacésped; consulte Mantenimiento de las correas.
Retire los pernos y las tuercas de la parte delantera de la placa situada debajo del reposapiés.
Retire y guarde los pernos y las tuercas de ambos lados de la máquina (Figura 85).

Retire la carcasa de debajo del lado derecho de la máquina.
Si el hueco de descarga se deja destapado, el cortacésped podría arrojar objetos hacia usted o hacia otras personas y causar lesiones graves. También podría producirse un contacto con la cuchilla.
No utilice nunca el cortacésped sin tener instalado una tapa, una placa de mulching, un deflector de hierba o un ensacador.
Retire la contratuerca, el perno, el muelle y el espaciador que sujetan el deflector a los soportes de pivote (Figura 86).
Retire el deflector de hierba dañado o desgastado (Figura 86).

Coloque el espaciador y el muelle en el deflector de hierba.
Coloque uno de los ganchos en J del muelle detrás del reborde de la carcasa.
Note: Asegúrese de colocar un extremo con gancho en J del muelle detrás del reborde de la carcasa antes de instalar el perno, según se muestra en Figura 86.
Instale el perno y la tuerca.
Coloque 1 extremo en J del muelle alrededor del deflector de hierba (Figura 86).
Important: El deflector de hierba debe poder girar. Levante el deflector hasta que esté totalmente abierto, y asegúrese de que gire hasta cerrarse por completo.
| Intervalo de mantenimiento y servicio | Procedimiento de mantenimiento |
|---|---|
| Cada vez que se utilice o diariamente |
|
Desengrane el mando de control de las cuchillas (TDF), ponga las palancas de control de movimiento en posición de BLOQUEO/PUNTO MUERTO, y ponga el freno de estacionamiento.
Pare el motor, retire la llave y espere a que se detengan todas las piezas en movimiento antes de abandonar el puesto del operador.
Eleve el cortacésped a la posición de transporte.
El aceite de motor, las baterías, el aceite hidráulico y el refrigerante del motor son contaminantes medioambientales. Elimínelos de acuerdo con la normativa estatal y local.
Desengrane el mando de control de las cuchillas (TDF), accione el freno de estacionamiento, gire la llave de contacto a DESCONECTADO y retire la llave.
Retire los recortes de hierba, la suciedad y la mugre de las piezas externas de toda la máquina, especialmente el motor y el sistema hidráulico. Limpie la suciedad y la broza de la parte exterior del alojamiento de las aletas de la culata de cilindros del motor y del soplador.
Important: La máquina puede lavarse con un detergente suave y agua. No lave la máquina a presión. Evite el uso excesivo de agua, especialmente cerca del panel de control, el motor, las bombas hidráulicas y los motores eléctricos.
Compruebe el freno; consulte Ajuste del freno de estacionamiento.
Revise el limpiador de aire; consulte Mantenimiento del limpiador de aire.
Engrase la máquina; consulte Engrasado de la máquina.
Cambie el aceite del cárter; consulte Cambio del aceite de motor y el filtro de aceite.
Compruebe la presión de los neumáticos; consulte Comprobación de la presión de los neumáticos.
Cambie los filtros hidráulicos; consulte Cambio de los filtros y el fluido del sistema hidráulico.
Cargue la batería; consulte Cómo cargar la batería.
Rasque cualquier acumulación importante de hierba y suciedad de los bajos del cortacésped, luego lávelo con una manguera de jardín.
Note: Haga funcionar la máquina con el mando de control de las cuchillas (TDF) engranado y el motor en ralentí alto durante 2 a 5 minutos después del lavado.
Compruebe la condición de las cuchillas; consulte Inspección de las cuchillas.
Prepare la máquina para su almacenamiento cuando no la vaya a utilizar durante más de 30 días. Prepare la máquina para el almacenamiento de la manera siguiente:
Agregue un estabilizador/acondicionador a base de petróleo al combustible del depósito. Siga las instrucciones de mezcla del fabricante del estabilizador. No use un estabilizador a base de alcohol (etanol o metanol).
Note: Un estabilizador/acondicionador de combustible es más eficaz cuando se mezcla con combustible fresco y se utiliza en todo momento.
Haga funcionar el motor para distribuir el combustible con acondicionador por todo el sistema de combustible (5 minutos).
Apague el motor, deje que se enfríe y drene el depósito de combustible; póngase en contacto con un Distribuidor Autorizado Toro.
Arranque el motor y hágalo funcionar hasta que se pare.
Deseche el combustible adecuadamente. Recicle observando la normativa local.
Important: No guarde el combustible con estabilizador/acondicionador durante más de 90 días.
Revise y apriete todos los pernos, tuercas y tornillos. Repare o sustituya cualquier pieza dañada.
Pinte las superficies que estén arañadas o donde esté visible el metal. Puede adquirir la pintura en su Servicio Técnico Autorizado.
Guarde la máquina en un garaje o almacén seco y limpio.
Retire la llave de contacto y guárdela fuera del alcance de niños u otros usuarios no autorizados.
Cubra la máquina para protegerla y para conservarla limpia.
| Problem | Possible Cause | Corrective Action |
|---|---|---|
| El motor de arranque no se engrana. |
|
|
| El motor no arranca, arranca con dificultad, o no sigue funcionando. |
|
|
| El motor pierde potencia. |
|
|
| El motor se sobrecalienta. |
|
|
| El cortacésped se desvía a la derecha o a la izquierda (con las palancas totalmente hacia adelante). |
|
|
| No es posible conducir la máquina. |
|
|
| La máquina vibra de manera anormal. |
|
|
| La máquina produce una altura de corte desigual. |
|
|
| Las cuchillas no giran. |
|
|
| El embrague no se engrana. |
|
|
