| Vedligeholdelsesintervaller | Vedligeholdelsesprocedure |
|---|---|
| Hver anvendelse eller dagligt |
|
Denne plænetraktor med roterende blade er beregnet til brug af boligejere eller professionelle, ansatte operatører. Den er primært beregnet til klipning af græs på velholdte plæner på private eller kommercielle ejendomme. Den er ikke beregnet til at klippe krat eller til landbrugsformål.
Læs denne vejledning omhyggeligt, så du kan lære at betjene og vedligeholde produktet korrekt samt undgå person- og produktskade. Det er dit ansvar at betjene produktet korrekt og sikkert.
Du kan kontakte Toro direkte på www.Toro.com for at få materialer om produktsikkerhed og oplæring i betjening, oplysninger om tilbehør, hjælp til at finde en forhandler eller for at registrere dit produkt.
Når du har brug for service, originale Toro-dele eller yderligere oplysninger, bedes du kontakte en autoriseret serviceforhandler eller Toros kundeservice samt have produktets model- og serienummer parat. Figur 1 angiver, hvor model- og serienummeret er placeret på produktet. Skriv numrene, hvor der er gjort plads til dette.

Denne vejledning advarer dig om mulige farer og giver dig særlige sikkerhedsoplysninger ved hjælp af advarselssymbolet (Figur 2), der angiver en fare, som kan forårsage alvorlig personskade eller død, hvis du ikke følger de anbefalede forholdsregler.

Denne betjeningsvejledning bruger to ord til at fremhæve oplysninger. Vigtigt henleder opmærksomheden på særlige mekaniske oplysninger, og Bemærk angiver generel information, som det er værd at lægge særligt mærke til.
Dette produkt overholder alle relevante EU-direktiver. Yderligere oplysninger fås på den separate produktspecifikke overensstemmelseserklæring.
Dette gnisttændingssystem er i overensstemmelse med de canadiske ICES-002.
Fjernelse af standarddele og -tilbehør, der er originaludstyr, kan ændre maskinens garanti, traktion og sikkerhed. Hvis der ikke anvendes originale Toro-dele, kan det medføre alvorlig personskade eller død. Uautoriserede ændringer i motoren eller brændstof- eller udluftningssystemet kan udgøre en overtrædelse af bestemmelser.
Udskift alle dele, herunder, men ikke begrænset til, dæk, remme, skæreknive og komponenter i brændstofsystemet, med originale Toro-dele.
Important: Hvis du i en periode bruger en maskine med en Toro-motor på over 1500 m, skal du sikre, at High Altitude-sættet er blevet monteret, så motoren overholder CARB/EPA-emissionsbestemmelserne. High Altitude-sættet øger motorens ydeevne, mens forurening af tændrøret, startvanskeligheder og øgede emissioner forhindres. Når du har monteret sættet, skal du påsætte High Altitude-mærkaten ved siden af seriemærkaten på maskinen. Kontakt en autoriseret Toro-serviceforhandler for at opnå det korrekte High Altitude-sæt og -mærkat til din maskine. Du kan finde en forhandler på vores websted www.Toro.com eller kontakte vores Toro Customer Care Department på de telefonnumre, der er anført i garantierklæringen om motoremissionskontrol.Fjern sættet fra motoren, og gendan motorens oprindelige fabrikskonfiguration, når motoren kører under 1500 m. Betjen ikke en motor, der har været omstillet til brug i højder, i lavere højder, da motoren kan overophede og blive beskadiget.Hvis du er i tvivl om, hvorvidt maskinen har været omstillet til brug i højder, kan du kigge efter følgende mærkat (Figur 3).

Denne maskine er designet i overensstemmelse med EN ISO 5395:2013.
Dette produkt kan afskære hænder og fødder samt udslynge genstande. Følg altid sikkerhedsforskrifterne for at undgå alvorlig personskade.
Brug af dette produkt til andre end det tiltænkte formål kan udsætte dig selv og omkringstående for fare.
Læs og forstå indholdet i denne betjeningsvejledning, før du starter motoren. Sørg for, at alle produktets brugere er fortrolige med betjeningen af det og forstår advarslerne.
Hold hænder og fødder væk fra bevægelige maskinkomponenter.
Betjen ikke maskinen, uden at alle værn og øvrige sikkerhedsanordninger sidder korrekt på plads og virker på maskinen.
Hold afstand til udblæsningsåbninger. Hold omkringstående på sikker afstand af maskinen.
Hold børn væk fra arbejdsområdet. Lad aldrig børn betjene maskinen.
Stop maskinen, og sluk motoren, før den efterses, fyldes med brændstof eller ryddes for tilstopninger.
Hvis maskinen betjenes eller vedligeholdes forkert, kan der være risiko for personskade. Operatøren skal altid følge sikkerhedsforskrifterne og være opmærksom på advarselssymbolet, der betyder Forsigtig, Advarsel eller Fare – ”personlig sikkerhedsanvisning” for at nedsætte risikoen for personskade. Hvis disse forskrifter ikke følges, kan det medføre personskade eller død.
Du kan finde yderligere sikkerhedsoplysninger i de relevante sektioner i denne manual.

![]() |
Sikkerheds- og instruktionsmærkaterne kan nemt ses af operatøren og er placeret tæt på potentielle risikoområder. Beskadigede eller bortkomne mærkater skal udskiftes. |



























Før du starter motoren og anvender maskinen, er det vigtigt, at du er fortrolig med alle maskinens betjeningsanordninger (Figur 5 og Figur 6).

Denne kontakt bruges til at starte plæneklipperens motor. Den har tre positioner: START, RUN (kør) og OFF (fra).
Brug chokeren, før du starter en kold motor. Træk op i chokerhåndtaget for at aktivere chokeren. Skub chokerhåndtaget i bund for at deaktivere den (Figur 6).
Gashåntaget kontrollerer motorhastigheden, og den har en trinløst regulerbar indstilling fra positionen LANGSOM til HURTIG (Figur 6).
Kontakten til regulering af skæreknive (kraftudtag) indkobler og udkobler strømmen til skæreknivene (Figur 6).
Timetælleren registrerer, hvor mange timer motoren har kørt. Den kører, når motoren er i gang. Brug disse tal til planlægning af regelmæssig vedligeholdelse (Figur 6).
Der er symboler på timetælleren, som angiver med en sort trekant, at sikkerhedslåsekomponenten befinder sig i den korrekte position (Figur 7).
Når tændingsnøglen drejes til positionen ON (tændt) i nogle få sekunder, vises batterispændingen i det område, hvor timerne normalt vises.
Batterilampen tænder, når tændingen slås til, og når ladningen er under det korrekte driftsniveau (Figur 7).

Bevægelseshåndtagene bruges til at køre maskinen frem og tilbage og dreje den fra side til side.
Brug den NEUTRALE LåSEPOSITION med sikkerhedslåsesystemet til at finde den NEUTRALE position.
Luk brændstofafbryderventilen (bag ved sædet), når plæneklipperen transporteres eller stilles til opbevaring.
Der kan fås en række forskellige Toro-godkendte redskaber og tilbehør til brug sammen med maskinen, som gør den bedre og mere alsidig. Kontakt en autoriseret serviceforhandler eller gå ind på www.Toro.com for at få en liste over alt godkendt udstyr og tilbehør.
Note: Specifikationer og design kan ændres uden forudgående varsel.
| Plæneklipperskjold på 122 cm | Plæneklipperskjold 132 cm | |
|---|---|---|
| Uden plæneklipperskjold | 121 cm | 124 cm |
| Deflektor oppe | 133 cm | 144 cm |
| Deflektor nede | 160 cm | 171 cm |
| Plæneklipperskjold på 122 cm | Plæneklipperskjold på 132 cm | |
|---|---|---|
| Længde | 208 cm | 208 cm |
| Styrtbøjle – oppe | Styrtbøjle – nede |
|---|---|
| 179 cm | 125 cm |
| Maskiner | Vægt |
| Maskiner på 122 cm med sideudblæsning | 385-425 kg |
| Maskiner på 132 cm med sideudblæsning | 391-434 kg |
Note: Maskinens venstre og højre side er som set fra den normale betjeningsposition.
Maskinen må aldrig betjenes eller vedligeholdes af børn eller utrænet personale. Vær opmærksom på, at lokale forskrifter kan angive en mindstealder for operatøren. Ejeren er ansvarlig for at træne alle operatører og mekanikere.
Bliv fortrolig med anvisningerne for sikker betjening af udstyret samt med betjeningsanordningerne og sikkerhedssymbolerne.
Du skal vide, hvordan man standser maskinen og motoren hurtigt.
Kontroller, at dødemandsgreb, sikkerhedskontakter og afskærmninger er korrekt påmonteret og fungerer korrekt. Betjen ikke maskinen, hvis de ikke fungerer korrekt.
Før du klipper, skal du altid efterse maskinen for at sikre, at skæreknivene, skæreknivsboltene og klippeenhederne er i god driftsmæssig stand. Udskift slidte eller beskadigede skæreknive og bolte sætvis for at bevare afbalanceringen.
Efterse området, hvor maskinen skal bruges, og fjern alle objekter, som maskinen kan risikere at udslynge.
Vurder terrænet for at fastsætte det mest passende udstyr og relevante redskaber eller tilbehør, der kræves for at betjene maskinen korrekt og sikkert.
For at undgå person- eller tingsskade skal du være yderst forsigtig, når du håndterer brændstof. Brændstofdampe er brandfarlige og eksplosive.
Sluk alle cigaretter, cigarer, piber og andre antændingskilder.
Brug kun en godkendt brændstofbeholder.
Fjern ikke brændstofdækslet eller fyld brændstof på brændstoftanken, mens motoren kører, eller mens den er varm.
Påfyld ikke maskinen indendørs.
Opbevar ikke maskinen eller brændstofbeholderen, hvor der er åben ild, gnister eller vågeblus som f.eks på en vandvarmer eller på andre apparater.
Fyld ikke beholdere i et køretøj eller på en lastbil eller anhænger med plastikforing. Stil altid beholdere på jorden med afstand fra køretøjet før påfyldning.
Fjern udstyr fra lastbilen eller anhængeren, og fyld brændstof på, mens den er på jorden. Hvis dette ikke er muligt, skal påfyldningen foregå vha. en bærbar beholder i stedet for direkte fra brændstofstanderen.
Betjen ikke maskinen, medmindre hele udstødningssystemet er på plads og i god driftsmæssig stand.
Påfyldningsdysen skal altid være i kontakt med kanten af åbningen i brændstoftanken eller -beholderen, indtil påfyldningen er afsluttet. Brug ikke låseenhed for slangespidsen.
Hvis du spilder brændstof på dit tøj, skal du straks skifte tøj. Tør eventuelt spildt brændstof op.
Overfyld aldrig brændstoftanken. Sæt brændstofdækslet på igen, og stram det.
Opbevar brændstof i en godkendt beholder og utilgængeligt for børn. Køb aldrig benzin til mere end 30 dages forbrug.
Fyld ikke brændstoftanken helt op. Fyld brændstof på brændstoftanken, indtil niveauet er 6–13 mm under bunden af påfyldningsstudsen. Dette tomrum giver brændstoffet i tanken plads til at udvide sig.
Undgå længere tids indånding af dampe.
Hold ansigtet væk fra dysen og brændstoftankens åbning.
Undgå kontakt med huden, og vask spildte væsker af med sæbe og vand.
For at opnå de bedste resultater skal du kun bruge ren, frisk (højst 30 dage gammel) blyfri benzin med et oktantal på 87 eller højere ((R+M)/2-ratingmetode).
Ethanol: Benzin med op til 10 % ethanol (gasohol) eller 15 % MTBE (metyl-tertiær-butylæter) pr. volumen accepteres. Ethanol og MTBE er ikke det samme. Benzin med 15 % ethanol (E15) pr. volumen godkendes ikke til brug. Brug aldrig benzin, der indeholder mere end 10 % ethanol pr. volumen, som f.eks. E15 (indeholder 15 % ethanol), E20 (indeholder 20 % ethanol) eller E85 (indeholder op til 85 % ethanol). Hvis der anvendes ikke-godkendt benzin, kan det medføre ydelsesproblemer og/eller beskadigelse af motoren, som muligvis ikke er dækket af garantien.
Anvend ikke benzin, der indeholder metanol.
Opbevar ikke brændstof i hverken brændstoftanken eller brændstofdunke hen over vinteren, medmindre du anvender en brændstofstabilisator.
Fyld ikke olie i benzin.
Brug af brændstofstabilisator i traktoren giver følgende fordele:
Holder brændstoffet frisk ved opbevaring i op til 90 dage eller derunder (tøm brændstoftanken, hvis maskinen skal stilles til opbevaring i mere end 90 dage)
Renser motoren, når den kører.
Forhindrer opbygning af gummiagtige lakaflejringer i brændstofsystemet, som medfører startvanskeligheder.
Important: Tilsæt aldrig brændstofadditiver, der indeholder metanol eller etanol.
Tilsæt den korrekte mængde brændstofstabilisator til brændstoffet.
Note: En brændstofstabilisator er mest effektiv, når den blandes med frisk brændstof. Brug altid brændstofstabilisator for at minimere risikoen for lakaflejringer i brændstofsystemet.
Parker maskinen på en plan flade.
Sluk for motoren, og aktiver parkeringsbremsen.
Rengør området rundt om brændstoftankens dæksel.
Fyld brændstoftanken op til bunden af påfyldningsstudsen (Figur 8).
Note: Fyld ikke brændstoftanken helt op. Den tomme plads giver benzinen i brændstoftanken plads til at udvide sig.

Før du starter motoren og bruger maskinen, skal du kontrollere oliestanden i motorens krumtaphus. Se anvisning under Kontrol af motoroliestanden.
Det tager tid, før nye motorer kommer op på fuld kraft. Der er større friktion ved nye plæneklipperskjolde og drivsystemer, hvilket betyder større motorbelastning. Giv nye maskiner en indkøringstid på 40 til 50 timer for at komme op på fuld kraft for at opnå den bedste ydelse.
Undgå personskade eller død pga. væltning: Hold styrtbøjlen i den fuldt hævede, låste position, og brug sikkerhedsselen.
Sørg for, at sædet er fastgjort til maskinen.
Du er ikke beskyttet af styrtbøjlen, når styrtbøjlen er i sænket position.
Sænk kun styrtbøjlen, når det er absolut nødvendigt.
Spænd ikke sikkerhedsselen, når styrtbøjlen er i sænket position.
Kør langsomt og forsigtigt.
Hæv styrtbøjlen, lige så snart der er plads til, at den kan hæves.
Kontroller omhyggeligt, om der er fri højde over dit hoved, dvs. om der er fri for grene, døråbninger, elektriske ledninger, før du kører under nogen genstand, og kom ikke i berøring med sådanne.
Important: Sænk kun styrtbøjlen, når det er absolut nødvendigt.
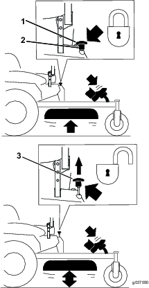
Skub frem på den øverste del af styrtbøjlen for at sænke den.
Træk begge greb ud, og drej dem 90 grader, så de ikke sidder fast (Figur 9).
Sænk styrtbøjlen til sænket position (Figur 9).

Hæv styrtbøjlen til betjeningsposition, og drej grebene, så de skubbes delvist ind i rillerne, for at hæve styrtbøjlen (Figur 9).
Løft styrtbøjlen til helt oprejst position, samtidig med at der skubbes på den øverste del af styrtbøjlen. Derefter springer stifterne på plads, når hullerne placeres ud for stifterne (Figur 9).
Important: Brug altid sikkerhedsselen, når styrtbøjlen er i den hævede position.
Tryk på styrtbøjlen, og kontroller, at begge stifter sidder fast.
Læs alle sikkerhedsforskrifterne grundigt igennem, og gør dig bekendt med de symboler, der findes i afsnittet om sikkerhed. Disse oplysninger kan hjælpe dig eller omkringstående personer med at undgå at komme til skade.
Betjening af maskinen på vådt græs eller stejle skråninger kan forårsage udskridning og mistet herredømme.
Betjen aldrig maskinen på skråninger med en større hældning end 15 grader.
Sænk hastigheden, og vær yderst forsigtig på skråninger.
Betjen ikke maskinen i nærheden af vand.
Hjul, der kører ud over kanter, kan forårsage, at maskinen vælter, hvilket kan medføre alvorlige kvæstelser, død eller drukning.
Betjen ikke sneslyngen i nærheden af stejle skråninger.
Betjening af maskinen, mens styrtbøjlen er nede, kan medføre alvorlige kvæstelser eller død, hvis maskinen vælter.
Hold altid styrtbøjlen i den fuldt hævede, låste position, og brug sikkerhedsselen.

Denne maskine afgiver støj på mere end 85 dBA ved operatørens ører og kan give nedsat hørelse ved længere tids anvendelse.
Brug høreværn, når du betjener denne maskine.
Brug beskyttelsesudstyr til øjne, ører, hænder, fødder og hoved.

Hvis kontakterne til sikkerhedslåsesystemet udkobles eller beskadiges, kan maskinen reagere uventet og forårsage personskade.
Pil ikke ved sikkerhedskontakterne.
Kontroller dagligt, at sikkerhedskontakterne fungerer og udskift eventuelle beskadigede kontakter, før du betjener maskinen.
Sikkerhedslåsesystemet er udviklet med henblik på at forhindre motoren i at starte, medmindre:
Parkeringsbremsen er aktiveret.
Kontakten til regulering af skæreknive (kraftudtag) er koblet fra.
Bevægelseshåndtagene er placeret i den NEUTRALE LåSEPOSITION.
Sikkerhedslåsesystemet er også konstrueret til at slukke motoren, når traktionskontrolhåndtagene flyttes fra låst position med parkeringsbremsen aktiveret, eller hvis du rejser dig fra sædet, når kraftudtaget er indkoblet.
Timetælleren har symboler, som angiver over for brugeren, hvornår låsekomponenten er i den korrekte position. Når komponenten er i den korrekte position, lyser en trekant i den tilhørende firkant.

| Vedligeholdelsesintervaller | Vedligeholdelsesprocedure |
|---|---|
| Hver anvendelse eller dagligt |
|
Kontroller altid sikkerhedslåsesystemet, før du betjener maskinen. Hvis sikkerhedssystemet ikke fungerer som beskrevet i det følgende, skal der straks tilkaldes en autoriseret forhandler til at reparere sikkerhedssystemet.
Aktiver parkeringsbremsen, mens du sidder i sædet, og flyt kontakten til regulering af skæreknive (kraftudtag) til positionen ON (til). Prøv at starte motoren: Motoren bør ikke starte.
Aktiver parkeringsbremsen, mens du sidder i sædet, og flyt kontakten til regulering af skæreknive (kraftudtag) til positionen OFF (fra). Flyt et af bevægelseshåndtagene (væk fra den NEUTRALE LåSEPOSITION). Prøv at starte motoren: Motoren bør ikke starte. Gentag for det andet bevægelseshåndtag.
Aktiver parkeringsbremsen, mens du sidder i sædet, og flyt kontakten til regulering af skæreknivene (kraftudtag) til positionen OFF (fra), og flyt bevægelseshåndtagene til den NEUTRALE LåSEPOSITION. Start derefter motoren. Deaktiver parkeringsbremsen, indkobl kontakten til regulering af skæreknive (kraftudtag), og rejs dig derefter let fra sædet, mens motoren kører. Motoren bør nu slukke.
Aktiver parkeringsbremsen, mens du sidder i sædet, og flyt kontakten til regulering af skæreknivene (kraftudtag) til positionen OFF (fra), og flyt bevægelseshåndtagene til den NEUTRALE LåSEPOSITION. Start derefter motoren. Mens motoren kører, skal et af bevægelseshåndtagene centreres og flyttes (frem eller tilbage). Motoren bør nu slukke. Gentag fremgangsmåden for det andet bevægelseshåndtag.
Deaktiver parkeringsbremsen, mens du sidder i sædet, og flyt kontakten til regulering af skæreknivene (kraftudtag) til positionen OFF (fra), og flyt bevægelseshåndtagene til den NEUTRALE LåSEPOSITION. Prøv at starte motoren: Motoren bør ikke starte.
Sædet kan flyttes frem og tilbage (Figur 13). Anbring sædet i den stilling, hvor du har den bedste kontrol over maskinen og sidder mest behageligt.

Sædet kan justeres for at give en jævn og behagelig kørsel. Indstil sædet til den position, hvor du sidder mest behageligt.
Drej på knappen foran på sædet for at opnå den mest behagelige position (Figur 14).

Brug kun redskaber og tilbehør, der er godkendt af Toro.
Hvis der anvendes mere end ét tilbehørsmonteringssæt (dvs. skovlsættet eller universalmonteringssættet) et af de fire steder, der er vist i Figur 15, skal der påsættes et frontvægtsæt. Køb frontvægtsættet hos din autoriserede serviceforhandler.

Ejeren/operatøren kan forhindre og er ansvarlig for ulykker, som kan forårsage personskade eller beskadigelse af ejendom.
Bær korrekt beklædning, herunder beskyttelsesbriller, skridsikkert, kraftigt fodtøj og høreværn. Sæt langt hår op, og bær ikke smykker.
Betjen ikke maskinen, hvis du er syg, træt eller påvirket af alkohol eller medicin.
Kør aldrig med passagerer på maskinen, og hold omkringstående personer og kæledyr væk fra maskinen under drift.
Betjen kun maskinen ved god sigtbarhed for at undgå huller eller skjulte farer.
Undgå at klippe vådt græs. Nedsat traktion kan få maskinen til at skride ud.
Sørg for, at alle drev er i neutral, at parkeringsbremsen er aktiveret, og at du sidder i betjeningspositionen, inden motoren startes.
Hold dine hænder og fødder væk fra klippeenhederne. Hold dig altid på afstand af udkaståbningen.
Se bagud og ned for at sikre, at der er fri bane, før du bakker.
Vær forsigtig, når du nærmer dig blinde hjørner, buske, træer eller andre genstande, der kan blokere for dit udsyn.
Klip ikke i nærheden af bratte afsatser, grøfter eller volde. Maskinen kan pludselig vælte, hvis et hjul kører over kanten, eller hvis en kant giver efter.
Stop altid skæreknivene, når du ikke klipper.
Stop maskinen, og efterse skæreknivene, når du har ramt en genstand, eller hvis der opstår en unormal vibration i maskinen. Foretag alle nødvendige reparationer, inden driften genoptages.
Sænk farten, og vær forsigtig, når du vender og krydser veje og fortove med maskinen. Hold altid tilbage for andre.
Udkobl klippeenhedernes drev, og sluk motoren før justering af klippehøjden (medmindre du kan justere den fra betjeningspositionen).
Lad aldrig motoren køre i et område, hvor udstødningsgasser indespærres.
Efterlad aldrig en kørende maskine uden opsyn.
Før du forlader betjeningspositionen (også hvis det er for at tømme fangene eller rense slisken), skal du gøre følgende:
Stop maskinen på plant terræn.
Udkobl kraftudtaget, og sænk redskaberne.
Aktiver parkeringsbremsen.
Sluk motoren, og tag nøglen ud.
Vent, til alle bevægelige dele standser.
Betjen ikke maskinen, når der er risiko for lynnedslag.
Anvend ikke maskinen som et bugseringskøretøj.
Lav ikke om på regulatorindstillingerne, og kør ikke motoren med for høj hastighed.
Brug kun tilbehør og redskaber, der er godkendt af Toro.
Du må ikke fjerne styrtbøjlen fra maskinen.
Sørg for, at sikkerhedsselen er spændt, og at du kan frigøre den hurtigt i nødstilfælde.
Bær altid sikkerhedssele, når styrtbøjlen er oppe.
Kontroller omhyggeligt, om der er forhindringer oven over dig, og sørg for, at du i så fald ikke kommer i kontakt med dem.
Hold styrtbøjlen i sikker driftsmæssig stand ved at udføre grundige periodiske skadeseftersyn og tilspænde alle fastspændingsanordninger.
Udskift styrtbøjlen, hvis den er beskadiget. Du må ikke reparere eller ændre den.
Sænk maskinens hastighed, og udvis ekstra forsigtighed på skråninger. Kørsel op og ned ad skråninger. Plæneforholdene kan påvirke maskinens stabilitet.
Undlad at dreje maskinen på skråninger. Hvis du er nødt til at dreje maskinen, skal du dreje langsomt og gradvist ned ad bakke, hvis det er muligt.
Undlad at foretage skarpe sving med maskinen. Vær forsigtig, når maskinen bakkes.
Udvis ekstra forsigtighed, når du betjener maskinen med redskaber, da de kan påvirke maskinens stabilitet.
Aktiver altid parkeringsbremsen, når du standser maskinen eller efterlader den uden opsyn.
Det er ikke sikkert, at parkeringsbremsen kan holde maskinen parkeret på en skråning, og den kan derfor forårsage personskade eller beskadigelse af ejendom.
Parker ikke på skråninger, medmindre hjulene klodses op eller blokeres.


Kontakten til regulering af skæreknivene (kraftudtag) starter og stopper skæreknivene og eventuelle motordrevne redskaber.
Note: Indkobling af kontakten til regulering af skæreknivene (kraftudtag) med gashåndtaget i "midtvejs" position eller mindre, forårsager overdrevent stort slid på drivremmene.


Du kan flytte gashåndtaget mellem positionerne FAST (hurtig) og SLOW (langsom) (Figur 20).
Brug altid positionen FAST (hurtig), når plæneklipperskjoldet tændes med kontakten til regulering af skæreknivene (kraftudtag).

Drej tændingsnøglen til positionen START (Figur 22).
Note: Slip nøglen, når motoren starter.
Important: Aktiver ikke starteren i mere end 5 sekunder ad gangen. Hvis motoren ikke starter, skal du vente 15 sekunder mellem forsøgene. Følges disse instruktioner ikke, kan startermotoren brænde sammen.
Note: Der skal muligvis flere forsøg til at starte motoren, når du starter den første gang, efter at brændstofsystemet har været helt uden brændstof.

Drej tændingsnøglen til positionen STOP for at slukke motoren.
Løft styrtbøjlen op, og lås den på plads. Tag plads i sædet, og spænd sikkerhedsselen.
Flyt bevægelseshåndtagene til den NEUTRALE LåSEPOSITION.
Aktiver parkeringsbremsen. Se Aktivering af parkeringsbremsen.
Flyt kontakten til regulering af skæreknivene (kraftudtag) til positionen OFF (fra) (Figur 23).
Sæt gashåndtaget midtvejs mellem positionen SLOW (langsom) og FAST (hurtig).

Drej tændingsnøglen til positionen START (Figur 24).
Note: Slip nøglen, når motorerne starter.
Important: Aktiver ikke starteren i mere end 5 sekunder ad gangen. Hvis motoren ikke starter, skal du lade den køle af i 15 sekunder mellem startforsøgene. Følges disse instruktioner ikke, kan startermotoren brænde sammen.
Note: Der kan være behov for yderligere startcyklusser ved start af motoren første gang, når brændstofsystemet har været helt tømt for brændstof.

Børn eller andre omkringstående kan komme til skade, hvis de flytter eller forsøger at betjene maskinen, når operatøren ikke er til stede.
Fjern altid tændingsnøglen, og aktiver parkeringsbremsen, når du efterlader maskinen uden opsyn, selv hvis det blot er i nogle få minutter.
Flyt gashåndtaget til HURTIG, og drej kontakten til FRA.

Important: Kontroller, at brændstofafbryderventilen er lukket, før maskinen transporteres eller opbevares, da der kan ske brændstoflækage. Aktiver parkeringsbremsen før transport. Sørg for at fjerne nøglen, da brændstofpumpen kan køre og dermed forårsage, at batteriet aflades.

Drivhjulene drejer uafhængigt af hinanden og drives af hydraulikmotorer på hver aksel. Du kan dreje en side baglæns, mens du drejer den anden forlæns, hvilket får maskinen til at rotere i stedet for at dreje. Dette forbedrer maskinens manøvredygtighed væsentligt, men der kan gå et stykke tid, før du vænner dig til, hvordan den bevæger sig.
Gashåndtaget styrer motorens omdrejningstal målt i omdrejninger pr. minut. Indstil gashåndtaget til positionen HURTIG for at opnå den bedste ydelse. Kør altid med fuld kraft ved plæneklipning.
Maskinen kan dreje meget hurtigt. Operatøren kan miste herredømmet over maskinen og forårsage personskade eller skade på maskinen.
Udvis forsigtighed, når du drejer.
Sæt farten ned, før du foretager skarpe sving.
Note: Motoren standser, når du flytter traktionsgrebet, mens parkeringsbremsen er aktiveret.
Du kan stoppe maskinen ved at flytte bevægelseshåndtagene til positionen NEUTRAL.
Deaktiver parkeringsbremsen. Se Deaktivering af parkeringsbremsen.
Flyt håndtagene til den midterste, ulåste position.
Kør fremad ved langsomt at skubbe bevægelseshåndtagene fremad (Figur 27).

Flyt håndtagene til midterpositionen – ulåst position.
Bak ved langsomt at trække bevægelseshåndtagene bagud (Figur 28).

Transportlåsen har to positioner og bruges med pedalen til skjoldløft. Der er en LåST position og en ULåST position for plæneklipperskjoldets transportposition (Figur 29).

Juster klippehøjden fra 38 til 127 mm i intervaller på 6 mm ved at flytte klippehøjdepinden til forskellige hulplaceringer.
Flyt transportlåsen til LåST position.
Træd på pedalen til skjoldløft, og hæv plæneklipperskjoldet til TRANSPORTPOSITIONEN (og klippehøjdepositionen til 127 mm) som vist i Figur 30.
Du kan justere klippehøjden ved at fjerne pinden fra klippehøjdebeslaget (Figur 30).
Vælg et hul i klippehøjdebeslaget, som svarer til den ønskede klippehøjde, og sæt splitten i (Figur 30).
Skub til skjoldløftet, træk transportlåsegrebet tilbage, og sænk plæneklipperskjoldet langsomt.

Hver gang klippehøjden ændres, skal højden på antiskalperingsrullerne også justeres.
Udkobl kontakten til regulering af skæreknivene (kraftudtag), flyt bevægelseshåndtagene til den NEUTRALE LåSEPOSITION, og aktiver parkeringsbremsen.
Stop motoren, fjern nøglen, og vent, til alle bevægelige dele er standset, før du forlader betjeningspositionen.


Maskinen stoppes ved at flytte bevægelseshåndtagene til neutral position og derefter til den NEUTRALE LåSEPOSITION, udkoble kontakten til regulering af skæreknive (kraftudtag) og dreje tændingsnøglen til positionen OFF (fra).
Aktiver parkeringsbremsen, hver gang du forlader maskinen. Se Aktivering af parkeringsbremsen. Fjern nøglen fra tændingen.
Børn eller andre omkringstående kan komme til skade, hvis de flytter eller forsøger at betjene maskinen, når operatøren ikke er til stede.
Fjern altid tændingsnøglen, og aktiver parkeringsbremsen, når du efterlader maskinen uden opsyn, selv hvis det blot er i nogle få minutter.
Plæneklipperen er udstyret med en hængslet græsdeflektor, der blæser det afklippede græs til siden og ned mod plænen.
Hvis ikke der er monteret græsdeflektor, udblæsningsdæksel eller komplet græsopsamler, udsætter du dig selv og andre for kontakt med skæreknivene og udslyngede genstande. Kontakt med plæneklipperens roterende skærekniv(e) og udslyngede genstande vil medføre personskade eller død.
Fjern aldrig græsdeflektoren fra plæneklipperen, da deflektoren leder materialerne ned mod plænen. Hvis græsdeflektoren beskadiges, skal den straks udskiftes.
Placer aldrig hænder eller fødder under plæneklipperen.
Forsøg aldrig at rense udblæsningsområdet eller skæreknivene, før du har sat kontakten til regulering af skæreknive (kraftudtag) i positionen OFF (fra), drejet tændingsnøglen til positionen OFF og taget nøglen ud.
Sørg for, at græsdeflektoren er i sænket position.
For at opnå den bedste græsslåning og maksimal luftcirkulation skal motoren betjenes ved indstillingen HURTIG. Luft er nødvendigt for at kunne klippe græsset ordentligt, og derfor skal du ikke indstille klippehøjden for lavt eller lade plæneklipperen være helt omgivet af uklippet græs. Forsøg altid at holde den ene side af plæneklipperen fri for uklippet græs, så plæneklipperen kan få den nødvendige luft.
Klip ikke græsset helt så kort som normalt, så du kan sikre dig, at plæneklipperens klippehøjde ikke fjerner græsset helt i ujævnt terræn. Den tidligere anvendte klippehøjde er dog tit den bedste. Når du klipper græs, der er længere end 15 cm, kan det være en fordel at klippe græsset to gange for at sikre en acceptabel klippekvalitet.
Du opnår det bedste resultat ved kun at klippe en tredjedel af græsstråets længde. Det anbefales ikke at klippe mere end dette, medmindre græsbevoksningen er spredt, eller det er sent på efteråret, hvor græsset ikke længere vokser så hurtigt.
Skift mellem klipperetningen for at sikre, at græsset fortsætter med at vokse lodret. Dette medvirker også til at sprede det afklippede græs, hvilket øger nedbrydningen og gødningseffekten.
Græs vokser med forskellig hastighed på forskellige tider af året. Hvis du vil bevare den samme klippehøjde, skal græsset slås oftere i det tidlige forår. Når græssets væksthastighed falder midt på sommeren, skal du ikke slå græsset så tit. Hvis du ikke har mulighed for at slå græs over en længere periode, skal du først slå det med en høj klippehøjde og derefter igen to dage senere med en lavere højdeindstilling.
Klipningskvaliteten kan forbedres ved at køre langsommere under visse forhold.
Når du klipper en ujævn plæne, skal du hæve klippehøjden for at undgå at skalpere plænen.
Hvis fremdriften af maskinen standses, mens græsslåningen er i gang, kan du risikere, at der falder en klump afklippet græs ned på plænen. Dette kan undgås ved at flytte maskinen hen til et tidligere klippet område, mens knivene er aktiveret, eller du kan deaktivere plæneklipperskjoldet, mens du kører fremad.
Fjern afklippet græs og snavs fra undersiden af plæneklipperen efter hver anvendelse. Hvis græs og snavs ophober sig i plæneklipperen, bliver kvaliteten af græsslåningen utilfredsstillende med tiden.
Hold skærekniven(e) skarp(e) gennem hele græsslåningssæsonen, da en skarp skærekniv skærer græsset rent af uden at rive det over eller få det til at flosse. Hvis græsset rives over eller flosser, bliver spidserne brune, hvilket hæmmer væksten og øger risikoen for sygdom. Kontroller skæreknivene for skarphed hver gang efter brug samt for slid og beskadigelse. Fil eventuelle hakker ned, og slib skæreknivene, hvis det er nødvendigt. Hvis en skærekniv er beskadiget eller slidt, skal den udskiftes med det samme med en original Toro-kniv.
Fjern græs og andet affald fra klippeenhederne, lydpotterne og motorrummet for at forhindre brand. Tør spildt olie eller brændstof op.
Luk for brændstoftilførslen, inden maskinen opbevares eller transporteres.
Udkobl drevet til redskabet, når du transporterer eller ikke bruger maskinen.
Brug ramper i fuld bredde, når maskinen læsses på en anhænger eller lastbil.
Fastgør maskinen med stropper, kæder, kabler eller reb. Både de forreste og bageste stropper bør føres ned og udad fra maskinen.
Lad motoren køle af, før du opbevarer maskinen på et lukket sted.
Luk for brændstoftilførslen, inden maskinen opbevares eller transporteres.
Opbevar aldrig maskinen eller brændstofbeholderen, hvor der er åben ild, gnister eller vågeblus, som f.eks på en vandvarmer eller på andre apparater.
Brændstofafbryderventilen er placeret bag sædet.
Luk brændstofafbryderventilen ved transport, vedligeholdelse og opbevaring.
Kontroller, at brændstofafbryderventilen er åben, når motoren startes.


Hænderne kan blive viklet ind i de roterende drivkomponenter under motorskjoldet, hvilket kan medføre alvorlig personskade.
Sluk motoren, fjern nøglen, og afvent, at alle bevægelige dele standser, før drivhjulets udløsningsventiler berøres.
Motoren og de hydrauliske drivenheder kan blive meget varme. Berøring af en varm motor eller hydrauliske drivenheder kan medføre alvorlige forbrændinger.
Lad motoren og de hydrauliske drivenheder køle helt ned, før du berører drivhjulets udløsningsventiler.
Drivhjulets udløsningsventiler er placeret på venstre og højre side under motorskjoldet.
Udkobl kontakten til regulering af skæreknivene (kraftudtag), drej tændingsnøglen til slukket position, flyt håndtagene til den NEUTRALE LåSEPOSITION, aktiver parkeringsbremsen og tag nøglen ud.
Find omløbshåndtagene bag sædet, nede på venstre og højre side af stellet.
Skub maskinen ved at flytte begge omløbsknapper bagud og låse dem på plads (Figur 34).
Deaktiver parkeringsbremsen, inden maskinen skubbes.

Flyt omløbsknapperne til FREMAD, og lås dem på plads for at køre maskinen (Figur 34).
Brug en robust anhænger eller lastbil til at transportere maskinen. Kontroller, at anhængeren eller lastbilen er udstyret med alle nødvendige bremser, lys og skilte som foreskrevet af loven. Læs alle sikkerhedsoplysninger omhyggeligt. Disse oplysninger kan hjælpe dig, din familie, husdyr eller personer, der befinder sig i nærheden, med at undgå at komme til skade.
Kørsel på gader og veje uden blinklys, lygter, refleksmarkeringer eller et skilt om langsomtgående køretøj kan føre til ulykker og forårsage personskade.
Kør ikke maskinen på offentlige gader og veje.
Sådan transporteres maskinen:
Hvis du bruger en anhænger, skal du fastgøre den til trækkøretøjet og sætte sikkerhedskæderne på.
Tilslut om nødvendigt anhængerens bremser.
Sæt maskinen op på anhængeren eller lastvognen.
Sluk for motoren, fjern nøglen, aktiver bremsen, og luk brændstofventilen.
Brug bindepunktsøjerne af metal på maskinen til at fastgøre maskinen til anhængeren eller lastbilen med stropper, kæder, kabler eller reb (Figur 35).

Vær yderst forsigtig, når du læsser maskiner på eller af en anhænger eller lastbil. Brug en rampe med fuld bredde, der er bredere end maskinen, under udførslen af denne procedure. Bak op ad rampen, og kør fremad ned ad rampen (Figur 36).

Important: Brug ikke smalle, individuelle ramper til hver side af maskinen.
Pålæsning af en maskine på en anhænger eller lastbil øger risikoen for at vippe og kan forårsage alvorlig personskade eller død (Figur 37).
Vær ekstra forsigtig, når maskinen køres på en rampe.
Brug kun en rampe med fuld bredde. Brug ikke individuelle ramper til hver side af maskinen.
Overskrid ikke en vinkel på 15 grader mellem rampen og jorden eller mellem rampen og anhænger eller lastbil.
Sørg for, at rampen er mindst fire gange så lang som anhængerens højde eller lastbilens ladhøjde og ned til jorden. Dette sikrer, at rampens vinkel ikke overstiger 15 grader på plan grund.
Bak op ad ramper og kør fremad ned ad ramper.
Undgå pludselig acceleration eller deceleration når maskinen køres op på en rampe. Dette kan forårsage, at man mister kontrollen eller øge risikoen for at vælte.

| Vedligeholdelsesintervaller | Vedligeholdelsesprocedure |
|---|---|
| Efter de første 5 timer |
|
| Efter de første 75 timer |
|
| Hver anvendelse eller dagligt |
|
| For hver 25 timer |
|
| For hver 50 timer |
|
| For hver 100 timer |
|
| For hver 200 timer |
|
| For hver 250 timer |
|
| For hver 500 timer |
|
| En gang om måneden |
|
| Årlig eller før opbevaring |
|
Important: Se betjeningsvejledningen til motoren for at få oplysninger om yderligere vedligeholdelsesprocedurer.
Hvis du lader nøglen sidde i tændingen, kan andre personer utilsigtet komme til at starte motoren og forårsage alvorlig personskade på dig eller andre omkringstående.
Fjern nøglen fra tændingen, før vedligeholdelsesarbejde påbegyndes.
Før reparation af maskinen skal du gøre følgende:
Udkobl drevene.
Aktiver parkeringsbremsen.
Sluk motoren, og tag nøglen ud.
Frakobl tændrørskablet.
Parker maskinen på en plan flade.
Fjern græs og andet affald fra klippeenheden, drevene, lydpotterne og motoren for at forhindre brand.
Tør spildt olie eller brændstof op.
Lad motoren køle af før opbevaring af maskinen.
Opbevar ikke maskinen eller brændstof i nærheden af åben ild, og tøm ikke brændstoftanken indendørs.
Lad ikke personer, som ikke er uddannet dertil, udføre service på maskinen.
Brug donkrafte til at understøtte maskinen og/eller komponenter efter behov.
Tag forsigtigt trykket af komponenter, hvori der er oplagret energi.
Frakobl batteriet eller afmonter tændrørskablet, før der foretages nogen form for reparation. Frakobl minus-polen først og plus-polen sidst. Tilslut pluspolen først og minuspolen sidst.
Vær forsigtig, når du efterser skæreknivene. Pak skærekniven(e) ind, eller bær tykke handsker, og vær forsigtig, når du efterser den/dem. Skæreknivene må kun udskiftes. De må ikke rettes ud eller svejses.
Hold hænder og fødder væk fra bevægelige dele. Undgå om muligt at foretage justeringer, mens motoren kører.
Hold alle dele i god driftsmæssig stand og alle beslag tilspændt, ikke mindst knivbefæstelsesboltene. Udskift alle slidte eller beskadigede mærkater.
Gør aldrig noget, der forstyrrer den tilsigtede funktion af en sikkerhedsanordning, og modvirk ikke den beskyttelse, som sikkerhedsanordningen yder. Efterse regelmæssigt, at de fungerer korrekt.
Brug kun originale Toro-reservedele og tilbehør for at sikre optimal ydelse og sikre, at maskinen fortsat overholder sikkerhedscertificeringen. Reservedele og tilbehør, der er fremstillet af andre producenter, kan være farlige, og brug heraf kan gøre garantien ugyldig.
Kontroller parkeringsbremsens funktion hyppigt. Udfør justering og eftersyn efter behov.
Løsn gardinets øverste bolt for at udløse plæneklipperskjoldets gardin og få adgang til den øverste del af plæneklipperskjoldet (Figur 38). Spænd bolten efter vedligeholdelse for at montere gardinet.

Maskinen skal smøres oftere under meget støvede eller sandede forhold.
Fedttype: Lithiumbaseret universalfedt nr. 2 eller molybdænbaseret fedt
Udkobl kontakten til regulering af skæreknivene (kraftudtag), flyt bevægelseshåndtagene til den NEUTRALE LåSEPOSITION, og aktiver parkeringsbremsen.
Sluk motoren, tag nøglen ud, og vent, til alle bevægelige dele er standset, før du forlader betjeningspositionen.
Rengør smøreniplerne med en klud.
Note: Sørg for at skrabe eventuel maling af forsiden på niplen(-erne).
Slut en smørepistol til niplen.
Pump fedt ind i delene, indtil der begynder at løbe fedt ud af lejerne.
Tør overskydende smørefedt op.
| Vedligeholdelsesintervaller | Vedligeholdelsesprocedure |
|---|---|
| For hver 25 timer |
|
| For hver 50 timer |
|
Udkobl kontakten til regulering af skæreknivene (kraftudtag), flyt bevægelseshåndtagene til den NEUTRALE LåSEPOSITION, og aktiver parkeringsbremsen.
Sluk motoren, tag nøglen ud, og vent, til alle bevægelige dele er standset, før du forlader betjeningspositionen.
Smør pumpens styreremskivedrejeled med 1 til 2 pumpefulde fedt (Figur 41).
Smør de forreste styrehjuls aksler (Figur 41).

Kontakt med varme overflader kan forårsage personskade.
Hold hænder, fødder, ansigt, tøj og andre kropsdele væk fra lydpotten og andre varme overflader.
Sluk motoren, før du kontrollerer oliestanden eller hælder olie i krumtaphuset.
| Vedligeholdelsesintervaller | Vedligeholdelsesprocedure |
|---|---|
| For hver 25 timer |
|
| For hver 100 timer |
|
| For hver 200 timer |
|
Parker maskinen på en plan overflade, og udkobl kontakten til regulering af skæreknivene (kraftudtag).
Aktiver parkeringsbremsen, stop motoren, fjern nøglen, og vent, til alle bevægelige dele er standset, før du forlader betjeningspositionen.
Rengør området omkring luftfilterdækslet for at forhindre snavs i at trænge ind i motoren og forårsage skader.
Løft dækslet, og drej luftfilterenheden ud af motoren (Figur 42).


Fjern skumindsatsen fra papirindsatsen (Figur 43).

Vask skumelementet med vand, og udskift det, hvis det er beskadiget.
Bank forsigtigt indsatsen ned mod en jævn overflade for at fjerne støv og snavs.
Undersøg indsatsen for revner, oliefilm og beskadigelse af pakningen.
Important: Du må aldrig rengøre papirindsatsen med trykluft eller væske som f.eks. opløsningsmiddel, benzin eller petroleum. Udskift papirindsatsen, hvis den er beskadiget eller ikke kan rengøres ordentligt.
Olietype: Selvrensende olie (API-service SF, SG, SH, SJ eller SL)
Krumtaphusets kapacitet: 2,4 l med filter
Viskositet: Se nedenstående tabel.

| Vedligeholdelsesintervaller | Vedligeholdelsesprocedure |
|---|---|
| Hver anvendelse eller dagligt |
|
Note: Kontroller olien, mens motoren er kold.
Kontakt med varme overflader kan forårsage personskade.
Hold hænder, fødder, ansigt, tøj og andre kropsdele væk fra lydpotten og andre varme overflader.
Important: Undgå at fylde for meget olie på krumtaphuset, da dette kan medføre beskadigelse af motoren. Lad ikke motoren køre med olien under mærket Low (lav), da dette kan beskadige motoren.
Parker maskinen på en plan flade, deaktiver kontakten til regulering af skæreknive, sluk motoren, aktiver parkeringsbremsen, og fjern tændingsnøglen.
Sørg for, at motoren er slukket, plan og afkølet, så olien har tid til at løbe ned i sumpen.
Rengør området omkring oliepåfyldningsdækslet og målepinden, før målepinden tages ud, for at undgå, at der kommer snavs, græs osv. i motoren (Figur 45).

| Vedligeholdelsesintervaller | Vedligeholdelsesprocedure |
|---|---|
| Efter de første 5 timer |
|
| For hver 100 timer |
|
Note: Bortskaf den brugte olie på et genbrugsanlæg.
Parker maskinen på en plan overflade for at sikre, at olien drænes helt.
Udkobl kraftudtaget, og aktiver parkeringsbremsen.
Sluk motoren, tag nøglen ud, og vent, til alle bevægelige dele er standset, før du forlader betjeningspositionen.
Dræn motorolien (Figur 46).


Skift motoroliefilteret (Figur 47).

Note: Sørg for, at oliefilterpakningen berører motoren, og drej derefter filteret en ekstra ¾ omgang.
Hæld langsomt ca. 80 % af den foreskrevne olie i påfyldningsrøret, og tilsæt langsomt ekstra olie, så oliestanden når op til mærket Full (fuld) (Figur 48).

| Vedligeholdelsesintervaller | Vedligeholdelsesprocedure |
|---|---|
| For hver 100 timer |
|
| For hver 200 timer |
|
Sørg for, at gnistgabet mellem midter- og sideelektroderne er korrekt, før tændrøret monteres. Brug en tændrørsnøgle til at afmontere og montere tændrøret/-ene, og en søgelære til at kontrollere og justere gnistgabet. Monter om nødvendigt et nyt/nye tændrør.
Type: Champion RN9YC eller NGK BPR6ES
Gnistgab: 0,76 mm
Udkobl kraftudtaget, og aktiver parkeringsbremsen.
Sluk motoren, tag nøglen ud, og vent, til alle bevægelige dele er standset, før du forlader betjeningspositionen.

Note: På grund af den dybe fordybning rundt om tændrøret er den mest effektive rengøringsmetode normalt at gennemblæse fordybningen med trykluft. Tændrøret er mest tilgængeligt, når blæserhuset er afmonteret i forbindelse med rengøring.
Important: Rengør aldrig tændrøret/-ene. Udskift altid tændrøret/tændrørene, når det/de har: en sort belægning, slidte elektroder, oliefilm eller revner.
Hvis der kan ses en lys brun eller grå farve på isolatoren, fungerer motoren korrekt. En sort belægning på isoleringen betyder normalt, at luftfilteret er snavset.
Indstil gnistgabet til 0,76 mm.

Tilspænd tændrøret/-ene til 25 til 30 N·m.

| Vedligeholdelsesintervaller | Vedligeholdelsesprocedure |
|---|---|
| Hver anvendelse eller dagligt |
|
Rengør luftindtagsskærmen for græs og snavs før hver brug.
Udkobl kontakten til regulering af skæreknivene, og aktiver parkeringsbremsen.
Sluk for motoren, tag nøglen ud, og vent, til alle bevægelige dele er standset, før du forlader betjeningspositionen.
Fjern luftfilteret fra motoren.
Fjern motorskærmen.
Sæt luftfilteret i filterbasen for at forhindre, at der trænger snavs ind i luftindtaget.
Fjern snavs og græs fra delene.
Fjern luftfilteret, og monter motorskærmen.
Isæt luftfilteret.
| Vedligeholdelsesintervaller | Vedligeholdelsesprocedure |
|---|---|
| For hver 50 timer |
|
Varme komponenter i udstødningssystemet kan antænde benzindampe, også selvom motoren slukkes. Varme partikler, der udstødes under motordriften, kan antænde brandfarlige materialer. Ildebrand kan medføre personskade eller skader på ejendom.
Påfyld ikke og kør ikke motoren, hvis der ikke er monteret en gnistskærm.
Sluk motoren, vent på, at alle bevægelige dele standser, og fjern nøglen. Aktiver parkeringsbremsen.
Vent på, at lydpotten er kølet ned.
Hvis der konstateres brud på gitteret eller svejsningerne, skal gnistskærmen udskiftes.
Hvis gitteret er tilstoppet, skal gnistskærmen fjernes, og løse partikler skal rystes ud af gnistskærmen, hvorefter gitteret rengøres med en stålbørste (læg det om nødvendigt i blød i et opløsningsmiddel). Monter gnistskærmen på udstødningsåbningen.
| Vedligeholdelsesintervaller | Vedligeholdelsesprocedure |
|---|---|
| For hver 500 timer |
|
Sluk motoren, vent på, at alle bevægelige dele standser, og fjern nøglen. Aktiver parkeringsbremsen.
Fjern filteret fra udluftningsslangen.
Sæt et nyt filter på enden af udluftningsslangen.
| Vedligeholdelsesintervaller | Vedligeholdelsesprocedure |
|---|---|
| For hver 500 timer |
|
Important: Monter brændstofslangerne, og fastgør dem med plastikbånd på samme måde, som de oprindeligt var monteret fra fabrikken, så brændstofslangen holdes væk fra komponenter, der kan forårsage brændstofslangeskader.
Brændstoffilteret er placeret i nærheden af motoren, foran eller bag på motoren.
Udkobl kontakten til regulering af skæreknivene (kraftudtag), flyt bevægelseshåndtagene til den NEUTRALE LåSEPOSITION, og aktiver parkeringsbremsen.
Sluk motoren, tag nøglen ud, og vent, til alle bevægelige dele er standset, før du forlader betjeningspositionen.
Lad maskinen køle af.
Luk brændstofafbryderventilen bag ved sædet (Figur 33).

Åbn brændstofafbryderventilen.
Forsøg ikke at tømme brændstoftanken. Sørg for, at en autoriseret serviceforhandler tømmer brændstoftanken og efterser komponenterne i brændstofsystemet.
Frakobl batteriet, før maskinen repareres. Frakobl minuspolen først og pluspolen sidst. Tilslut pluspolen først og minuspolen sidst.
Oplad batterier på et åbent sted med god ventilation, væk fra gnister og åben ild. Træk stikket til opladeren ud af stikkontakten, før du slutter den til eller kobler den fra batteriet. Brug beskyttelsesdragt og isoleret værktøj.
Batteripoler, -klemmer og tilbehør indeholder bly og blysammensætninger: kemikalier, som ifølge staten Californien er kræftfremkaldende og forårsager forplantningsskader. Vask hænder efter håndtering.
| Vedligeholdelsesintervaller | Vedligeholdelsesprocedure |
|---|---|
| En gang om måneden |
|
Batterielektrolyt indeholder svovlsyre, som er en dødelig gift, der forårsager alvorlige forbrændinger.
Drik ikke elektrolyt, og undgå kontakt med hud, øjne og tøj. Brug sikkerhedsbriller for at beskytte øjnene, og bær gummihandsker for at beskytte hænderne.
Batteripoler eller metalværktøj kan kortslutte mod maskinens metaldele og forårsage gnister. Gnister kan få batterigasserne til at eksplodere og medføre personskade.
Når batteriet skal fjernes eller monteres, må batteriets poler ikke berøre nogen metaldele på maskinen.
Metalværktøj må ikke kortslutte mellem batteripolerne og maskinens metaldele.
Forkert batterikabelføring kan danne gnister og beskadige maskinen og kablerne. Gnister kan få batterigasserne til at eksplodere og medføre personskade.
Frakobl altid batteriets (sorte) minuskabel, før du frakobler det røde pluskabel.
Tilslut altid batteriets røde pluskabel, før du tilslutter det sorte minuskabel.
Udkobl kontakten til regulering af skæreknivene (kraftudtag), flyt bevægelseshåndtagene til den NEUTRALE LåSEPOSITION, og aktiver parkeringsbremsen.
Sluk for motoren, tag nøglen ud, og vent, til alle bevægelige dele er standset, før du forlader betjeningspositionen.
Tag batteriets minuskabel (sort) af batteriets minuspol (–) (Figur 53).
Skub den røde klemme af batteriets (røde) pluspol, og fjern batteriets (røde) pluskabel (Figur 53).
Fjern gummistroppen (Figur 53).
Fjern batteriet.


Placer batteriet i bakken, så polerne vender væk fra hydrauliktanken (Figur 53).
Slut batteriets (røde) pluskabel til batteriets pluspol (+).
Tilslut batteriets (sorte) minuskabel og jordledningen til batteriets minuspol (–).
Fastgør kablerne med 2 bolte, 2 spændeskiver og 2 låsemøtrikker (Figur 53).
Før den røde klemme over på batteriets pluspol (+).
Fastgør batteriet med gummistroppen (Figur 53).
Opladning af batteriet producerer gasser, der kan eksplodere.
Der må aldrig ryges i nærheden af batteriet, og gnister og åben ild skal holdes væk fra batteriet.
Important: Batteriet skal altid være fuldt opladet (en vægtfylde på 1,265). Dette er særlig vigtigt for at forhindre, at batteriet bliver beskadiget, når temperaturen er under 0 °C.
Oplad batteriet i 10 til 15 minutter ved 25 til 30 A eller 30 minutter ved 10 A.
Når batteriet er fuldt opladet, skal du tage opladeren ud af stikkontakten og dernæst frakoble opladningskablerne fra batteriets poler (Figur 54).
Monter batteriet i maskinen, og tilslut batterikablerne. Se Montering af batteriet.
Note: Kør ikke maskinen med batteriet frakoblet – der kan opstå elektriske skader.

Det elektriske system er beskyttet af sikringer. Det kræver ingen vedligeholdelse, men hvis en sikring springer, skal du kontrollere komponenten og kredsløbet for fejl eller kortslutning.
Sikringerne er placeret på højre konsol ved siden af sædet (Figur 55).
En sikring udskiftes ved at trække den ud og fjerne den.
Isæt en ny sikring (Figur 55).

| Vedligeholdelsesintervaller | Vedligeholdelsesprocedure |
|---|---|
| Hver anvendelse eller dagligt |
|
Efterse sikkerhedsselen for slid og flænger, og kontroller, at oprulleren og spændet fungerer korrekt. Udskift sikkerhedsselen, hvis den er beskadiget.
| Vedligeholdelsesintervaller | Vedligeholdelsesprocedure |
|---|---|
| Hver anvendelse eller dagligt |
|
Undgå personskade eller død pga. væltning: Hold styrtbøjlen i den fuldt hævede, låste position, og brug sikkerhedsselen.
Sørg for, at sædet er fastgjort til maskinen.
Kontroller, at både monteringsboltene/-møtrikkerne og grebene er i god driftsmæssig stand.
Sørg for, at grebene er fuldt tilkoblet styrtbøjlen i den hævede position.
Note: Den øvre bøjle på styrtbøjlen skal muligvis skubbes fremad eller trækkes bagud for at få begge greb helt i (Figur 56 og Figur 57).


Udkobl kontakten til regulering af skæreknivene (kraftudtag).
Kør til et åbent, plant område, og flyt bevægelseshåndtagene til den NEUTRALE LåSEPOSITION.
Placer gashåndtaget midtvejs mellem positionen FAST (hurtig) og SLOW (langsom).
Flyt begge bevægelseshåndtag frem, indtil de begge rammer stoppene i T-rillen.
Kontroller, hvilken vej maskinen sporer.
Hvis maskinen sporer til højre, skal den sekskantede nøgle på 4,76 mm igennem adgangshullet i højre forreste dækselpanel, og sporingsskruen skal drejes med eller mod uret for at justere grebets kørsel (Figur 58).
Hvis maskinen sporer til venstre, skal den sekskantede nøgle på 4,76 mm igennem adgangshullet i højre forreste dækselpanel, og sporingsskruen skal drejes med eller mod uret for at justere grebets kørsel (Figur 58).
Kør maskinen, og kontroller den fulde fremadgående sporing.
Gentag denne justering, indtil sporingen er korrekt.

| Vedligeholdelsesintervaller | Vedligeholdelsesprocedure |
|---|---|
| For hver 50 timer |
|
Oprethold et lufttryk i for- og bagdækkene på 0,90 bar. Ujævnt dæktryk kan forårsage ujævn klipning. Dæktrykket skal kontrolleres, når dækkene er kolde. På denne måde fås den mest præcise trykmåling.

Kontroller og tilspænd hjullåsemøtrikkerne med et moment på 122-136 N·m.
| Vedligeholdelsesintervaller | Vedligeholdelsesprocedure |
|---|---|
| Hver anvendelse eller dagligt |
|
Eventuelt ophobet græs, snavs eller andet affald skal fjernes fra motorskærmen, udstødningssystemet og området omkring motoren før hver brug. Dette sikrer tilstrækkelig køling og korrekt motoromdrejningstal, hvilket mindsker risikoen for overophedning og mekanisk beskadigelse af motoren.
| Vedligeholdelsesintervaller | Vedligeholdelsesprocedure |
|---|---|
| For hver 500 timer |
|
Note: Sørg for at følge denne procedure, når en bremsekomponent er blevet fjernet eller udskiftet.
Kør maskinen hen på en plan flade.
Udkobl kontakten til regulering af skæreknivene (kraftudtag), flyt bevægelseshåndtagene til den NEUTRALE LåSEPOSITION, og aktiver parkeringsbremsen.
Sluk motoren, tag nøglen ud, og vent, til alle bevægelige dele er standset, før du forlader betjeningspositionen.
Opsætning af maskinen til at blive skubbet manuelt. Se Brug af drivhjulets udløsningsventiler.
Løft maskinens bagende, og understøt maskinen med donkrafte.
Det kan være farligt at hæve plæneklipperens skjold udelukkende ved hjælp af mekaniske eller hydrauliske donkrafte i forbindelse med servicering eller vedligeholdelse. Mekanisk eller hydraulisk donkraft er måske ikke tilstrækkelig støtte og kan svigte, så enheden falder og forårsager skader.
Stol ikke udelukkende på mekaniske eller hydrauliske donkrafte til støtte. Anvend tilstrækkeligt med donkrafte eller lignende støtte.
Aktiver, og deaktiver parkeringsbremsen, og kontroller hvert drivdæk for at sikre, at hver bremse indkobler og udkobler.
Hvis en justering er nødvendig, skal parkeringsbremsen deaktiveres. Fjern låseclipsen fra bremseforbindelsesakslen (Figur 60).

Kontroller begge fjederlængder som vist i Figur 61. Hvis en justering er nødvendig, skal den øverste møtrik drejes med uret for at afkorte fjederen og mod uret for at forlænge den.

Skub parkeringsbremsen helt frem og ned.
Drej stangen, indtil enden flugter med hullet i grebet.
Afkort koblingen ved at dreje den med uret.
Forlæng koblingen ved at dreje den mod uret.
Sæt stangen i parkeringsbremsens hul, og fastgør med låseclipsen. Gentag trin 6, og juster om nødvendigt.
Når justeringen er fuldført, skal donkraften fjernes eller støttes tilsvarende, og maskinen skal sænkes.
Placer maskinen i BETJENINGSPOSITIONEN. Se Brug af drivhjulets udløsningsventiler.
| Vedligeholdelsesintervaller | Vedligeholdelsesprocedure |
|---|---|
| For hver 50 timer |
|
Udskift remmen, hvis den er slidt. Tegnene på en slidt rem omfatter en hvinende lyd, når remmen roterer, glidende skæreknive under plæneklipning og flossede kanter, brændemærker og revner på remmen.
Udkobl kontakten til regulering af skæreknivene (kraftudtag), flyt bevægelseshåndtagene til den NEUTRALE LåSEPOSITION, og aktiver parkeringsbremsen.
Sluk motoren, tag nøglen ud, og vent, til alle bevægelige dele er standset, før du forlader betjeningspositionen.
Sænk plæneklipperen til en klippehøjde på 76 mm.
Løsn bolten på hver remskærm.
Løsn den nederste bolt, der fastholder plæneklipperskjoldets gardin på plæneklipperskjoldet. Se Frigivelse af plæneklipperskjoldets gardin.
Afmonter plademetalafskærmningen. Se Afmontering af plademetalafskærmningen.
Fjern remskærmene og de bolte, der sidder på dem (Figur 62).

Fjern fjederspændingen fra den fjederbelastede styreremskive. Se Figur 64.
Note: Brug fjederværktøjet (Toro-delnr. 92-5771) til at fjerne fjederen fra plæneklipperskjoldets tap (Figur 64).
Fjern remmen fra plæneklipperskjoldets remskiver og koblingsremskiven.
Før den nye rem rundt om plæneklipperens remskiver og koblingsremskiven under motoren (Figur 63 ).


Fastgør styrefjederen (Figur 63).
Note: Sørg for at placere fjederenderne i forankringsrillerne.
Monter remskærmene og de bolte, der sidder på dem (Figur 65).

Løsn den nederste bolt, der fastholder plæneklipperskjoldets gardin på plæneklipperskjoldet. Se Frigivelse af plæneklipperskjoldets gardin.
Afmonter plademetalafskærmningen. Se Afmontering af plademetalafskærmningen.
Udkobl kontakten til regulering af skæreknivene (kraftudtag), og aktiver parkeringsbremsen.
Sluk motoren, tag nøglen ud, og vent, til alle bevægelige dele er standset, før du forlader betjeningspositionen.
Fjern plæneklipperremmen. Se Udskiftning af plæneklipperremmen for plæneklipper med skjold og sideudblæsning.
Løft maskinen, og understøt den med donkrafte (Figur 67).
Fjern koblingsstopperen (Figur 66).

Tag styrefjederen af tappen (Figur 67).
Fjern den eksisterende rem fra hydraulikenhedens drivremskiver og motorremskiven.
Fastgør den nye rem omkring motorremskiven og de to drivremskiver (Figur 67).

Monter koblingsstopperen (Figur 66).
Monter plæneklipperremmen. Se Vedligeholdelse af remme.
Udkobl kontakten til regulering af skæreknivene (kraftudtag), flyt bevægelseshåndtagene til den NEUTRALE LåSEPOSITION, og aktiver parkeringsbremsen.
Sluk motoren, tag nøglen ud, og vent, til alle bevægelige dele er standset, før du forlader betjeningspositionen.
Justering af højden:
Du kan justere bevægelseshåndtagene til højere eller lavere for maksimal komfort.
Fjern de bolte og møtrikker, der fastholder håndtaget til styrearmsakslen.

Flyt håndtaget til det næste sæt huller. Fastgør håndtaget med boltene og møtrikkerne.
Gentag justeringen for det andet håndtag.
Hældningsjustering
Løsn den øverste bolt, der fastholder håndtaget til styrearmsakslen.
Løsn den nederste bolt lige nok til, at håndtaget kan drejes foran eller bagtil. Stram begge bolte for at fastholde håndtaget i den nye position.
Gentag justeringen for det andet håndtag.

Se Justering af bevægelseshåndtagenes forbindelse, hvis håndtagenes ender slår imod hinanden.
Bevægelseshåndtagenes pumpeforbindelse er placeret på hver side af tanken under sædet. Der kan foretages finjusteringer ved at dreje endemøtrikken med en ½-tommes topnøgle, så maskinen ikke bevæger sig i neutral position. Justeringer må kun foretages for neutral position.
Motoren skal køre, og drivhjulene skal dreje, så justeringer kan udføres. Kontakt med bevægelige dele eller varme overflader kan forårsage personskader.
Hold fingre, hænder og tøj væk fra roterende komponenter og varme overflader.
Før motoren tændes, skal pedalen til skjoldløft trædes ned, og klippehøjdesplitten fjernes. Sænk skjoldet ned på jorden.
Hæv bagenden af maskinen, og støt den på donkrafte (eller lignende støtte), så den er højt nok oppe til, at drivhjulene kan dreje frit.
Tag den elektriske forbindelse ud af sædesikkerhedskontakten, der er placeret under den nederste sædehynde.
Note: Kontakten er en del af sædeenheden.
Fastgør midlertidigt en kortslutningsledning mellem klemmerne i hovedledningsnetstikket.
Start motoren. Kør motoren ved fuld gas, og slip parkeringsbremsen.
Note: Sørg for, at parkeringsbremsen er aktiveret, og at bevægelseshåndtagene er ude, for at starte motoren. Du behøver ikke at sidde i sædet.
Lad maskinen køre i mindst 5 minutter med drivhåndtagene placeret i positionen til fuld fart frem for at bringe hydraulikvæsken op på driftstemperatur.
Note: Bevægelseshåndtaget skal være i neutral, når der foretages justeringer.
Flyt bevægelseshåndtagene til NEUTRAL position.
Kontroller og sørg for, at styrepladetapperne berører retur-til-neutral pladerne på de hydrauliske enheder.
Juster længden på pumpekontrolstangen ved at dreje møtrikken i den relevante retning, indtil hjulene går en smule i bak (se Figur 70).
Flyt bevægelseshåndtagene til BAKPOSITION, mens der påføres et let tryk på håndtaget, så omstyringsindikatorfjedrene kan bringe håndtagene tilbage til neutral position.
Note: Hjulene skal holde op med at dreje eller krybe en smule i bakgear.
Note: Du skal måske fjerne dækslet til bevægelseshåndtagene for at få adgang.

Sluk maskinen.
Fjern kortslutningsledningen fra ledningsnettet, og sæt stikket i sædekontakten.
Fjern støttebukkene
Hæv plæneklipperskjoldet, og fastgør klippehøjdesplitten.
Kontroller og sørg for, at maskinen ikke går i neutral, mens parkeringsbremsen er deaktiveret.
Sørg for, at alle slanger og rør til hydraulikvæske er i god stand, og at alle hydrauliske forbindelser og fittings slutter tæt, før der sættes tryk på det hydrauliske system.
Hold din krop og dine hænder væk fra splithulslækager eller dyser, der sprøjter højtrykshydraulikvæske ud.
Brug pap eller papir til at finde eventuelle hydrauliklækager.
Tag hele trykket af det hydrauliske system, før der udføres arbejde på det.
Søg straks lægehjælp, hvis der sprøjtes væske ind under huden. Væske sprøjtet ind under huden skal fjernes kirurgisk inden for nogle få timer af en læge.
Hydraulikvæsketype: Toro® HYPR-OIL™ 500-hydraulikvæske (foretrukken) eller Mobil 1 15W-50-olie.
Important: Brug den foreskrevne væske. Andre væsker kan beskadige systemet.
Hydrauliksystemets kapacitet (filtre fjernet): 4,45 l
| Vedligeholdelsesintervaller | Vedligeholdelsesprocedure |
|---|---|
| Hver anvendelse eller dagligt |
|
Lad hydraulikvæsken afkøle. Kontroller oliestanden, når olien er kold.
Kontroller ekspansionsbeholderen, og tilfør om nødvendigt Toro® HYPR-OIL™ 500-hydraulikvæske op til linjen FULD KOLD.

| Vedligeholdelsesintervaller | Vedligeholdelsesprocedure |
|---|---|
| Efter de første 75 timer |
|
| For hver 250 timer |
|
| For hver 500 timer |
|
Udskift filtrene og olien samtidig. Brug ikke olien igen. Udtøm luft i systemet, når du har installeret det nye filter og påfyldt olie. Se Udluftning af hydrauliksystemet.
Gentag udluftningsprocessen, indtil olien forbliver ved linjen FULD KOLD i beholderen efter udluftning. Hvis denne procedure ikke udføres, kan det medføre uoprettelig skade på gearkassens drivsystem.
Sluk for motoren, og vent på, at alle bevægelige dele stopper, lad motoren køle ned, tag nøglen ud, og aktiver parkeringsbremsen.
Find filteret og skærmene på hver transakseldrivsystem (Figur 72).
Fjern de tre skruer, der fastgør filterafskærmningen og afskærmningen (Figur 72).

Rengør omhyggeligt området omkring filtrene.
Important: Sørg for, at der ikke trænger snavs ind i hydrauliksystemet, for at forhindre kontaminering.
Sæt en drænbakke under filteret for at opfange olie, der drænes, når filteret og udluftningspropperne fjernes.
Find og fjern udluftningsproppen på hver gearkasse
Skru filteret af for at fjerne det, og lad olien dræne fra drivsystemet.
Gentag denne procedure for begge filtre.
Påfør et tyndt lag olie på overfladen af gummipakningen i hvert filter.
Drej filteret med uret, indtil gummipakningen berører filteradapteren, og stram derefter filteret yderligere ¾ til 1 hel omgang.
Gentag på det modsatte filter.
Monter filterafskærmningerne over hvert filter, du fjernede tidligere.
Brug de tre skruer til at fastgøre filterafskærmningerne.
Sørg for at fjerne udluftningspropperne, før du hælder olien på.
Hæld langsomt den foreskrevne olie i ekspansionsbeholderen, indtil der løber olie ud af et af udluftningsproppens huller.
Skru udluftningsproppen i.
Tilspænd proppen med et moment på 20 N·m.
Fortsæt med at hælde olie i ekspansionsbeholderen, indtil der løber olie ud af det andet udluftningshul på den anden gearkasse.
Skru den modsatte udluftningsprop i.
Tilspænd proppen med et moment på 20 N∙m.
Fortsæt med at hælde olie i ekspansionsbeholderen, indtil den når linjen FULD KOLD i ekspansionsbeholderen.
Fortsæt til Udluftning af hydrauliksystemet.
Important: Hvis proceduren under Udluftning af hydrauliksystemet ikke udføres efter udskiftning af hydraulikfiltrene og -olien, kan det medføre uoprettelig skade på transakseldrivsystemet.

Hæv bagenden af maskinen, og støt den på donkrafte (eller lignende støtte), så den er højt nok oppe til, at drivhjulene kan dreje frit.

Start motoren, flyt gashåndtaget frem til positionen for ½ gas, og deaktiver parkeringsbremsen.
Flyt omløbshåndtagene til positionen til skubning af maskinen. Flyt langsomt bevægelseshåndtagene både frem og tilbage 5-6 gange, mens omløbsventilerne er åbne, og motoren kører.
Flyt omløbshåndtagene til positionen til betjening af maskinen.
Flyt langsomt håndtaget både frem og tilbage 5-6 gange, mens omløbsventilen er lukket, og motoren kører.
Sluk for motoren, og kontroller oliestanden i ekspansionsbeholderen. Tilsæt den foreskrevne mængde olie, indtil den når linjen FULD KOLD på ekspansionsbeholderen.
Gentag trin 2, indtil al luft er lukket ud af systemet.
Note: Når gearkassen har et normalt støjniveau og bevæger sig frem og tilbage uden problemer ved normal hastighed, er den udtømt.
Kontroller oliestanden i ekspansionsbeholderen en sidste gang. Tilsæt den foreskrevne olie, indtil den når linjen FULD KOLD på ekspansionsbeholderen.
Parker plæneklipperen på en plan overflade.
Udkobl kontakten til regulering af skæreknivene (kraftudtag), flyt bevægelseshåndtagene til den NEUTRALE LåSEPOSITION, og aktiver parkeringsbremsen.
Sluk for motoren, tag nøglen ud, og vent, til alle bevægelige dele er standset, før du forlader betjeningspositionen.
Kontroller dæktrykket på drivdækkene. Se Kontrol af dæktrykket.
Placer plæneklipperskjoldet i transportlåsepositionen.
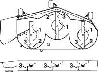
Drej forsigtigt skæreknivene fra side til side.
Mål mellem knivspidsen og den flade overflade (Figur 75). Hvis ingen af målene ligger inden for 5 mm, skal de justeres. Fortsæt med denne procedure.

Kontroller den langsgående knivhældning (Figur 76). Kontroller, at den forreste knivspids er lavere end den bagerste knivspids som vist i blokhøjde- og rivetabellen. Hvis justering er nødvendig, skal denne procedure fortsættes.

Sæt antiskalperingsrullerne i de øverste huller, eller fjern dem helt, når denne justering foretages.
Placer to blokke (se blokhøjde- og rivetabellen) under bagkanten af klippeskjoldet – en på hver side af klippeskjoldet (Figur 77).
Flyt klippehøjdehåndtaget til position 76 mm.
Placer to blokke under hver side af skjoldets forkant, men ikke under antiskalperingsrullebeslagene eller svejsningerne.

| Skjoldstørrelse | Forreste blokhøjde | Rive |
| Alle plæneklipperskjolde | 7,3 cm | 4,8–6,4 mm |
Drej forsigtigt skæreknivene fra side til side (Figur 75).
Løsn låsemøtrikkerne (Figur 78) på alle fire hjørner, og kontroller, at plæneklipperskjoldet sidder sikkert på alle fire blokke.
Fjern alt slæk fra skjoldophænget, og sørg for, at skjoldets løftepedal er skubbet tilbage mod stoppeklodsen.
Stram de fire låsemøtrikker.

Sørg for, at blokkene passer nøjagtigt ind under skjoldet, og at alle fastgørelsesboltene er spændt til
Fortsæt nivelleringen af skjoldet ved at kontrollere den langsgående knivhældning.
Kontroller knivenes nivellering igen, og gentag skjoldnivelleringen om nødvendigt.
For at sikre en god klippekvalitet skal skæreknivene holdes skarpe. Det kan være praktisk at have en eller flere ekstra skæreknive ved hånden i forbindelse med slibning og udskiftning.
En slidt eller beskadiget skærekniv kan gå itu, og et stykke af den kan blive kastet mod dig eller omkringstående, hvilket kan forårsage alvorlige eller livsfarlige kvæstelser. Forsøg på at reparere en beskadiget skærekniv kan medføre annullering af produktets sikkerhedscertificering.
Efterse jævnligt skæreknivene for slid og skader.
Vær forsigtig, når du efterser knivene. Pak skæreknivene ind, eller bær handsker, og vær forsigtig når du efterser skæreknivene. Du må kun udskifte eller slibe skæreknivene. De må aldrig rettes ud eller svejses.
På maskiner med mange skæreknive skal du være meget forsigtig, da én skæreknivs rotation kan få andre skæreknive til at rotere.
Parker maskinen på en plan flade, udkobl kontakten til regulering af skæreknivene (kraftudtag), og aktiver parkeringsbremsen.
Sluk motoren, fjern nøglen, og tag tændrørskablerne fra tændrørene.
| Vedligeholdelsesintervaller | Vedligeholdelsesprocedure |
|---|---|
| Hver anvendelse eller dagligt |
|
Efterse skærekanterne (Figur 79).
Hvis kanterne ikke er skarpe, eller hvis de har hakker, skal skæreknivene afmonteres og slibes. Se Slibning af skæreknivene.
Efterse skæreknivene, især det buede område.
Hvis skæreknivene er beskadiget eller slidt, eller hvis der er antydning af en revne i dette område, skal der straks monteres nye skæreknive (Figur 79).

Udkobl kontakten til regulering af skæreknivene (kraftudtag), flyt bevægelseshåndtagene til den NEUTRALE LåSEPOSITION, og aktiver parkeringsbremsen.
Sluk motoren, tag nøglen ud, og vent, til alle bevægelige dele er standset, før du forlader betjeningspositionen.
Drej skæreknivene, indtil enderne vender fremad og bagud.
Mål fra en plan overflade til skæreknivenes skærekant, position A (Figur 80).

Drej de modsatte ender af knivene fremad.
Mål fra en plan overflade til knivenes skærekant ved samme punkt som i trin 4 ovenfor.
Note: Forskellen mellem målene fra trin 4 og 6 må ikke overskride 3 mm.
Note: Hvis dette mål overskrider 3 mm, er skærekniven bøjet og skal udskiftes.
En bøjet eller beskadiget skærekniv kan gå i stykker og skade dig eller omkringstående alvorligt eller endda medføre døden.
Udskift altid en bøjet eller beskadiget skærekniv med en ny skærekniv.
Fil eller lav ikke skarpe hakker i skæreknivens kanter eller flader.
Skæreknivene skal udskiftes, hvis de rammer en fast genstand, eller hvis de er ude af balance eller bøjet. Brug kun originale Toro-knive for at sikre optimal ydelse og sikker overensstemmelse med maskinen. Brug af knive fremstillet af andre producenter kan medføre, at maskinen ikke opfylder sikkerhedsstandarderne.
Hold spindelakslen med en skruenøgle.
Fjern knivbolten, den buede skive og skærekniven fra spindelakslen (Figur 81).

Anvend en fil til at slibe begge ender af skærekniven (Figur 82).
Note: Bevar den oprindelige vinkel.
Note: Skærekniven bevarer balancen, hvis der fjernes den samme mængde materiale på begge skærekanter.

Kontroller knivens balance ved at placere den på en afbalanceringsenhed (Figur 83).
Note: Hvis skærekniven forbliver i en vandret position, er kniven afbalanceret og kan benyttes.
Note: Hvis kniven ikke er afbalanceret, skal der slibes lidt mere metal af sejlområdet (Figur 82).

Gentag denne procedure, indtil skærekniven er afbalanceret.
Monter skærekniven på spindelakslen (Figur 84).
Important: Den buede del af skærekniven skal pege opad mod indersiden af plæneklipperen for at sikre en god klipning.
Monter fjederskiven og knivbolten (Figur 84).
Note: Fjederskivens konus skal installeres mod boltens hoved (Figur 84).
Tilspænd skæreknivsbolten med et moment på 115 til 150 N·m.

Sluk motoren, vent på, at alle bevægelige dele standser, og fjern nøglen. Aktiver parkeringsbremsen.
Fjern højdejusteringssplitten, og sænk skjoldet ned på jorden.
Sæt højdejusteringssplitten i klippehøjdeplaceringen på 7,6 cm.
Fjern remskærmene.
Løsn plæneklipperskjoldets styreremskive, og fjern plæneklipperremmen. Se Vedligeholdelse af remme.
Fjern bolte og møtrikker fra forsiden af pladen under fodstøtten.
Fjern, og gem bolte og møtrikker på begge sider af maskinen (Figur 85).

Skub skjoldet ud til højre side af maskinen.
En utildækket udblæsningsåbning kan resultere i, at der udkastes genstande mod dig eller omkringstående, hvilket kan medføre alvorlig personskade. Der kan også opstå kontakt med skærekniven.
Betjen ikke plæneklipperen uden at have monteret en dækplade, kværnafskærmning, græsdeflektor eller opsamler.
Fjern låsemøtrikken, bolten, fjederen og afstandsbøsningen, som fastholder græsdeflektoren til akselbeslagene (Figur 86).
Fjern den beskadigede eller slidte græsdeflektor (Figur 86).

Placer afstandsbøsningen og fjederen på græsdeflektoren.
Placer den ene af fjederens J-formede ender bag skjoldets kant.
Note: Sørg for, at fjederens ene J-formede ende sidder bag skjoldets kant, før bolten monteres som vist i Figur 86.
Monter bolten og møtrikken.
Placer en af fjederens J-formede ender omkring græsdeflektoren (Figur 86).
Important: Græsdeflektoren skal kunne dreje. Løft deflektoren op, så den kan åbnes helt, og sørg for, at den drejer, så den kan sænkes helt ned.
| Vedligeholdelsesintervaller | Vedligeholdelsesprocedure |
|---|---|
| Hver anvendelse eller dagligt |
|
Udkobl kontakten til regulering af skæreknivene (kraftudtag), flyt bevægelseshåndtagene til den NEUTRALE LåSEPOSITION, og aktiver parkeringsbremsen.
Sluk for motoren, tag nøglen ud, og vent, til alle bevægelige dele er standset, før du forlader betjeningspositionen.
Hæv plæneklipperen til transportposition.
Motorolie, batterier, hydraulikolie og motorkølervæske forurener miljøet. Bortskaf dem i henhold til den lokale gældende lovgivning.
Udkobl kontakten til regulering af skæreknivene (kraftudtaget), aktiver parkeringsbremsen, drej tændingsnøglen til positionen OFF (fra), og tag nøglen ud.
Fjern afklippet græs og snavs fra alle maskinens ydre dele (særligt motoren og det hydrauliske system). Fjern snavs og avner fra ydersiden af motorens køleribber og blæserhuset.
Important: Du kan vaske maskinen med et mildt rengøringsmiddel og vand. Udsæt ikke maskinen for højtryksrensning. Undgå overdreven brug af vand, særligt i nærheden af kontrolpanelet, motoren og hydraulikpumperne.
Kontroller, om bremsen virker. Se Justering af parkeringsbremsen.
Udfør serviceeftersyn af luftfilteret. Se Eftersyn af luftfilteret.
Smør maskinen. Se Smøring af maskinen.
Skift krumtaphusolien. Se Skift af motorolie og oliefilter.
Kontroller dæktrykket. Se Kontrol af dæktrykket.
Skift hydraulikfiltrene. Se Udskiftning af hydrauliksystemets filtre og væske.
Oplad batteriet. Se Opladning af batteriet.
Skrab enhver større ophobning af græs og snavs af plæneklipperens underside, og vask derefter plæneklipperen med en haveslange.
Note: Kør maskinen med kontakten til regulering af skæreknivene (kraftudtag) indkoblet og motoren ved høj tomgangshastighed i to til fem minutter efter vask.
Kontroller skæreknivenes tilstand. Se Eftersyn af skæreknivene.
Klargør maskinen til opbevaring, hvis den ikke skal bruges i mere end 30 dage. Klargør maskinen til opbevaring på følgende måde.
Tilsæt en petroleumbaseret stabilisator til brændstoffet i tanken. Følg blandingsvejledningen fra stabilisatorfabrikanten. Anvend ikke alkoholbaseret stabilisator (ethanol eller metanol).
Note: Brændstofstabilisator er mest effektivt, når det blandes med frisk brændstof og altid anvendes.
Lad motoren køre for at fordele brændstoffet, der er tilsat stabilisator, i brændstofsystemet (5 minutter).
Sluk motoren, lad den køle af, og tøm brændstoftanken. Kontakt en autoriseret Toro-forhandler.
Start motoren igen, og lad den køre, indtil den stopper.
Brændstof skal bortskaffes på forsvarlig vis. Det kan genbruges i overensstemmelse med gældende retningslinjer.
Important: Stabilisator/brændstof tilsat stabilisator må ikke opbevares i mere end 90 dage.
Kontroller og stram alle bolte, møtrikker og skruer. Reparer eller udskift alle beskadigede dele.
Mal alle ridsede eller blotlagte metaloverflader. Maling kan købes hos en autoriseret serviceforhandler.
Opbevar maskinen i en ren, tør garage eller et rent, tørt opbevaringsområde.
Tag nøglen ud af tændingen, og opbevar den utilgængeligt for børn og andre uautoriserede brugere.
Tildæk maskinen for at beskytte den og holde den ren.
| Problem | Possible Cause | Corrective Action |
|---|---|---|
| Starteren tørner ikke. |
|
|
| Motoren starter ikke, er svær at starte eller sætter ud. |
|
|
| Motoren mister kraft. |
|
|
| Motoren overopheder. |
|
|
| Plæneklipperen trækker til venstre eller højre (med håndtagene helt fremad). |
|
|
| Maskinen kører ikke. |
|
|
| Maskinen vibrerer unormalt. |
|
|
| Maskinens klippehøjden er ujævn. |
|
|
| Knivene roterer ikke. |
|
|
| Koblingen indkobler ikke. |
|
|
