| Huoltoväli | Huoltotoimenpide |
|---|---|
| Aina ennen käyttöä tai päivittäin |
|
Tämä ajettava vaakatasoleikkuri on tarkoitettu kotikäyttöön tai kaupalliseen ammattikäyttöön. Se on suunniteltu pääasiassa asuinkiinteistöjen ja kaupallisten kiinteistöjen viheralueiden ruohonleikkuuseen. Sitä ei ole tarkoitettu pensaiden leikkuuseen eikä maatalouskäyttöön.
Lue nämä tiedot huolellisesti, jotta oppisit käyttämään ja huoltamaan laitetta asianmukaisesti sekä välttämään tapaturmia ja tuotevaurioita. Olet itse vastuussa tuotteen asianmukaisesta ja turvallisesta käytöstä.
Voit ottaa suoraan yhteyden Toroon osoitteessa www.Toro.com, jos tarvitset tuoteturvallisuuteen ja käyttökoulutukseen liittyvää materiaalia, tietoja lisävarusteista tai lähimmästä jälleenmyyjästä tai haluat rekisteröidä tuotteesi.
Aina kun tarvitset huoltoa, alkuperäisiä Toro-varaosia tai lisätietoja, ota yhteys valtuutettuun huoltoliikkeeseen tai Toron asiakaspalveluun. Ota tällöin tuotteen malli- ja sarjanumerot valmiiksi esiin. Kuva 1 näyttää laitteen malli ja sarjanumeron sijainnin. Kirjoita numerot annettuun tilaan.

Tässä käyttöoppaassa esiintyvä varoitusmerkintä (Kuva 2) ilmaisee vaaratilannetta, josta saattaa olla seurauksena vakava tapaturma tai jopa kuolema, jos suositellut varotoimenpiteet laiminlyödään.

Tässä käyttöoppaassa käytetään kahta termiä tietojen korostamiseksi. Tärkeää kiinnittää huomiota mekaanisiin erikoistietoihin ja Huomautus korostaa erityishuomion ansaitsevia yleistietoja.
Tämä tuote on asiaankuuluvien eurooppalaisten direktiivien mukainen. Lisätietoja on erillisessä tuotekohtaisessa vaatimustenmukaisuusvakuutuksessa.
Tämä kipinäsytytysjärjestelmä on Kanadan ICES-002-standardin mukainen.
Alkuperäisten vakio-osien tai lisävarusteiden poistaminen saattaa vaikuttaa koneen toimintaan ja turvallisuuteen sekä takuun voimassaoloon. Muiden kuin alkuperäisten Toro-osien käyttö saattaa johtaa vakavaan tapaturmaan tai kuolemaan. Valtuuttamattomien muutosten tekeminen moottoriin tai polttoaine- tai ilmastointijärjestelmään saattaa olla säännösten vastaista.
Vaihda kaikki osat, mukaan lukien muun muassa renkaat, hihnat, terät ja polttoainejärjestelmän osat, alkuperäisiin Toro-osiin.
Important: Jos Toro-moottorilla varustettua konetta käytetään yli 1 500 m:n korkeudessa pitkäkestoisesti, korkean ilmanalan sarjan on oltava asennettuna, jotta moottori täyttää CARB/EPA-päästömääräykset. Korkean ilmanalan sarja parantaa moottorin suorituskykyä ja estää sytytystulppien likaantumisen, käynnistysvaikeudet ja päästöjen lisääntymisen. Kun sarja on asennettu, kiinnitä korkean ilmanalan kilpi koneen sarjanumerokilven viereen. Ota yhteys valtuutettuun Toro-huoltoliikkeeseen oikean korkean ilmanalan sarjan ja korkean ilmanalan kilven saamiseksi. Etsi lähin huoltoliike sivustoltamme osoitteessa www.Toro.com tai ota yhteys Toro Customer Care Department -asiakaspalveluun, jonka numero(t) on lueteltu päästöjärjestelmän takuulauselmassa (Emission Control Warranty Statement).Poista sarja moottorista ja palauta moottori alkuperäisiin tehdasmäärityksiin, kun konetta käytetään alle 1 500 m:n korkeudessa. Älä käytä korkeaa ilmanalaa varten muunnettua moottoria alhaisemmassa ilmanalassa. Muuten moottori voi ylikuumentua ja vaurioitua.Jos et ole varma, onko kone muunnettu korkeaa ilmanalaa varten, katso, onko siinä seuraava kilpi (Kuva 3).

Tämä kone on suunniteltu standardin EN ISO 5395:2013 mukaisesti.
Tämä tuote voi katkaista jalan tai käden sekä singota esineitä. Noudata aina kaikkia turvallisuusohjeita, jotta vakavilta loukkaantumisilta vältytään.
Tuotteen käyttäminen muuhun kuin sen aiottuun käyttötarkoitukseen voi olla vaarallista käyttäjälle ja sivullisille.
Lue ja sisäistä tämän käyttöoppaan sisältö, ennen kuin käynnistät moottorin. Huolehdi siitä, että kaikki tuotteen käyttäjät tietävät, miten sitä käytetään, ja ymmärtävät varoitukset.
Älä laita käsiä tai jalkoja koneen liikkuvien osien lähelle.
Älä käytä konetta ilman paikallaan olevia ja toimivia suojuksia ja muita suojalaitteita.
Älä mene heittoaukkojen eteen. Pidä sivulliset turvallisen matkan päässä koneesta.
Älä päästä lapsia käyttöalueelle. Älä anna lasten käyttää konetta.
Pysäytä kone ja sammuta moottori ennen huoltoa, polttoainesäiliön täyttämistä ja tukoksen poistamista koneesta.
Laitteen asiaton käyttö tai huolto voi aiheuttaa tapaturman. Vähennä loukkaantumisriskiä noudattamalla näitä turvallisuusohjeita ja kiinnittämällä aina huomiota varoitusmerkkiin, joka tarkoittaa varoitusta, vaaraa tai hengenvaaraa – henkilöturvallisuusohjeet. Ohjeiden noudattamatta jättäminen saattaa johtaa henkilövahinkoon tai kuolemaan.
Lisää turvallisuusohjeita löytyy tämän oppaan eri kohdista.

![]() |
Turva- ja ohjetarrat on sijoitettu hyvin näkyville paikoille mahdollisten vaara-alueiden lähettyville. Korvaa vioittuneet tai kadonneet tarrat uusilla. |



























Tutustu kaikkiin ohjauslaitteisiin, ennen kuin käynnistät moottorin ja käytät konetta (Kuva 5 ja Kuva 6).

Virtalukolla käynnistetään leikkurin moottori. Siinä on kolme asentoa: KäYNNISTYS, KäYNNISSä ja PYSäYTYS.
Käynnistä kylmä moottori rikastimella. Kytke rikastin vetämällä rikastimen nuppi ylös. Poista rikastin käytöstä painamalla rikastimen nuppi alas (Kuva 6).
Kaasuvivulla ohjataan moottorin kierrosnopeutta, ja siinä on portaaton säätö HIDAS-asennosta NOPEA-asentoon (Kuva 6).
Teräkytkin (voimanulosotto) kytkee ja vapauttaa voimansiirron leikkuuteriin (Kuva 6).
Tuntilaskuri mittaa, kuinka kauan moottori on ollut käynnissä kaiken kaikkiaan. Se toimii moottorin ollessa käynnissä. Määritä mitatun ajan avulla, milloin määräaikaishuollot tulee suorittaa (Kuva 6).
Nämä ovat tuntilaskurissa olevia merkintöjä. Musta kolmio ilmoittaa, että turvajärjestelmän komponentti on oikeassa asennossa (Kuva 7).
Jos virta-avain käännetään KäYNNISSä-asentoon muutaman sekunnin ajaksi, akun jännite näkyy kohdassa, jossa tavallisesti näkyvät tunnit.
Akun merkkivalo syttyy, kun sytytysvirta kytketään ja kun varaus on asianmukaista käyttötasoa alhaisempi (Kuva 7).

Liikkeenohjausvivuilla konetta kuljetetaan eteen- ja taaksepäin sekä käännetään.
VAPAA-asennon voi määrittää LUKITTU VAPAA -asennon ja turvajärjestelmän avulla.
Sulje polttoaineen sulkuventtiili (istuimen takana) leikkurin kuljetuksen ja varastoinnin ajaksi.
Koneeseen on saatavana valikoima Toron hyväksymiä lisälaitteita ja -varusteita, joiden avulla voidaan parantaa ja laajentaa sen ominaisuuksia. Ota yhteys valtuutettuun huoltoliikkeeseen tai jakelijaan tai siirry osoitteeseen www.Toro.com, josta löytyy luettelo hyväksytyistä lisälaitteista ja -varusteista.
Note: Ominaisuuksia ja rakennetta voidaan muuttaa ilmoittamatta.
| 122 cm:n leikkuupöytä | 132 cm:n leikkuupöytä | |
|---|---|---|
| Ilman leikkuupöytää | 121 cm | 124 cm |
| Suuntain ylhäällä | 133 cm | 144 cm |
| Suuntain alhaalla | 160 cm | 171 cm |
| 122 cm:n leikkuupöytä | 132 cm:n leikkuupöytä | |
|---|---|---|
| Pituus | 208 cm | 208 cm |
| Turvakaari ylhäällä | Turvakaari alhaalla |
|---|---|
| 179 cm | 125 cm |
| Koneet | Paino |
| 122 cm:n sivulle poistavat koneet | 385–425 kg |
| 132 cm:n sivulle poistavat koneet | 391–434 kg |
Note: Koneen vasen ja oikea puoli määritellään normaalista käyttöasennosta käsin.
Älä anna lasten tai kouluttamattomien henkilöiden käyttää tai huoltaa laitetta. Paikalliset säännökset saattavat asettaa rajoituksia käyttäjän iälle. Omistaja vastaa käyttäjien ja mekaanikkojen koulutuksesta.
Tutustu laitteen turvallisen käytön ohjeisiin, ohjauslaitteisiin ja turvamerkintöihin.
Selvitä, kuinka koneen saa pysäytettyä ja moottorin sammutettua nopeasti.
Tarkista, että käyttäjän pitokytkimet, turvakytkimet ja suojalevyt ovat paikoillaan ja toimivat oikein. Älä käytä konetta, mikäli ne eivät toimi kunnolla.
Tarkasta aina ennen liikkumista, että terät, teräpultit ja leikkuujärjestelmät ovat hyvässä käyttökunnossa. Vaihda kuluneet tai vaurioituneet terät ja pultit sarjoissa, jotta tasapaino säilyisi.
Tarkasta koneen käyttöalue ja poista siltä kaikki esineet, joita kone voi singota.
Tutki maasto, jotta voit arvioida, mitä tarvikkeita sekä lisälaitteita ja -varusteita koneen turvallinen käyttö edellyttää.
Vältä loukkaantumiset ja omaisuusvahingot käsittelemällä polttoainetta erittäin varovasti. Polttoainehöyryt ovat tulenarkoja ja räjähdysherkkiä.
Sammuta savukkeet, sikarit, piiput ja muut sytytyslähteet.
Käytä vain hyväksyttyä polttoaineastiaa.
Älä irrota polttoainesäiliön korkkia tai lisää polttoainetta moottorin ollessa käynnissä tai kuuma.
Älä tankkaa konetta sisätiloissa.
Älä säilytä konetta tai polttoainesäiliötä tilassa, jossa on avotuli, kipinöitä tai varmistusliekki (esimerkiksi vedenlämmitin tai muu vastaava laite).
Älä täytä astioita ajoneuvon sisällä tai ajoneuvon tai perävaunun lavalla, jossa on muovipäällyste. Aseta astiat aina maahan ja pois ajoneuvon läheltä ennen polttoaineen lisäämistä.
Poista laite ajoneuvosta tai perävaunusta ja tankkaa laite, kun sen pyörillä on kosketus maahan. Jos se ei ole mahdollista, tankkaa mieluummin kannettavasta astiasta kuin polttoaineen jakelupistoolilla.
Käytä laitetta vain, kun pakokaasujärjestelmä on kokonaisuudessaan paikallaan ja toimii oikein.
Pidä pistoolia polttoainesäiliön reunaa tai astian aukkoa vasten koko tankkaamisen ajan. Älä käytä polttoainepistoolin aukilukituskytkintä.
Jos polttoainetta on roiskunut vaatteille, vaihda vaatteet välittömästi. Pyyhi läikkynyt polttoaine pois.
Älä täytä polttoainesäiliötä liian täyteen. Aseta polttoainesäiliön korkki paikalleen ja kiristä se huolellisesti.
Polttoainetta tulee säilyttää hyväksytyssä polttoaineastiassa, joka tulee pitää poissa lasten ulottuvilta. Älä osta polttoainetta enempää kuin 30 päivän tarpeeseen.
Polttoainesäiliötä ei saa täyttää aivan täyteen. Lisää polttoainetta säiliöön, kunnes pinta on 6–13 mm täyttökaulan alareunan alapuolella. Säiliöön jäävä tyhjä tila sallii polttoaineen laajenemisen.
Vältä höyryjen hengittämistä.
Pidä kasvot etäällä jakelupistoolista ja polttoainesäiliön aukosta.
Vältä ihokosketusta. Pese roiskeet pois saippualla ja vedellä.
Moottori toimii parhaiten, kun käytetään vain puhdasta ja uutta (korkeintaan 30 päivää vanhaa) lyijytöntä bensiiniä, jonka tieoktaaniluku (pumppuoktaaniluku) on vähintään 87 (RON + MON / 2).
Etanoli: Enintään 10 % etanolia (bensiinin ja etanolin seosta) tai 15 % MTBE:tä (metyyli-tertiääri-butyylieetteriä) sisältävää polttoainetta voidaan käyttää. Etanoli ja MTBE eivät ole sama asia. Bensiiniä, jonka tilavuudesta enemmän kuin 15 % (E15) on etanolia, ei ole hyväksytty käyttöön. Älä käytä bensiiniä, jonka tilavuudesta enemmän kuin 10 % on etanolia (kuten 15 % etanolia sisältävä E15, 20 % etanolia sisältävä E20 tai enintään 85 % etanolia sisältävä E85). Muun kuin hyväksytyn bensiinin käyttö voi aiheuttaa toimintaongelmia ja/tai moottorivaurioita, joita takuu ei ehkä kata.
Metanolia sisältävää bensiiniä ei saa käyttää.
Älä säilytä polttoainetta talven yli polttoainesäiliössä tai -astioissa, ellei polttoaineeseen ole lisätty stabilointiainetta.
Bensiiniin ei saa lisätä öljyä.
Polttoaineen stabilointi-/lisäaineen käytöllä on seuraavia etuja:
Se pitää polttoaineen tuoreena enintään 90 päivän varastoinnin aikana (tyhjennä polttoainesäiliö, jos kone varastoidaan yli 90 päiväksi).
Se puhdistaa moottoria käytön aikana.
Se estää liimamaisen hartsin kerääntymisen polttoainejärjestelmään, mikä vaikeuttaisi käynnistämistä.
Important: Älä käytä metanolia tai etanolia sisältäviä lisäaineita.
Lisää polttoaineeseen oikea määrä stabilointi-/lisäainetta.
Note: Stabilointi-/lisäaine toimii tehokkaimmin, kun se sekoitetaan tuoreeseen polttoaineeseen. Käytä stabilointiainetta aina, jottei polttoainejärjestelmään kerääntyisi hartsimaisia jäämiä.
Pysäköi kone tasaiselle maalle.
Sammuta moottori ja kytke seisontajarru.
Puhdista polttoainesäiliön korkin ympäristö.
Täytä säiliö täyttöaukon kaulan alaosaan asti (Kuva 8).
Note: Polttoainesäiliötä ei saa täyttää aivan täyteen. Säiliöön jäävä tyhjä tila sallii bensiinin laajenemisen.

Tarkista moottorin kampikammion öljymäärä ennen moottorin käynnistämistä ja koneen käyttämistä. Katso kohta Moottoriöljyn määrän tarkistus.
Uusissa moottoreissa täyden voiman saavuttaminen kestää jonkin aikaa. Uuden ruohonleikkurin leikkuupöydissä ja vetojärjestelmissä on enemmän moottoria kuormittavaa kitkaa. Sisäänajo kestää 40–50 tuntia, kunnes uudet koneet saavuttavat täyden voiman ja parhaan suorituskyvyn.
Kaatumisesta aiheutuvan loukkaantumisen tai kuoleman välttämiseksi turvakaari on pidettävä lukittuna yläasentoon ja turvavyötä on käytettävä.
Varmista, että istuin on kiinnitetty koneeseen.
Kaatumissuojausta ei ole, kun turvakaari on alhaalla.
Laske turvakaari vain silloin, kun se on aivan välttämätöntä.
Älä käytä turvavyötä, kun turvakaari on alhaalla.
Aja hitaasti ja varovasti.
Nosta turvakaari ylös heti, kun tilaa on riittävästi.
Tarkista vapaa alikulkukorkeus (esim. puiden oksat, porttikäytävät, sähkölinjat) ennen kuin ajat mahdollisen esteen alitse. Varo osumasta esteeseen.
Important: Laske turvakaari vain silloin, kun se on aivan välttämätöntä.
Laske turvakaari painamalla turvakaaren yläosaa eteenpäin.
Vapauta nupit vetämällä ne ulos ja kiertämällä niitä 90 astetta (Kuva 9).
Laske turvakaari ala-asentoon (Kuva 9).

Nosta turvakaari nostamalla se käyttöasentoon ja kiertämällä nuppeja niin, että ne asettuvat osittain uriin (Kuva 9).
Nosta turvakaari täysin pystyasentoon painamalla turvakaaren yläosaa niin, että tapit napsahtavat paikoilleen, kun ne ovat reikien kohdalla (Kuva 9).
Important: Käytä aina turvavyötä, kun turvakaari on nostettuna.
Paina turvakaarta ja varmista, että molemmat tapit on kytketty.
Lue kaikki turvallisuusohjeet ja perehdy merkintöihin. Nämä tiedot auttavat suojaamaan sinua ja sivullisia loukkaantumiselta.
Koneen käyttö märällä ruoholla tai jyrkillä rinteillä saattaa aiheuttaa luisumista ja koneen hallinnan menetyksen.
Älä käytä rinteillä, joiden kaltevuus on yli 15 astetta.
Vähennä rinteissä nopeutta ja ole äärimmäisen varovainen.
Älä käytä konetta veden lähellä.
Renkaiden lipeäminen reunojen yli saattaa kaataa koneen, mistä voi olla seurauksena vakava loukkaantuminen, hukkumisvaara tai kuolema.
Älä käytä konetta pudotusten lähellä.
Koneen käyttö turvakaaren ollessa alhaalla saattaa aiheuttaa vakavan loukkaantumisen tai kuoleman, jos kone kaatuu.
Pidä turvakaari aina lukittuna yläasentoon ja käytä turvavyötä.

Tämä kone tuottaa 85 dB(A):n ylittävän äänitason käyttäjän korvan kohdalla ja voi aiheuttaa kuulovamman pitkäaikaisessa käytössä.
Käytä kuulosuojaimia käyttäessäsi konetta.
Käytä silmiä, korvia, käsiä, jalkoja ja päätä suojaavia varusteita.

Jos turvakytkimet ovat irronneet tai vaurioituneet, kone saattaa toimia odottamattomalla tavalla ja aiheuttaa henkilövahinkoja.
Älä kajoa turvakytkimiin.
Tarkista turvakytkimien toimivuus päivittäin ja vaihda mahdolliset vaurioituneet kytkimet ennen koneen käyttämistä.
Turvajärjestelmä huolehtii siitä, että moottori käynnistyy vain, kun:
seisontajarru on kytketty
teräkytkin (voimanulosotto) on vapautettu
Liikkeenohjausvivut ovat LUKITTU VAPAA -asennossa.
Turvajärjestelmä myös sammuttaa moottorin, kun ajovivut siirretään lukitusta asennosta seisontajarrun ollessa kytkettynä tai jos käyttäjä nousee istuimelta voimanulosoton (PTO) ollessa kytkettynä.
Tuntilaskurissa on merkintöjä, jotka ilmoittavat käyttäjälle, kun turvajärjestelmän komponentti on oikeassa asennossa. Kun komponentti on oikeassa asennossa, kyseisen ruudun kolmioon syttyy valo.

| Huoltoväli | Huoltotoimenpide |
|---|---|
| Aina ennen käyttöä tai päivittäin |
|
Tarkista turvajärjestelmän toimivuus aina ennen koneen käyttöä. Jos turvajärjestelmä ei toimi alla kuvatulla tavalla, se on välittömästi korjautettava valtuutetussa huoltoliikkeessä.
Istu istuimella, kytke seisontajarru ja siirrä teräkytkin (voimanulosotto) PääLLä-asentoon. Yritä käynnistää moottori. Moottori ei saa käynnistyä.
Istu istuimella, kytke seisontajarru ja siirrä teräkytkin (voimanulosotto) POIS-asentoon. Siirrä jompaakumpaa liikkeenohjausvipua (pois LUKITTU VAPAA -asennosta). Yritä käynnistää moottori. Moottori ei saa käynnistyä. Toista toisella ohjausvivulla.
Istu istuimella, kytke seisontajarru, siirrä teräkytkin (voimanulosotto) POIS-asentoon ja siirrä liikkeenohjausvivut LUKITTU VAPAA -asentoon. Käynnistä moottori. Kun moottori on käynnissä, vapauta seisontajarru, kytke teräkytkin (voimanulosotto) ja nouse hieman istuimelta. Moottorin pitäisi sammua.
Istu istuimella, kytke seisontajarru, siirrä teräkytkin (voimanulosotto) POIS-asentoon ja siirrä liikkeenohjausvivut LUKITTU VAPAA -asentoon. Käynnistä moottori. Kun moottori käy, aseta jompikumpi liikkeenohjausvipu keskelle ja liiku (eteenpäin tai taaksepäin). Moottorin tulee sammua. Toista toisella liikkeenohjausvivulla.
Istu istuimella, vapauta seisontajarru, siirrä teräkytkin (voimanulosotto) POIS-asentoon ja siirrä liikkeenohjausvivut LUKITTU VAPAA -asentoon. Yritä käynnistää moottori. Moottori ei saa käynnistyä.
Istuin siirtyy eteen- ja taaksepäin (Kuva 13). Säädä istuin siten, että pystyt ohjaamaan konetta parhaiten ja asentosi on mahdollisimman mukava.

Istuinta voidaan säätää siten, että ajo on tasaista ja mukavaa. Aseta istuin kohtaan, jossa ajoasento on mahdollisimman mukava.
Säädä se mahdollisimman mukavaksi kääntämällä edessä olevaa nuppia jompaankumpaan suuntaan (Kuva 14).

Käytä ainoastaan Toron hyväksymiä lisälaitteita ja -varusteita.
Jos seuraavassa kuvassa (Kuva 15) näkyvään neljään sijaintiin asennetaan useampi kuin yksi lisävarusteen kiinnityssarja, on asennettava etupainosarja. Lisätietoja etupainosarjasta saa valtuutetusta huollosta.

Omistaja ja käyttäjä voivat estää loukkaantumisia tai omaisuusvahinkoja aiheuttavat tapaturmat ja ovat siksi vastuussa niistä.
Pukeudu asianmukaisesti. Käytä silmäsuojaimia, tukevia liukastumisen estäviä kenkiä ja kuulosuojaimia. Pitkät hiukset eivät saa roikkua vapaina. Älä käytä koruja.
Älä käytä konetta sairaana, väsyneenä tai alkoholin tai huumausaineiden vaikutuksen alaisena.
Älä kuljeta matkustajia koneessa ja pidä sivulliset ja lemmikit poissa koneen luota käytön aikana.
Käytä konetta vain, kun näkyvyys on hyvä, jotta vältät kuopat ja piilevät vaarat.
Vältä märän ruohon leikkuuta. Heikentynyt pito voi aiheuttaa koneen luisumisen.
Varmista, että kaikki käytöt ovat vapaalla ja että seisontajarru on kytketty. Käynnistä moottori ollessasi käyttäjän paikalla.
Pidä kädet ja jalat etäällä leikkuuyksiköistä. Pysy aina etäällä heittoaukosta.
Varmista ennen peruuttamista, että reitti on vapaa, katsomalla taakse ja alas.
Ole varovainen lähestyessäsi kulmia, joissa on huono näkyvyys, pensaita, puita tai muita näköesteitä.
Älä leikkaa ruohoa pudotusten, ojien tai vallien lähettyvillä. Kone voi kaatua yllättäen, jos pyörä menee reunan yli tai jos reuna sortuu.
Pysäytä terät, jos et leikkaa ruohoa.
Pysäytä laitteet ja tarkasta terät, mikäli kone osuu esteeseen tai tärisee epätavallisesti. Suorita tarvittavat korjaukset ennen koneen käytön jatkamista.
Hidasta ja ole varovainen kääntyessäsi koneella ja ylittäessäsi teitä ja jalkakäytäviä. Anna muille aina etuajo-oikeus.
Kytke leikkuuyksikön käyttö pois ja sammuta moottori ennen leikkuukorkeuden säätämistä (ellei sitä voi säätää käyttäjän paikalta).
Älä koskaan käytä moottoria tilassa, johon voi kertyä pakokaasuja.
Älä jätä käynnissä olevaa konetta ilman valvontaa.
Ennen käyttäjän paikalta poistumista (mukaan lukien ruohonkeräimien puhdistus tai suppilon tukoksen poistaminen):
Pysäytä kone tasaiselle maalle.
Vapauta voimanulosotto ja laske lisälaitteet alas.
Kytke seisontajarru.
Sammuta moottori ja irrota virta-avain.
Odota, kunnes kaikki liikkuvat osat ovat pysähtyneet.
Älä käytä konetta ukonilman aikana.
Älä käytä konetta hinaukseen.
Älä muuta kierrosnopeussäätimen nopeutta tai käytä moottoria ylikierroksilla.
Käytä vain Toron hyväksymiä lisälaitteita ja -varusteita.
Älä irrota turvakaarta koneesta.
Varmista, että turvavyö on kiinnitetty ja nopeasti avattavissa hätätilanteessa.
Käytä turvavyötä, kun turvakaari on yläasennossa.
Tarkista vapaa alikulkukorkeus ja varo osumasta esteisiin.
Pidä turvakaari turvallisessa käyttökunnossa tarkastamalla se vaurioiden varalta säännöllisesti ja pitämällä kaikki kiinnittimet tiukalla.
Vaihda vaurioitunut turvakaari. Älä korjaa tai muuta sitä.
Hidasta konetta ja ole erityisen varovainen rinteillä. Aja rinteet ylös ja alas. Nurmiolosuhteet voivat heikentää koneen vakautta.
Vältä koneen kääntämistä rinteissä. Jos kääntyminen on välttämätöntä, käänny hitaasti ja vähän kerrallaan alamäkeen, jos mahdollista.
Älä käännä konetta jyrkästi. Ole varovainen, kun peruutat konetta.
Ole erityisen varovainen, kun käytät lisälaitteita, sillä ne voivat heikentää laitteen vakautta.
Kytke seisontajarru aina, kun pysäytät koneen tai jätät sen ilman valvontaa.
Seisontajarru ei välttämättä pidä konetta paikallaan rinteessä, mistä voi aiheutua henkilö- tai omaisuusvahinkoja.
Pysäköi kone rinteeseen vain, jos pyörät voidaan kiilata tai pukita.


Teräkytkin (voimanulosotto) käynnistää ja pysäyttää leikkuuterät ja voimanulosottoa käyttävät lisälaitteet.
Note: Teräkytkimen (voimanulosotto) kytkentä kaasun ollessa puolivälissä tai alempana kuluttaa käyttöhihnoja liiallisesti.


Kaasuvipua voidaan siirtää NOPEA- ja HIDAS-asentojen välillä (Kuva 20).
Käytä aina NOPEA-asentoa, kun käynnistät ruohonleikkurin leikkuupöydän teräkytkimellä (voimanulosotto).

Käännä virta-avain KäYNNISTYS-asentoon (Kuva 22).
Note: Kun moottori käynnistyy, vapauta avain.
Important: Älä käytä käynnistintä kerralla yli 5 sekunnin ajan. Jos moottori ei käynnisty, odota 15 sekuntia yritysten välillä. Näiden ohjeiden laiminlyönti saattaa rikkoa käynnistimen.
Note: Moottorin käynnistys saattaa edellyttää useita yrityksiä, kun se käynnistetään ensimmäistä kertaa polttoainejärjestelmän oltua täysin ilman polttoainetta.

Sammuta moottori kääntämällä virta-avain PYSäYTYS-asentoon.
Nosta turvakaari ylös ja lukitse se paikalleen. Istu istuimelle ja kiinnitä turvavyö.
Siirrä liikkeenohjausvivut LUKITTU VAPAA -asentoon.
Kytke seisontajarru. Katso kohta Seisontajarrun kytkentä.
Siirrä teräkytkin (voimanulosotto) POIS-asentoon (Kuva 23).
Siirrä kaasuvipu HIDAS- ja NOPEA-asentojen keskivälille.

Käännä virta-avain KäYNNISTYS-asentoon (Kuva 24).
Note: Kun moottori käynnistyy, vapauta avain.
Important: Älä käytä käynnistintä kerralla yli 5 sekunnin ajan. Jos moottori ei käynnisty, odota 15 sekunnin ajan käynnistysyritysten välillä. Näiden ohjeiden laiminlyönti saattaa rikkoa käynnistimen.
Note: Käynnistystä voidaan joutua yrittämään useampia kertoja, kun moottori käynnistetään ensimmäistä kertaa sen jälkeen, kun polttoainejärjestelmä on käytetty tyhjiin.

Lapset ja sivulliset voivat loukkaantua, jos he siirtävät tai yrittävät käyttää konetta sen ollessa ilman valvontaa.
Muista irrottaa virta-avain ja kytkeä seisontajarru aina, kun jätät koneen ilman valvontaa, vaikka vain muutamaksi minuutiksi.
Siirrä kaasuvipu NOPEA-asentoon ja käännä kytkin POIS-asentoon.

Important: Varmista ennen koneen varastoimista tai kuljetusta, että polttoaineen sulkuventtiili on kiinni. Muuten polttoainetta saattaa vuotaa. Kytke seisontajarru ennen kuljetusta. Irrota virta-avain, sillä polttoainepumppu saattaa käydä ja kuluttaa akkua.

Vetopyörät pyörivät itsenäisesti akselien hydraulimoottorien voimasta. Toinen puoli voi pyöriä taaksepäin toisen puolen pyöriessä eteenpäin, jolloin kone pyörii paikallaan kääntymisen sijaan. Tämä parantaa huomattavasti koneen ohjattavuutta, mutta saattaa vaatia jonkin verran totuttelua.
Kaasuvivulla säädetään moottorin pyörintänopeutta (1/min). Aseta kaasuvipu NOPEA-asentoon, jolloin suorituskyky on parhaimmillaan. Leikkaa aina täydellä kaasulla.
Kone voi pyöriä hyvin nopeasti. Käyttäjä voi menettää koneen hallinnan ja aiheuttaa henkilö- tai omaisuusvahinkoja.
Ole varovainen kääntyessäsi.
Hidasta konetta ennen jyrkkiä käännöksiä.
Note: Moottori sammuu, jos liikkeenohjausvipuja siirretään seisontajarrun ollessa kytkettynä.
Kun haluat pysähtyä, vedä liikkeenohjausvivut VAPAA-asentoon.
Vapauta seisontajarru. Katso kohta Seisontajarrun vapautus.
Siirrä liikkeenohjausvivut keskelle, lukitsemattomaan asentoon.
Kun haluat ajaa eteenpäin, työnnä liikkeenohjausvipuja hitaasti eteenpäin (Kuva 27).

Siirrä liikkeenohjausvivut keskelle, lukitsemattomaan asentoon.
Kun haluat ajaa taaksepäin, vedä liikkeenohjausvipuja hitaasti taaksepäin (Kuva 28).

Kuljetuslukossa on kaksi asentoa, joita säädetään leikkuupöydän nostopolkimella. Leikkuupöydän kuljetuslukossa on LUKITTU ja LUKITSEMATON asento (Kuva 29).

Leikkuukorkeudeksi voidaan säätää 38–127 mm (6 mm:n välein) siirtämällä leikkuukorkeuden tappi eri reikiin.
Siirrä kuljetuslukko LUKITTU-asentoon.
Paina leikkuupöydän nostopoljinta jalalla ja nosta leikkuupöytä KULJETUS-asentoon (joka on myös 127 mm:n leikkuukorkeusasento) kuvan mukaisesti (Kuva 30).
Kun haluat säätää korkeutta, irrota tappi leikkuukorkeuden kannattimesta (Kuva 30).
Valitse leikkuukorkeuden kannattimesta haluttua leikkuukorkeutta vastaava reikä ja työnnä tappi reikään (Kuva 30).
Paina leikkuupöydän nostopoljinta, vedä kuljetuslukon nuppia ylös ja laske leikkuupöytä hitaasti.

Kun säädät leikkuukorkeutta, säädä samalla nurmisuojarullien korkeus.
Vapauta teräkytkin (voimanulosotto), siirrä liikkeenohjausvivut LUKITTU VAPAA -asentoon ja kytke seisontajarru.
Sammuta moottori, irrota avain ja odota, että kaikki liikkuvat osat ovat pysähtyneet, ennen kuin poistut käyttäjän paikalta.


Kun haluat pysäyttää koneen, lukitse liikkeenohjausvivut VAPAA-asentoon, vapauta teräkytkin (voimanulosotto) ja käännä virta-avain PYSäYTYS-asentoon.
Kytke seisontajarru, kun poistut koneelta. Katso kohta Seisontajarrun kytkentä. Ota avain pois virtalukosta.
Lapset ja sivulliset voivat loukkaantua, jos he siirtävät tai yrittävät käyttää konetta sen ollessa ilman valvontaa.
Muista irrottaa virta-avain ja kytkeä seisontajarru aina, kun jätät koneen ilman valvontaa, vaikka vain muutamaksi minuutiksi.
Leikkurissa on kääntyvä suuntain, joka levittää leikkuujätteen sivulle ja alas nurmeen päin.
Ellei suuntainta, poistolevyä tai ruohonkerääjää ole asennettu, liikkuvat terät ja ilmaan sinkoutuvat roskat saattavat vahingoittaa käyttäjää tai sivullisia. Teräkosketus tai ulossinkoutuva jäte voi aiheuttaa loukkaantumisen tai kuoleman.
Älä koskaan irrota suuntainta leikkurista, sillä se ohjaa materiaalin nurmea kohti. Jos suuntain vaurioituu, vaihda se heti.
Älä koskaan pane käsiä tai jalkoja leikkurin alle.
Siirrä teräkytkin (voimanulosotto) POIS-asentoon, käännä virta-avain PYSäYTYS-asentoon ja irrota avain aina ennen poistoalueen tai leikkuuterien puhdistusta.
Varmista, että suuntain on ala-asennossa.
Leikkuujälki ja ilmanvaihto ovat parhaimmillaan, kun moottoria käytetään NOPEA-asetuksella. Ilmaa tarvitaan, jotta ruoho saataisiin leikattua huolellisesti. Älä siis säädä leikkuukorkeutta liian alas ja älä anna leikkaamattoman ruohon ympäröidä leikkuria kokonaan. Huolehdi, että leikkurin toinen sivu on leikatun nurmen päällä, jolloin leikkuriin pääsee ilmaa.
Varmista, ettei leikkuri leikkaa nurmen mahdollisia epätasaisia kohtia paljaaksi, leikkaamalla ruoho hieman tavallista pidemmäksi. Aikaisemmin käytetty leikkuukorkeus on kuitenkin yleensä sopivin. Kun leikattava ruoho on yli 15 cm:n pituista, hyvä leikkuujälki voidaan varmistaa leikkaamalla se kaksi kertaa.
Ruohonkorren pituudesta kannattaa leikata vain noin kolmasosa. Suuremman määrän leikkaamista ei suositella, ellei ruoho ole harvaa tai ole myöhäinen syksy, jolloin ruoho kasvaa hitaammin.
Vaihtele leikkuusuuntaa, jotta ruoho pysyy pystyssä. Tämä helpottaa myös leikkuujätteen levittämistä, joka puolestaan edistää maatumista ja lannoitusta.
Ruoho kasvaa eri nopeudella eri vuodenaikoina. Leikkuukorkeus voidaan pitää samana leikkaamalla ruoho useammin keväällä. Vähennä leikkuukertoja keskikesällä, jolloin ruohon kasvu hidastuu. Jos ruohoa ei jostain syystä voida leikata pitkähköön aikaan, käytä ensin korkeaa leikkuukorkeutta. Leikkaa ruoho sitten uudelleen parin päivän kuluttua alemmalla korkeusasetuksella.
Leikkuujäljen parantamiseksi ajonopeutta kannattaa hidastaa tietyissä olosuhteissa.
Suurenna leikkuukorkeutta epätasaista nurmea leikattaessa, jotta nurmi ei leikkaudu paljaaksi.
Jos koneen liike eteenpäin on pysäytettävä kesken leikkuun, nurmikolle saattaa pudota kasa leikkuujätettä. Jotta näin ei kävisi, siirry aiemmin leikatulle alueelle terät kytkettyinä tai vapauta leikkuupöytä eteenpäin ajaessasi.
Poista leikkuujätteet ja lika leikkurin alapuolelta aina käytön jälkeen. Jos leikkurin sisälle kertyy ruohoa, leikkuujäljestä tulee ennen pitkää epätyydyttävä.
Pidä terä terävänä koko leikkuukauden ajan. Terävä terä leikkaa ruohon siistimmin ruohonkorsia repimättä. Repeytymien vuoksi ruohon reunat muuttuvat ruskeiksi, mikä heikentää kasvua ja altistaa kasvisairauksille. Tarkista aina käytön jälkeen, että leikkuuterät ovat terävät ja että ne eivät ole kuluneet tai vaurioituneet. Viilaa mahdolliset lovet pois ja teroita terät tarpeen mukaan. Jos terä on vaurioitunut tai kulunut, vaihda se aitoon Toro-vaihtoterään.
Vähennä tulipalon vaaraa poistamalla ruoho ja leikkuujäte leikkuuyksiköistä, äänenvaimentimista ja moottoritilasta. Puhdista öljy- ja polttoaineroiskeet.
Sulje polttoaineen sulkuventtiili ennen koneen varastointia tai kuljetusta.
Kytke lisälaitteen käyttö pois aina, kun kuljetat konetta tai kun sitä ei käytetä.
Käytä täysleveää ramppia lastatessasi konetta perävaunuun tai kuorma-autoon.
Kiinnitä kone tiukasti hihnoilla, ketjuilla, kaapeleilla tai köysillä. Etu- ja takahihnat on suunnattava alas- ja ulospäin koneesta.
Anna moottorin jäähtyä, ennen kuin varastoit laitteen suljettuun tilaan.
Sulje polttoaineen sulkuventtiili ennen koneen varastointia tai kuljetusta.
Älä säilytä konetta tai polttoainesäiliötä tilassa, jossa on avotuli, kipinöitä tai varmistusliekki (esimerkiksi vedenlämmitin tai muu vastaava laite).
Polttoaineen sulkuventtiili on istuimen takana.
Sulje polttoaineen sulkuventtiili koneen kuljetuksen, huollon ja varastoinnin ajaksi.
Varmista, että polttoaineen sulkuventtiili on avoinna, kun käynnistät moottorin.


Kädet saattavat takertua moottorikannen alla pyöriviin vetokoneiston osiin, mikä voi johtaa vakavaan loukkaantumiseen.
Sammuta moottori, irrota virta-avain ja anna liikkuvien osien pysähtyä, ennen kuin kosket vetopyörien ohitusventtiileihin.
Moottori ja hydrauliset vetoyksiköt voivat olla erittäin kuumia. Kuuman moottorin tai hydraulisten vetoyksiköiden koskettaminen voi aiheuttaa vakavia palovammoja.
Anna moottorin ja hydraulisten vetoyksiköiden jäähtyä kokonaan ennen kuin kosket vetopyörien ohitusventtiileihin.
Vetopyörien ohitusventtiilit sijaitsevat vasemmalla ja oikealla puolella moottorikannen alla.
Vapauta teräkytkin (voimanulosotto), käännä virta-avain Pysäytys-asentoon, lukitse vivut VAPAA-asentoon, kytke seisontajarru ja irrota avain.
Paikanna istuimen takana alhaalla rungon vasemmalla ja oikealla puolella olevat ohitusvivut.
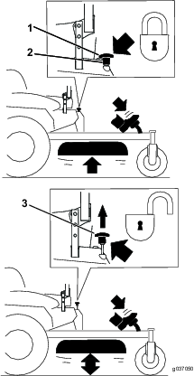
Jos konetta on työnnettävä, siirrä molemmat ohitusnupit taakse ja lukitse ne paikoilleen (Kuva 34).
Vapauta seisontajarru ennen koneen työntämistä.

Kun haluat käyttää konetta, siirrä ohitusnupit ETEEN-asentoon ja lukitse ne paikoilleen (Kuva 34).
Käytä koneen kuljetukseen raskaaseen käyttöön tarkoitettua perävaunua tai kuorma-autoa. Varmista, että perävaunussa tai kuorma-autossa on kaikki lain vaatimat jarrut, valot ja merkit. Lue huolellisesti kaikki turvaohjeet. Nämä tiedot auttavat suojaamaan sinua, perhettäsi, lemmikkejäsi ja sivullisia loukkaantumiselta.
Kaduilla ja teillä ajaminen ilman suuntavilkkuja, valoja, heijastavia merkintöjä tai hitaan ajoneuvon merkkiä on vaarallista ja saattaa aiheuttaa henkilövahinkoihin johtavan onnettomuuden.
Älä aja koneella julkisella tiellä tai kadulla.
Koneen kuljetus:
Jos käytät perävaunua, kiinnitä se vetoajoneuvoon ja käytä turvaketjuja.
Jos mahdollista, yhdistä perävaunun jarrut.
Lastaa kone perävaunuun tai kuorma-autoon.
Sammuta moottori, irrota avain, kytke seisontajarru ja sulje polttoaineventtiili.
Kiinnitä kone sen metallisista kiinnityssilmukoista tiukasti perävaunuun tai kuorma-autoon hihnoilla, ketjuilla, kaapeleilla tai köysillä (Kuva 35).

Ole erittäin varovainen lastatessasi konetta perävaunuun tai kuorma-autoon ja poistaessasi konetta niistä. Käytä toimenpiteeseen täysleveää ramppia, joka on konetta leveämpi. Aja ramppia ylöspäin peruuttamalla ja alaspäin eteenpäin ajaen (Kuva 36).

Important: Älä käytä kapeita erillisiä ramppeja koneen molemmilla puolilla.
Koneen lastaaminen perävaunuun tai kuorma-autoon lisää kaatumisen mahdollisuutta, mikä voi aiheuttaa vakavan loukkaantumisen tai kuoleman (Kuva 37).
Ole erittäin varovainen käyttäessäsi konetta rampilla.
Käytä vain täysleveää ramppia. Älä käytä erillisiä ramppeja koneen molemmilla puolilla.
Rampin ja maan tai rampin ja perävaunun tai kuorma-auton välinen kulma ei saa olla yli 15 astetta.
Varmista, että rampin pituus on vähintään neljä kertaa pidempi kuin perävaunun tai kuorma-auton lavan korkeus maahan. Näin varmistetaan, että rampin kulma tasaiseen maahan ei ylitä 15:ta astetta.
Peruutusrampit ja eteenpäin alas ajettavat rampit.
Vältä äkillistä kiihdytystä tai hidastusta konetta rampilla ajettaessa, sillä tämä voi aiheuttaa hallinnan menetyksen tai kaatumisen.

| Huoltoväli | Huoltotoimenpide |
|---|---|
| 5 ensimmäisen käyttötunnin jälkeen |
|
| 75 ensimmäisen käyttötunnin jälkeen |
|
| Aina ennen käyttöä tai päivittäin |
|
| 25 käyttötunnin välein |
|
| 50 käyttötunnin välein |
|
| 100 käyttötunnin välein |
|
| 200 käyttötunnin välein |
|
| 250 käyttötunnin välein |
|
| 500 käyttötunnin välein |
|
| Kuukausittain |
|
| Vuosittain tai ennen varastointia |
|
Important: Lisää huoltotoimenpiteitä on moottorin käyttöohjeessa.
Jos jätät avaimen virtalukkoon, joku voi vahingossa käynnistää moottorin ja vahingoittaa vakavasti lähellä olijoita.
Irrota avain virtalukosta ennen huollon aloitusta.
Tee seuraavat toimenpiteet ennen koneen korjaamista:
Vapauta käytöt.
Kytke seisontajarru.
Sammuta moottori ja irrota virta-avain.
Irrota sytytystulpan johto.
Pysäköi kone tasaiselle alustalle.
Poista ruoho ja leikkuujäte leikkuuyksiköstä, käyttöpyöristä, äänenvaimentimista ja moottorista tulipalon estämiseksi.
Puhdista öljy- ja polttoaineroiskeet.
Anna moottorin jäähtyä ennen koneen varastointia.
Älä säilytä konetta tai polttoainetta lähellä avotulta tai tyhjennä polttoainetta sisätiloissa.
Älä anna tehtävään kouluttamattomien henkilöiden huoltaa konetta.
Tue kone tai sen osat tarvittaessa pukkien avulla.
Vapauta paine huolellisesti osista, joihin on varastoitunut energiaa.
Irrota akku tai vedä johto irti sytytystulpasta ennen minkäänlaisia huoltotoimia. Irrota kaapeli ensin miinusnavasta ja vasta sitten plusnavasta. Kytke ensin plusnavan akkukenkä ja vasta sitten miinusnavan akkukenkä.
Ole varovainen, kun tarkastat teriä. Kiedo terien ympärille esimerkiksi kangas tai käytä pehmustettuja paksuja suojakäsineitä ja ole varovainen, kun huollat teriä. Älä suorista tai hitsaa teriä, vaan vaihda ne.
Pidä kädet ja jalat etäällä liikkuvista osista. Älä tee säätöjä moottorin ollessa käynnissä, jos mahdollista.
Pidä kaikki osat hyvässä kunnossa ja kaikkien laitteiden kiinnitykset tiukalla, varsinkin terien kiinnityspultit. Vaihda kaikki kuluneet tai vaurioituneet tarrat.
Älä koskaan yritä muuttaa turvalaitteiden käyttötarkoitusta tai vähentää turvalaitteen tarjoamaa suojaa. Tarkista säännöllisesti, että ne toimivat asianmukaisesti.
Käytä vain aitoja Toro-varaosia ja -lisävarusteita, jotta kone toimisi parhaalla mahdollisella tavalla ja sen turvasertifiointi pysyisi voimassa. Muiden valmistajien varaosat ja lisävarusteet voivat osoittautua vaarallisiksi, ja niiden käyttö voi johtaa tuotteen takuun raukeamiseen.
Tarkista seisontajarrun toiminta säännöllisesti. Säädä ja huolla tarvittaessa.
Vapauta leikkuupöydän verho löysäämällä verhon ylintä pulttia, jotta pääset käsiksi leikkuupöydän yläosaan (Kuva 38). Kun huoltotoimenpide on suoritettu, kiinnitä verho kiristämällä pultti.

Rasvaa useammin, jos käyttöolosuhteet ovat erittäin pölyiset tai hiekkaiset.
Rasvatyyppi: Litiumpohjainen yleisrasva nro 2 tai molybdeenipohjainen rasva
Vapauta teräkytkin (voimanulosotto), siirrä liikkeenohjausvivut LUKITTU VAPAA -asentoon ja kytke seisontajarru.
Sammuta moottori, irrota avain ja odota, että kaikki liikkuvat osat ovat pysähtyneet, ennen kuin poistut käyttäjän paikalta.
Puhdista rasvanipat rievulla.
Note: Hankaa mahdollinen maali pois nipoista.
Liitä voitelupistooli nippaan.
Pumppaa rasvaa nippoihin, kunnes rasvaa alkaa tihkua laakereista.
Pyyhi pois liika rasva.
| Huoltoväli | Huoltotoimenpide |
|---|---|
| 25 käyttötunnin välein |
|
| 50 käyttötunnin välein |
|
Vapauta teräkytkin (voimanulosotto), siirrä liikkeenohjausvivut LUKITTU VAPAA -asentoon ja kytke seisontajarru.
Sammuta moottori, irrota avain ja odota, että kaikki liikkuvat osat ovat pysähtyneet, ennen kuin poistut käyttäjän paikalta.
Rasvaa pumpun kiristinpyörän nivel yhdellä tai kahdella voiteluaineen pumppauksella (Kuva 41).
Rasvaa etummaisten kääntöpyörien akselit (Kuva 41).

Kosketus kuumiin osiin voi aiheuttaa tapaturman.
Pidä kädet, jalat, kasvot, vaatteet ja muut ruumiinosat etäällä äänenvaimentimesta ja muista kuumista osista.
Moottori on sammutettava ennen öljyn tarkistusta tai lisäystä kampikammioon.
| Huoltoväli | Huoltotoimenpide |
|---|---|
| 25 käyttötunnin välein |
|
| 100 käyttötunnin välein |
|
| 200 käyttötunnin välein |
|
Pysäköi kone tasaiselle alustalle ja vapauta teräkytkin (PTO).
Kytke seisontajarru, sammuta moottori, irrota virta-avain ja odota, että kaikki liikkuvat osat ovat pysähtyneet, ennen kuin poistut käyttäjän paikalta.
Puhdista ilmanpuhdistimen suojuksen ympäristö, jotta likaa ei pääse moottoriin aiheuttamaan vahinkoa.
Nosta suojus ja käännä ilmanpuhdistinjärjestelmä pois moottorista (Kuva 42).


Irrota vaahtomuovipanos paperipanoksesta (Kuva 43).

Pese vaahtomuovipanos vedellä ja vaihda se, jos se on vaurioitunut.
Naputa panosta kevyesti tasaista pintaa vasten, jotta pöly ja lika irtoavat siitä.
Tarkista, ettei panos ole repeytynyt, ettei siinä ole öljykalvoa ja ettei tiiviste ole vaurioitunut.
Important: Älä puhdista paperipanosta paineilmalla tai nesteillä, kuten liuotinaineella, bensiinillä tai paloöljyllä. Paperipanos on vaihdettava, jos se on vaurioitunut tai jos sitä ei voida puhdistaa kunnolla.
Öljylaatu: pesevä öljy (API-huoltoluokitus SF, SG, SH, SJ tai SL).
Kampikammion tilavuus: 2,4 l suodattimen kanssa
Viskositeetti: Katso seuraava taulukko.

| Huoltoväli | Huoltotoimenpide |
|---|---|
| Aina ennen käyttöä tai päivittäin |
|
Note: Tarkista öljymäärä moottorin ollessa kylmä.
Kosketus kuumiin osiin voi aiheuttaa tapaturman.
Pidä kädet, jalat, kasvot, vaatteet ja muut ruumiinosat etäällä äänenvaimentimesta ja muista kuumista osista.
Important: Älä laita kampikammioon liikaa öljyä, sillä moottori voi vahingoittua. Älä käytä moottoria öljyn ollessa Low-merkin alapuolella, sillä moottori saattaa vahingoittua.
Pysäköi kone tasaiselle alustalle, vapauta teräkytkin, sammuta moottori, kytke seisontajarru ja irrota virta-avain virtalukosta.
Varmista, että moottori on sammunut, tasassa ja jäähtynyt, jotta öljy on ehtinyt valua öljypohjaan.
Puhdista öljyntäyttökorkin ja mittatikun ympäristö ennen korkin irrottamista, jotta moottoriin ei pääse likaa, leikkuujätteitä tai muita roskia (Kuva 45).

| Huoltoväli | Huoltotoimenpide |
|---|---|
| 5 ensimmäisen käyttötunnin jälkeen |
|
| 100 käyttötunnin välein |
|
Note: Toimita käytetty öljy jälleenkäsittelylaitoksen hävitettäväksi.
Pysäköi kone tasaiselle alustalle, jotta kaikki öljy tyhjenee.
Vapauta voimanulosotto (PTO) ja kytke seisontajarru.
Sammuta moottori, irrota avain ja odota, että kaikki liikkuvat osat ovat pysähtyneet, ennen kuin poistut käyttäjän paikalta.
Tyhjennä moottoriöljy (Kuva 46).


Vaihda moottorin öljynsuodatin (Kuva 47).

Note: Varmista, että öljynsuodattimen tiiviste koskettaa moottoria, ja käännä sitten suodatinta vielä ¾ kierrosta.
Kaada hitaasti noin 80 % määritetystä öljymäärästä täyttöputkeen ja lisää hitaasti siten, että sitä on Full-merkkiin asti (Kuva 48).

| Huoltoväli | Huoltotoimenpide |
|---|---|
| 100 käyttötunnin välein |
|
| 200 käyttötunnin välein |
|
Varmista, että keski- ja sivuelektrodien kärkiväli on oikea, ennen kuin asennat sytytystulpan. Irrota ja asenna sytytystulpat sytytystulpan avaimella. Tarkista ja säädä kärkiväli kärkivälin työkalulla tai rakotulkilla. Asenna tarvittaessa uudet sytytystulpat.
Tyyppi: Champion RN9YC tai NGK BPR6ES
Kärkiväli: 0,76 mm
Vapauta voimanulosotto (PTO) ja kytke seisontajarru.
Sammuta moottori, irrota avain ja odota, että kaikki liikkuvat osat ovat pysähtyneet, ennen kuin poistut käyttäjän paikalta.

Note: Koska sytytystulpan ympärillä on syvennys, tehokkain puhdistustapa on puhaltaa onteloon paineilmaa. Sytytystulppaan pääsee parhaiten käsiksi, kun puhallinkotelo on irrotettu puhdistusta varten.
Important: Älä puhdista sytytystulppia. Sytytystulppa tulee vaihtaa aina, kun eriste on mustunut, kun elektrodit ovat kuluneet tai kun tulpassa on öljykalvo tai murtumia.
Jos näet eristeessä vaaleanruskeata tai harmaata, moottori toimii moitteettomasti. Jos eriste on mustunut, ilmanpuhdistin on yleensä likainen.
Säädä kärkiväliksi 0,76 mm.

Kiristä sytytystulpat momenttiin 25–30 N·m.

| Huoltoväli | Huoltotoimenpide |
|---|---|
| Aina ennen käyttöä tai päivittäin |
|
Puhdista ilmanottoritilä ruohosta ja roskista aina ennen käyttöä.
Vapauta teräkytkin ja kytke seisontajarru.
Sammuta moottori, irrota avain ja odota, että kaikki liikkuvat osat ovat pysähtyneet, ennen kuin poistut käyttäjän paikalta.
Irrota ilmansuodatin moottorista.
Irrota moottorin vaippa.
Estä roskien pääseminen ilmanottoon asentamalla ilmansuodatin suodattimen kantaan.
Puhdista osat roskista ja ruohosta.
Irrota ilmansuodatin ja asenna moottorin vaippa.
Asenna ilmansuodatin.
| Huoltoväli | Huoltotoimenpide |
|---|---|
| 50 käyttötunnin välein |
|
Pakokaasujärjestelmän kuumat osat voivat saada polttoainehöyryt syttymään, vaikka moottori olisi sammutettu. Moottorin käytön aikana vapautuvat kuumat pakokaasuhiukkaset voivat sytyttää tulenarat materiaalit. Tämä voi johtaa tapaturmaan tai omaisuusvahinkoon.
Älä lisää polttoainetta tai käytä moottoria, jos kipinänsammutinta ei ole asennettu.
Sammuta moottori, odota, kunnes kaikki liikkuvat osat ovat pysähtyneet, ja irrota avain. Kytke seisontajarru.
Anna äänenvaimentimen jäähtyä.
Jos säleikössä tai hitsauksissa on murtumia, vaihda sammutin.
Jos säleikössä on tukoksia, irrota sammutin, ravista siitä irtohiukkaset ja puhdista säleikkö teräsharjalla (käytä tarvittaessa liuotinta). Asenna sammutin poistoaukkoon.
| Huoltoväli | Huoltotoimenpide |
|---|---|
| 500 käyttötunnin välein |
|
Sammuta moottori, odota, kunnes kaikki liikkuvat osat ovat pysähtyneet, ja irrota avain. Kytke seisontajarru.
Irrota suodatin ilmaletkusta.
Asenna uusi suodatin ilmaletkun päähän.
| Huoltoväli | Huoltotoimenpide |
|---|---|
| 500 käyttötunnin välein |
|
Important: Asenna polttoaineletkut ja kiinnitä ne nippusiteillä samaan tapaan kuin ne asennettiin valmistusvaiheessa. Näin polttoaineletkut pysyvät etäällä osista, jotka saattaisivat vaurioittaa letkuja.
Polttoainesuodatin sijaitsee lähellä moottoria sen edessä vasemmalla.
Vapauta teräkytkin (voimanulosotto), siirrä liikkeenohjausvivut LUKITTU VAPAA -asentoon ja kytke seisontajarru.
Sammuta moottori, irrota avain ja odota, että kaikki liikkuvat osat ovat pysähtyneet, ennen kuin poistut käyttäjän paikalta.
Anna koneen jäähtyä.
Sulje istuimen takana oleva polttoaineen sulkuventtiili (Kuva 33).

Avaa polttoaineen sulkuventtiili.
Älä yritä tyhjentää polttoainesäiliötä. Varmista, että polttoainesäiliön tyhjentää ja polttoainejärjestelmän osat huoltaa valtuutettu huoltoliike.
Irrota akun kytkennät ennen kuin korjaat konetta. Irrota ensin miinusnavan akkukenkä ja vasta sitten plusnavan akkukenkä. Kytke ensin plusnavan akkukenkä ja vasta sitten miinusnavan akkukenkä.
Lataa akku avoimessa tilassa, jossa on hyvä ilmanvaihto, kaukana kipinöistä ja avotulesta. Irrota laturin virtajohto ennen kuin kytket laturin akkuun tai irrotat sen akusta. Käytä suojavaatetusta ja eristettyjä työkaluja.
Akun liitännät, navat ja niihin liittyvät lisävarusteet sisältävät lyijyä ja lyijy-yhdisteitä, joiden tiedetään aiheuttavan syöpää ja haittaavan lisääntymistä. Pese kädet, kun olet käsitellyt akkua.
| Huoltoväli | Huoltotoimenpide |
|---|---|
| Kuukausittain |
|
Akkuneste sisältää rikkihappoa, joka on tappava myrkky ja aiheuttaa vakavia kemiallisia palovammoja.
Akkunestettä ei saa juoda eikä päästää kosketuksiin ihon, silmien tai vaatteiden kanssa. Käytä suojalaseja ja kumikäsineitä.
Akun navat tai metallityökalut voivat aiheuttaa oikosulun koskettaessaan koneen metalliosia, mistä voi seurata kipinöitä. Kipinät voivat saada akun kaasut räjähtämään ja aiheuttaa siten henkilövahingon.
Kun irrotat tai asennat akun, älä anna akun napojen koskettaa koneen metalliosia.
Älä anna metallityökalujen aiheuttaa oikosulkua akun napojen ja koneen metalliosien välille.
Akun kaapeleiden virheellinen asennus voi vahingoittaa konetta ja kaapeleita aiheuttaen kipinöitä. Kipinät voivat saada akun kaasut räjähtämään ja aiheuttaa siten henkilövahingon.
Irrota aina akun miinuskaapeli (musta) ennen pluskaapelin (punainen) irrottamista.
Kytke aina akun pluskaapeli (punainen) ennen miinuskaapelia (musta).
Vapauta teräkytkin (voimanulosotto), siirrä liikkeenohjausvivut LUKITTU VAPAA -asentoon ja kytke seisontajarru.
Sammuta moottori, irrota avain ja odota, että kaikki liikkuvat osat ovat pysähtyneet, ennen kuin poistut käyttäjän paikalta.
Irrota akun miinuskaapeli (musta) akun miinusnavan (–) akkukengästä (Kuva 53).
Vedä punainen suojus pois akun plusnavan (punainen) akkukengästä ja irrota akun pluskaapeli (+) (Kuva 53).
Irrota kumihihna (Kuva 53).
Akun irrotus


Aseta akku alustalle siten, että navat ovat hydraulisäiliötä vastapäätä (Kuva 53).
Asenna pluskaapeli (punainen) akun plusnapaan (+).
Kytke akun miinuskaapeli (musta) ja maadoitusjohto akun miinusnapaan (–).
Kiinnitä kaapelit kahdella pultilla, kahdella aluslaatalla ja kahdella lukkomutterilla (Kuva 53).
Vedä punainen navan suojus akun plusnavan (+) päälle.
Kiinnitä akku kumihihnalla (Kuva 53).
Akun latauksen yhteydessä syntyy räjähdysherkkiä kaasuja.
Älä tupakoi akun lähettyvillä. Älä päästä kipinöitä tai liekkejä kosketuksiin akun kanssa.
Important: Pidä akku aina täysin ladattuna (ominaispaino 1,265). Tämä on erityisen tärkeää siksi, että näin ehkäistään akun vahingoittuminen, kun lämpötila on alle 0° C.
Lataa akkua 10–15 minuuttia 25–30 ampeerin sähkövirralla tai 30 minuuttia 10 ampeerin virralla.
Kun akku on ladattu täyteen, irrota laturi sähköliitännästä. Irrota sitten laturin johtimet akun navoista (Kuva 54).
Asenna akku koneeseen ja kytke akun kaapelit. Katso kohta Akun asennus.
Note: Älä käytä konetta, kun akkua ei ole kytketty. Se voi aiheuttaa sähkövaurioita.

Sähköjärjestelmä on suojattu sulakkeilla. Huoltoa ei tarvita. Jos sulake kuitenkin palaa, tarkista osa ja virtapiiri toimintavian tai oikosulun varalta.
Sulakkeet sijaitsevat oikeassa konsolissa istuimen vieressä (Kuva 55).
Vaihda sulakkeet vetämällä ensin vanha sulake irti.
Asenna uusi sulake (Kuva 55).

| Huoltoväli | Huoltotoimenpide |
|---|---|
| Aina ennen käyttöä tai päivittäin |
|
Tarkasta, että turvavyön vetolaite ja solki toimivat kunnolla ja ettei turvavyössä ole kulumia tai repeämiä. Vaihda turvavyö, jos se on vaurioitunut.
| Huoltoväli | Huoltotoimenpide |
|---|---|
| Aina ennen käyttöä tai päivittäin |
|
Kaatumisesta aiheutuvan loukkaantumisen tai kuoleman välttämiseksi turvakaari on pidettävä lukittuna yläasentoon ja turvavyötä on käytettävä.
Varmista, että istuin on kiinnitetty koneeseen.
Tarkista, että kiinnikkeet ja nupit ovat hyvässä kunnossa.
Varmista, että nupit ovat täysin kytkettyinä, kun turvakaari on yläasennossa.
Note: Turvakaaren yläosaa on ehkä työnnettävä eteenpäin tai vedettävä taaksepäin, jotta molemmat nupit saadaan kytketyksi täysin (Kuva 56 ja Kuva 57).


Vapauta teräkytkin (voimanulosotto).
Aja avoimelle ja tasaiselle alueelle ja lukitse liikkeenohjausvivut VAPAA-asentoon.
Siirrä kaasuvipu HIDAS- ja NOPEA-asennon puoliväliin.
Siirrä molemmat liikkeenohjausvivut eteen, kunnes ne osuvat T-aukon pysäyttimiin.
Tarkista, mihin suuntaan kone vetää.
Jos kone vetää oikealle, aseta 3/16 tuuman kuusioavain oikeanpuoleisen etusuojapaneelin aukon läpi ja säädä vivun liikerataa kääntämällä ohjauskulman säätöruuvia myötä- tai vastapäivään (Kuva 58).
Jos kone vetää vasemmalle, aseta 3/16 tuuman kuusioavain oikeanpuoleisen etusuojapaneelin aukon läpi ja säädä vivun liikerataa kääntämällä ohjauskulman säätöruuvia myötä- tai vastapäivään (Kuva 58).
Aja koneella ja tarkista ohjauskulman toiminta eteenpäin ajossa.
Toista säätö, kunnes haluttu ohjauskulma on saavutettu.

| Huoltoväli | Huoltotoimenpide |
|---|---|
| 50 käyttötunnin välein |
|
Etu- ja takarenkaiden oikea rengaspaine on 0,9 bar. Epätasainen rengaspaine saattaa tehdä leikkuujäljestä epätasaisen. Tarkista paine, kun renkaat ovat kylmät, jotta painelukema on mahdollisimman tarkka.

Tarkista pyöränmuttereiden kireys ja kiristä ne momenttiin 122–136 N·m.
| Huoltoväli | Huoltotoimenpide |
|---|---|
| Aina ennen käyttöä tai päivittäin |
|
Poista ruoho, lika ja roskat moottorin säleiköstä, pakokaasujärjestelmästä ja moottorin ympäristöstä ennen jokaista käyttökertaa. Tämä varmistaa moottorin riittävän jäähdytyksen ja oikean nopeuden sekä vähentää moottorin ylikuumenemisen ja mekaanisten vaurioiden vaaraa.
| Huoltoväli | Huoltotoimenpide |
|---|---|
| 500 käyttötunnin välein |
|
Note: Seuraavat toimet on tehtävä jarrukomponentin irrotuksen tai vaihdon yhteydessä.
Aja kone tasaiselle alustalle.
Vapauta teräkytkin (voimanulosotto), siirrä liikkeenohjausvivut LUKITTU VAPAA -asentoon ja kytke seisontajarru.
Sammuta moottori, irrota avain ja odota, että kaikki liikkuvat osat ovat pysähtyneet, ennen kuin poistut käyttäjän paikalta.
Valmistele kone työntämistä varten. Katso Vetopyörien ohitusventtiilien käyttö.
Nosta koneen takaosa ja tue se akselipukeilla.
Koneen nosto korjausta tai huoltoa varten pelkästään mekaanisten tai hydraulisten tunkkien varaan voi olla vaarallista. Mekaaniset tai hydrauliset tunkit eivät välttämättä tue riittävästi tai niihin saattaa tulla vika, jolloin kone voi pudota, mistä saattaa olla seurauksena henkilövahinko.
Älä tue konetta pelkästään mekaanisten tai hydraulisten tunkkien varaan. Käytä asianmukaisia pukkeja tai vastaavaa tukea.
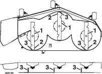
Kytke ja vapauta seisontajarru ja tarkista jokaisen vetävän pyörän kohdalla, että jarru kytkeytyy ja vapautuu oikein.
Jos säätö on tarpeen, vapauta seisontajarru. Irrota sokka jarrun nivelakselista (Kuva 60).

Tarkista molempien jousien pituus kuvan mukaisesti (Kuva 61). Jos säätö on tarpeen, lyhennä jousta kääntämällä ylintä mutteria myötäpäivään tai pidennä jousta kääntämällä mutteria vastapäivään.

Työnnä seisontajarrun vipu kokonaan eteen ja alas.
Käännä jarrun nivelakselia, kunnes sen pää on vivun reiän kohdalla.
Lyhennä niveltä kääntämällä sitä myötäpäivään.
Pidennä niveltä kääntämällä sitä vastapäivään.
Asenna jarrun nivelakseli seisontajarrun reikään ja kiinnitä sokalla. Toista vaihe 6 ja säädä tarvittaessa.
Kun säätö on valmis, poista pukit tai vastaavat tuet ja laske kone alas.
Aseta kone KäYTTöASENTOON. Katso kohta Vetopyörien ohitusventtiilien käyttö.
| Huoltoväli | Huoltotoimenpide |
|---|---|
| 50 käyttötunnin välein |
|
Vaihda hihna, jos se on kulunut. Kuluneen hihnan merkkejä ovat vinkuminen hihnan pyöriessä, luistavat terät ruohoa leikattaessa, rispaantuneet hihnan reunat, palojäljet ja murtumat hihnassa.
Vapauta teräkytkin (voimanulosotto), siirrä liikkeenohjausvivut LUKITTU VAPAA -asentoon ja kytke seisontajarru.
Sammuta moottori, irrota avain ja odota, että kaikki liikkuvat osat ovat pysähtyneet, ennen kuin poistut käyttäjän paikalta.
Laske leikkuri 76 mm:n leikkuukorkeuteen.
Löysää kunkin hihnasuojuksen pulttia.
Löysää alinta pulttia, jolla leikkuupöydän verho on kiinnitetty leikkuupöytään. Katso kohta Leikkuupöydän verhon vapautus.
Irrota metallinen suojuslevy. Katso kohta Metallisen suojuslevyn irrotus.
Irrota hihnasuojukset ja niihin kiinnitetyt pultit (Kuva 62).

Vapauta jousijännitys leikkurin jousikuormitteisesta kiristinpyörästä. Katso Kuva 64.
Note: Irrota jousi leikkuupöydän tapista jousen irrotustyökalulla (Toro-osanro 92–5771) (Kuva 64).
Irrota hihna leikkuupöydän hihnapyöristä ja kytkimen hihnapyörästä.
Asenna uusi hihna leikkurin hihnapyörien ja moottorin alla olevan kytkimen hihnapyörän ympärille (Kuva 63).


Asenna kiristinpyörän jousi (Kuva 63).
Note: Varmista, että jousen päät ovat ankkurin urissa.
Asenna hihnasuojukset ja niihin kiinnitetyt pultit (Kuva 65).

Löysää alinta pulttia, jolla leikkuupöydän verho on kiinnitetty leikkuupöytään. Katso kohta Leikkuupöydän verhon vapautus.
Irrota metallinen suojuslevy. Katso kohta Metallisen suojuslevyn irrotus.
Vapauta teräkytkin (voimanulosotto) ja kytke seisontajarru.
Sammuta moottori, irrota avain ja odota, että kaikki liikkuvat osat ovat pysähtyneet, ennen kuin poistut käyttäjän paikalta.
Irrota leikkurin hihna. Katso kohta Leikkurin hihnan vaihto sivulle poistavissa leikkuupöydissä.
Nosta kone ja tue se pukeilla (Kuva 67).
Irrota kytkimen pysäytin (Kuva 66).

Irrota kiristinpyörän jousi tapista (Kuva 67).
Irrota nykyinen hihna hydraulipumpun käyttöpyöristä ja moottorin hihnapyörästä.
Asenna uusi hihna moottorin hihnapyörän ja kahden hydraulipumpun hihnapyörän ympärille (Kuva 67).

Asenna kytkimen pysäytin (Kuva 66).
Asenna leikkurin hihna. Katso kohta Hihnan huolto.
Vapauta teräkytkin (voimanulosotto), siirrä liikkeenohjausvivut LUKITTU VAPAA -asentoon ja kytke seisontajarru.
Sammuta moottori, irrota avain ja odota, että kaikki liikkuvat osat ovat pysähtyneet, ennen kuin poistut käyttäjän paikalta.
Korkeuden säätö:
Liikkeenohjausvipuja voidaan säätää korkeammalle tai matalammalle omien tarpeiden mukaan.
Irrota kiinnitystarvikkeet, jotka kiinnittävät ohjausvivun ohjausvarren akseliin.

Siirrä ohjausvipu seuraavien aukkojen kohdalle. Kiinnitä vipu kiinnitystarvikkeilla.
Toista säätö vastakkaiselle ohjausvivulle.
Kallistuksen säätö
Löysää ylempää pulttia, joka kiinnittää ohjausvivun ohjausvarren akseliin.
Löysää alempaa pulttia juuri sen verran, että ohjausvipu kääntyy pitkittäissuunnassa. Kiinnitä ohjausvipu uuteen asentoon kiristämällä molemmat pultit.
Toista säätö vastakkaiselle ohjausvivulle.

Jos vipujen päät osuvat yhteen, katso kohta Liikkeenohjausvivuston säätö.
Pumpun ohjausvivustot sijaitsevat koneen molemmin puolin istuimen alla. Jotta kone ei liikkuisi ollessaan vapaalla vaihteella, sitä voi hienosäätää kiertämällä päätymutteria ½ tuuman hylsyavaimella. Säätöjä saa tehdä vain vapaa-asentoa varten.
Moottorin on oltava käynnissä ja vetopyörien on pyörittävä säätämisen aikana. Kosketus liikkuviin osiin tai kuumiin pintoihin voi aiheuttaa tapaturman.
Pidä sormet, kädet ja vaatteet etäällä pyörivistä osista ja kuumista pinnoista.
Paina leikkuupöydän nostopoljinta ja irrota leikkuukorkeustappi ennen moottorin käynnistystä. Laske leikkuupöytä maahan.
Nosta koneen takaosa ylös ja tue se akselipukeilla (tai vastaavilla tuilla) korkeudelle, jolla vetävät pyörät pyörivät juuri ja juuri esteettä.
Irrota sähköliitin istuimen turvakytkimestä, joka sijaitsee istuintyynyn alla.
Note: Kytkin on osa istuinkokoonpanoa.
Kytke hyppylanka tilapäisesti pääjohdinsarjan liittimen koskettimiin.
Käynnistä moottori. Käytä moottoria täydellä kaasulla ja vapauta seisontajarru.
Note: Varmista ennen moottorin käynnistämistä, että seisontajarru on kytketty ja että liikkeenohjausvivut ovat ulkona. Istuimella ei tarvitse istua.
Käytä konetta vähintään viisi minuuttia ajovipujen ollessa täyden eteenpäinajonopeuden asennossa. Näin hydraulineste lämpenee käyttölämpötilaan.
Note: Tarvittavia säätöjä tehtäessä liikkeenohjausvivun on oltava vapaalla.
Siirrä liikkeenohjausvivut VAPAA-asentoon.
Varmista, että ohjauslevyn kielekkeet koskettavat vapaa-asennon palautuksen levyjä hydrauliyksiköissä.
Säädä pumpun ohjaustangon pituutta kiertämällä mutteria tarvittavaan suuntaan, kunnes pyörät pyörivät hitaasti taaksepäin (Kuva 70).
Siirrä liikkeenohjausvivut PERUUTUS-asentoon ja paina vipua hieman, jolloin peruutuksen merkkivalon jouset palauttavat vivut takaisin vapaalle.
Note: Pyörien on pysähdyttävä tai pyörittävä hitaasti taaksepäin.
Note: Liikkeenohjauksen suojus on ehkä irrotettava pois tieltä.

Sammuta moottori.
Irrota hyppylanka johdinsarjasta ja kytke liitin istuinkytkimeen.
Poista pukit.
Nosta leikkuupöytä ja asenna leikkuukorkeustappi.
Varmista, että kone ei lähde liikkeelle vapaalta, kun seisontajarrua ei ole kytketty.
Varmista, että kaikki hydrauliletkut ja -putket ovat hyvässä kunnossa ja että kaikki hydrauliputkien liitokset ja kiinnitykset ovat tiukalla, ennen kuin lisäät hydraulijärjestelmän painetta.
Pidä keho ja kädet kaukana vuotavista rei’istä ja suuttimista, joista suihkuaa korkeapaineista hydraulinestettä.
Etsi hydraulinestevuotoja pahvin tai paperin avulla.
Poista paine varovasti hydraulijärjestelmästä, ennen kuin huollat järjestelmää.
Jos nestettä pääsee ihon alle, hakeudu välittömästi lääkäriin. Lääkärin on poistettava neste kirurgisesti muutaman tunnin sisällä.
Hydraulinestelaatu: Toro® HYPR-OIL™ 500 -hydraulineste (suositus) tai Mobil® 1 15W-50 -öljy.
Important: Käytä suositusten mukaista nestettä. Muut nesteet saattavat vahingoittaa järjestelmää.
Hydraulijärjestelmän tilavuus (ilman suodattimia): 4,45 l
| Huoltoväli | Huoltotoimenpide |
|---|---|
| Aina ennen käyttöä tai päivittäin |
|
Anna hydraulinesteen jäähtyä. Tarkista öljymäärä öljyn ollessa kylmää.
Tarkista paisuntasäiliö ja lisää tarvittaessa Toro® HYPR-OIL™ 500 -hydraulinestettä FULL COLD -viivaan asti.

| Huoltoväli | Huoltotoimenpide |
|---|---|
| 75 ensimmäisen käyttötunnin jälkeen |
|
| 250 käyttötunnin välein |
|
| 500 käyttötunnin välein |
|
Vaihda suodattimet ja öljy samaan aikaan. Älä käytä öljyä uudelleen. Poista ilma järjestelmästä uusien suodattimien asennuksen ja öljyn lisäyksen jälkeen. Katso Hydraulijärjestelmän ilmaus.
Toista ilmausvaiheet, kunnes öljy pysyy säiliön FULL COLD -viivan tasalla ilmauksen jälkeen. Jos toimenpidettä ei tehdä oikein, vaihteistojärjestelmä voi vaurioitua pysyvästi.
Sammuta moottori, odota, kunnes kaikki liikkuvat osat ovat pysähtyneet, anna moottorin jäähtyä, irrota virta-avain ja kytke seisontajarru.
Paikanna vaihteistojärjestelmien suodattimet ja suojat (Kuva 72).
Irrota kolme ruuvia, joilla suodattimen suojus ja suojus on kiinnitetty (Kuva 72).

Puhdista huolellisesti suodattimia ympäröivä alue.
Important: Älä päästä likaa hydraulijärjestelmään kontaminaation välttämiseksi.
Aseta tyhjennysastia suodattimen alle suodattimen ja ilmanpoistotulppien irrotuksen yhteydessä valuvaa öljyä varten.
Paikanna ja irrota molempien vaihteistojen ilmanpoistotulpat.
Kierrä suodatin irti ja anna öljyn valua vetojärjestelmästä.
Toista vaiheet molempien suodattimien kohdalla.
Sivele ohut kerros öljyä kunkin suodattimen kumitiivisteen pinnalle.
Käännä suodatinta myötäpäivään, kunnes kumitiiviste koskettaa suodattimen istukkaa. Kiristä sitten vielä ¾–1 kierrosta.
Tee sama vastakkaisen puolen suodattimelle.
Asenna aikaisemmin irrotetut suodattimien suojukset suodattimien päälle.
Kiinnitä suodattimien suojukset kolmella ruuvilla.
Varmista ennen öljyn lisäämistä, että ilmanpoistotulpat on irrotettu.
Kaada määrityksen mukaista öljyä hitaasti paisuntasäiliöön, kunnes yhdestä ilmanpoistotulpan aukosta tulee öljyä.
Asenna ilmanpoistotulppa.
Kiristä tulppa momenttiin 20 N·m.
Lisää öljyä paisuntasäiliöön, kunnes toisen vaihteiston jäljellä olevasta ilmanpoistotulpan aukosta tulee öljyä.
Asenna vastakkaisen puolen ilmanpoistotulppa.
Kiristä tulppa momenttiin 20 N·m.
Lisää paisuntasäiliöön öljyä, kunnes se saavuttaa paisuntasäiliön FULL COLD -viivan.
Siirry kohtaan Hydraulijärjestelmän ilmaus.
Important: Hydraulijärjestelmän ilmauksen laiminlyönti hydraulisuodattimien ja -öljyn vaihtamisen jälkeen voi vaurioittaa vaihteistojärjestelmää pysyvästi.

Nosta koneen takaosa ja tue se pukeilla (tai vastaavilla tuilla) korkeudelle, jolla vetävät pyörät pyörivät juuri ja juuri esteettä.

Käynnistä moottori, siirrä kaasuvipu ½-asentoon ja vapauta seisontajarru.
Siirrä ohitusvivut koneen työntöasentoon. Kun ohitusventtiilit on avattu ja moottori on käynnissä, siirrä liikkeenohjausvipuja hitaasti eteen ja taakse viisi tai kuusi kertaa.
Siirrä ohitusvivut koneen käyttöasentoon.
Kun ohitusventtiili on suljettu ja moottori on käynnissä, siirrä ohjausvipua eteen ja taakse viisi tai kuusi kertaa.
Sammuta moottori ja tarkista öljyn määrä paisuntasäiliössä. Lisää määrityksen mukaista öljyä, kunnes se saavuttaa paisuntasäiliön FULL COLD -viivan.
Toista vaihe 2, kunnes järjestelmästä on poistettu ilma kokonaan.
Note: Kun vaihteistosta toiminnan aikana kuuluvan äänen voimakkuus on normaali ja kun vaihteisto toimii tasaisesti eteenpäin ja peruuttaa normaaleilla nopeuksilla, vaihteisto on ilmattu.
Tarkista paisuntasäiliön öljymäärä vielä kerran. Lisää määrityksen mukaista öljyä, kunnes se saavuttaa paisuntasäiliön FULL COLD -viivan.
Sijoita leikkuri tasaiselle alustalle.
Vapauta teräkytkin (voimanulosotto), siirrä liikkeenohjausvivut LUKITTU VAPAA -asentoon ja kytke seisontajarru.
Sammuta moottori, irrota avain ja odota, että kaikki liikkuvat osat ovat pysähtyneet, ennen kuin poistut käyttäjän paikalta.
Tarkista vetävien renkaiden rengaspaineet. Katso Rengaspaineen tarkistus.
Aseta leikkuupöytä kuljetuslukon asentoon.
Pyöritä teriä varovasti puolelta toiselle.
Mittaa terän kärjen ja tasaisen alustan väliltä (Kuva 75). Jos molemmat mitat eivät ole 5 mm:n sisällä toisistaan, tasausta on säädettävä. Jatka sitten toimenpidettä.

Tarkista terän pituussuuntainen kaltevuus (Kuva 76). Tarkista, että etummaisen terän kärki on pölkkyjen korkeuden ja kaltevuuden taulukon mukaisesti alempana kuin takimmaisen terän kärki. Jos säätö on tarpeen, jatka tätä toimenpidettä.

Aseta nurmisuojarullat ylimpiin reikiin tai poista ne kokonaan tämän säädön ajaksi.
Aseta kaksi pölkkyä (katso pölkkyjen korkeuden ja kaltevuuden taulukko) leikkuupöydän helman takareunan alle, yksi leikkuupöydän molemmille puolille (Kuva 77).
Aseta leikkuukorkeusvipu 76 mm:n asentoon.
Aseta kaksi pölkkyä leikkuupöydän etureunan molempien puolien alle niin, että ne eivät ole nurmisuojarullan kannattimien tai hitsaussaumojen alla.

| Leikkuupöydän koko | Etummaisen pölkyn korkeus | Kaltevuus |
| Kaikki leikkuupöydät | 7,3 cm | 4,8–6,4 mm |
Pyöritä teriä varovasti puolelta toiselle (Kuva 75).
Löysää lukkomuttereita (Kuva 78) jokaisessa neljässä kulmassa ja varmista, että leikkuupöytä asettuu tukevasti neljän pölkyn varaan.
Poista välys leikkuupöydän ripustimista ja varmista, että leikkuupöydän noston jalkavipu on työnnetty pysäytintä vasten.
Kiristä neljä lukkomutteria

Varmista, että pölkyt asettuvat tiukasti leikkuupöydän helman alle ja että kaikki kiinnityspultit ovat kireällä.
Tasaa leikkuupöytä tarkistamalla terän kaltevuus pituussuunnassa.
Tarkista terien tasaus ja toista leikkuupöydän tasausvaiheet tarvittaessa.
Terät on pidettävä terävinä, jotta leikkausjälki pysyy ensiluokkaisena. Jotta terien teroitus ja vaihto kävisi vaivattomasti, käytettävissä on hyvä olla muutamia vaihtoteriä.
Kulunut tai vaurioitunut terä voi rikkoutua ja terän pala voi sinkoutua käyttäjään tai ohikulkijaan päin, mikä voi aiheuttaa vakavan henkilövahingon tai kuoleman. Älä yritä korjata vaurioitunutta terää, koska se saattaa mitätöidä tuotteen turvasertifioinnin.
Terät on tarkistettava säännöllisesti kulumisen ja vaurioiden varalta.
Ole varovainen, kun tarkastat teriä. Kiedo terien ympärille esimerkiksi kangas tai käytä käsineitä ja noudata varovaisuutta teriä huoltaessasi. Terät saa ainoastaan vaihtaa tai teroittaa. Niitä ei saa suoristaa eikä hitsata.
Ole varovainen käsitellessäsi moniteräisiä koneita, sillä yhden terän kääntäminen saattaa kääntää myös muita teriä.
Pysäköi kone tasaiselle alustalle, vapauta teräkytkin (voimanulosotto) ja kytke seisontajarru.
Sammuta moottori, irrota virta-avain ja irrota sytytystulppien johdot sytytystulpista.
| Huoltoväli | Huoltotoimenpide |
|---|---|
| Aina ennen käyttöä tai päivittäin |
|
Tarkasta leikkuusärmät (Kuva 79).
Jos särmät eivät ole teräviä tai niissä on lovia, irrota terä ja teroita se. Katso Terien teroitus.
Tarkasta terät, etenkin kupera alue.
Jos havaitset vähäisiäkään murtumisen, kulumisen tai urautumisen merkkejä tällä alueella, asenna uusi terä välittömästi (Kuva 79).

Vapauta teräkytkin (voimanulosotto), siirrä liikkeenohjausvivut LUKITTU VAPAA -asentoon ja kytke seisontajarru.
Sammuta moottori, irrota avain ja odota, että kaikki liikkuvat osat ovat pysähtyneet, ennen kuin poistut käyttäjän paikalta.
Käännä teriä, kunnes päät osoittavat eteen- ja taaksepäin.
Mittaa vaakasuorasta pinnasta terien leikkuusärmään (asento A) (Kuva 80).

Käännä terien vastakkainen päät osoittamaan eteenpäin.
Mittaa vaakasuoralta pinnalta leikkuuterien leikkuusärmään samasta kohdasta kuin edellä vaiheessa 4.
Note: Vaiheiden 4 ja 6 välisten mittojen ero ei saa olla yli 3 mm.
Note: Jos ero on yli 3 mm, terä on vaihdettava, koska se on taipunut.
Taipunut tai vaurioitunut terä voi rikkoutua ja johtaa käyttäjän tai sivullisten vakavaan loukkaantumiseen tai kuolemaan.
Taipunut tai vaurioitunut terä on aina vaihdettava uuteen.
Älä hio tai tee teräviä lovia terän särmiin tai pintoihin.
Terät on vaihdettava, jos ne ovat osuneet kiinteään esineeseen, jos terä on epätasapainossa tai jos se on taipunut. Varmista koneen suorituskyky ja turvallisuus käyttämällä aina alkuperäisiä Toro-vaihtoteriä. Muiden valmistajien vaihtoterien käyttö saattaa aiheuttaa sen, että kone ei ole enää turvallisuusstandardien mukainen.
Pidä kara-akselia paikallaan kiintoavaimella.
Irrota teräpultti, jousialuslaatta ja terä kara-akselista (Kuva 81).

Viilaa leikkuusärmä teräväksi terän molemmista päistä (Kuva 82).
Note: Säilytä alkuperäinen kulma.
Note: Terä säilyttää tasapainonsa, kun molemmista leikkuusärmistä poistetaan materiaalia yhtä paljon.

Tarkista terän tasapaino asettamalla se terän tasaimeen (Kuva 83).
Note: Jos terä pysyy vaaka-asennossa, se on tasapainossa ja sitä voidaan käyttää.
Note: Jos terä ei ole tasapainossa, viilaa sitä vähän vain siipialueelta (Kuva 82).

Toista, kunnes terä on tasapainossa.
Asenna terä kara-akseliin (Kuva 84).
Important: Terän kuperan puolen on osoitettava ylöspäin leikkurin sisäpuolta kohti, jotta leikkuujäljestä tulee kunnollinen.
Asenna jousilevy ja teräpultti (Kuva 84).
Note: Jousilevyn kartiopuoli on asennettava pultin päätä kohti (Kuva 84).
Kiristä teräpultti momenttiin 115–150 N∙m.

Sammuta moottori, odota, kunnes kaikki liikkuvat osat ovat pysähtyneet, ja irrota avain. Kytke seisontajarru.
Irrota korkeudensäätötappi ja laske leikkuupöytä maahan.
Asenna korkeudensäätötappi 7,6 cm:n leikkuukorkeuden asentoon.
Irrota hihnasuojukset.
Löysää leikkuupöydän kiristinpyörää ja irrota leikkurin hihna. Katso kohta Hihnan huolto.
Irrota pultit ja mutterit levyn etupuolelta jalkatuen alta.
Irrota pultit ja mutterit koneen molemmilta puolilta ja säilytä ne (Kuva 85).

Liu’uta leikkuupöytä ulos koneen oikealle puolelle.
Jos heittoaukko ei ole peitossa, leikkuri saattaa singota esineitä käyttäjän tai sivullisten suuntaan, mistä voi olla seurauksena vakava tapaturma. Seurauksena voi olla myös kosketus terään.
Älä käytä ruohonleikkuria ilman suojalevyä, leikkuujätelevyä, suuntainta tai kerääjää.
Irrota lukkomutteri, pultti, jousi ja välikappale, joilla suuntain on kiinnitetty kääntökannattimiin (Kuva 86).
Irrota vaurioitunut tai kulunut suuntain (Kuva 86).

Aseta välikappale ja jousi suuntaimeen.
Aseta jousen yksi J-koukkupää leikkuupöydän reunan taakse.
Note: Varmista, että jousen yksi J-koukkupää on asennettu leikkuupöydän reunan taakse ennen pultin asennusta kuvan mukaisesti (Kuva 86).
Asenna pultti ja mutteri.
Aseta jousen J-koukkupää suuntaimen ympärille (Kuva 86).
Important: Suuntaimen on voitava kääntyä. Nosta suuntain ylös täysin avattuun asentoon ja varmista, että se pyörii täydelliseen ala-asentoon.
| Huoltoväli | Huoltotoimenpide |
|---|---|
| Aina ennen käyttöä tai päivittäin |
|
Vapauta teräkytkin (voimanulosotto), siirrä liikkeenohjausvivut LUKITTU VAPAA -asentoon ja kytke seisontajarru.
Sammuta moottori, irrota avain ja odota, että kaikki liikkuvat osat ovat pysähtyneet, ennen kuin poistut käyttäjän paikalta.
Nosta leikkuri kuljetusasentoon.
Moottoriöljy, akut, hydrauliöljy ja moottorin jäähdytysneste saastuttavat ympäristöä. Ne on hävitettävä kansallisten ja paikallisten määräysten mukaisesti.
Vapauta teräkytkin (voimanulosotto), kytke seisontajarru, käännä virta-avain PYSäYTYS-asentoon ja irrota avain.
Poista ruoho, lika ja rasva koneen kaikista ulkoisista osista, etenkin moottorista ja hydraulijärjestelmästä. Puhdista lika ja roskat moottorin sylinterinkannen rivoista ja tuulettimen kotelosta.
Important: Kone voidaan pestä miedolla pesuaineella ja vedellä. Älä pese konetta painepesurilla. Älä käytä vettä ylen määrin, älä etenkään kojetaulun, moottorin ja hydraulipumppujen läheisyydessä.
Tarkista jarru. Katso kohta Seisontajarrun säätö.
Huolla ilmanpuhdistin. Katso kohta Ilmanpuhdistimen huolto.
Rasvaa kone. Katso kohta Koneen voitelu.
Vaihda kampikammioöljy. Katso kohta Moottoriöljyn ja öljynsuodattimen vaihto.
Tarkista rengaspaine. Katso kohta Rengaspaineen tarkistus.
Vaihda hydraulisuodattimet. Katso kohta Hydraulijärjestelmän suodattimien ja nesteen vaihto.
Lataa akku. Katso kohta Akun lataus.
Kaavi ruoho ja lika leikkurin alta ja pese leikkuri sitten vesiletkulla.
Note: Käytä konetta teräkytkin (voimanulosotto) kytkettynä ja korkeimmalla tyhjäkäyntinopeudella 2–5 minuutin ajan pesun jälkeen.
Tarkista terien kunto. Katso kohta Terien tarkastus.
Valmistele kone varastointia varten, jos sitä ei ole tarkoitus käyttää yli kuukauteen. Valmistele kone varastointia varten seuraavasti:
Lisää polttoainesäiliöön öljypohjaista stabilointi-/lisäainetta. Noudata stabilointiaineen valmistajan sekoitusohjeita. Älä käytä alkoholipohjaista stabilointiainetta (etanolia tai metanolia).
Note: Stabilointi-/lisäaine toimii tehokkaimmin, kun se sekoitetaan tuoreeseen polttoaineeseen ja kun sitä käytetään jatkuvasti.
Käytä moottoria, jotta lisäaineinen polttoaine kiertää koko polttoainejärjestelmässä (5 minuuttia).
Sammuta moottori, anna sen jäähtyä ja tyhjennä polttoainesäiliö. Ota yhteys valtuutettuun Toro-jälleenmyyjään.
Käynnistä moottori ja anna sen käydä, kunnes se sammuu.
Hävitä polttoaine asianmukaisesti. Noudata paikallisten viranomaisten ohjeita.
Important: Älä säilytä lisäaineistettua polttoainetta 90 päivää kauempaa.
Tarkista ja kiristä kaikki pultit, mutterit ja ruuvit. Korjaa tai vaihda kaikki vaurioituneet osat.
Maalaa kaikki naarmuuntuneet tai paljaat metallipinnat. Maalia on saatavissa valtuutetusta huoltoliikkeestä.
Varastoi kone puhtaaseen, kuivaan autotalliin tai varastotilaan.
Irrota avain virtalukosta ja pidä se lasten ja muiden luvattomien käyttäjien ulottumattomissa.
Peitä kone suojataksesi sen ja pitääksesi sen puhtaana.
| Problem | Possible Cause | Corrective Action |
|---|---|---|
| Käynnistin ei pyöritä. |
|
|
| Moottori ei käynnisty, käynnistyy huonosti tai ei pysy käynnissä. |
|
|
| Moottori menettää tehoaan. |
|
|
| Moottori ylikuumenee. |
|
|
| Leikkuri vetää vasemmalle tai oikealle (vaikka vivut ovat kokonaan eteenpäin). |
|
|
| Kone ei liiku. |
|
|
| Kone tärisee epänormaalisti. |
|
|
| Kone tuottaa epätasaisen leikkuukorkeuden. |
|
|
| Terät eivät pyöri. |
|
|
| Kytkin ei kytkeydy. |
|
|
