Parts needed for this procedure:
| Breather | 1 |
Install the gearbox in the position of the original gearbox as follows:
Relieve the tension of the belt from the gearbox pulley.
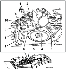
Remove the old gearbox including the 2 mounting brackets (Figure 1).
Inspect the rubber isolators inserted into the mounting brackets (Figure 1).
Note: Replace the isolators if they are worn.
Transfer the mounting brackets from the old gearbox to the new gearbox using the existing fasteners.
Transfer the drive pulley to the new gearbox using the existing taper-lock bushing and key (Figure 1).
Note: Be sure to set the pulley hub so that it is flush with the bottom of the gearbox shaft.
Install the new assembly onto the deck.
Install the belt.

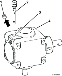
Remove the solid plug installed in the gearbox, as shown in Figure 2, and discard the plug.

Add 80W-90 gear oil into the port until the oil level is between the fill lines on the breather (Figure 3), with the breather threaded all the way into the port.
Alternative Synthetic Oil: Mobilube SHC 75W-90
Note: The oil capacity is 0.41 L (14 fl oz). Always ensure that the oil level is between the fill lines when the machine is level.

Install the breather into the port (Figure 2) and tighten it to 8.1 to 10.8 N-m (6 to 8 ft-lb).