Pièces nécessaires pour cette opération:
| Reniflard | 1 |
Montez le nouveau botier d'engrenages la place de l'ancien, comme suit:
Dtendez la courroie de la poulie du botier d'engrenages.
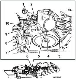
Dposez l'ancien botier d'engrenages y compris les 2 supports (Figure 1).
Examinez les isolateurs en caoutchouc insrs dans les supports (Figure 1).
Note: Remplacez les isolateurs s'ils sont uss.
Transfrez les supports de l'ancien botier d'engrenages au nouveau au moyen des fixations existantes.
Transfrez la poulie d'entranement sur le nouveau botier au moyen de la bague de blocage conique et de la clavette (Figure 1).
Note: Prenez soin de mettre le moyeu de la poulie de niveau avec le bas de l'arbre du botier.
Montez le nouvel assemblage sur le plateau.
Posez la courroie.

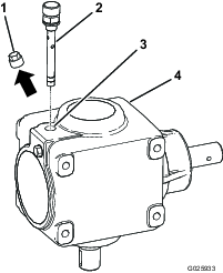
Enlevez le le bouchon plein du botier d'engrenages, comme montr la Figure 2, et mettez-le au rebut.

Versez de l'huile pour engrenages 80W-90 dans l'orifice jusqu' ce que le niveau d'huile se situe entre les traits de remplissage sur le reniflard (Figure 3), lorsque celui-ci est compltement viss dans l'orifice.
Autre huile synthtique: Mobilube SHC 75W-90
Note: La capacit d'huile est de 0,41l. Assurez-vous toujours que le niveau d'huile se situe entre les traits de remplissage lorsque la machine est de niveau.

Insrez le reniflard dans l'orifice (Figure 2) et serrez-le un couple de 8,1 10,8Nm.