Vaiheeseen tarvittavat osat:
| Huohotin | 1 |
Asenna vaihteisto samaan asentoon kuin alkuperinen vaihteisto seuraavalla tavalla:
Lysenn vaihteiston hihnapyrn hihnan kireytt.
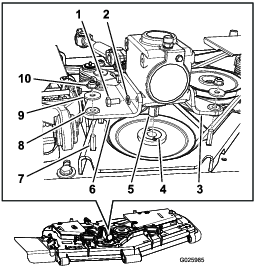
Poista vanha vaihteisto mukaan lukien 2 asennuskannatinta (Figure 1).
Tarkasta asennuskannatinten kumiset eristimet (Figure 1).
Note: Vaihda eristimet jos ne ovat kuluneet.
Siirr asennuskannattimet vanhasta vaihteistosta uuteen vaihteistoon olemassa olevilla kiinnittimill.
Siirr kyttpyr uuteen vaihteistoon olemassa olevalla kartiolukkoholkilla ja avaimella (Figure 1).
Note: Varmista, ett hihnapyr asennetaan niin ett se on tasassa vaihteiston akselin alaosan kanssa.
Asenna uusi kokoonpano leikkuupytn.
Asenna hihna.

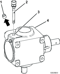
Irrota vaihteistoon asennettu tulppa kuvan mukaisesti Figure 2, ja hvit tulppa.

Lis 80W-90 vaihteistoljy porttiin kunnes ljy on huohottimen merkkiviivaan asti (Figure 3), kun huohotin on kierteisesti portin sisll.
Vaihtoehtoinen synteettinen ljy: Mobilube SHC 75W-90
Note: ljytilavuus on 0,41litraa. Tarkista aina ett ljy on tyttviivoihin asti kun kone on vaakatasossa.

Asenna huohotin porttiin (Figure 2) ja kirist se momenttiin 8,1–10,8Nm.