Für diesen Arbeitsschritt erforderliche Teile:
| Entlfter | 1 |
Bauen Sie das Getriebe wie folgt in der Position des Originalgetriebes ein:
Lsen Sie die Riemenspannung von der Getrieberiemenscheibe.
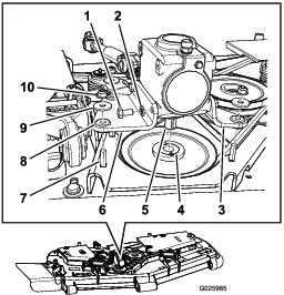
Entfernen Sie das alte Getriebe und die zwei Befestigungshalterungen (Figure 1).
Prfen Sie die in die Befestigungshalterungen eingesetzten Gummiisolierungen (Figure 1).
Note: Tauschen Sie die Isolierungen aus, wenn sie abgenutzt sind.
Transferieren Sie die Befestigungshalterungen vom alten Getriebe mit den vorhandenen Befestigungen zum neuen Getriebe.
Transferieren Sie die Antriebsscheibe des neuen Getriebes mit der vorhandenen Spannbchse und dem Schlssel (Figure 1).
Note: Stellen Sie die Riemenscheibenbchse so, dass sie mit der Unterseite der Getriebewelle bndig ist.
Befestigen Sie die neue Baugruppe am Mhwerk.
Montieren Sie den Riemen.

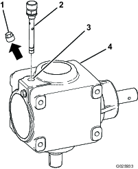
Entfernen Sie den massiven Stift, der im Getriebe befestigt ist, siehe Figure 2, und werfen Sie den Stift weg.

Fllen Sie 80W-90-Getriebel in den Anschluss, bis der lstand zwischen den Flllinien am Entlfter (Figure 3) liegt, wobei der Entlfter ganz in den Anschluss geschraubt ist.
Synthetisches Ersatzl: Mobilube SHC 75W-90
Note: lfassungsvermgen: 0,41Liter Stellen Sie immer sicher, dass der lstand zwischen den Flllinien liegt, wenn die Maschine nivelliert ist.

Setzen Sie den Entlfter in den Anschluss (Figure 2) und ziehen ihn mit 8,1-10,8Nm an.