Dele, der skal bruges til dette trin:
| nderr | 1 |
Monter gearkassen, hvor den originale gearkasse har siddet, som flger:
Lsn remspndingen fra gearkassens remskive.
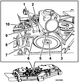
Afmonter den gamle gearkasse og de to monteringsbeslag (Figure 1).
Kontroller gummiisolatorerne, som sidder i monteringsbeslagene (Figure 1).
Note: Udskift isolatorerne, hvis de er slidte.
Flyt monteringsbeslagene fra den gamle gearkasse over p den nye gearkasse, ved hjlp af de eksisterende fastgrelsesanordninger.
Flyt drivremskiven til den nye gearkasse ved hjlp af den eksisterende konuslsbsning og -ngle (Figure 1).
Note: Srg for, at remskivenavet placeres sledes, at det flugter med bunden af gearkasseakslen.
Monter den nye samling p skjoldet.
Monter remmen.

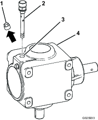
Fjern den massive prop, der er monteret i gearkassen, som vist i Figure 2, og kassr proppen.

Pfyld 80W-90-gearolie i hullet, indtil oliestanden er mellem pfyldningslinjerne p nderret (Figure 3), nr nderret er skruet helt ned i hullet.
Alternativ syntetisk olie: Mobilube SHC 75W-90
Note: Oliekapaciteten er 0,41l. Du skal altid kontrollere, at oliestanden er mellem pfyldningslinjerne, imens maskinen str p en plan overflade.

Monter nderret i hullet (Figure 2), og stram det til 8,1 til 10,8Nm.