Parti necessarie per questa operazione:
| Sfiatatoio | 1 |
Installate la scatola ingranaggi nella posizione della scatola ingranaggi originale nel modo seguente:
Scaricate la tensione della cinghia dalla puleggia della scatola ingranaggi.
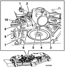
Togliete la scatola ingranaggi usata comprese le 2 staffe di montaggio (Figure 1).
Controllate gli isolanti in gomma inseriti nelle staffe di montaggio (Figure 1).
Note: Sostituite gli isolanti se usurati.
Trasferite le staffe di montaggio dalla scatola ingranaggi usata a quella nuova utilizzando i dispositivi di fissaggio preesistenti.
Trasferite la puleggia motrice nella nuova scatola ingranaggi utilizzando la boccola Taperlock e la chiave preesistenti (Figure 1).
Note: Assicuratevi di impostare il mozzo della puleggia in modo che sia a livello con la parte inferiore dell'albero della scatola ingranaggi.
Montate il nuovo gruppo sul piatto.
Montate la cinghia.

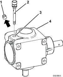
Togliete il tappo pieno installato nella scatola ingranaggi, come illustrato in Figure 2, ed eliminatelo.

Aggiungete olio per ingranaggi 80W-90 nel foro fino a quando il livello dell'olio non si trova tra le linee di riempimento sullo sfiatatoio (Figure 3), con lo sfiatatoio filettato fino al foro.
Olio sintetico alternativo: Mobilube SHC, 75W-90
Note: La capienza dell'olio di 0,41litri. Assicuratevi sempre che il livello dell'olio si trovi tra le linee di riempimento quando la macchina si trova su terreno pianeggiante.

Montate lo sfiatatoio nel foro (Figure 2) e serratelo a 8,1–10,8Nm.