この作業に必要なパーツ
| ブリーザ | 1 |
以下の手順で、元のギアボックスの位置にギアボックスを取り付ける。
ギアボックスのプーリにかかっているベルトをゆるめる。
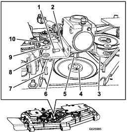
既存のギアボックスを取り付けブラケット2つと共に取り外す(Figure 1)。
取り付けブラケットに挿入されているゴム製のアイソレータを点検する(Figure 1)。
Note: アイソレータが摩耗している場合は交換してください。
古いギアボックスについている取り付けブラケットを新しいギアボックスに移動する;既存のボルトナットを使用する。
古いギアボックスについている駆動プーリを新しいギアボックスに移動する;既存のテーパロックブッシュとキーを使用する (Figure 1)。
Note: プーリのハブがギアボックスのシャフトの下と面一になるようにしてください。
新しいアセンブリをデッキに取り付ける。
ベルトを取り付ける。

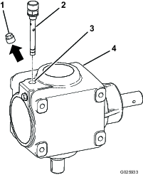
ギアボックスに取り付けられているプラグ(Figure 2)を外して廃棄する。

ポートから 80W-90 ギアオイルを入れる。オイルの液面がブリーザについている目印線(Figure 3)の間になるようにオイルを入れる。
他に使用可能なオイル:Mobilube SHC 75W-90
Note: オイルの量: 0.41 リットルオイルがいつも目印線の間に維持してください。量のチェックはマシンが水平な状態で行います。

ブリーザをポート(Figure 2)に取り付けて、8.1-10.8 Nm(0.8-1.1 kg.m=6-8 ft-lb)にトルク締めする。