Deler som er nødvendige for dette trinnet:
| Ventilator | 1 |
Monter girkassen i posisjonen til den opprinnelige girkassen som flger:
Avlast spenningen i remmen fra girkasseremskiven.
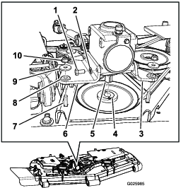
Fjern den gamle girkassen inkludert de to monteringsbrakettene (Figure 1).
Kontroller gummiisolatorene som er satt inn i monteringsbrakettene (Figure 1).
Note: Skift ut isolatorene hvis de er slitte.
Overfr monteringsbrakettene fra den gamle girkassen til den nye girkassen med de eksisterende festene.
Overfr remskiven til den nye girkassen med eksisterende tilspissingslsbssing og kile (Figure 1).
Note: Pse at du setter remskivenavet slik at det er i flukt med bunnen av girkasseakselen.
Monter den nye enheten p klippeenheten.
Monter remmen.

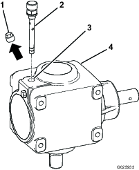
Fjern den solide pluggen som er satt inn i girkassen, som vist i Figure 2, og kasser pluggen.

Hell 80W-90-girolje i porten til oljenivet er mellom fyllelinjene p ventilatoren (Figure 3) med ventilatoren gjenget helt inn i porten.
Alternativ syntetisk olje: Mobilube SHC 75W-90
Note: Oljekapasiteten er 0,41l. Srg alltid for at oljenivet er mellom fyllelinjene nr maskinen er i vater.

Sett ventilatoren inn i porten (Figure 2) og stram den til 8,1–10,8Nm.