Benodigde onderdelen voor deze stap:
| Ontluchting | 1 |
Monteer de tandwielkast zoals de oorspronkelijke tandwielkast stond; ga als volgt te werk:
Haal de spanning van de riem af met de tandwielkastpoelie.
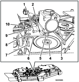
Verwijder de oude tandwielkast, met inbegrip van de 2 montagebeugels (Figure 1).
Controleer de rubberen dempers die in de montagebeugels zitten (Figure 1).
Note: Vervang de dempers als deze versleten zijn.
Zet de montagebeugels van de oude tandwielkast over op de nieuwe tandwielkast; gebruik hierbij het bestaande bevestigingsmateriaal.
Verplaats de aandrijfpoelie van de oude naar de nieuwe tandwielkast; gebruik hierbij de bestaande tapse borgring en de sleutel (Figure 1).
Note: Monteer de naaf van de poelie zodanig dat deze gelijk komt met de onderkant van de as van de tandwielkast.
Monteer de nieuwe tandwielkast op het maaidek.
Monteer de riem.

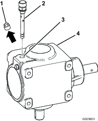
Verwijder de volle plug die in de tandwielkast gemonteerd is (zie Figure 2) en gooi de plug weg.

Giet 80W-90 tandwielolie in de opening tot het oliepeil zich tussen de vulmarkeringen op de ontluchting bevindt (Figure 3), terwijl de ontluchting helemaal in de opening is gedraaid.
Alternatieve synthetische olie: Mobilube SHC 75W-90
Note: De oliecapaciteit is 0,41liter. Zorg ervoor dat het oliepeil zich altijd tussen de vulmarkeringen bevindt als de machine horizontaal staat.

Monteer de ontluchting op de opening (Figure 2) en draai aan tot 8,1-10,8Nm.