Сборка

Детали, требуемые для этой процедуры:

1
  1. :

    1. .

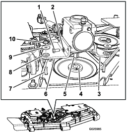
    2. , 2 (Figure 1).

    3. , (Figure 1).

      Note: , .

    4. , .

    5. , (Figure 1).

      Note: , .

    6. .

    7. .

      g025985
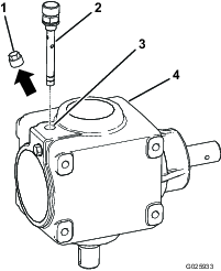
  2. , Figure 2, .

    g025933
  3. 80W-90 , (Figure 3), ..

    : Mobilube SHC 75W-90

    Note: 0,41. , .

    g025939
  4. (Figure 2) 8,1 - 10,8.