Peças necessárias para este passo:
| Respiro | 1 |
Instale a caixa de velocidades na posio da caixa de velocidades original, da seguinte forma:
Alivie a tenso da correia da polia da caixa de velocidades.
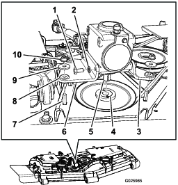
Retire a caixa de velocidades antiga incluindo os dois suportes de montagem (Figure 1).
Inspecione os isolantes de borracha inseridos nos suportes de montagem (Figure 1).
Note: Substitua os isolantes se estiverem gastos.
Transfira os suportes de montagem da caixa de velocidades antiga para a nova caixa de velocidades utilizando os dispositivos de fixao existentes.
Transfira a polia da transmisso para a nova caixa de velocidades utilizando o casquilho do fecho Taper e chave (Figure 1).
Note: Certifique-se de que coloca o hub da polia de forma a que fique alinhado com a parte inferior do veio da caixa de velocidades.
Instale o novo conjunto na plataforma.
Instale a correia.

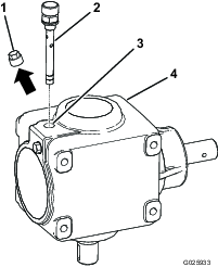
Retire o tampo slido instalado na caixa de velocidades, como se mostra na Figure 2 e deite fora o tampo.

Adicione leo de engrenagens 80W-90 na porta at que o nvel de leo fique entre as linhas de enchimento no respiro (Figure 3), com o respiro enroscado at ao fim na porta.
leo sinttico alternativo: Mobilube SHC 75W-90
Note: A capacidade de leo de 0,41litros. Certifique-se sempre de que o nvel do leo est entre as linhas de enchimento quando a mquina est nivelada.

Instale o respiro na porta (Figure 2) e aperte-o com 8,1 a 10,8Nm.