Delar som behövs till detta steg:
| Ventilator | 1 |
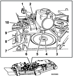
Montera vxelldan p den gamla vxelldans plats p fljande stt:
Lossa p remmens anspnning p vxelldsskivan.
Ta bort den gamla vxelldan samt de 2 monteringsfstena (Figure 1).
Inspektera gummiisoleringarna som sitter i monteringsfstena (Figure 1).
Note: Byt ut isoleringarna om de r slitna.
Flytta ver monteringsfstena frn den gamla vxelldan till den nya vxelldan med hjlp av de befintliga fstelementen.
Flytta ver drivskivan till den nya vxelldan med hjlp av den befintliga konlsbussningen och -nyckeln (Figure 1).
Note: Se till att stlla in skivnavet s att det r i niv med nederdelen p vxelldsaxeln.
Montera den nya enheten p dcket.
Montera remmen.

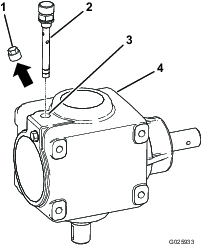
Ta bort den solida pluggen som sitter i vxelldan, s som visas i Figure 2, och kassera pluggen.

Fyll p med 80W-90 vxelolja i porten tills oljenivn ligger mellan pfyllningslinjerna p ventilatorn (Figure 3) nr ventilatorn r helt nedgngad i porten.
Alternativ syntetisk olja: Mobilube SHC 75W-90
Note: Oljekapaciteten r 0,41liter. Skerstll att oljenivn ligger mellan pfyllningslinjerna nr maskinen str plant.

Montera ventilatorn i porten (Figure 2) och dra t den till 8,1 till 10,8Nm.