Maintenance
Lubricating the Tri-Roller
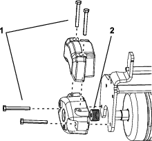
Lubricate the 2 grease fittings (Figure 6) on each tri-roller unit after every 15 hours of operation, with No. 2 lithium grease. Use a hand-operated grease gun for best results.
-
Wipe each grease fitting with a clean rag.
-
Apply grease to the tri-roller shaft bearings until you feel pressure (Figure 6).

-
Wipe excess grease away.




