Manutenzione
Lubrificazione dell'unit tri-roller
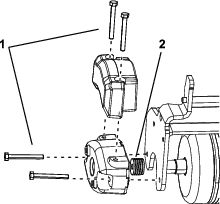
Lubrificate i 2 raccordi d'ingrassaggio (Figure 6) su ciascun'unit tri-roller dopo ogni 15ore di funzionamento, utilizzando grasso a base di litio n.2. Utilizzate una pistola di ingrassaggio manuale per ottenere i migliori risultati.
-
Passate uno straccio pulito su ciascun raccordo di ingrassaggio.
-
Applicate il grasso sui cuscinetti dell'asse dell'unit tri-roller finch non sentite la pressione (Figure 6).

-
Pulite il grasso in eccesso.




