Vedligeholdelse
Smring af Tri-Roller-enheden
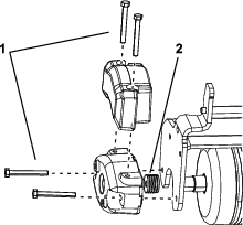
Smr de to smrenipler (Figure 6) p hver Tri-Roller-enhed med litiumfedt nr.2 efter hver 15driftstimer. Brug en manuel fedtpistol for at opn det bedste resultat.
-
Tr hver smrenippel af med en ren klud.
-
Pfr fedt p Tri-Roller-enhedens aksellejer, indtil du fler et tryk (Figure 6).

-
Tr overskydende fedt af.




