Konserwacja
Smarowanie zestawu walcw potrjnych
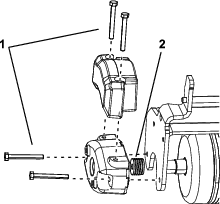
Smaruj wtaczajc smar przez 2 smarowniczki (Figure 6) na kadym zespole walcw potrjnych co kade 15godzin pracy, uywajc smaru nr2 na bazie litu. W celu uzyskania najlepszych rezultatw zaleca si stosowanie smarownicy rcznej.
-
Oczy kad smarowniczk czyst szmatk.
-
Wtaczaj smar do oysk waw zespou walcw potrjnych, a da si odczu opr (Figure 6).

-
Zetrzyj nadmiar smaru.




