Onderhoud
De tri-rol smeren
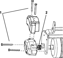
Smeer de 2 smeernippels (Figure 6) van elke tri-rol om de 15 bedrijfsuren met nr.2 vet op basis van lithium. De beste resultaten verkrijgt u met een smeerpistool.
-
Veeg alle smeernippels af met een schone doek.
-
Smeer de aslagers van de tri-rol tot u druk begint te voelen (Figure 6).

-
Veeg overtollig vet weg.




