Underhåll
Smrja Tri-Roller-enheten
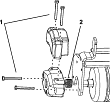
Smrj de tv smrjnipplarna (Figure 6) p varje Tri-Roller-enhet efter var 15:e arbetstimme med litiumfett nr2. Anvnd en manuell fettspruta fr bsta resultat.
-
Torka av alla smrjnipplar med en ren trasa.
-
Stryk p fett p Tri-Roller-enheternas axellager tills du knner trycket (Figure 6).

-
Torka av verfldigt fett.




