平らな場所に駐車し、エンジンを停止させ、駐車ブレーキを掛けてキーを抜き取る。
サスペンションアームの下にトリローラユニットを置く。
サスペンションアームのバーについているラッチを上向きにして(Figure 1)、サスペンションアームを押し下げて、バーを、トリローラユニットのバーの上に被せるようにする(Figure 2)。


ラッチを下げて閉じるとトリローラユニットのバーがロックされてユニットがアームにセットされる(Figure 1)。
Note: ラッチが正しくロックされると、「カチッ」という音が聞こえます。
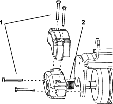
モータを、トリローラユニットの左側(運転席から見て)に取り付け、トリローラユニットについているモータ固定バーを、モータの上から被せるようにセットし、モータの左右から「カチッ」というロック音が聞こえるまで押し下げる(Figure 3)。

清潔で平らな場所で、トリローラユニットを完全に降下させてサスペンションの油圧が完全に開放された状態にし、エンジンを停止し、駐車ブレーキを掛け、キーを抜き取る。
リールモータのスロットに嵌っているモータ固定バーを、スロットからトリローラユニット側に押し出すようにして外し、モータを取り外す。

外したモータは、サスペンション・アームの前部にある一時保管位置にセットしておく。
Note: リールモータをホルダー(保管位置)に入れたままでサスペンションを「移動走行」位置にしないでください。モータやホースが破損する恐れがあります。トリローラユニットを取り付けない状態でトラクションユニットを移動させなければならない場合には、ケーブルタイでモータを固定してください。
取り外したいトリローラユニットのサスペンションアームのバーについているラッチを開く。
トリローラユニットのバーからラッチを外す。
サスペンションアームの下からトリローラユニットを引き出す。.
必要に応じて、残りのトリローラユニットにもステップ 2 から 6 までの作業を行う。
この作業に必要なパーツ
| ウェイトキット 119-7129(別途購入のこと) | 1 |
本ユニットは、ウェイトキット P/N 119-7129 を取り付けることにより、ANSI B71.4-2012 および EN ISO 5395:2013 規格 に適合します。
Note: グリーンズマスターのモデル 04530 または 04540 にトリローラを取り付ける場合には、追加のハイブリッドカウンタウェイトが必要になります。
カウンタウェイトのボルトを外して廃棄する。
Figure 5のようにボルト(5/16-18 x 2")2 本を取り付ける。
Note: これらのボルトはキットに含まれていません。P/N 322-33
各ボルトにスペーサ(")4 個を取り付ける(カウンタウェイトとトリローラ側との間)(Figure 5)。
Note: これらのスペーサはキットに含まれていません。P/N 63-8410
ハイブリッド用補助ウェイト(トラクションユニットの付属部品)を付属のボルトで取り付ける。

実際にグリーンの転圧作業を行う前に、広い場所で開始、停止、上昇、下降、転圧(ローラを下降させての走行)などの練習をしてください。
転圧作業中は直進を維持しましょう。転圧作業中は、旋回操作を行わないでください。
グリーンのエッジまできたらまずトリローラを上昇させ、その後に旋回や停止を行ってください。旋回操作は必ずトリローラを完全に上昇させて行ってください。スプリンクラーなどを引っ掛けるとローラが破損しますから、こういった障害物がないかどうか、作業前にグリーンの下見をしておきましょう。