Lgg till fljande text: Denna produkt uppfyller alla relevanta europeiska direktiv. Mer information finns i frskran om inbyggnad i slutet av det hr dokumentet.
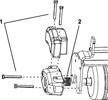
Parkera enheten p ett plant underlag, dra t parkeringsbromsen, stng av tndningen och ta ur nyckeln.
Placera stickluftarenheten under upphngningsarmen.
Lt sprrarna p upphngningsarmstngen vara ppna (Figure 1) och tryck upphngningsarmen nedt s att den passar ver stngen ver stickluftarenhetens ovansida (Figure 2).


Fr sprrarna till stngt lge fr att lsa stickluftarenheten p plats (Figure 1).
Note: Nr sprrarna har lsts ordentligt knner du och hr ett klick.
Fr in motorn p vnster sida av stickluftarenheten (sett frn frarstet) och dra motorfststaget p stickluftarenheten mot motorn tills du hr ett klickljud frn bda sidorna av motorn (Figure 3).

Parkera enheten p ett plant underlag, dra t parkeringsbromsen, stng av tndningen och ta ur nyckeln.
Parkera maskinen p en ren och plan yta. Snk ned stickluftarenheterna till marken tills upphngningshydrauliken r helt utdragen, stng av motorn, lgg i parkeringsbromsen och ta ut nyckeln ur tndningslset.
Tryck ut motorfststaget frn motorns skror och mot stickluftarenheten, och ta bort motorn frn stickluftarenheten.

Flytta motorn till frvaringsutrymmet framfr upphngningsarmen.
Note: Hj inte upp fjdringen till transportlget nr cylindermotorerna sitter i hllarna p maskinens ram. Underltenhet att flja detta rd kan leda till skador p motorerna eller slangarna. Om du mste flytta traktorenheten nr stickluftarenheterna inte r monterade fster du motorerna p upphngningsarmarna med kabelband.
ppna sprrarna p upphngningsarmstngen p den stickluftarenhet som du tar bort.
Lossa sprrarna frn stickluftarenhetsstngen.
Rulla ut stickluftarenheten under upphngningsarmen.
Upprepa steg 2 till 6 fr de vriga stickluftarenheterna vid behov.
Note: Om Tri-Roller-enheten monteras p greenklippare av modell 04530 eller 04540 mste du anvnda ytterligare en hybrid motvikt.
Ta bort och kassera motviktsskruvarna.
Montera tv skruvar (5/16–18x2tum) enligt Figure 5.
Note: Skruvarna medfljer ej i denna sats. Toro-artikelnr: 322-33.
Montera fyra distansbrickor (tum) per skruv mellan motvikten och tri-rollerns sidoplt (Figure 5).
Note: Distansbrickorna medfljer ej i denna sats. Toro-artikelnr: 63-8410.
Montera den extra hybridvikten som medfljer traktorenheten med de medfljande skruvarna.

Innan du stickluftar greener br du leta upp ett tomt omrde och va p att starta, stanna, hja upp, snka ned och rulla med stickluftaren. P s stt fr du erfarenhet av och blir bttre p att anvnda stickluftaren innan du anvnder den p greener.
Inspektera greenen och avgr om det finns ngra hinder som kan skadas eller som kan skada stickluftarna, t.ex. sprinklerhuvuden eller andra utstickande freml.
Hll en rak linje nr du stickluftar. Svng inte maskinen nr stickluftarna r p marken.
Nr du kommer fram till greenens kant hjer du upp stickluftarna eller stannar maskinen. Stickluftarna mste vara helt upphjda innan du svnger.
Smrj de tv smrjnipplarna (Figure 6) p varje stickluftarenhet efter var 15:e arbetstimme med universalfett nr 2 p litiumbas. Anvnd en manuell fettspruta fr bsta resultat.
Torka av alla smrjnipplar med en ren trasa.
Stryk p fett p stickluftarenheternas axellager tills du knner trycket (Figure 6).

Torka av verfldigt fett.