Voeg de volgende verklaring toe: dit product voldoet aan alle relevante Europese richtlijnen. Raadpleeg de inbouwverklaring achterin deze uitgave voor meer informatie.
Parkeer het voertuig op een horizontaal oppervlak, stel de parkeerrem in werking, draai het contactsleuteltje op Uit en verwijder het sleuteltje uit het contact.
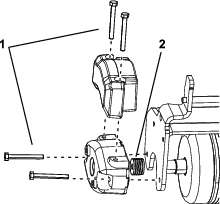
Plaats de spiker onder de ophangarm.
Zorg ervoor dat de vergrendelingen op de stang van de ophangarm omhoog wijzen (dus open staan) (Figure 1) en druk de ophangarm omlaag zodat deze over de stang aan de bovenkant van de spiker past (Figure 2).


Zet de vergrendelingen dicht om de spiker te borgen (Figure 1).
Note: Als u de vergrendelingen sluit, hoort en voelt u een 'klik'.
Steek de motor in de linkerkant van de spiker (gezien vanuit de bestuurdersstoel) en trek de motorbevestigingsstang van de spiker in de richting van de motor totdat u aan beide kanten een klik hoort (Figure 3).

Parkeer het voertuig op een horizontaal oppervlak, stel de parkeerrem in werking, draai het contactsleuteltje op Uit en verwijder het sleuteltje uit het contact.
Parkeer de machine op een schoon en horizontaal oppervlak, laat de spikers neer tot de ophanghydrauliek volledig is uitgetrokken, zet de motor af, stel de parkeerrem in werking en verwijder het contactsleuteltje.
Duw de motorbevestigingsstang uit de sleuven op de motor in de richting van de spiker en verwijder de motor van de spiker.

Zet de motor in de opbergruimte op de voorkant van de ophangarm.
Note: Breng de ophanging niet omhoog in de transportstand als de messenkooimotoren zich in de houders in het frame van de machine bevinden. Dit kan schade aan de motoren of slangen tot gevolg hebben. Als u de tractie-eenheid moet verplaatsen terwijl de spikers niet gemonteerd zijn, bevestig deze dan met kabelklembanden aan de ophangarmen.
Open de vergrendelingen op de stang van de ophangarm van de spiker die u wilt verwijderen.
Maak de vergrendelingen van de stang van de spiker los.
Rol de spiker onder de ophangarm vandaan.
Herhaal indien nodig stap 2 tot en met 6 voor de andere spikers.
Note: Als de tri-rol gemonteerd is op een Greensmaster 04530 of 04540, moet u een extra hybride contragewicht gebruiken.
Verwijder de bouten van het contragewicht en gooi deze weg.
Monteer 2 bouten (5/16-18" x 2 ") zoals getoond in Figure 5.
Note: Deze bouten worden niet meegeleverd in deze set. Toro onderdeelnummer: 322-33.
Monteer 4 afstandsstukken (1/8 inch) per bout tussen het contragewicht en de zijplaat van de tri-rol (Figure 5).
Note: Deze afstandsstukken worden niet meegeleverd in deze set. Toro onderdeelnummer: 63-8410.
Monteer het hybride hulpgewicht dat is meegeleverd met de tractie-eenheid; gebruik de meegeleverde bouten.

Voordat u greens gaat behandelen met de spikerwerktuigen, moet u een open ruimte zoeken om het starten, stoppen, omhoog en omlaag brengen en rijden met de spiker te oefenen. Door deze training kan de bestuurder ervaring en vertrouwen opdoen met de spiker voorafgaand aan het werk op een green.
Onderzoek de green op obstakels die kunnen worden beschadigd of die zelf de spikers kunnen beschadigen, zoals sproeierkoppen en andere uitstekende voorwerpen.
Spiken moet u altijd in een rechte lijn doen. Maak geen bocht met de spikers op de grond.
Als u de rand van de green bereikt, moet u de spikers omhoog brengen voordat u draait of stopt. De spikers moeten in de hoogste stand staan als u een bocht begint te maken.
Smeer de 2 smeernippels (Figure 6) van elke spiker om de 15 bedrijfsuren met nr.2 algemeen vet op basis van lithium. De beste resultaten verkrijgt u met een smeerpistool.
Veeg alle smeernippels af met een schone doek.
Smeer de aslagers van de spiker tot u druk begint te voelen (Figure 6).

Neem overtollig vet op.