Ajoutez la dclaration suivante: Ce produit est conforme toutes les directives europennes pertinentes. Pour plus de renseignements, reportez-vous la Dclaration d'incorporation (DOI) la fin de ce document.
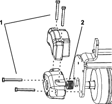
Garez la machine sur une surface plane et horizontale, serrez le frein de stationnement, coupez le contact et enlevez la cl de contact.
Positionnez l'unit d'aration sous le bras de suspension.
Les verrous de la barre de bras de suspension tant en position ouverte (Figure 1), poussez le bras de suspension vers le bas pour l'engager sur la barre transversale en haut de l'unit d'aration (Figure 2).


Fermez les verrous pour bloquer l'unit d'aration en place (Figure 1).
Note: Vous pouvez entendre et ressentir un dclic lorsque les verrous sont correctement ferms.
Insrez le moteur dans le ct gauche de l'unit d'aration (vu de la position de l'utilisateur) et tirez la barre de retenue du moteur, situe sur l'unit d'aration, vers le moteur jusqu' ce que vous entendiez un dclic des deux cts du moteur (Figure 3).

Garez la machine sur une surface plane et horizontale, serrez le frein de stationnement, coupez le contact et enlevez la cl de contact.
Garez la machine sur une surface propre et de niveau, abaissez les units d'aration au sol jusqu' ce que les lments hydrauliques de la suspension soient compltement dploys, coupez le moteur, serrez le frein de stationnement et enlevez la cl du commutateur d'allumage.
Poussez la barre de retenue du moteur hors des fentes du moteur en direction de l'unit d'aration, puis dposez le moteur de l'unit.

Amenez le moteur la position de rangement sur l'avant du bras de suspension.
Note: N'levez pas la suspension en position de transport lorsque les moteurs des cylindres sont dans les supports du cadre de la machine. Vous risqueriez d'endommager les moteurs ou les flexibles. Si vous devez dplacer la machine sans que les units d'aration soient en place, fixez les moteurs aux bras de suspension avec des attache-cbles.
Ouvrez les verrous sur la barre du bras de suspension de l'unit d'aration que vous voulez dposer.
Dtachez les verrous de la barre de l'unit d'aration.
Faites rouler l'unit d'aration pour la sortir de sous le bras de suspension.
Rptez les oprations 26 pour les autres units d'aration au besoin.
Note: Si le rouleau triple est mont sur les tondeuses de greens modle04530 ou 04540, vous devez utiliser un contrepoids hybride supplmentaire.
Dposez les boulons du contrepoids et mettez-les au rebut.
Installez 2 boulons (5/16"-18 x 2") comme illustr la Figure 5.
Note: Ces boulons ne sont pas inclus dans ce kit. Rfrence Toro: 322-33.
Installez 4 entretoises (") par boulon entre le contrepoids et la plaque latrale du rouleau triple (Figure 5).
Note: Ces entretoises ne sont pas incluses dans ce kit. Rfrence Toro: 63-8410.
l’aide des boulons fournis, installez le poids auxiliaire hybride fourni avec le groupe de dplacement.

Avant l'aration les greens, rendez-vous dans un endroit dgag pour vous entraner arrter, relever, abaisser et faire rouler l'arateur. Vous gagnerez en exprience et en confiance en vous avant d'utiliser l'arateur sur les greens.
Vrifiez si le green comporte des obstacles qui pourront tre endommags ou pourront endommager les units d'aration, comme des ttes d'arroseur ou d'autres objets dpassant de la surface.
Dplacez-vous en ligne droite lorsque vous arez la pelouse. Ne faites pas tourner la machine lorsque les units d'aration sont au sol.
Lorsque vous atteignez le bout de la pelouse, relevez les units d'aration avant de tourner ou d'arrter la machine. Relevez toujours compltement les units d'aration avant de tourner.
Lubrifiez les 2 graisseurs (Figure 6) situs sur chaque unit d'aration toutes les 15heures d'utilisation avec de la graisse universelle au lithium n2. Pour obtenir des rsultats optimaux, utilisez une pompe graisse manuelle.
Essuyez chaque graisseur avec un chiffon propre.
Injectez de la graisse dans les roulements d'arbre jusqu' ce que vous ressentiez une pression (Figure 6).

Essuyez l'excdent de graisse.