Lis seuraava huomautus: Tm tuote on soveltuvien eurooppalaisten direktiivien mukainen. Listietoja on tmn julkaisun lopussa olevassa liittmisvakuutuksessa.
Pyski yksikk tasaiselle alustalle, kytke seisontajarru, katkaise sytytysvirta ja irrota virta-avain.
Aseta piikkirullayksikk tukivarren alle.
Kun tukivarren tangon salvat ovat auki (Figure 1), paina tukivartta alas niin, ett se osuu kohdakkain piikkirullayksikn ylosassa olevan tangon kanssa (Figure 2).


Kiinnit piikkirullayksikk paikalleen sulkemalla salvat (Figure 1).
Note: Salvoista kuuluu ja niiss tuntuu napsahdus, kun ne ovat kunnolla kiinni.
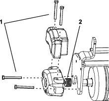
Aseta moottori piikkirullayksikn vasemmalle puolelle (kyttjn paikalta katsottuna) ja ved piikkirullayksikss olevaa moottorin kiinnitystankoa moottoria kohti, kunnes moottorin kummaltakin puolelta kuuluu napsahdus (Figure 3).

Pyski yksikk tasaiselle alustalle, kytke seisontajarru, katkaise sytytysvirta ja irrota virta-avain.
Pyski kone puhtaalle tasaiselle alustalle, laske piikkirullayksikt maahan, kunnes tukivarsien hydraulisylinterit ovat kokonaan pidentynein, sammuta moottori, kytke seisontajarru ja irrota virta-avain.
Paina moottorin kiinnitystanko ulos moottorin urista kohti piikkirullayksikk ja irrota moottori piikkirullayksikst.

Siirr moottori tukivarren edess olevaan silytyspaikkaan.
Note: l nosta ripustusta kuljetusasentoon, kun kelamoottorit ovat kannattimissa koneen rungossa. Tm voi vaurioittaa moottoreita tai letkuja. Jos ajoyksikk on siirrettv ilman, ett piikkirullayksikt ovat asennettuina, kiinnit moottorit tukivarsiin nippusiteill.
Avaa salvat irrotettavan piikkirullayksikn tukivarren tangolta.
Irrota salvat piikkirullayksikn tangolta.
Vierit piikkirullayksikk pois tukivarren alta.
Toista vaiheet 2–6 muissa piikkirullayksikiss tarvittaessa.
Note: Jos kolmoisrulla asennetaan Greensmower-malliin 04530 tai 04540, on kytettv erillist hybridivastapainoa.
Irrota vastapainopultit ja poista ne kytst.
Asenna kaksi pulttia (5/16-182 tuumaa) kuvan mukaisesti (Figure 5).
Note: Nit pultteja ei toimiteta tmn sarjan mukana. Toro-osanumero: 322-33.
Asenna kuhunkin pulttiin nelj vlilevy (tuumaa) vastapainon ja kolmoisrullan sivulevyn vliin (Figure 5).
Note: Nit vlilevyj ei toimiteta tmn sarjan mukana. Toro-osanumero: 63-8410.
Asenna ajoyksikn mukana toimitettu hybridilispaino mukana toimitetuilla pulteilla.

Ennen piikkirullalaitteen ajoa on hyv harjoitella koneen kytt (kynnistmist ja pysyttmist sek piikkirullayksikiden nostamista, laskemista ja rullaamista) esteettmll alueella. Harjoittelu auttaa kyttj oppimaan ja saamaan kokemusta piikkirullan toiminnasta ennen sen varsinaista kytt viherill.
Tutustu viherin ennen ajoa ja varmista, ett sill ei ole sadettimia tai vastaavia esteit, joita piikkirullat voivat vahingoittaa tai jotka voivat vahingoittaa piikkirullia.
Aja piikkirullaa kyttesssi suoraan. l knn konetta, kun piikkirullat ovat maassa.
Kun saavut viherin reunaan, nosta piikkirullat ennen koneen kntmist tai pysyttmist. Piikkirullat on nostettava kokonaan ennen koneen kntmist.
Rasvaa jokaisen piikkirullayksikn kaksi rasvanippaa (Figure 6) 15 kytttunnin vlein litiumpohjaisella yleisrasvalla nro 2. Parhaaseen tulokseen pstn ksikyttisell voitelupistoolilla.
Pyyhi kukin rasvanippa puhtaalla kankaalla.
Lis piikkirullan akselin laakereihin rasvaa, kunnes alkaa tuntua painetta (Figure 6).

Pyyhi pois liika rasva.