| Maintenance Service Interval | Maintenance Procedure |
|---|---|
| Before each use or daily |
|
This rotary-blade, riding lawn mower is intended to be used by residential homeowners or professional, hired operators. It is designed primarily for cutting grass on well-maintained lawns on residential or commercial properties. It is not designed for cutting brush or for agricultural uses.
Read this information carefully to learn how to operate and maintain your product properly and to avoid injury and product damage. You are responsible for operating the product properly and safely.
You may contact Toro directly at www.Toro.com for product safety and operation training materials, accessory information, help finding a dealer, or to register your product.
Whenever you need service, genuine Toro parts, or additional information, contact an Authorized Service Dealer or Toro Customer Service and have the model and serial numbers of your product ready. Figure 1 identifies the location of the model and serial numbers on the product. Write the numbers in the space provided.

This manual identifies potential hazards and has safety messages identified by the safety-alert symbol (Figure 2), which signals a hazard that may cause serious injury or death if you do not follow the recommended precautions.

This manual uses 2 words to highlight information. Important calls attention to special mechanical information and Note emphasizes general information worthy of special attention.
This spark ignition system complies with Canadian ICES-002
It is a violation of California Public Resource Code Section 4442 or 4443 to use or operate the engine on any forest-covered, brush-covered, or grass-covered land unless the engine is equipped with a spark arrester, as defined in Section 4442, maintained in effective working order or the engine is constructed, equipped, and maintained for the prevention of fire.
Removing standard original equipment parts and accessories may alter the warranty, traction, and safety of the machine. Failure to use original Toro parts could cause serious injury or death. Making unauthorized changes to the engine, fuel or venting system, may violate EPA and CARB regulations.
Replace all parts including, but not limited to, tires, belts, blades, and fuel system components with original Toro parts.
Please refer to the engine manufacturer’s information included with the machine.
CALIFORNIA
Proposition 65 Warning
The engine exhaust from this product contains chemicals known to the State of California to cause cancer, birth defects, or other reproductive harm.
This machine has been designed in accordance with ANSI B71.4-2012.
This product is capable of amputating hands and feet and of throwing objects. Always follow all safety instructions to avoid serious personal injury.
Using this product for purposes other than its intended use could prove dangerous to you and bystanders.
Read and understand the contents of this Operator’s Manual before you start the engine. Ensure that everyone using this product knows how to use it and understands the warnings.
Do not put your hands or feet near moving components of the machine.
Do not operate the machine without all guards and other safety protective devices in place and working on the machine.
Keep clear of any discharge opening. Keep bystanders a safe distance away from the machine.
Keep children out of the operating area. Never allow children to operate the machine.
Stop the machine and shut off the engine before servicing, fueling, or unclogging the machine.
Improperly using or maintaining this machine can result in injury. To reduce the potential for injury, comply with these safety instructions and always pay attention to the safety-alert symbol, which means Caution, Warning, or Danger—personal safety instruction. Failure to comply with these instructions may result in personal injury or death.
You can find additional items of safety information in their respective sections throughout this manual.

![]() |
Safety decals and instructions are easily visible to the operator and are located near any area of potential danger. Replace any decal that is damaged or missing. |





























Become familiar with all the controls before you start the engine and operate the machine (Figure 4 and Figure 5).

The hour meter records the number of hours the engine has operated. It operates when the engine is running. Use these times for scheduling regular maintenance (Figure 6).
The fuel gauge is located with the hour meter, and the bars light up when the ignition switch is in the ON position (Figure 6).
The indicator light appears when the fuel level is low (approximately 1 gallon remaining in the fuel tank).
There are symbols on the hour meter that indicate with a black triangle that the interlock component is positioned correctly (Figure 6).
If you turn the ignition key to the ON position for a few seconds, the battery voltage displays in the area where the hours are normally displayed.
The battery light turns on when the ignition is turned on and when the charge is below the correct operating level (Figure 6).

The throttle controls the engine speed, and it has a continuous-variable setting from the SLOW to FAST position (Figure 5).
The blade-control switch (PTO) engages and disengages power to the mower blades (Figure 5).
Use this switch to start the mower engine. It has 3 positions: START, RUN, and OFF.
Use the motion-control levers to drive the machine forward, reverse, and turn either direction.
Use the NEUTRAL-LOCK position with the safety-interlock system to engage and to determine the NEUTRAL position.
Close the fuel-shutoff valve (under the seat) when transporting or storing the mower.
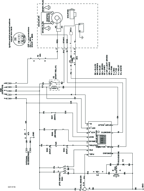
The electronic-control unit (ECU) continuously monitors the operation of the EFI system.
If a problem or fault within the system is detected, the malfunction-indicator light (MIL) illuminates.
The MIL is the red light located in the right console panel.
Once the MIL illuminates, make initial troubleshooting checks; refer to the MIL section under .
If these checks do not correct the problem, further diagnosis and servicing by an Authorized Service Dealer is necessary.
A selection of Toro approved attachments and accessories is available for use with the machine to enhance and expand its capabilities. Contact your Authorized Service Dealer or Distributor or go to www.Toro.com for a list of all approved attachments and accessories.
Note: Specifications and design are subject to change without notice.
| Without Deck | 135 cm (53 inches) |
| Deflector Up | 157 cm (62 inches) |
| Deflector Down | 192 cm (76 inches) |
| Roll Bar Up | 211 cm (83 inches) |
| Roll Bar Down | 215 cm (85 inches) |
| Roll Bar Up | Roll Bar Down |
|---|---|
| 179 cm (71 inches) | 127.8 cm (50.3 inches) |
| Weight | 587 kg (1,295 lb) |
Note: Determine the left and right sides of the machine from the normal operating position.
Never allow children or untrained people to operate or service the machine. Local regulations may restrict the age of the operator. The owner is responsible for training all operators and mechanics.
Become familiar with the safe operation of the equipment, operator controls, and safety signs.
Know how to stop the machine and shut off the engine quickly.
Check that operator-presence controls, safety switches, and shields are attached and functioning properly. Do not operate the machine unless they are functioning properly.
Before mowing, always inspect the machine to ensure that the blades, blade bolts, and cutting assemblies are in good working condition. Replace worn or damaged blades and bolts in sets to preserve balance.
Inspect the area where you will use the machine and remove all objects that the machine could throw.
Evaluate the terrain to determine the appropriate equipment and any attachments or accessories required to operate the machine properly and safely.
To avoid personal injury or property damage, use extreme care in handling fuel. Fuel vapors are flammable and explosive.
Extinguish all cigarettes, cigars, pipes, and other sources of ignition.
Use only an approved fuel container.
Do not remove the fuel cap or add fuel to the fuel tank while the engine is running or while hot.
Do not refuel the machine indoors.
Do not store the machine or fuel container where there is an open flame, spark, or pilot light, such as on a water heater or on other appliances.
Do not fill containers inside a vehicle or on a truck or trailer bed with a plastic liner. Always place containers on the ground, away from your vehicle before filling.
Remove the equipment from the truck or trailer and refuel it while it is on the ground. If this is not possible, then refuel from a portable container rather than a fuel-dispenser nozzle.
Do not operate the machine without the entire exhaust system in place and in proper working condition.
Keep the fuel-dispenser nozzle in contact with the rim of the fuel tank or container opening at all times until fueling is complete. Do not use a nozzle lock-open device.
If you spill fuel on your clothing, change your clothing immediately. Wipe up any fuel that spills.
Never overfill the fuel tank. Replace the fuel cap and tighten it securely.
Store fuel in an approved container and keep it out of the reach of children. Never buy more than a 30-day supply of fuel.
Do not fill the fuel tank completely full. Add fuel to the fuel tank until the level is 6 to 13 mm (1/4 to 1/2 inch) below the bottom of the filler neck. This empty space in the tank allows fuel to expand.
Avoid prolonged breathing of vapors.
Keep your face away from the nozzle and fuel tank opening.
Avoid contact with skin; wash off spills with soap and water.
For best results, use only clean, fresh (less than 30 days old), unleaded gasoline with an octane rating of 87 or higher ((R+M)/2 rating method).
Ethanol: Gasoline with up to 10% ethanol (gasohol) or 15% MTBE (methyl tertiary butyl ether) by volume is acceptable. Ethanol and MTBE are not the same. Gasoline with 15% ethanol (E15) by volume is not approved for use. Never use gasoline that contains more than 10% ethanol by volume, such as E15 (contains 15% ethanol), E20 (contains 20% ethanol), or E85 (contains up to 85% ethanol). Using unapproved gasoline may cause performance problems and/or engine damage which may not be covered under warranty.
Do not use gasoline containing methanol.
Do not store fuel either in the fuel tank or fuel containers over the winter unless you use a fuel stabilizer.
Do not add oil to gasoline.
Use a fuel stabilizer/conditioner in the machine to provide the following benefits:
Keeps fuel fresh during storage of 90 days or less (drain the fuel tank when storing the machine for more than 90 days)
Cleans the engine while it runs
Eliminates gum-like varnish buildup in the fuel system, which causes hard starting
Important: Do not use fuel additives containing methanol or ethanol.
Add the correct amount of fuel stabilizer/conditioner to the fuel.
Note: A fuel stabilizer/conditioner is most effective when mixed with fresh fuel. To minimize the chance of varnish deposits in the fuel system, use fuel stabilizer at all times.
Park the machine on level ground.
Shut off the engine and engage the parking brake.
Clean around the fuel-tank cap.
Fill the fuel tank to the bottom of the filler neck (Figure 7).
Note: Do not fill the fuel tank completely full. The empty space in the tank allows the fuel to expand.

Before you start the engine and use the machine, check the oil level in the engine crankcase; refer to Checking the Engine-Oil Level.
New engines take time to develop full power. Mower decks and drive systems have higher friction when new, placing additional load on the engine. Allow 40 to 50 hours of break-in time for new machines to develop full power and best performance.
To avoid injury or death from rollover: keep the roll bar in the fully raised locked position and use the seat belt.
Ensure that the seat is secured to the machine.
There is no rollover protection when the roll bar is in the down position.
Lower the roll bar only when absolutely necessary.
Do not wear the seat belt when the roll bar is in the down position.
Drive slowly and carefully.
Raise the roll bar as soon as clearance permits.
Check carefully for overhead clearances (i.e., branches, doorways, electrical wires) before driving under any objects and do not contact them.
Important: Lower the roll bar only when absolutely necessary.
Important: Ensure that the seat is secured to the machine.
To lower the roll bar, apply forward pressure to the upper part of the roll bar.
Pull both knobs out and rotate them 90° so they are not engaged (Figure 8).
Lower the roll bar to the down position (Figure 8).

To raise the roll bar, raise the roll bar to the operate position, rotate the knobs so that they move partially into the grooves (Figure 8).
Raise the roll bar to the full upright position while pushing on the upper roll bar and the pins snap into position when the holes align with the pins (Figure 8).
Important: Always use the seat belt with the roll bar in the raised position.
Push on the roll bar and ensure that both pins are engaged.
Please read all safety instructions and symbols in the safety section. Knowing this information could help you or bystanders avoid injury.
Operating the machine on wet grass or steep slopes can cause sliding and loss of control.
Do not operate on slopes greater than 15 degrees.
Reduce speed and use extreme caution on slopes.
Do not operate the machine near water.
Wheels dropping over edges can cause rollovers, which may result in serious injury, death, or drowning.
Do not operate the machine near drop-offs.
Operating the machine while the roll bar is down may lead to serious injury or death in the event of a rollover.
Always keep the roll bar in the fully raised and locked position and use the seat belt.

This machine produces sound levels in excess of 85 dBA at the operator’s ear and can cause hearing loss through extended periods of exposure.
Wear hearing protection when operating this machine.
Use protective equipment for your eyes, ears, hands, feet, and head.

If safety-interlock switches are disconnected or damaged, the machine could operate unexpectedly causing personal injury.
Do not tamper with the interlock switches.
Check the operation of the interlock switches daily, and replace any damaged switches before operating the machine.
The safety-interlock system is designed to prevent the engine from starting unless:
The parking brake is engaged.
The blade-control switch (PTO) is disengaged.
The motion-control levers are in the NEUTRAL-LOCK position.
The safety-interlock system also is designed to shut off the engine when the traction controls are moved from the locked position with the parking brake engaged or if you rise from the seat when the PTO is engaged.
The hour meter has symbols to notify the user when the interlock component is in the correct position. When the component is in the correct position, a triangle lights up in the corresponding square.

| Maintenance Service Interval | Maintenance Procedure |
|---|---|
| Before each use or daily |
|
Test the safety-interlock system before you use the machine each time. If the safety system does not operate as described below, have an Authorized Service Dealer repair the safety system immediately.
Sitting on the seat, engage the parking brake and move the blade-control switch (PTO) to the ON position. Try starting the engine; the engine should not start.
Sitting on the seat, engage the parking brake and move the blade-control switch (PTO) to the OFF position. Move either motion-control lever (out of the NEUTRAL-LOCK position). Try starting the engine; the engine should not start. Repeat for the other control lever.
Sitting on the seat, engage the parking brake, move the blade-control switch (PTO) to the OFF position, and move the motion-control levers to the NEUTRAL-LOCK position. Now start the engine. While the engine is running, disengage the parking brake, engage the blade-control switch (PTO), and rise slightly from the seat; the engine should shut off.
Sitting on the seat, engage the parking brake, move the blade-control switch (PTO) to the OFF position, and move the motion-control levers to the NEUTRAL-LOCK position. Now start the engine. While the engine is running, center either motion control and move (forward or reverse); the engine should shut off. Repeat for other motion control.
Sitting on the seat, disengage the parking brake, move the blade-control switch (PTO) to the OFF position, and move the motion-control levers to the NEUTRAL-LOCK position. Try starting the engine; the engine should not start.
To unlatch the seat, push the seat latch forward (Figure 12).

The MyRide™ suspension system adjusts to provide a smooth and comfortable ride. You can adjust the rear 2-shock assemblies to quickly and easily change the suspension system. Position the suspension system where you are most comfortable.
The slots for the rear-shock assemblies have detent positions for reference. You can position the rear-shock assemblies anywhere in the slot, not just in the detent positions.
The following graphic shows the position for a soft or firm ride and the different detent positions (Figure 13).

Note: Ensure that the left and right rear-shock assemblies are always adjusted to the same positions.
Adjust the rear-shock assemblies (Figure 14).


The owner/operator can prevent and is responsible for accidents that may cause personal injury or property damage.
Wear appropriate clothing, including eye protection; slip-resistant, substantial footwear; and hearing protection. Tie back long hair and do not wear jewelry.
Do not operate the machine while ill, tired, or under the influence of alcohol or drugs.
Never carry passengers on the machine and keep bystanders and pets away from the machine during operation.
Operate the machine only in good visibility to avoid holes or hidden hazards.
Avoid mowing on wet grass. Reduced traction could cause the machine to slide.
Ensure that all drives are in neutral, the parking brake is engaged, and you are in the operating position before you start the engine.
Keep your hands and feet away from the cutting units. Keep clear of the discharge opening at all times.
Look behind and down before backing up to be sure of a clear path.
Use care when approaching blind corners, shrubs, trees, or other objects that may obscure your vision.
Do not mow near drop-offs, ditches, or embankments. The machine could suddenly roll over if a wheel goes over the edge or if the edge gives way.
Stop the blades whenever you are not mowing.
Stop the machine and inspect the blades after striking an object or if there is an abnormal vibration in the machine. Make all necessary repairs before resuming operation.
Slow down and use caution when making turns and crossing roads and sidewalks with the machine. Always yield the right-of-way.
Disengage the drive to the cutting unit and shut off the engine before adjusting the height of cut (unless you can adjust it from the operating position).
Never run an engine in an area where exhaust gases are enclosed.
Never leave a running machine unattended.
Before leaving the operating position (including to empty the catchers or to unclog the chute), do the following:
Stop the machine on level ground.
Disengage the power take-off and lower the attachments.
Engage the parking brake.
Shut off the engine and remove the key.
Wait for all moving parts to stop.
Do not operate the machine when there is the risk of lightning.
Do not use the machine as a towing vehicle.
Do not change the governor speed or overspeed the engine.
Use accessories and attachments approved by Toro only.
Do not remove the roll bar from the machine.
Ensure that the seat belt is attached and that you can release it quickly in an emergency.
Always wear your seat belt when the roll bar is up.
Check carefully for overhead obstructions and do not contact them.
Keep the roll bar in safe operating condition by thoroughly inspecting it periodically for damage and keeping all the mounting fasteners tight.
Replace a damaged roll bar. Do not repair or alter it.
Establish your own procedures and rules for operating on slopes. These procedures must include surveying the site to determine which slopes are safe for machine operation. Always use common sense and good judgment when performing this survey.
Slopes are a major factor related to loss-of-control and tip-over accidents, which can result in severe injury or death. Operating the machine on any slope requires extra caution.
Operate the machine at a lower speed when you are on a slope.
If you feel uneasy operating the machine on a slope, do not do it.
Watch for holes, ruts, bumps, rocks, or other hidden objects. Uneven terrain could overturn the machine. Tall grass can hide obstacles.
Choose a low ground speed so you will not have to stop or shift while on a slope.
A rollover can occur before the tires lose traction.
Avoid operating the machine on wet grass. Tires may lose traction; regardless if the brakes are available and functioning.
Avoid starting, stopping, or turning the machine on a slope.
Keep all movement on slopes slow and gradual. Do not suddenly change the speed or direction of the machine.
Do no operate the machine near drop-offs, ditches, embankments, or bodies of water. The machine could suddenly roll over if a wheel goes over the edge or the edge caves in. Establish a safety area between the machine and any hazard (2 machine widths).
Always engage the parking brake when you stop the machine or leave it unattended.
The parking brake may not hold the machine parked on a slope and could cause personal injury or property damage.
Do not park on slopes unless the wheels are chocked or blocked.


The blade-control switch (PTO) starts and stops the mower blades and any powered attachments.
Note: Engaging the blade-control switch (PTO) with the throttle position at half or less causes excessive wear to the drive belts.


You can move the throttle control between the FAST and SLOW positions (Figure 19).
Always use the FAST position when turning on the mower deck with the blade-control switch (PTO).

Turn the ignition key to the START position (Figure 20).
Note: When the engines starts, release the key.
Important: Do not engage starter for more than 5 seconds at a time. If the engine fails to start, allow a 15 second cool-down period between attempts. Failure to follow these instructions can burn out the starter motor.
Note: You may need multiple attempts to start the engine when you start it the first time after the fuel system has been without fuel completely.

Turn the ignition key to shut off the engine.
Raise the roll bar up and lock it into place, sit on the seat, and fasten the seat belt.
Move the motion controls to the NEUTRAL-LOCK position.
Engage the parking brake; refer to Engaging the Parking Brake.
Move the blade-control switch (PTO) to the OFF position (Figure 21).
Move the throttle lever midway between the SLOW and FAST positions.

Turn the ignition key to the START position (Figure 22).
Note: When the engines starts, release the key.
Important: Do not engage starter for more than 5 seconds at a time. If the engine fails to start allow a 15-second cool-down period between attempts. Failure to follow these instructions can burn out the starter motor.
Note: Additional starting cycles may be required when starting the engine for the first time after the fuel system has been without fuel completely.

Children or bystanders may be injured if they move or attempt to operate the machine while it is unattended.
Always remove the ignition key and engage the parking brake when leaving the machine unattended, even if just for a few minutes.
Let the engine idle at slow throttle (turtle) for 60 seconds before turning the ignition switch to the OFF position.

Important: Make sure that the fuel-shutoff valve is closed before transporting or storing the machine, as fuel leakage may occur. Engage the parking brake before transporting. Make sure that you remove the key as the fuel pump may run and cause the battery to lose charge.

The drive wheels turn independently, powered by hydraulic motors on each axle. You can turn 1 side in reverse while you turn the other forward, causing the machine to spin rather than turn. This greatly improves the machine maneuverability but may require sometime for you to adapt to how it moves.
The throttle control regulates the engine speed as measured in rpm (revolutions per minute). Place the throttle control in the FAST position for best performance. Always operate in the full throttle position when mowing.
Machine can spin very rapidly. You may lose control of machine and cause personal injury or damage to machine.
Use caution when making turns.
Slow the machine down before making sharp turns.
Note: The engine shuts off when you move the traction-control with the parking brake engaged.
To stop, pull the motion-control levers to the NEUTRAL position.
Disengage the parking brake; refer to Disengaging the Parking Brake.
Move the levers to the center, unlocked position.
To go forward, slowly push the motion-control levers forward (Figure 25).

Move the levers to the center, unlocked position.
To go backward, slowly pull the motion-control levers rearward (Figure 26).

To stop the machine, move the traction-control levers to neutral, and then move them to the locked position, disengage the blade-control switch (PTO), and turn the ignition key to the OFF position.
Engage the parking brake when you leave the machine; refer to Engaging the Parking Brake. Remember to remove the key from the ignition switch.
Children or bystanders may be injured if they move or attempt to operate the machine while it is unattended.
Always remove the ignition key and engage the parking brake when leaving the machine unattended, even if just for a few minutes.
The mower has a hinged grass deflector that disperses clippings to the side and down toward the turf.
Without a grass deflector, discharge cover, or a complete grass-catcher assembly mounted in place, you and others are exposed to blade contact and thrown debris. Contact with rotating mower blade(s) and thrown debris will cause injury or death.
Never remove the grass deflector from the mower because the grass deflector routes material down toward the turf. If the grass deflector is ever damaged, replace it immediately.
Never put your hands or feet under the mower.
Never try to clear the discharge area or mower blades unless you move the blade-control switch (PTO) to the OFF position, rotate the ignition key to the OFF position, and remove the key.
Make sure that the grass deflector is in the down position.
The transport lock has 2 positions, and is used with the deck-lift pedal. There is a LOCK position and a UNLOCK position for the transport position (Figure 27).

The height-of-cut is adjusted from 25 to 140 mm (1 to 5-1/2 inches) in 6 mm (1/4 inch) increments by relocating the clevis pin into different hole locations.
Move the transport lock to the lock position.
Push on the deck-lift pedal with your foot, and raise the mower deck to the transport position (also the 140 mm (5-1/2 inches) cutting height position) as shown in Figure 28.
To adjust, rotate the pin 90 degrees and remove the pin from the height-of-cut bracket (Figure 28).
Select a hole in the height-of-cut bracket corresponding to the height-of-cut desired, and insert the pin (Figure 28).
Push on the deck lift, pull back on the transport lock, and slowly lower the mower deck.

Whenever you change the height-of-cut, it is recommended to adjust the height of the anti-scalp rollers.
Disengage the blade-control switch (PTO), move the motion-control levers to the NEUTRAL-LOCK position, and engage the parking brake.
Shut off the engine, remove the key, and wait for all moving parts to stop before leaving the operating position.
Adjust the anti-scalp rollers as shown in Figure 29, Figure 30, and Figure 31.



This procedure is applicable only to machines with the flow-baffle locks. Certain models have nuts and bolts in place of the flow-baffle locks and can be adjusted the same way.
You can adjust the mower-discharge flow for different types of mowing conditions. Position the cam locks and baffle to give the best quality of cut.
Disengage the blade-control switch (PTO), move the motion-control levers to the NEUTRAL-LOCK position, and engage the parking brake.
Shut off the engine, remove the key, and wait for all moving parts to stop before leaving the operating position.
To adjust the cam locks, swing the lever up to loosen the cam lock (Figure 32).
Adjust the baffle and cam locks in the slots to the desired discharge flow.
Swing the lever back over to tighten the baffle and cam locks (Figure 32).
If the cam locks do not lock the baffle into place or it is too tight, loosen the lever and then rotate the cam lock.
Note: Adjust the cam lock until you achieve the desired locking pressure.

The following figures are only recommendations for use. Adjustments vary by grass type, moisture content, and the height of the grass.
Note: If the engine power draws down and the mower ground speed is the same, open up the baffle.
This is the full rear position. The suggested use for this position is as follows:
Short, light grass mowing conditions
Dry conditions
Smaller grass clippings
Propels grass clippings farther away from the mower

Use this position when bagging. Always align it with the blower opening.

This is the full open position. The suggested use for this position is as follows:
Tall, dense grass mowing conditions
Wet conditions
Lowers the engine-power consumption
Allows increased ground speed in heavy conditions

For best mowing and maximum air circulation, operate the engine at the FAST position. Air is required to thoroughly cut grass clippings, so do not set the height-of-cut so low as to totally surround the mower in uncut grass. Always try to have 1 side of the mower free from uncut grass, which allows air to be drawn into the mower.
Cut grass slightly longer than normal to ensure that the cutting height of the mower does not scalp any uneven ground. However, the cutting height used in the past is generally the best one to use. When cutting grass longer than 15 cm (6 inches) tall, you may want to cut the lawn twice to ensure an acceptable quality of cut.
It is best to cut only about a third of the grass blade. Cutting more than that is not recommended unless grass is sparse, or it is late fall when grass grows more slowly.
Alternate the mowing direction to keep the grass standing straight. This also helps disperse clippings which enhances decomposition and fertilization.
Grass grows at different rates at different times of the year. To maintain the same cutting height, mow more often in early spring. As the grass growth rate slows in mid summer, mow less frequently. If you cannot mow for an extended period, first mow at a high cutting height, then mow again 2 days later at a lower height setting.
To improve cut quality, use a slower ground speed in certain conditions.
When mowing uneven turf, raise the cutting height to avoid scalping the turf.
If you must stop the forward motion of the machine while mowing, a clump of grass clippings may drop onto your lawn. To avoid this, move onto a previously cut area with the blades engaged or you can disengage the mower deck while moving forward.
Clean clippings and dirt from the underside of the mower after each use. If grass and dirt build up inside the mower, cutting quality will eventually become unsatisfactory.
Maintain a sharp blade throughout the cutting season because a sharp blade cuts cleanly without tearing or shredding the grass blades. Tearing and shredding turns grass brown at the edges, which slows growth and increases the chance of disease. Check the mower blades after each use for sharpness, and for any wear or damage. File down any nicks and sharpen the blades as necessary. If a blade is damaged or worn, replace it immediately with a genuine Toro replacement blade.
Clean grass and debris from the cutting units, mufflers, and engine compartment to help prevent fires. Clean up oil or fuel spills.
Shut off the fuel before storing or transporting the machine.
Disengage the drive to the attachment whenever you are transporting or not using the machine.
Use full-width ramps for loading the machine into a trailer or truck.
Tie the machine down securely using straps, chains, cable, or ropes. Both front and rear straps should be directed down and outward from the machine.
Allow the engine to cool before storing the machine in any enclosure.
Never store the machine or fuel container where there is an open flame, spark, or pilot light, such as on a water heater or on other appliances.
The fuel-shutoff valve is located under the seat. Move the seat forward to access it.
Close the fuel-shutoff valve for transport, maintenance, and storage.
Ensure that the fuel-shutoff valve is open when starting the engine.

Hands may become entangled in the rotating drive components below the engine deck, which could result in serious injury.
Shut off the engine, remove the key, and allow all moving parts to stop before accessing the drive-wheel-release valves.
The engine and hydraulic drive units can become very hot. Touching a hot engine or hydraulic drive units can cause severe burns.
Allow the engine and hydraulic drive units to cool completely before accessing the drive-wheel-release valves.
The drive-wheel-release valves are located in the back of each hydraulic-drive unit, under the seat.
Note: Make sure that the release valves are in the fully horizontal position when operating the machine; otherwise, severe damage to the hydraulic system can occur.
Disengage the blade-control switch (PTO), turn the ignition key to the OFF position, move the levers to the NEUTRAL-LOCK position, engage the parking brake, and remove the key.
Rotate the release-valve levers vertically to push the machine. This allows hydraulic fluid to bypass the pump, enabling the wheels to turn (Figure 37).
Disengage the parking brake before pushing the machine.

Rotate the release valve levers horizontally to run the machine (Figure 37).
Use a heavy-duty trailer or truck to transport the machine. Ensure that the trailer or truck has all the necessary brakes, lighting, and marking as required by law. Please carefully read all the safety instructions. Knowing this information could help you, your family, pets, or bystanders avoid injury.
Driving on the street or roadway without turn signals, lights, reflective markings, or a slow-moving-vehicle emblem is dangerous and can lead to accidents, causing personal injury.
Do not drive the machine on a public street or roadway.
If you are using a trailer, connect it to the towing vehicle, and connect the safety chains.
If applicable, connect the trailer brakes.
Load the machine onto the trailer or truck.
Shut off the engine, remove the key, engage the parking brake, and close the fuel valve.
Use the tie-down loops on the machine to securely fasten it to the trailer or truck with straps, chains, cable, or ropes (Figure 38).

Use extreme caution when loading or unloading machines onto a trailer or a truck. Use a full-width ramp that is wider than the machine for this procedure. Back the machine up the ramp and drive it forward down the ramp (Figure 39).

Important: Do not use narrow individual ramps for each side of the machine.
Loading a machine onto a trailer or truck increases the possibility of tip-over and could cause serious injury or death.
Use extreme caution when operating a machine on a ramp.
Ensure that the roll bar is in the up position and use the seat belt when loading or unloading the machine. Ensure that the roll bar will clear the top of an enclosed trailer.
Use only a full-width ramp; do not use individual ramps for each side of the machine.
Do not exceed a 15-degree angle between the ramp and the ground or between the ramp and the trailer or truck.
Ensure that the length of ramp is at least 4 times as long as the height of the trailer or truck bed to the ground. This ensures that the ramp angle does not exceed 15 degrees on flat ground.
Back the machine up the ramp and drive it forward down the ramp.
Avoid sudden acceleration or deceleration while driving the machine on a ramp as this could cause a loss of control or a tip-over situation.

| Maintenance Service Interval | Maintenance Procedure |
|---|---|
| After the first 8 hours |
|
| After the first 100 hours |
|
| After the first 250 hours |
|
| Before each use or daily |
|
| Every 50 hours |
|
| Every 100 hours |
|
| Every 150 hours |
|
| Every 200 hours |
|
| Every 250 hours |
|
| Every 300 hours |
|
| Every 500 hours |
|
| Every 600 hours |
|
| Monthly |
|
| Yearly |
|
| Yearly or before storage |
|
Important: Refer to your engine owner's manual for additional maintenance procedures.
If you leave the key in the ignition switch, someone could accidently start the engine and seriously injure you or other bystanders.
Remove the key from the ignition before you do any maintenance.
Before repairing the machine do the following:
Disengage the drives.
Engage the parking brake.
Shut off the engine and remove the key.
Disconnect the spark-plug wire.
Park the machine on a level surface.
Clean grass and debris from the cutting unit, drives, mufflers, and engine to help prevent fires.
Clean up oil or fuel spills.
Let the engine cool before storing the machine.
Do not store the machine or fuel near flames or drain the fuel indoors.
Do not allow untrained personnel to service the machine.
Use jack stands to support the machine and/or components when required.
Carefully release pressure from components with stored energy.
Disconnect the battery or remove the spark-plug wire before making any repairs. Disconnect the negative terminal first and the positive terminal last. Connect the positive terminal first and negative last.
Use care when checking the blades. Wrap the blade(s) or wear thickly padded gloves, and use caution when servicing them. Only replace blades; do not straighten or weld them.
Keep your hands and feet away from moving parts. If possible, do not make adjustments with the engine running.
Keep all parts in good working condition and all hardware tightened, especially the blade-attachment bolts. Replace all worn or damaged decals.
Never interfere with the intended function of a safety device or reduce the protection provided by a safety device. Check their proper operation regularly.
To ensure optimum performance and continued safety certification of the machine, use only genuine Toro replacement parts and accessories. Replacement parts and accessories made by other manufacturers could be dangerous, and such use could void the product warranty.
Check the parking brake operation frequently. Adjust and service as required.
Grease more frequently when operating conditions are extremely dusty or sandy.
Grease Type: No. 2 lithium or molybdenum grease
Disengage the blade-control switch (PTO), move the motion-control levers to the NEUTRAL-LOCK position, and engage the parking brake.
Shut off the engine, remove the key, and wait for all moving parts to stop before leaving the operating position.
Clean the grease fittings with a rag.
Note: Make sure that you scrape any paint off the front of the fitting(s).
Connect a grease gun to the fitting.
Pump grease into the fittings until grease begins to ooze out of the bearings.
Wipe up any excess grease.
| Maintenance Service Interval | Maintenance Procedure |
|---|---|
| Every 100 hours |
|
Lubricate the deck-lift pivots.

| Maintenance Service Interval | Maintenance Procedure |
|---|---|
| Every 50 hours |
|
Important: Make sure that the cutting unit spindles are full of grease weekly.
Disengage the blade-control switch (PTO), move the motion-control levers to the NEUTRAL-LOCK position, and engage the parking brake.
Shut off the engine, remove the key, and wait for all moving parts to stop before leaving the operating position.
Grease the mower-deck idler pulley pivot until grease comes out the bottom (Figure 42).
If your machine has greasable spindles, grease the 3 spindle bearings until grease comes out the lower seals (Figure 42).

| Maintenance Service Interval | Maintenance Procedure |
|---|---|
| Yearly |
|
Grease the pump-belt-idler arm (Figure 43).

| Maintenance Service Interval | Maintenance Procedure |
|---|---|
| Yearly |
|
Remove the dust cap and adjust the caster pivots.
Note: Keep the dust cap off until greasing is done.
Remove the hex plug.
Thread a grease fitting into the hole.
Pump grease into the fitting until it oozes out around the top bearing.
Remove the grease fitting in the hole.
Install the hex plug and dust cap (Figure 44).

Grease the caster-wheel bearings (Figure 44).
| Maintenance Service Interval | Maintenance Procedure |
|---|---|
| Yearly |
|
Shut off the engine, wait for all moving parts to stop, remove the key, and engage the parking brake.

Raise the mower for access.
Remove the caster wheel from the caster forks.
Remove the seal guards from the wheel hub.
Remove a spacer nut from the axle assembly in the caster wheel.
Note: Thread-locking adhesive has been applied to lock the spacer nuts to the axle.
Remove the axle (with the other spacer nut still assembled to it) from the wheel assembly.
Pry out seals and inspect bearings for wear or damage and replace if necessary.
Pack the bearings with general-purpose grease.
Insert 1 bearing and 1 new seal into the wheel.
Note: Replace the seals.
If the axle assembly is missing both spacer nuts, apply a thread-locking adhesive to 1 spacer nut and thread it onto the axle with the wrench flats facing outward.
Note: Do not thread the spacer nut all of the way onto the end of the axle. Leave approximately 3 mm (1/8 inch) from the outer surface of the spacer nut to the end of the axle inside the nut.
Insert the assembled nut and axle into the wheel on the side of the wheel with the new seal and bearing.
With the open end of the wheel facing up, fill the area inside the wheel around the axle full of general-purpose grease.
Insert the second bearing and new seal into the wheel.
Apply a thread-locking adhesive to the second spacer nut, and thread it onto the axle with the wrench flats facing outward.
Torque the nut to 8 to 9 N∙m (75 to 80 in-lb), loosen, then torque to 2 to 3 N∙m (20 to 25 in-lb).
Note: Make sure that the axle does not extend beyond either nut.
Install the seal guards over the wheel hub, and insert the wheel into the caster fork.
Install the caster bolt and tighten the nut fully.
Important: To prevent seal and bearing damage, check the bearing adjustment often. Spin the caster tire. The tire should not spin freely (more than 1 or 2 revolutions) or have any side play. If the wheel spins freely, adjust the torque on the spacer nut until there is a slight amount of drag. Apply another layer of thread-locking adhesive.
Contact with hot surfaces may cause personal injury.
Keep your hands, feet, face, clothing, and other body parts away the muffler and other hot surfaces.
Shut off the engine before checking the oil or adding oil to the crankcase.
| Maintenance Service Interval | Maintenance Procedure |
|---|---|
| Every 150 hours |
|
| Every 300 hours |
|
| Every 600 hours |
|
Note: Check the filters more frequently if the operating conditions are extremely dusty or sandy.
Disengage the PTO, move the motion-control levers to the NEUTRAL-LOCK position, and engage the parking brake.
Shut off the engine, remove the key, and wait for all moving parts to stop before leaving the operating position.
Release the latches on the air cleaner and pull the air-inlet cover off the air-cleaner body (Figure 46).
Clean the air-inlet screen and cover.
Install the air-inlet cover and secure it with the latches (Figure 46).

Release the latches on the air cleaner and pull the air-cleaner cover off the air-cleaner body (Figure 47).
Clean the inside of the air-cleaner cover with compressed air.
Gently slide the primary filter out of the air-cleaner body (Figure 47).
Note: Avoid knocking the filter into the side of the body.
Remove the inner filter only if you intend to replace it.
Important: Never attempt to clean the inner filter. If the safety filter is dirty, then the primary filter is damaged. Replace both filters.

Inspect the primary filter for damage by looking into the filter, while shining a bright light on the outside of the filter.
Note: Holes in the filter will appear as bright spots. If the filter is damaged, discard it.
If the primary filter is dirty, bent, or damaged, replace it.
Do not clean the primary filter.
Replace the safety filter, never clean it.
Important: Do not attempt to clean the safety filter. If the safety filter is dirty, then the primary filter is damaged. Replace both filters.
Important: To prevent engine damage, always operate the engine with both air filters and the cover installed.
If installing new filters, check each filter for shipping damage.
Note: Do not use a damaged filter.
If the inner filter is being replaced, carefully slide it into the filter body (Figure 47).
Carefully slide the primary filter over the inner filter (Figure 47).
Note: Ensure that the primary filter is fully seated by pushing on the outer rim while installing it.
Important: Do not press on the soft, inside area of the filter.
Install the air-cleaner cover and secure the latches (Figure 47).
Oil Type: Detergent oil (API service SJ or higher)
Oil Capacity: with a filter change—1.9 L (2.0 US qt); without a filter change—1.60 L (54.4 oz)
Viscosity: See the table below.

Note: Use of synthetic oil having 5W-20 or 5W-30 rating is acceptable, up to 4°C (40°F).
Note: Synthetic oils provide better starting in extreme cold below -23°C (-10°F).
| Maintenance Service Interval | Maintenance Procedure |
|---|---|
| Before each use or daily |
|
Note: Check the oil when the engine is cold.
Contact with hot surfaces may cause personal injury.
Keep your hands, feet, face, clothing, and other body parts away from the muffler and other hot surfaces.
Important: Do not overfill the crankcase with oil because damage to the engine may result. Do not run engine with oil below the Low mark because the engine may be damaged.
Disengage the PTO, move the motion-control levers to the NEUTRAL-LOCK position, and engage the parking brake.
Shut off the engine, remove the key, and wait for all moving parts to stop before leaving the operating position (Figure 49).


| Maintenance Service Interval | Maintenance Procedure |
|---|---|
| After the first 8 hours |
|
| Every 100 hours |
|
Note: Dispose of the used oil at a recycling center.
Start the engine and let it run for 5 minutes.
Note: This warms the oil so that it drains better.
Park the machine so that the rear is slightly lower than the front to ensure that the oil drains completely.
Disengage the PTO, move the motion-control levers to the NEUTRAL-LOCK position, and engage the parking brake.
Shut off the engine, remove the key, and wait for all moving parts to stop before leaving the operating position (Figure 50).


Slowly pour approximately 80% of the specified oil into the filler tube and slowly add the additional oil to bring it to the Full mark (Figure 51).

Start the engine and drive to a flat area.
Check the oil level again.
| Maintenance Service Interval | Maintenance Procedure |
|---|---|
| Every 200 hours |
|
Note: Change the engine-oil filter more frequently when operating conditions are extremely dusty or sandy.
Drain the oil from the engine; refer to Changing the Engine Oil.
Change the engine-oil filter (Figure 52).


Note: Ensure the oil-filter gasket touches the engine, and then turn the oil filter an extra 3/4 turn.
Fill the crankcase with the proper type of new oil; refer to Changing the Engine Oil.
| Maintenance Service Interval | Maintenance Procedure |
|---|---|
| Every 200 hours |
|
Ensure that the air gap between the center and side electrodes is correct before installing the spark plug. Use a spark plug wrench for removing and installing the spark plug(s) and a gapping tool/feeler gauge to check and adjust the air gap. Install a new spark plug(s) if necessary.
Type: Champion® XC12YC, or equivalent
Air Gap: 0.76 mm (0.030 inch)
Torque: 24.4 to 29.8 N-m (18 to 22 ft-lb)
Shut off the engine, remove the key, and wait for all moving parts to stop before leaving the operating position.
Disengage the PTO, move the motion-control levers to the NEUTRAL-LOCK position, and engage the parking brake.
Remove the left hydraulic-unit shroud in the order listed with Figure 53. This gives you access to the front spark plug.


Remove the spark plug.


Install the left hydraulic-unit shroud (Figure 53).
Important: Replace the spark plug(s) when it has: a black coating, worn electrodes, an oily film, cracks or reuse is questionable.
If you see light brown or gray on the insulator, the engine is operating properly. A black coating on the insulator usually means that the air cleaner is dirty.
Set the gap to 0.76 mm (0.030 inches).

Tighten the spark plug(s) to 24.4 to 29.8 N-m (18 to 22 ft-lb).

| Maintenance Service Interval | Maintenance Procedure |
|---|---|
| Every 50 hours |
|
Hot exhaust system components may ignite fuel vapors even after you shut off the engine. Hot particles exhausted during engine operation may ignite flammable materials. Fire may result in personal injury or property damage.
Do not fuel or run the engine unless a spark arrester is installed.
Shut off the engine, wait for all moving parts to stop, remove the key, and engage the parking brake.
Wait for the muffler to cool.
If there are any breaks in the screen or welds are observed, replace the arrester.
If the screen is plugged, remove the arrester and shake loose particles out of the arrester, and clean the screen with a wire brush (soak in solvent if necessary).
Install the arrester on the exhaust outlet.
Fuel-system components are under high pressure. The use of improper components can result in system failure, fuel leakage, and possible explosion.
Use only approved fuel lines and fuel filters.
This machine contains an electronic fuel-injection system. It controls the fuel flow under different operating conditions.
The electronic-control unit (ECU) continuously monitors the operation of the EFI system.
If a problem or fault within the system is detected, the malfunction-indicator light (MIL) illuminates. The MIL is the red light located in the right console panel.
Once the MIL illuminates, make initial troubleshooting checks; refer to the MIL section under .
If these checks do not correct the problem, further diagnosis and servicing by an Authorized Service Dealer is necessary.
| Maintenance Service Interval | Maintenance Procedure |
|---|---|
| Every 200 hours |
|
The fuel filter is located near the engine on the front or rear side of the engine.
Disengage the blade-control switch (PTO), move the motion-control levers to the NEUTRAL-LOCK position, and engage the parking brake.
Shut off the engine, remove the key, and wait for all moving parts to stop before leaving the operating position.
Wait for the machine to cool down.
Close the fuel-shutoff valve under the seat (Figure 57).

Squeeze the ends of the hose clamps together and slide them away from the filter (Figure 57).
Remove the filter from the fuel lines.
Install a new filter and move the hose clamps close to the filter (Figure 57).
Open the fuel-shutoff valve.
Important: Install the fuel line hoses and secure with plastic ties the same as they were originally installed at the factory to keep the fuel line away from components that can cause fuel line damage.
Do not attempt to service the high-pressure fuel filter. The high-pressure filter is integrated within the fuel-pump module. The fuel filter and other components inside the fuel-pump module are not serviceable.
Important: Do not attempt to open the fuel-pump module.
Ensure that an Authorized Service Dealer replaces the fuel-pump module with the high-pressure fuel filter.
Do not attempt to drain the fuel tank. Ensure that an Authorized Service Dealer drains the fuel tank and services any components of the fuel system.
Disconnect the battery before repairing the machine. Disconnect the negative terminal first and the positive last. Connect the positive terminal first and the negative last.
Charge the battery in an open, well-ventilated area, away from sparks and flames. Unplug the charger before connecting or disconnecting the battery. Wear protective clothing and use insulated tools.
Battery posts, terminals, and related accessories contain lead and lead compounds, chemicals known to the State of California to cause cancer and reproductive harm. Wash hands after handling.
| Maintenance Service Interval | Maintenance Procedure |
|---|---|
| Monthly |
|
Battery electrolyte contains sulfuric acid which is fatal if consumed and causes severe burns.
Do not drink electrolyte and avoid contact with skin, eyes, or clothing. Wear safety glasses to shield your eyes and rubber gloves to protect your hands.
Battery terminals or metal tools could short against metal machine components causing sparks. Sparks can cause the battery gasses to explode, resulting in personal injury.
When removing or installing the battery, do not allow the battery terminals to touch any metal parts of the machine.
Do not allow metal tools to short between the battery terminals and metal parts of the machine.
Incorrect battery cable routing could damage the machine and cables causing sparks. Sparks can cause the battery gasses to explode, resulting in personal injury.
Always disconnect the negative (black) battery cable before disconnecting the positive (red) cable.
Always connect the positive (red) battery cable before connecting the negative (black) cable.
Disengage the blade-control switch (PTO), move the motion-control levers to the NEUTRAL-LOCK position, and engage the parking brake.
Shut off the engine, remove the key, and wait for all moving parts to stop before leaving the operating position.
Remove the battery as shown in Figure 58.

Note: Position the battery in the tray with the terminal posts opposite from the hydraulic tank (Figure 58).

Charging the battery produces gasses that can explode.
Never smoke near the battery and keep sparks and flames away from battery.
Important: Always keep the battery fully charged (1.265 specific gravity). This is especially important to prevent battery damage when the temperature is below 0°C (32°F).
Charge battery for 10 to 15 minutes at 25 to 30 A or 30 minutes at 10 A.
When the battery is fully charged, unplug the charger from the electrical outlet, then disconnect the charger leads from the battery posts (Figure 60).
Install the battery in the machine and connect the battery cables; refer to Installing the Battery.
Note: Do not run the machine with the battery disconnected, electrical damage may occur.

The electrical system is protected by fuses. It requires no maintenance, however, if a fuse blows check the component/circuit for a malfunction or short.
Check and clean corrosion from the battery terminals before jump-starting. Ensure that the connections are tight.
Corrosion or loose connections can cause unwanted electrical voltage spikes at any time during the jump-starting procedure.
Do not attempt to jump-start the machine with loose or corroded battery terminals, or damage to the engine or EFI may occur.
Jump-starting a weak battery that is cracked or frozen or has a low electrolyte level or an open/shorted battery cell can cause an explosion, resulting in serious personal injury.
Do not jump-start a weak battery if these conditions exist.
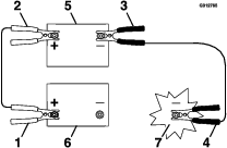
Make sure that the booster battery is a good and fully charged lead-acid battery at 12.6 V or greater.
Note: Use properly sized jumper cables with short lengths to reduce voltage drop between systems. Make sure that the cables are color coded or labeled for the correct polarity.
Connecting the jumper cables incorrectly (wrong polarity) can immediately damage the EFI system.
Be certain of battery-terminal polarity and jumper-cable polarity when hooking up the batteries.
Batteries contain acid and produce explosive gases.
Shield your eyes and face from the batteries at all times.
Do not lean over the batteries.
Note: Ensure that the vent caps are tight and level. Place a damp cloth, if available, over any vent caps on both batteries. Also ensure that the machines do not touch and that both electrical systems are off and at the same rated system voltage. These instructions are for negative ground systems only.
Connect the positive (+) cable to the positive (+) terminal of the discharged battery that is wired to the starter or solenoid as shown in Figure 62.

Connect the other end of the positive cable to the positive terminal of the booster battery.
Connect the black negative (–) cable to the other terminal (negative) of the booster battery.
Make the final connection on the engine block of the stalled machine (not to the negative battery post), away from the battery, and stand back (Figure 63).


Start the machine and remove the cables in the reverse order of connection (disconnect the negative cable from the engine block first.).
| Maintenance Service Interval | Maintenance Procedure |
|---|---|
| Before each use or daily |
|
Inspect the seat belt for wear, cuts, and proper operation of retractor and buckle. Replace the seat belt if it is damaged.
| Maintenance Service Interval | Maintenance Procedure |
|---|---|
| Before each use or daily |
|
To avoid injury or death from rollover: keep the roll bar in the fully raised locked position and use the seat belt.
Ensure that the seat is secured to the machine.
Check that both the mounting hardware and the knobs are in good working condition. Make sure that the knobs are fully engaged with the roll bar in the raised position. The upper hoop of the roll bar may need to be pushed forward or pulled rearward to get both knobs fully engaged (Figure 64).

Disengage the blade-control switch (PTO).
Drive to an open flat area, move the motion-control levers to the NEUTRAL-LOCK position.
Move the throttle midway between fast and slow.
Move both motion-control levers all the way forward until they both hit the stops in the T-slot.
Check which way the machine tracks.
If it tracks to the right, loosen the bolts and adjust the left stop plate rearward on the left T-slot until the machine tracks straight (Figure 65).
If it tracks to the left, loosen the bolts and adjust the right stop plate rearward on the right T-slot until the machine tracks straight (Figure 65).
Tighten the stop plate (Figure 65).

| Maintenance Service Interval | Maintenance Procedure |
|---|---|
| Every 50 hours |
|
Maintain the air pressure in the front and rear tires at 90 kPa (13 psi). Uneven tire pressure can cause an uneven cut. Check the tires when they are cold to get the most accurate pressure reading.

| Maintenance Service Interval | Maintenance Procedure |
|---|---|
| After the first 100 hours |
|
| Every 500 hours |
|
Check and torque the wheel lug nuts to 122 to 129 N∙m (90 to 95 ft-lb).
| Maintenance Service Interval | Maintenance Procedure |
|---|---|
| After the first 100 hours |
|
| Every 500 hours |
|
Check and ensure that the torque of the slotted nut is 286 to 352 N∙m (211 to 260 ft-lb).
Note: Do not use anti-seize compound on wheel hub.

| Maintenance Service Interval | Maintenance Procedure |
|---|---|
| Every 500 hours |
|
Disengage the blade-control switch (PTO), move the motion-control levers to the NEUTRAL-LOCK position, and engage the parking brake.
Shut off the engine, remove the key, and wait for all moving parts to stop before leaving the operating position.
Remove the dust cap from caster and tighten the locknut (Figure 68).
Tighten the locknut until the spring washers are flat, and then back off a 1/4 turn to properly set the preload on the bearings (Figure 68).
Important: Make sure that the spring washers are installed correctly as shown in Figure 68.
Install the dust cap (Figure 68).

Some later model year units have been built with clutches that contain a brake shim. When the clutch brake has worn to the point where the clutch no longer engages consistently, the shim can be removed to extend the clutch life.

Shut off the engine, wait for all moving parts to stop, remove the key, engage the parking brake, and allow the machine to cool completely before starting these instructions.
Using an air compressor, blow out any debris from under the brake pole and around the brake spacers (Figure 70).

Check the condition of the wire-harness leads, connectors, and terminals.
Note: Clean or repair as necessary.
Verify that 12V is present at the clutch connector when the blade-control switch (PTO) switch is engaged.
Measure the gap between the rotor and armature. If the gap is greater than 1 mm (0.04 inch), proceed with the following steps:
Loosen both brake-mounting bolts 1/2 to 1 full turn as shown in Figure 71.
Note: Do not remove the brake pole from the field shell/armature. The brake pole has worn to match the armature and needs to continue to match after you remove the shim to ensure proper brake torque.

Using needle-nose pliers, or by hand, hold the tab and remove the shim (Figure 72).
Note: Do not discard the shim until proper clutch function has been confirmed.

Using a pneumatic line, blow out any debris from under the brake pole and around the brake spacers.
Torque each bolt (M6 x 1) to 13 N∙m (10 ft-lb) +/-0.7 N∙m (0.5 ft-lb).
Using a 0.25 mm (0.01 inch) thick feeler gauge, verify that a gap is present between the rotor and the armature face on both sides of the brake pole as shown in Figure 73 and Figure 74.
Note: Due to the way the rotor and the armature faces wear (peaks and valleys) it is sometimes difficult to measure the gap accurately.


If the gap is less than 0.25 mm (0.01 inch), then install the shim; refer to .
If the gap is sufficient, proceed to the safety check in step 6.
Perform the following safety check:
Sit on the seat and start the engine.
Make sure that the blades do not engage with the blade-control switch (PTO) in the OFF position, and that the clutch is disengaged.
If the clutch does not disengage, install the shim again; refer to .
Engage and disengage the blade-control switch (PTO) 10 consecutive times to ensure that the clutch is functioning properly.
| Maintenance Service Interval | Maintenance Procedure |
|---|---|
| Before each use or daily |
|
Remove any buildup of grass, dirt, or other debris from the oil cooler (Figure 75).


Remove any buildup of grass, dirt, or other debris from the engine screen. This helps ensure adequate cooling and correct engine speed and reduces the possibility of overheating and mechanical damage to the engine (Figure 75).
| Maintenance Service Interval | Maintenance Procedure |
|---|---|
| Every 100 hours |
|
Disengage the blade-control switch (PTO) and engage the parking brake.
Shut off the engine, remove the key, and wait for all moving parts to stop before leaving the operating position.
Remove the air-intake screen, the recoil starter, and the fan housing (Figure 76).
Clean the debris and grass from the engine parts.
Install the air-intake screen, the recoil starter, and the fan housing (Figure 76).

| Maintenance Service Interval | Maintenance Procedure |
|---|---|
| Before each use or daily |
|
Disengage the blade-control switch (PTO) and engage the parking brake.
Shut off the engine, remove the key, and wait for all moving parts to stop before leaving the operating position.
Move the seat forward.
Clean the debris and grass from the hydraulic-unit shrouds (Figure 77).
Position the seat.


| Maintenance Service Interval | Maintenance Procedure |
|---|---|
| After the first 100 hours |
|
| Every 500 hours |
|
Note: Perform this procedure whenever you remove or replace a brake component.
Drive the machine onto a level surface.
Disengage the blade-control switch (PTO), move the motion control levers to the NEUTRAL-LOCK position, and engage the parking brake.
Shut off the engine, wait for all moving parts to stop, and remove the key.
Raise the back of the machine and support the machine with jack stands.
Mechanical or hydraulic jacks may fail to support machine and cause a serious injury.
Use jack stands when supporting machine.
Do not use hydraulic jacks.
Remove the rear tires from the machine.
Remove any debris from the brake area.
Rotate the drive-wheel release handle to the released position; refer to Using the Drive-Wheel-Release Valves.
Check to see if there is a visible gap between the L-bracket and the linkage stop (Figure 78).

Disengage the parking brake, the lever should be in the down position.
Turn the wheel hub by hand in both directions relative to the caliper; the wheel hub should move freely between the caliper.
If a gap is needed or the wheel hub does not move freely:
Disengage the parking brake.
Disconnect and fine-tune the rear linkage assembly:
Shorten the link to create a gap.
Lengthen the link to allow wheel hub movement.
Connect the rear linkage assembly.
Engage the parking brake and check the gap.
Repeat steps 9 through 13 until a visible gap is achieved and the wheel hub rotates freely.
Repeat this procedure for the brake on the opposite side.
Rotate the drive-wheel release handle to the operating position; refer to Using the Drive-Wheel-Release Valves.
Install the rear tires and torque the lug nuts; refer to Checking the Wheel-Lug Nuts.
Remove the jack stands.
| Maintenance Service Interval | Maintenance Procedure |
|---|---|
| Every 50 hours |
|
Check the belts for squealing when the belt is rotating; blades slipping when cutting grass; frayed belt edges; burn marks; and cracks, which are signs of a worn mower belt. Replace the mower belt if any of these conditions occur.
Disengage the blade-control switch (PTO), move the motion-control levers to the NEUTRAL-LOCK position, and engage the parking brake.
Shut off the engine, remove the key, and wait for all moving parts to stop before leaving the operating position.
Lower the mower to the 76 mm (3 inch) height-of-cut.
Remove the belt covers (Figure 79).

Use a ratchet in the square hole in the idler arm to remove tension on the idler spring (Figure 80).
Remove the belt from the mower-deck pulleys.
Remove the belt guide on the spring-loaded idler arm (Figure 80).
Remove the existing belt.
Install the new belt around the mower pulleys and the clutch pulley under the engine (Figure 80).

Install the belt guide on the idler arm (Figure 80).
Using the ratchet in the square hole, install the idler spring (Figure 80).
Note: Make sure that the spring ends are seated in the anchor grooves.
Install the belt covers (Figure 81).

Disengage the blade-control switch (PTO) and engage the parking brake.
Shut off the engine, remove the key, and wait for all moving parts to stop before leaving the operating position.
Remove the mower belt; refer to Replacing the Mower Belt.
Raise the machine and support it with jack stands (Figure 82).

Use a ratchet in the square hole in the idler arm to remove the idler spring (Figure 82).
Unhook the idler spring from the frame (Figure 82).
Remove the belt from the hydraulic-unit-drive pulleys and the engine pulley.
Install the new belt around engine pulley and the 2 drive pulleys.
Using a ratchet in the square hole in the idler arm, install the idler spring to the frame (Figure 82).
Install the mower belt; refer to Replacing the Mower Belt.
There are 2 height positions for the control levers—high and low. Remove the bolts to adjust the height for the operator.
Disengage the blade-control switch (PTO), move the motion-control levers to the NEUTRAL-LOCK position, and engage the parking brake.
Shut off the engine, remove the key, and wait for all moving parts to stop before leaving the operating position.
Loosen the bolts and flange nuts installed in the levers (Figure 83).
Align the levers in the front-to-rear position by bringing the levers together to the NEUTRAL position, and slide them until they are aligned, then tighten the bolts (Figure 84).


If the ends of the levers hit against each other, refer to Adjusting the Control-Handle Position.
Repeat to adjust the control levers.
Located on either side of the fuel tank, below the seat are the pump-control linkages. Rotating the pump linkage with a wrench (1/2 inch) allows fine tuning adjustments so that the machine does not move in neutral. Any adjustments should be made for neutral positioning only.
To adjust the motion control, you must run the engine and turn the drive wheels. Contact with moving parts or hot surfaces may cause personal injury.
Keep your fingers, hands, and clothing clear of rotating components and hot surfaces.
Prior to starting the engine, push the deck-lift pedal, and remove the height-of-cut pin.
Lower deck to the ground.
Raise the rear of machine up and support it with jack stands (or equivalent support).
Note: Raise the machine just high enough to allow the drive wheels to turn freely.
Remove the electrical connection from the seat safety switch, located under the bottom cushion of the seat.
Note: The switch is a part of the seat assembly.
Temporarily install a jumper wire across the terminals in the connector of the main wire harness.
Start the engine and run it at full throttle and disengage the brake.
Note: You do not need to be in the seat, because of the jumper wire being used.
Run the unit for at least 5 minutes with the drive levers at full forward speed to bring the hydraulic fluid up to the operating temperature.
Note: The motion-control levers needs to be in neutral while making any necessary adjustments.
Bring the motion-control levers into the NEUTRAL position.
Adjust the pump control rod lengths by rotating the double nuts on the rod in the appropriate direction until the wheels slightly creep in reverse (Figure 85).

Move the motion-control levers to the reverse position and while applying slight pressure to the lever, allow the reverse-indicator springs to bring the levers back to neutral.
Note: The wheels must stop turning or slightly creep in reverse.
Shut off the machine, remove the jumper wire from the wire harness, and plug the connector into the seat switch.
Remove the jack stands.
Raise the deck and install the height-of-cut pin.
Check that the machine does not creep in neutral with the park brakes disengaged.
You can adjust the top damper-mounting bolt to obtain the desired motion-control lever resistance. Refer to Figure 86 for mounting options.

You can adjust the flanged nut to obtain the desired motion-control lever resistance when moving it to the NEUTRAL-LOCK position. See Figure 87 for adjustment options.
Loosen the jam nut.
Tighten or loosen the flanged nut to the desired feel.
For more resistance, tighten the flanged nut.
For less resistance, loosen the flanged nut
Tighten the jam nut.

Ensure that all hydraulic-fluid hoses and lines are in good condition and all hydraulic connections and fittings are tight before applying pressure to the hydraulic system.
Keep your body and hands away from pinhole leaks or nozzles that eject high-pressure hydraulic fluid.
Use cardboard or paper to find hydraulic leaks.
Safely relieve all pressure in the hydraulic system before performing any work on the hydraulic system.
Seek immediate medical attention if fluid is injected into skin. Injected fluid must be surgically removed within a few hours by a doctor.
Hydraulic-Fluid Type: Toro® HYPR-OIL™ 500 hydraulic fluid or Mobil® 1 15W-50.
Important: Use the specified fluid. Other fluids could damage the hydraulic system.
Each Hydraulic System Fluid Capacity: 1.5 L (52 fl oz) per side with filter change
| Maintenance Service Interval | Maintenance Procedure |
|---|---|
| Every 50 hours |
|
Position the machine on a level surface.
Disengage the blade-control switch (PTO), move the motion-control levers to the NEUTRAL-LOCK position, and engage the parking brake.
Shut off the engine, remove the key, and wait for all moving parts to stop before leaving the operating position.
Allow the engine and the hydraulic system to cool for 10 minutes.
Note: The oil level on the dipstick is incorrect when the oil is checked and the unit is hot.
Move the seat forward.
Clean the area around the dipsticks of hydraulic-system reservoirs (Figure 88).
Remove 1 dipstick from the hydraulic reservoir (Figure 88).
Wipe the dipstick off and thread the dipstick into the reservoir.
Remove the dipstick and look at the end (Figure 88).
Important: Do not overfill the hydraulic units with oil as damage may occur. Do not run the machine with the oil below the add mark.
If the oil level is at the Add mark, slowly pour only enough oil into the hydraulic reservoir to raise the level to the Full or H line.
Install the dipstick.
Repeat the procedure for the opposite dipstick.

Hydraulic fluid escaping under pressure can penetrate skin and cause injury.
If hydraulic fluid is injected into the skin it must be surgically removed within a few hours by a doctor familiar with this type of injury. Gangrene may result if this is not done.
Keep your body and hands away from pinhole leaks or nozzles that eject high-pressure hydraulic fluid.
Use cardboard or paper to find hydraulic leaks.
Safely relieve all pressure in the hydraulic system before performing any work on the hydraulic system.
Make sure that all hydraulic hoses and lines are in good condition, and all hydraulic connections and fittings are tight before applying pressure to the hydraulic system.
| Maintenance Service Interval | Maintenance Procedure |
|---|---|
| After the first 250 hours |
|
| Every 250 hours |
|
| Every 500 hours |
|
To replace the hydraulic fluid, remove the filters. Replace both at the same time; refer to Servicing the Hydraulic System for the fluid specifications.
Disengage the blade-control switch (PTO), move the motion-control levers to the NEUTRAL-LOCK position, and engage the parking brake.
Shut off the engine, remove the key, and wait for all moving parts to stop before leaving the operating position.
Raise the machine and support it with jack stands (Figure 89).

Remove both the mower belt and the pump-drive belt; refer to Servicing the Hydraulic System and Replacing the Hydraulic Pump-Drive Belt.
Note: This prevents fluid from getting on the belts.
Place a drain pan under the filter, remove the old filter, and wipe the surface clean (Figure 90).

Apply a thin coat of hydraulic fluid to the rubber gasket on the replacement filter (Figure 90).
Install the replacement hydraulic filter.
Install the pump-drive belt and the mower belt.
Remove the jack stands and lower the machine (Figure 89).
Add fluid to the hydraulic reservoir and check for any leaks.
Clean up any spilled fluid.
Start the engine and let it run for about 2 minutes to purge air from the system.
Shut off the engine and check for leaks.
Check the fluid level while the fluid is cold.
If required, add oil to the hydraulic reservoir.
Note: Do not overfill.
Note: Ensure that the mower deck is level before matching the height of cut (HOC).
Position the mower on a flat surface.
Disengage the blade-control switch (PTO), move the motion-control levers to the NEUTRAL-LOCK position, and engage the parking brake.
Shut off the engine, remove the key, and wait for all moving parts to stop before leaving the operating position.
Check tire pressure of the drive tires.
If needed, adjust to 90 kPa (13 psi).
Position the mower to the 76 mm (3 inches) height-of-cut position.
Position the mower on a flat surface.
Stop engine, wait for all moving parts to stop, remove the key, and engage the parking brake.
Check the tire pressure in the drive tires.
Note: Proper inflation pressure for the tires is 90 kPa (13 psi).
Position the transport lock in the latching position.
Push the deck-lift pedal all the way forward and the deck latches at the 14 cm (5-1/2 inches) transport position (Figure 91).

Insert the height-adjustment pin into the 7.6 cm (3 inches) cutting-height location.
Release the transport lock and allow the deck to lower to the cutting height.
Raise the discharge chute.
On both sides of the deck, measure from the level surface to the front tip of the blade (Postion A) as shown in Figure 92.
Note: The measurement should read 7.6 mm (3 inches).

Fine-tune the adjustment nut on the front deck lift assembly by turning it (Figure 93).
Note: To increase the height, turn the adjustment nut clockwise; to decrease, turn counterclockwise.
Note: If the front deck links do not have enough adjustment to achieve accurate cut height, the single-point adjustment can be utilized to gain more adjustment.

To adjust the single-point system, loosen the 2 bolts at the bottom of the height-of-cut plate (Figure 94).

If the deck is too low, tighten the single-point-adjustment bolt by rotating it clockwise. If the deck is too high, loosen the adjustment bolt by rotating it counterclockwise (Figure 95).
Note: Loosen or tighten the adjustment bolt enough to move the height-of-cut plate mounting bolts at least 1/3 the length of the available travel in their slots. This regains some up and down adjustment on each of the 4 deck links.

Tighten the 2 bolts at the bottom of the height-of-cut plate (Figure 94).
Note: In most conditions, the back blade tip should be adjusted 6.4 mm (1/4 inch) higher than the front.
Torque the 2 bolts to 37 to 45 N∙m (27 to 33 ft-lb).
On both sides of the deck, measure from the level surface to the back tip of the blade (postion B) as shown in Figure 92.
Note: The measurement should read 8.3 cm (3-1/4 inches).
Fine tune the screw adjuster by turning it to get 8.3 mm (3-1/4 inches) height (Figure 93).
To increase the height, turn the adjustment nut clockwise; to decrease, turn counterclockwise.
Measure until all 4 sides are the correct height.
Tighten all of the nuts on the deck-lift-arm assemblies.
Lower the discharge chute.
To ensure a superior quality of cut, keep the blades sharp. For convenient sharpening and replacement, you may want to keep extra blades on hand.
A worn or damaged blade can break, and a piece of the blade could be thrown toward you or bystanders, resulting in serious personal injury or death. Trying to repair a damaged blade may result in discontinued safety certification of the product.
Inspect the blades periodically for wear or damage.
Use care when checking the blades. Wrap the blades or wear gloves, and use caution when servicing the blades. Only replace or sharpen the blades; never straighten or weld them.
On multi-bladed machines, take care as rotating 1 blade can cause other blades to rotate.
Park the machine on a level surface, disengage the blade-control switch (PTO), and engage the parking brake.
Shut off the engine, remove the key, and disconnect the spark-plug wires from the spark plugs.
| Maintenance Service Interval | Maintenance Procedure |
|---|---|
| Before each use or daily |
|
Inspect the cutting edges (Figure 96).
If the edges are not sharp or have nicks, remove and sharpen the blade; refer to Removing the Blades and Sharpening the Blades.
Inspect the blades, especially in the curved area.
If you notice any cracks, wear, or a slot forming in this area, immediately install a new blade (Figure 96).

Disengage the blade-control switch (PTO), move the motion-control levers to the NEUTRAL-LOCK position, and engage the parking brake.
Shut off the engine, remove the key, and wait for all moving parts to stop before leaving the operating position.
Rotate the blades until the ends face forward and backward.
Measure from a level surface to the cutting edge, position A, of the blades (Figure 97).

Rotate the opposite ends of the blades forward.
Measure from a level surface to the cutting edge of the blades at the same position as in step 4 above.
Note: The difference between the dimensions obtained in steps 4 and 6 must not exceed 3 mm (1/8 inch).
Note: If this dimension exceeds 3 mm (1/8 inch), the blade is bent and must be replaced.
A blade that is bent or damaged could break apart and could seriously injure or kill you or bystanders.
Always replace a bent or damaged blade with a new blade.
Do not file or create sharp notches in the edges or surfaces of the blade.
Blades must be replaced if a solid object is hit, if the blade is out of balance, or if the blade is bent. To ensure optimum performance and continued safety conformance of the machine, use genuine Toro replacement blades. Replacement blades made by other manufacturers may result in nonconformance with safety standards.
Hold the blade end using a rag or a thickly-padded glove.
Remove the blade bolt, the curved washer, and the blade from the spindle shaft (Figure 98).

Use a file to sharpen the cutting edge at both ends of the blade (Figure 99).
Note: Maintain the original angle.
Note: The blade retains its balance if the same amount of material is removed from both cutting edges.

Check the balance of the blade by putting it on a blade balancer (Figure 100).
Note: If the blade stays in a horizontal position, the blade is balanced and can be used.
Note: If the blade is not balanced, file some metal off the end of the sail area only (Figure 99).

Repeat this procedure until the blade is balanced.
Install the blade onto the spindle shaft (Figure 101).
Important: The curved part of the blade must be pointing upward toward the inside of the mower to ensure proper cutting.
Install the spring disk and blade bolt (Figure 101).
Note: The spring-disk cone must be installed toward the bolt head (Figure 101).
Torque the blade bolt to 115 to 150 N∙m (85 to 110 ft-lb).

Lock out the spring-loaded deck arms before servicing or removing the mower deck.
Deck-lift arm assemblies have stored energy. Removing the deck with out releasing the stored energy can cause serious injury or death.
Do not attempt to disassemble the deck from the front frame without locking out the stored energy.
Shut off the engine, wait for all of the moving parts to stop, remove the key, and engage the parking brake.
Remove the height-adjustment pin and lower the deck to the ground.
Place the height adjustment pin in the 7.6 cm (3 inch) cutting-height location.
Note: This locks the deck-lift arms in the lowest position when the deck is removed and the stored energy in the deck spring is released.
Remove the belt covers.
Lift up the floor pan and insert a ratchet into the square hole in the deck idler (Figure 102).
Rotate the deck idler clockwise and remove the mower belt (Figure 102).

Remove and retain the hardware on both sides of the deck as shown in Figure 103.

Raise the deck struts and secure them in the raised position.
Slide the deck out to the right side of the machine.
An uncovered discharge opening could allow the lawn mower to throw objects at you or bystanders, resulting in serious injury. Also, contact with the blade could occur.
Never operate the lawn mower unless you install a cover plate, mulch plate, grass deflector, or bagger.
Remove the locknut, bolt, spring, and spacer holding the deflector to the pivot brackets (Figure 104).

Remove damaged or worn grass deflector.
Place spacer and spring onto the grass deflector. Place a J-end of spring behind deck edge.
Note: Ensure that a J-end of spring is installed behind deck edge before installing the bolt as shown in Figure 104.
Install the bolt and nut.
Place a J-hook end of spring around grass deflector (Figure 104).
Important: The grass deflector must be able to rotate. Lift the deflector up to the full open position and ensure that it rotates into the full down position.
| Maintenance Service Interval | Maintenance Procedure |
|---|---|
| Before each use or daily |
|
Disengage the blade-control switch (PTO), move the motion-control levers to the NEUTRAL-LOCK position, and set the parking brake.
Shut off the engine, remove the key, and wait for all moving parts to stop before leaving the operating position.
Raise the mower to the transport position.
Note: Do not clean the shock assemblies with pressurized water (Figure 105).

Engine oil, batteries, hydraulic fluid, and engine coolant are pollutants to the environment. Dispose of these according to your state and local regulations.
Disengage the power takeoff (blade-control switch (PTO), engage the parking brake, and turn the ignition key to the OFF position. Remove the key.
Remove grass clippings, dirt, and grime from the external parts of the entire machine, especially the engine and hydraulic system. Clean dirt and chaff from the outside of the engine cylinder head fins and blower housing.
Important: You can wash the machine with mild detergent and water. Do not pressure-wash the machine. Avoid excessive use of water, especially near the control panel, engine, hydraulic pumps, and motors.
Check the brake; refer to Adjusting the Parking Brake.
Service the air cleaner; refer to Servicing the Air Cleaner.
Grease the machine; refer to Lubrication.
Change the crankcase oil; refer to Changing the Engine Oil.
Check the tire pressure; refer to Checking the Tire Pressure.
Change the hydraulic filters; refer to Replacing the Hydraulic Fluid and Filters.
Charge the battery; refer to Charging the Battery.
Scrape any heavy buildup of grass and dirt from the underside of the mower, then wash the mower with a garden hose.
Note: Run the machine with the blade-control switch (PTO) engaged and the engine at high idle for 2 to 5 minutes after washing.
Check the condition of the blades; refer to Servicing the Cutting Blades.
Prepare the machine for storage when non-use occurs over 30 days. Prepare the machine for storage as follows:
Add a petroleum based stabilizer/conditioner to fuel in the tank. Follow mixing instructions from the stabilizer manufacturer. Do not use an alcohol-based stabilizer (ethanol or methanol).
Note: A fuel stabilizer/conditioner is most effective when mixed with fresh fuel and used at all times.
Run the engine to distribute conditioned fuel through the fuel system (5 minutes).
Shut off the engine, allow it to cool, and drain the fuel tank; refer to Servicing the Fuel Tank.
Start the engine and run it until it stops.
Recycle the fuel according to local codes.
Important: Do not store conditioned fuel over 90 days.
Check and tighten all bolts, nuts, and screws. Repair or replace any part that is damaged.
Paint all scratched or bare metal surfaces. Paint is available from your Authorized Service Dealer.
Store the machine in a clean, dry garage or storage area.
Remove the key from the ignition switch and keep it out of reach of children or other unauthorized users.
Cover the machine to protect it and keep it clean.
| Problem | Possible Cause | Corrective Action |
|---|---|---|
| The malfunction-indicator light (MIL) comes on. |
|
|
| The starter does not crank. |
|
|
| The engine does not start, starts hard, or fails to keep running. |
|
|
| The engine loses power. |
|
|
| The engine overheats. |
|
|
| The mower pulls to the left or right (with levers fully forward) |
|
|
| The machine does not drive. |
|
|
| The machine vibrates abnormally. |
|
|
| The machine produces an uneven cutting height. |
|
|
| The blades do not rotate. |
|
|
| The clutch does not engage. |
|
|
