| Maintenance Service Interval | Maintenance Procedure |
|---|---|
| Before each use or daily |
|
This rotary-blade, riding lawn mower is intended to be used by residential homeowners or professional, hired operators. It is designed primarily for cutting grass on well-maintained lawns on residential or commercial properties. It is not designed for cutting brush or for agricultural uses.
Read this information carefully to learn how to operate and maintain your product properly and to avoid injury and product damage. You are responsible for operating the product properly and safely.
You may contact Toro directly at www.Toro.com for product safety and operation training materials, accessory information, help finding a dealer, or to register your product.
Whenever you need service, genuine Toro parts, or additional information, contact an Authorized Service Dealer or Toro Customer Service and have the model and serial numbers of your product ready. Figure 1 identifies the location of the model and serial numbers on the product. Write the numbers in the space provided.

This manual identifies potential hazards and has safety messages identified by the safety-alert symbol (Figure 2), which signals a hazard that may cause serious injury or death if you do not follow the recommended precautions.

This manual uses 2 words to highlight information. Important calls attention to special mechanical information and Note emphasizes general information worthy of special attention.
This product contains a chemical or chemicals known to the State of California to cause cancer, birth defects, or other reproductive harm.
The engine exhaust from this product contains chemicals known to the State of California to cause cancer, birth defects, or other reproductive harm.
This spark ignition system complies with Canadian ICES-002
It is a violation of California Public Resource Code Section 4442 or 4443 to use or operate the engine on any forest-covered, brush-covered, or grass-covered land unless the engine is equipped with a spark arrester, as defined in Section 4442, maintained in effective working order or the engine is constructed, equipped, and maintained for the prevention of fire.
The enclosed Engine Owner's Manual is supplied for information regarding the US Environmental Protection Agency (EPA) and the California Emission Control Regulation of emission systems, maintenance, and warranty. Replacements may be ordered through the engine manufacturer.
Improper use or maintenance by the operator or owner can result in injury. To reduce the potential for injury, comply with these safety instructions, and pay attention to the safety-alert symbol , which means Caution, Warning, or Danger—personal safety instruction. Failure to comply with the instructions may result in personal injury or death.
This machine was manufactured according to the appropriate regulatory standards in effect at the time of manufacture. Modifying this machine in any way may cause it to be out of compliance with those standards and with the instructions in this Operator’s Manual. Modifications to this machine should only be made by either the manufacturer or an Authorized Toro Dealer.
This product is capable of amputating hands and feet. Follow all safety instructions to avoid serious injury or death.
The owner/user can prevent and is responsible for accidents or injuries occurring to people, or damage to property.
The addition of attachments made by other manufacturers that do not meet American National Standards Institute certification will cause noncompliance of this machine.
The following instructions are adapted from ANSI standard B71.4-2012.
Read the Operator's Manual and other training material.
If the operator(s) or mechanic(s) cannot read the manual language, it is the owner's responsibility to explain this material to them.
Become familiar with the safe operation of the equipment, operator controls, and safety signs.
All operators and mechanics should be trained. The owner is responsible for training the users.
Never let children or untrained people operate or service the equipment. Local regulations may restrict the age of the operator.
The owner/user can prevent and is responsible for accidents or injuries occurring to people, or damage to property.
Evaluate the terrain to determine what accessories and attachments are needed to properly and safely perform the job. Only use accessories and attachments approved by the manufacturer.
Wear appropriate clothing including: substantial slip-resistant footwear, safety glasses, and hearing protection. Tie back long hair. Do not wear jewelry.
Inspect the area where the equipment is used, and remove all objects that can be thrown by the machine.
Check that operator-presence controls, safety switches, and shields are attached and functioning properly. Do not operate unless they are functioning properly.
Lightning can cause severe injury or death. If lightning is seen, or thunder is heard in the area, do not operate the machine; seek shelter.
Do not run an engine in an enclosed area.
Operate only in well-lit areas, keeping away from holes and hidden hazards.
Ensure that all drives are in the NEUTRAL position and that the parking brake is engaged before starting engine. Start the engine only from the operator’s position.
Make sure that you have good footing while using this machine, especially when backing up. Reduced footing could cause slipping.
Slow down and use extra care on hillsides. Be sure to travel side to side on hillsides. Turf conditions can affect the stability of the machine. Use caution while operating near drop-offs.
Slow down and use caution when making turns and when changing directions on slopes.
Do not raise the mower deck with the blades running.
Do not operate the machine without the PTO shield or other guards securely in place. Be sure that all interlocks are attached, adjusted properly, and functioning properly.
Do not operate with the discharge deflector raised, removed or altered, unless you are using a grass catcher.
Do not change the engine governor setting or overspeed the engine.
Stop on level ground, disengage drives, engage the parking brake (if provided), shut off the engine before leaving the operator's position for any reason, including emptying the catchers or unclogging the chute.
Stop equipment and inspect the blades after striking objects or if an abnormal vibration occurs. Make the necessary repairs before resuming operation.
Keep your hands and feet away from the cutting unit.
Look behind and down before backing up to ensure a clear path.
Keep pets and bystanders away from an operating machine.
Slow down and use caution when making turns and crossing roads and sidewalks. Stop the blades if you are not mowing.
Be aware of the mower-discharge direction and do not point it at anyone.
Do not operate the mower under the influence of alcohol or drugs.
Use care when loading or unloading the machine into or from a trailer or truck.
Use care when approaching blind corners, shrubs, trees, or other objects that may obscure vision.
To avoid personal injury or property damage, use extreme care in handling gasoline. Gasoline is extremely flammable and the vapors are explosive.
Extinguish all cigarettes, cigars, pipes, and other sources of ignition.
Use only an approved fuel container.
Do not remove the fuel cap or add fuel with the engine running.
Allow the engine to cool before fueling.
Do not fuel the machine indoors.
Do not store the machine or fuel container where there is an open flame, spark, or pilot light, such as on a water heater or on other appliances.
Do not fill containers inside a vehicle, on a truck, or on a trailer bed with a plastic liner. Always place containers on the ground away from your vehicle before filling.
Remove equipment from the truck or trailer and fuel it on the ground. If this is not possible, then add fuel with such equipment as a portable container rather than from a fuel-dispenser nozzle.
Keep the nozzle in contact with the rim of the fuel tank or container opening at all times until fueling is complete.
Do not use a nozzle lock-open device.
If you spill fuel on clothing, change your clothing immediately.
Do not overfill the fuel tank. Replace the fuel cap and tighten securely.
Disengage drives, set the parking brake, shut off the engine, and remove the key or disconnect spark-plug wire. Wait for all movement to stop before adjusting, cleaning, or repairing.
Park the machine on a level surface.
Clean grass and debris from the cutting unit, drives, mufflers, and engine to help prevent fires.
Clean up oil or fuel spills.
Let the engine cool before storing the machine.
Do not store fuel near flames or drain fuel indoors.
Do not allow untrained personnel to service the machine.
Use jack stands to support components when required.
Carefully release pressure from components with stored energy.
Disconnect the battery or remove the spark-plug wire before making any repairs. Disconnect the negative terminal first and the positive terminal last. Connect the positive terminal first and negative last.
Use care when checking the blades. Wrap the blade(s) or wear thickly padded gloves, and use caution when servicing them. Only replace blades; do not straighten or weld them.
Keep your hands and feet away from moving parts. If possible, do not make adjustments with the engine running.
Keep all parts in good working condition and all hardware tightened. Replace all worn or damaged decals.
Use care when loading or unloading the machine into a trailer or a truck.
Use full-width ramps for loading machine into a trailer or a truck.
Tie the machine down securely using straps, chains, cable, or ropes. Both front and rear straps should be directed down and outward from the machine.
The following list contains safety information specific to Toro products and other safety information that you must know.
This product is capable of amputating hands and feet, and of throwing objects. Always follow all safety instructions to avoid serious injury or death.
This product is designed for cutting and recycling grass, or, when equipped with a grass bagger, for catching cut grass. Any use for purposes other than these could prove dangerous to the user and bystanders.
The ROPS is an integral and effective safety device. Keep the ROPS in the raised and locked position and use the seat belt when operating the machine.
Lower the ROPS temporarily only when absolutely necessary. Do not wear the seat belt when the ROPS is folded down.
Be aware there is no rollover protection when the ROPS is in the down position.
Be certain that you can release the seat belt quickly in the event of an emergency.
Check the area to be mowed and never fold down the ROPS in areas where there are slopes, drop offs or water.
Check carefully for overhead clearances (i.e., branches, doorways, electrical wires) before driving under any objects and do not contact them.
Keep the ROPS in safe operating condition by periodically thoroughly inspecting for damage and keeping all mounting fasteners tight.
Replace a damaged ROPS. Do not repair or revise.
Do not remove the ROPS.
Any alterations to a ROPS must be approved by the manufacturer.
Do not mow slopes greater than 15 degrees.
Do not store the machine or a fuel container inside where there is an open flame, such as near a water heater or furnace.
Keep the nuts and bolts tight, especially the blade-attachment bolts.
Never interfere with the intended function of a safety device or reduce the protection provided by a safety device. Check their proper operation regularly.
To best protect your investment and maintain optimal performance of your Toro equipment, count on Toro genuine parts. When it comes to reliability, Toro delivers replacement parts designed to the exact engineering specifications of our equipment. For peace of mind, insist on Toro genuine parts.
Check brake operation frequently. Adjust and service as required.

![]() |
Safety decals and instructions are easily visible to the operator and are located near any area of potential danger. Replace any decal that is damaged or lost. |


























Become familiar with all the controls before you start the engine and operate the machine (Figure 4 and Figure 5).

The hour meter records the number of hours the engine has operated. It operates when the engine is running. Use these times for scheduling regular maintenance (Figure 6).
The fuel gauge is located with the hour meter and the bars light up when the ignition switch is in the ON position (Figure 6).
The indicator light appears when the fuel level is low (approximately 1 gallon remaining in the fuel tank).
There are symbols on the hour meter and the indicate with a black triangle that the interlock component is in the correct position (Figure 6).
If the ignition key is turned to the ON position for a few seconds, the battery voltage will be displayed in the area where the hours are normally displayed.
The battery-indicator light turns on when the ignition switch is turned to the ON position and when the charge is below the correct operating level (Figure 6).

The throttle control is variable between Fast and Slow.
The blade-control switch (PTO) is used to engage the electric clutch and drive the mower blades. Pull the switch up to engage the blades and release. To disengage the blades, push the blade-control switch (PTO) down or move a motion-control lever into the NEUTRAL-LOCK position.
This switch is used to start the mower engine and has 3 positions: START, RUN, and OFF.
The motion-control levers are used to drive the machine forward, reverse, and turn either direction.
The NEUTRAL-LOCK position is used with the safety-interlock system to engage and to determine NEUTRAL position.
Close the fuel-shutoff valve (under the seat) when transporting or storing the mower.
The electronic control unit (ECU) continuously monitors the operation of the EFI system.
If a problem or fault within the system is detected, the malfunction indicator light (MIL) is illuminated.
The MIL is the red light located in the right console panel.
Once the MIL illuminates, perform initial trouble shooting checks. Refer to the MIL section under .
If these checks do not correct the problem, further diagnosis and servicing by an Authorized Service Dealer is necessary.
A selection of Toro approved attachments and accessories is available for use with the machine to enhance and expand its capabilities. Contact your Authorized Service Dealer or Distributor or go to www.Toro.com for a list of all approved attachments and accessories.
Note: Specifications and design are subject to change without notice.
Width:
| 60 inch Mower Deck | 72 inch Mower Deck | |
|---|---|---|
| Without Mower Deck | 134.6 cm (53.0 inches) | 150.1 cm (59.1 inches) |
| With Mower Deck | 168.4 cm (66.3 inches) | 199.0 cm (78.3 inches) |
Length:
| 60 inch Mower Deck | 72 inch Mower Deck | |
|---|---|---|
| Roll Bar - Up | 221.6 cm (87.25 inches) | 221.6 cm (87.25 inches) |
| Roll Bar - Down | 226.0 cm (88.95 inches) | 226.0 cm (88.95 inches) |
Height:
| Roll Bar - Up | Roll Bar - Down |
|---|---|
| 179.1 cm (70.5 inches) | 118.9 cm (46.8 inches) |
Weight:
| Model | Weight |
|---|---|
| 60 inch Mower Decks | 577 kg (1,271 lb) |
| 72 inch Mower Decks | 606 kg (1,335 lb) |
Note: Determine the left and right sides of the machine from the normal operating position.
For best results, use only clean, fresh (less than 30 days old), unleaded gasoline with an octane rating of 87 or higher ((R+M)/2 rating method).
Ethanol: Gasoline with up to 10% ethanol (gasohol) or 15% MTBE (methyl tertiary butyl ether) by volume is acceptable. Ethanol and MTBE are not the same. Gasoline with 15% ethanol (E15) by volume is not approved for use. Never use gasoline that contains more than 10% ethanol by volume, such as E15 (contains 15% ethanol), E20 (contains 20% ethanol), or E85 (contains up to 85% ethanol). Using unapproved gasoline may cause performance problems and/or engine damage which may not be covered under warranty.
Do not use gasoline containing methanol.
Do not store fuel either in the fuel tank or fuel containers over the winter unless a fuel stabilizer is used.
Do not add oil to gasoline.
In certain conditions, gasoline is extremely flammable and highly explosive. A fire or explosion from gasoline can burn you and others and can damage property.
Fill the fuel tank outdoors, in an open area, when the engine is cold. Wipe up any gasoline that spills.
Never fill the fuel tank inside an enclosed trailer.
Do not fill the fuel tank completely full. Add gasoline to the fuel tank until the level is 6 to 13 mm (1/4 to 1/2 inch) below the bottom of the filler neck. This empty space in the tank allows gasoline to expand.
Never smoke when handling gasoline, and stay away from an open flame or where gasoline fumes may be ignited by a spark.
Store gasoline in an approved container and keep it out of the reach of children. Never buy more than a 30-day supply of gasoline.
Do not operate without entire exhaust system in place and in proper working condition.
In certain conditions during fueling, static electricity can be released, causing a spark that can ignite the gasoline vapors. A fire or explosion from gasoline can burn you and others and can damage property.
Always place gasoline containers on the ground away from your vehicle before filling.
Do not fill gasoline containers inside a vehicle or on a truck or trailer bed, because interior carpets or plastic truck bed liners may insulate the container and slow the loss of any static charge.
When practical, remove gas-powered equipment from the truck or trailer and refuel the equipment with its wheels on the ground.
If this is not possible, then refuel such equipment on a truck or trailer from a portable container rather than from a fuel-dispenser nozzle.
If you must use a fuel-dispenser nozzle, keep the nozzle in contact with the rim of the fuel tank or container opening at all times until fueling is complete.
Gasoline is harmful or fatal if swallowed. Long-term exposure to vapors can cause serious injury and illness.
Avoid prolonged breathing of vapors.
Keep face away from nozzle and gas tank or conditioner bottle opening.
Avoid contact with skin; wash off spills with soap and water.
Use a fuel stabilizer/conditioner in the machine to provide the following benefits:
Keeps gasoline fresh during storage of 90 days or less. For longer storage it is recommended that the fuel tank be drained.
Cleans the engine while it runs
Eliminates gum-like varnish buildup in the fuel system, which causes hard starting
Important: Do not use fuel additives containing methanol or ethanol.
Add the correct amount of gasoline stabilizer/conditioner to the gasoline.
Note: A fuel stabilizer/conditioner is most effective when mixed with fresh gasoline.
Note: Do not fill the fuel tank completely full. Fill the fuel tank to the bottom of the filler neck. The empty space in the tank allows the gasoline to expand.
Park the machine on level ground.
Shut the engine off and set the parking brake.
Clean around the fuel tank cap.
Fill the fuel tank to the bottom of the filler neck. Ensure there is empty space in the tank to allow the gasoline to expand (Figure 7).


Before you start the engine and use the machine, check the oil level in the engine crankcase; refer to Checking the Engine-Oil Level.
New engines take time to develop full power. Mower decks and drive systems have higher friction when new, placing additional load on the engine. Allow 40 to 50 hours of break-in time for new machines to develop full power and best performance.
To avoid injury or death from rollover: keep the roll bar in the fully raised locked position and use the seat belt.
Ensure that the rear part of the seat is secured with the seat latch.
There is no rollover protection when the roll bar is in the down position.
Lower the roll bar only when absolutely necessary.
Do not wear the seat belt when the roll bar is in the down position.
Drive slowly and carefully.
Raise the roll bar as soon as clearance permits.
Check carefully for overhead clearances (i.e., branches, doorways, electrical wires) before driving under any objects, and do not contact them.
Important: Lower the roll bar only when absolutely necessary.
Important: Ensure that the rear part of the seat is secured with the seat latch.
To lower the roll bar, apply forward pressure to the upper part of the roll bar.
Pull both knobs out and rotate them 90° so they are not engaged (Figure 8).
Lower the roll bar to the down position (Figure 8).

To raise the roll bar, raise the roll bar to the operate position and rotate the knobs so they move partially into the grooves (Figure 8).
Raise the roll bar to the full upright position while pushing on the upper roll bar and the pins will snap into position when the holes align with the pins (Figure 8). Push on the roll bar and ensure that both pins are engaged.
Important: Always use the seat belt with the roll bar in the fully raised position.
Please read all safety instructions and symbols in the safety section. Knowing this information could help you or bystanders avoid injury.
Operating the machine on wet grass or steep slopes can cause sliding and loss of control.
Do not operate on slopes greater than 15 degrees.
Reduce speed and use extreme caution on slopes.
Do not operate the machine near water.
Wheels dropping over edges can cause rollovers, which may result in serious injury, death, or drowning.
Do not operate the machine near drop-offs.
Operating the machine while the roll bar is down may lead to serious injury or death in the event of a rollover.
Always keep the roll bar in the fully raised and locked position and use the seat belt.

This machine produces sound levels in excess of 85 dBA at the operator’s ear and can cause hearing loss through extended periods of exposure.
Wear hearing protection when operating this machine.
The use of protective equipment for eyes, ears, feet, hands, and head is recommended.

Always set the parking brake when you stop the machine or leave it unattended.
The parking brake may not hold a machine parked on a slope and could cause personal injury or property damage.
Do not park the machine on slopes unless the wheels are chocked or blocked.


The blade-control switch (PTO) starts and stops the mower blades and any powered attachments.
Note: Engaging the blade-control switch (PTO) with the throttle position at half or less will cause excessive wear to the drive belts.


You can move the throttle control between the FAST and SLOW positions (Figure 15).
Always use the FAST position when turning on the mower deck with the blade-control switch (PTO).

Turn the ignition key to the START position (Figure 16).
Note: When the engines starts, release the key.
Important: Do not engage starter for more than 5 seconds at a time. If the engine fails to start allow a 15 second cool-down period between attempts. Failure to follow these instructions can burn out the starter motor.
Note: You may need multiple attempts to start the engine when you start it the first time after the fuel system has been without fuel completely.

Turn the ignition key to the STOP position to shut off the engine.
The fuel-shutoff valve is located under the seat. Move the seat forward to access it.
Close the fuel-shutoff valve for transport, maintenance, and storage.
Ensure the fuel-shutoff valve is open when starting the engine.

Important: Do not engage starter for more than 5 seconds at a time. If the engine fails to start allow a 15 second cool-down period between attempts. Failure to follow these instructions can burn out the starter motor.
Note: Additional starting cycles may be required when starting the engine for the first time after the fuel system has been without fuel completely.

Children or bystanders may be injured if they move or attempt to operate the machine while it is unattended.
Always remove the ignition key and set the parking brake when leaving the machine unattended, even if just for a few minutes.
Let the engine idle at slow throttle (turtle) for 60 seconds before turning the ignition switch to the OFF position.

Important: Make sure that the fuel-shutoff valve is closed before transporting or storing the machine, as fuel leakage may occur. Set the parking brake before transporting. Make sure to remove the key as the fuel pump may run and cause the battery to lose charge.
If the safety-interlock switches are disconnected or damaged, the machine could operate unexpectedly, causing personal injury.
Do not tamper with the interlock switches.
Check the operation of the interlock switches daily and replace any damaged switches before operating the machine.
The safety-interlock system is designed to prevent the engine from starting unless:
The parking brake is engaged.
The blade-control switch (PTO) is disengaged.
The motion-control levers are in the NEUTRAL-LOCK position.
The safety-interlock system also is designed to shut off the engine when you move the traction controls from the LOCKED position with the parking brake engaged or if you rise from the seat when the blade-control switch (PTO) is engaged.
The hour meter has symbols to notify you when the interlock component is in the correct position. When the component is in the correct position, a triangle lights up in the corresponding square.

| Maintenance Service Interval | Maintenance Procedure |
|---|---|
| Before each use or daily |
|
Test the safety-interlock system before you use the machine each time. If the safety system does not operate as described below, have an Authorized Service Dealer repair the safety system immediately.
Sit on the seat, engage the parking brake and move the blade-control switch (PTO) to the ON position. Try starting the engine; the engine should not crank.
Sit on the seat, engage the parking brake and move the blade-control switch (PTO) to the OFF position. Move either motion-control lever (out of the NEUTRAL-LOCK position). Try starting the engine; the engine should not crank. Repeat for other control lever.
Sit on the seat, engage the parking brake, move the blade-control switch (PTO) to the OFF position, and move the motion-control levers to the NEUTRAL-LOCK position. Start the engine. While the engine is running, release the parking brake, engage the blade-control switch (PTO), and rise slightly from the seat; the engine should stop.
Sit on the seat, engage the parking brake, move the blade-control switch (PTO) to the OFF position, and move the motion-control levers to NEUTRAL-LOCK position. Start the engine. While the engine is running, center either motion-control lever and move it forward or reverse; the engine should stop. Repeat for other motion-control lever.
Sit on the seat, disengage the parking brake, move the blade-control switch (PTO) to the OFF position, and move the motion-control levers to NEUTRAL-LOCK position. Try starting the engine; the engine should not crank.
The throttle control regulates the engine speed as measured in rpm (revolutions per minute). Place the throttle control in the FAST position for best performance. Always operate in the full throttle position when mowing.
Machine can spin very rapidly. Operator may lose control of machine and cause personal injury or damage the machine.
Use caution when making turns.
Slow the machine down before making sharp turns.

Note: The engine stops when you move the traction-control with the parking brake engaged.
To stop the machine, pull the motion-control levers to the NEUTRAL position.
Release the parking brake; refer to Releasing the Parking Brake.
Move the levers to the center, unlocked position.
To go forward, slowly push the motion-control levers forward (Figure 22).

Move the levers to the center, unlocked position.
To go backward, look behind and slowly pull the motion-control levers rearward (Figure 23).

To stop the machine, move the traction control levers to NEUTRAL and then to the NEUTRAL-LOCK position, disengage the blade-control switch (PTO), and turn the ignition key to the OFF position.
Set the parking brake when you leave the machine; refer to Setting the Parking Brake. Remove the key from the ignition switch.
Children or bystanders may be injured if they move or attempt to operate the machine while it is unattended.
Always remove the ignition key and set the parking brake when leaving the machine unattended, even if just for a few minutes.
The transport lock has 2 positions and is used with the deck-lift pedal. There is a LOCK position and an UNLOCK position for the transport position of the mower deck (Figure 24).

The height of cut is adjusted from 25 to 140 mm (1 to 5-1/2 inches) in 6 mm (1/4 inch) increments by relocating the clevis pin into different hole locations.
Move the transport lock to the lock position.
Push on the deck-lift pedal with your foot and raise the mower deck to the transport position (also the 140 mm (5-1/2 inch) cutting-height position) (Figure 25).
To adjust, rotate the pin 90 degrees and remove the pin from the height-of-cut bracket (Figure 25).
Select a hole in the height-of-cut bracket corresponding to the height of cut desired and insert the pin (Figure 25).
Push on the deck-lift pedal, pull back on the transport lock, and slowly lower the mower deck.

Whenever you change the height of cut, it is recommended to adjust the height of the anti-scalp rollers.
Disengage the blade-control switch (PTO), move the motion-control levers to the NEUTRAL-LOCK position and set the parking brake.
Shut off the engine, remove the key, and wait for all moving parts to stop before leaving the operating position.
Adjust the anti-scalp rollers as shown in Figure 26 and Figure 27.


Mount the skids in the lower position when operating in height of cuts higher than 64 mm (2-1/2 inches) and in the higher position when operating in height of cuts lower than 64 mm (2-1/2 inches).
Note: When the skids become worn, switch the skid to the opposite sides of the mower, flipping them over. This allows you to use the skids longer before replacing them.
Disengage the blade-control switch (PTO) and set the parking brake.
Move the throttle lever to the SLOW position, shut off the engine, remove the key, and wait for all moving parts to stop before leaving the operating position.
Remove the carriage bolts and nuts from each skid (Figure 28).

Move each skid to the desired position and secure them with the carriage bolts and nuts.
Note: Only use the top or center sets of holes to adjust the skids. The bottom holes are used when switching sides on the mower deck, at which time they become the top holes on the other side of the mower.
To prevent damaging the skid, torque the carriage bolts and nuts for each skid to 12.4 to 14.7 N∙m (110 to 130 in-lb).
The seat can move forward and backward. Position the seat where you have the best control of the machine and are most comfortable.
To adjust the seat, move the lever sideways to unlock the seat (Figure 29).

Note: Certain models have a fixed seat and cannot be rotated up.

The seat is adjustable to provide a smooth and comfortable ride. Position the seat where you are most comfortable.
To adjust it, turn the knob in front either direction to provide the best comfort (Figure 31).

Your hands may become entangled in the rotating drive components below the engine deck, which could result in serious injury.
Shut off the engine, remove the key, and allow all moving parts to stop before accessing the drive-wheel release valves.
The engine and hydraulic drive units can become very hot. Touching a hot engine or hydraulic drive units can cause severe burns.
Allow the engine and hydraulic drive units to cool completely before accessing the drive-wheel release valves.
The drive-wheel release valves are located in the back of each hydraulic drive unit, under the seat.
Note: Make sure the release valves are in the fully horizontal position when operating the machine or severe damage to the hydraulic system can occur.
Disengage the blade-control switch (PTO) and turn the ignition key to the OFF position, move the levers to the NEUTRAL-LOCK position, apply the parking brake, and remove the key.
Rotate the release valve levers vertically to push the machine. This allows hydraulic fluid to bypass the pump enabling the wheels to turn (Figure 32).
Disengage the parking brake before pushing the machine.

Rotate the release valve levers horizontally to run the machine (Figure 32).
Use a heavy-duty trailer or truck to transport the machine. Ensure that the trailer or truck has all necessary brakes, lighting, and marking as required by law. Please carefully read all the safety instructions. Knowing this information could help you, your family, pets, or bystanders avoid injury.
Driving on the street or roadway without turn signals, lights, reflective markings, or a slow-moving-vehicle emblem is dangerous and can lead to accidents, causing personal injury.
Do not drive the machine on a public street or roadway.
If you are using a trailer, connect it to the towing vehicle and connect the safety chains.
If applicable, connect the trailer brakes.
Load the machine onto the trailer or truck.
Shut off the engine, remove the key, set the brake, and close the fuel valve.
Use the tie-down loops on the machine to securely fasten it to the trailer or truck with straps, chains, cable, or ropes (Figure 33).

Use extreme caution when loading or unloading the machine onto a trailer or a truck. Use a full-width ramp that is wider than the machine for this procedure. Back the machine up the ramp and drive it forward down the ramp (Figure 34).

Important: Do not use narrow individual ramps for each side of the machine.
Ensure the ramp is long enough so that the angle with the ground does not exceed 15 degrees (Figure 35). On flat ground, this requires a ramp to be at least 4 times as long as the height of the trailer or truck bed to the ground. A steeper angle may cause mower components to get caught as the machine moves from the ramp to the trailer or truck. Steeper angles may also cause the machine to tip or lose control. If you are loading the machine on or near a slope, position the trailer or truck so that it is on the down side of the slope and the ramp extends up the slope. This will minimize the ramp angle.
Loading a machine onto a trailer or truck increases the possibility of a tip-over and could cause serious injury or death.
Use extreme caution when operating a machine on a ramp.
Ensure that the ROPS is in the up position and use the seat belt when loading or unloading the machine. Ensure that the ROPS will clear the top of an enclosed trailer.
Use only a full-width ramp; do not use individual ramps for each side of the machine.
Do not exceed a 15-degree angle between the ramp and the ground or between the ramp and the trailer or truck.
Ensure the length of ramp is at least 4 times as long as the height of the trailer or truck bed to the ground. This will ensure that ramp angle does not exceed 15 degrees on flat ground.
Back the machine up the ramps and drive it forward down the ramps.
Avoid sudden acceleration or deceleration while driving the machine on a ramp as this could cause a loss of control or a tip-over.

For best mowing and maximum air circulation, operate the engine at the FAST throttle position. Air is required to thoroughly cut grass clippings, so do not set the height of cut so low as to totally surround the mower in uncut grass. Always try to have 1 side of the mower free from uncut grass, which allows air to be drawn into the mower.
Cut the grass slightly longer than normal to ensure that the cutting height of the mower does not scalp any uneven ground. However, the cutting height you have used in the past is generally the best to use. When cutting grass longer than 15 cm (6 inches) tall, you may want to cut the lawn twice to ensure an acceptable quality of cut.
It is best to cut only about a third of the grass blade. Cutting more than that is not recommended unless grass is sparse, or it is late fall when grass grows more slowly.
Alternate the mowing direction to keep the grass standing straight. This also helps disperse clippings, which enhances decomposition and fertilization.
Grass grows at different rates at different times. To maintain the same cutting height, mow more often in early spring. As the grass growth rate slows in mid-summer, mow less frequently. If you cannot mow for an extended period, first mow at a high cutting height; then mow again 2 days later at a lower height setting.
To improve cut quality, use a slower ground speed in certain conditions.
If the cutting width of the mower is wider than the mower that you previously used, raise the cutting height to ensure that uneven turf is not cut too short.
If the grass is ever allowed to grow slightly longer than normal, or if it contains a high degree of moisture, raise the cutting height higher than usual and cut the grass at this setting. Then cut the grass again using the lower, normal setting.
If you must stop the forward motion of the machine while mowing, a clump of grass clippings may drop onto your lawn. To avoid this, move onto a previously cut area with the blades engaged.
Clean clippings and dirt from the underside of the mower after each use. If grass and dirt buildup inside the mower, the cutting quality eventually becomes unsatisfactory.
Maintain a sharp blade throughout the cutting season, because a sharp blade cuts cleanly without tearing or shredding the grass blades. Tearing and shredding turns grass brown at the edges, which slows growth and increases the chance of disease. Check the cutter blades daily for sharpness and for any wear or damage. File down any nicks and sharpen the blades as necessary. If a blade is damaged or worn, replace it immediately with a genuine Toro replacement blade.
| Maintenance Service Interval | Maintenance Procedure |
|---|---|
| After the first 100 hours |
|
| After the first 250 hours |
|
| Before each use or daily |
|
| Every 50 hours |
|
| Every 100 hours |
|
| Every 150 hours |
|
| Every 200 hours |
|
| Every 250 hours |
|
| Every 300 hours |
|
| Every 500 hours |
|
| Every 600 hours |
|
| Monthly |
|
| Yearly |
|
| Yearly or before storage |
|
Important: Refer to your engine operator's manual for additional maintenance procedures.
If you leave the key in the ignition switch, someone could accidently start the engine and seriously injure you or other bystanders.
Remove the key from the ignition before you perform any maintenance.
Grease more frequently when operating conditions are extremely dusty or sandy.
Grease Type: No. 2 lithium or molybdenum grease
Disengage the blade-control switch (PTO), move the motion control levers to the NEUTRAL-LOCK position, and set the parking brake.
Shut off the engine, remove the key, and wait for all moving parts to stop before leaving the operating position.
Clean the grease fittings with a rag. Make sure to scrape any paint off the front of the fitting(s).
Connect a grease gun to the fitting. Pump grease into the fittings until grease begins to ooze out of the bearings.
Wipe up any excess grease.
| Maintenance Service Interval | Maintenance Procedure |
|---|---|
| Every 100 hours |
|
Lubricate the deck lift pivots.

| Maintenance Service Interval | Maintenance Procedure |
|---|---|
| Every 50 hours |
|
| Yearly |
|
Important: Make sure cutting unit spindles are full of grease weekly.
Disengage the blade-control switch (PTO), move the motion-control levers to the NEUTRAL-LOCK position, and set the parking brake.
Shut off the engine, remove the key, and wait for all moving parts to stop before leaving the operating position.
Grease the mower deck idler pulley pivot until grease come out the bottom (Figure 37).
Grease the 3 spindle bearings until grease comes out the lower seals (Figure 37).

Grease the deck-belt idler arms (Figure 38).

Grease the drive-belt idler arm (Figure 37).

Remove the dust cap and adjust the caster pivots. Keep the dust cap off until greasing is done. Refer to Adjusting the Caster-Pivot Bearing.
Remove the hex plug. Thread a grease fitting into the hole.
Pump grease into the grease fitting until it oozes out around the top bearing.
Remove the grease fitting in the hole. Install the hex plug and dust cap (Figure 40).

| Maintenance Service Interval | Maintenance Procedure |
|---|---|
| Yearly |
|
Shut off the engine, wait for all moving parts to stop, remove the key and engage the parking brake.

Remove the caster wheel from the caster forks.
Remove the seal guards from the wheel hub.
Remove a spacer nut from the axle assembly in the caster wheel. Note that thread-locking adhesive has been applied to lock the spacer nuts to the axle. Remove the axle (with the other spacer nut still assembled to it) from the wheel assembly.
Pry out seals, and inspect bearings for wear or damage and replace if necessary.
Pack the bearings with a general-purpose grease.
Insert a bearing and a new seal into the wheel.
Note: Replace the seals.
If the axle assembly has had both spacer nuts removed (or broken loose), apply a thread-locking adhesive to 1 spacer nut and thread onto the axle with the wrench flats facing outward. Do not thread spacer nut all of the way onto the end of the axle. Leave approximately 3 mm (1/8 inch) from the outer surface of the spacer nut to the end of the axle inside the nut.
Insert the assembled nut and axle into the wheel on the side of the wheel with the new seal and bearing.
With the open end of the wheel facing up, fill the area inside the wheel around the axle full of general-purpose grease.
Insert the second bearing and new seal into the wheel.
Apply a thread-locking adhesive to the 2nd spacer nut and thread onto the axle with the wrench flats facing outward.
Torque the nut to 8 to 9 N∙m (75 to 80 in-lb), loosen, then re-torque to 2 to 3 N∙m (20 to 25 in-lb). Make sure axle does not extend beyond either nut.
Install the seal guards over the wheel hub and insert wheel into caster fork. Install caster bolt and tighten nut fully.
Important: To prevent seal and bearing damage, check the bearing adjustment often. Spin the caster tire. The tire should not spin freely (more than 1 or 2 revolutions) or have any side play. If the wheel spins freely, adjust torque on spacer nut until there is a slight amount of drag. Apply thread-locking adhesive.
Contact with hot surfaces may cause personal injury.
Keep your hands, feet, face, clothing and other body parts away the muffler and other hot surfaces.
| Maintenance Service Interval | Maintenance Procedure |
|---|---|
| Every 150 hours |
|
| Every 300 hours |
|
| Every 600 hours |
|
Note: Check the filters more frequently if the operating conditions are extremely dusty or sandy.
Disengage the blade-control switch (PTO), move the motion-control levers to the NEUTRAL-LOCK position, and set the parking brake.
Shut off the engine, remove the key, and wait for all moving parts to stop before leaving the operating position.
Release the latches on the air cleaner and pull the air inlet cover off the air-cleaner body (Figure 42).
Clean the air-inlet screen and cover.
Install the air-inlet cover and secure it with the latches (Figure 42).

Release the latches on the air cleaner and pull the air-cleaner cover off the air cleaner body (Figure 43).
Clean the inside of the air-cleaner cover with compressed air.
Gently slide the primary filter out of the air-cleaner body (Figure 43).
Note: Avoid knocking the filter into the side of the body.
Remove the inner filter only if you intend to replace it.
Important: Never attempt to clean the inner filter. If the safety filter is dirty, then the primary filter is damaged. Replace both filters.

Inspect the primary filter for damage by looking into the filter while shining a bright light on the outside of the filter. Holes in the filter will appear as bright spots. If the filter is damaged, discard it.
If the primary filter is dirty, bent, or damaged, replace it.
Do not clean the primary filter.
Replace the safety filter, never clean it.
Important: Never attempt to clean the safety filter. If the safety filter is dirty, then the primary filter is damaged. Replace both filters.
Important: To prevent engine damage, always operate the engine with both air filters and cover installed.
If installing new filters, check each filter for shipping damage. Do not use a damaged filter.
If the inner filter is being replaced, carefully slide it into the filter body (Figure 43).
Carefully slide the primary filter over the inner filter (Figure 43).
Note: Ensure that the primary filter is fully seated by pushing on its outer rim while installing it.
Important: Do not press on the soft inside area of the filter.
Install the air cleaner cover and secure the latches (Figure 43).
Oil Type: Detergent oil (API service class SJ or higher)
Oil Capacity: with a filter change, 1.7 L (58 oz); with no filter change, 1.4 L (48 oz)
Viscosity: See the table below.

Note: Use of synthetic oil having 5W-20 or 5W-30 rating is acceptable, up to 4°C (40°F).
Note: Synthetic oils will provide better starting in extreme cold below -23°C (-10°F).
| Maintenance Service Interval | Maintenance Procedure |
|---|---|
| Before each use or daily |
|
Note: Check the oil when the engine is cold.
Contact with hot surfaces may cause personal injury.
Keep your hands, feet, face, clothing and other body parts away from the muffler and other hot surfaces.
Important: Do not overfill the crankcase with oil because damage to the engine may result. Do not run engine with oil below the low mark because the engine may be damaged.
Disengage the blade-control switch (PTO), move the motion-control levers to the NEUTRAL-LOCK position, and set the parking brake.
Shut off the engine, remove the key, and wait for all moving parts to stop before leaving the operating position (Figure 45).


| Maintenance Service Interval | Maintenance Procedure |
|---|---|
| Every 100 hours |
|
Note: Dispose of the used oil at a recycling center.
Park the machine so that the rear is slightly lower than the front to ensure the oil drains completely.
Disengage the blade-control switch (PTO), move the motion-control levers to the NEUTRAL-LOCK position, and set the parking brake.
Shut off the engine, remove the key, and wait for all moving parts to stop before leaving the operating position (Figure 46).


Slowly pour approximately 80% of the specified oil into the filler tube and slowly add the additional oil to bring it to the FULL mark (Figure 47).

Start the engine and drive to a flat area.
Check the oil level again.
| Maintenance Service Interval | Maintenance Procedure |
|---|---|
| Every 200 hours |
|
Note: Change the engine-oil filter more frequently when operating conditions are extremely dusty or sandy.
Drain the oil from the engine; refer to Changing the Engine Oil.
Change the engine-oil filter (Figure 48).


Note: Ensure the oil filter gasket touches the engine and then turn the oil filter an extra 3/4 turn.
Fill the crankcase with the proper type of new oil; refer to Changing the Engine Oil.
| Maintenance Service Interval | Maintenance Procedure |
|---|---|
| Every 200 hours |
|
Remove the bolts holding the oil cooler to the engine housing .
Clean the inside of the oil cooler with a brush.
Install the oil cooler to the engine housing.


| Maintenance Service Interval | Maintenance Procedure |
|---|---|
| Every 200 hours |
|
Make sure the air gap between the center and side electrodes is correct before installing the spark plug. Use a spark plug wrench for removing and installing the spark plug(s) and a gapping tool/feeler gauge to check and adjust the air gap. Install a new spark plug(s) if necessary.
Type : Champion® XC12YC, Champion® Platinum3071 or equivalent
Air Gap: 0.76 mm (0.030 inch)
Shut off the engine, remove the key, and wait for all moving parts to stop before leaving the operating position.
Disengage the blade-control switch (PTO), move the motion-control levers to the NEUTRAL-LOCK position, and set the parking brake.
Remove the left hydraulic unit shroud in the order listed with Figure 50.
Note: This gives you access to the front spark plug.


Remove the spark plug (Figure 51).


Install the left hydraulic unit shroud (Figure 50).
Important: Replace the spark plug(s) when it has: a black coating, worn electrodes, an oily film, cracks or reuse is questionable.
If you see light brown or gray on the insulator, the engine is operating properly. A black coating on the insulator usually means the air cleaner is dirty.
Set the gap to 0.76 mm (0.030 inch).

Tighten the spark plug(s) to 24.4 to 29.8 N∙m (18 to 22 ft-lb).

| Maintenance Service Interval | Maintenance Procedure |
|---|---|
| Every 50 hours |
|
Hot exhaust system components may ignite gasoline vapors even after you shut off the engine. Hot particles exhausted during engine operation may ignite flammable materials. Fire may result in personal injury or property damage.
Do not refuel or run the engine unless the spark arrester is installed.
Stop engine, wait for all moving parts to stop, and remove key. Engage parking brake.
Wait for muffler to cool.
If there are any breaks in the screen or welds, replace the arrester.
If the screen is plugged, remove the arrester and shake the loose particles out of the arrester and clean the screen with a wire brush (soak it in solvent if necessary). Install the arrester on the exhaust outlet.
Fuel system components are under high pressure. The use of improper components can result in system failure, gasoline leakage and possible explosion.
Use only approved fuel lines and fuel filters.
This machine contains an electronic fuel-injection system. It controls the fuel flow under different operating conditions.
The electronic control unit (ECU) continuously monitors the operation of the EFI system.
If a problem or fault within the system is detected, the malfunction indicator light (MIL) is illuminated. The MIL is the red light located in the right console panel.
Once the MIL illuminates, perform initial trouble shooting checks. Refer to the MIL section under .
If these checks do not correct the problem, further diagnosis and servicing by an Authorized Service Dealer is necessary.
| Maintenance Service Interval | Maintenance Procedure |
|---|---|
| Every 200 hours |
|
The fuel filter is located near the engine on the front or rear side of the engine.
Disengage the blade-control switch (PTO), move the motion-control levers to the NEUTRAL-LOCK position, and set the parking brake.
Shut off the engine, remove the key, and wait for all moving parts to stop before leaving the operating position.
Allow the machine to cool down.
Close the fuel-shutoff valve under the seat (Figure 54).

Squeeze the ends of the hose clamps together and slide them away from the filter (Figure 54).
Remove the filter from the fuel lines.
Install a new filter and move the hose clamps close to the filter (Figure 54).
Open the fuel-shutoff valve.
Note: Install the fuel-line hoses and secure with plastic ties the same as they were originally installed at the factory to keep the fuel line away from components that could cause fuel line damage.
Do not attempt to service the high-pressure fuel filter. The high-pressure filter is integrated within the fuel pump module. The fuel filter and other components inside the fuel pump module are not servicable. Do not attempt to open the fuel pump module.
Ensure that an Authorized Service Dealer replaces the fuel pump module with the high-pressure fuel filter.
Do not attempt to drain the fuel tank. Ensure that an Authorized Service Dealer drains the fuel tank.
| Maintenance Service Interval | Maintenance Procedure |
|---|---|
| Monthly |
|
Battery posts, terminals, and related accessories contain lead and lead compounds, chemicals known to the State of California to cause cancer and reproductive harm. Wash hands after handling.
Battery electrolyte contains sulfuric acid, which is a deadly poison and causes severe burns.
Do not drink electrolyte and avoid contact with skin, eyes, or clothing. Wear safety glasses to shield your eyes and rubber gloves to protect your hands.
Battery terminals or metal tools could short against metal machine components causing sparks. Sparks can cause the battery gasses to explode, resulting in personal injury.
When removing or installing the battery, do not allow the battery terminals to touch any metal parts of the machine.
Do not allow metal tools to short between the battery terminals and metal parts of the machine.
Incorrect battery cable routing could damage the machine and cables causing sparks. Sparks can cause the battery gasses to explode, resulting in personal injury.
Always disconnect the negative (black) battery cable before disconnecting the positive (red) cable.
Always connect the positive (red) battery cable before connecting the negative (black) cable.
Disengage the blade-control switch (PTO), move the motion-control levers to the NEUTRAL-LOCK position, and set the parking brake.
Shut off the engine, remove the key, and wait for all moving parts to stop before leaving the operating position.
Remove the battery as shown in Figure 55.

Note: Position battery in the tray with the terminal posts opposite from the hydraulic tank (Figure 55).

Charging the battery produces gasses that can explode.
Never smoke near the battery and keep sparks and flames away from battery.
Important: Always keep the battery fully charged (1.265 specific gravity). This is especially important to prevent battery damage when the temperature is below 0°C (32°F).
Charge battery for 10 to 15 minutes at 25 to 30 A or 30 minutes at 10 A.
When the battery is fully charged, unplug the charger from the electrical outlet, then disconnect the charger leads from the battery posts (Figure 57).
Install the battery in the machine and connect the battery cables, refer to Installing the Battery.
Note: Do not run the machine with the battery disconnected, electrical damage may occur.

The electrical system is protected by fuses. It requires no maintenance, however, if a fuse blows check the component and circuit for a malfunction or short.
The fuses are located on the right console next to the seat (Figure 58).
To replace the fuses, pull out the fuse to remove it.
Install a new fuse (Figure 58).

Check and clean corrosion from the battery terminals before jump starting. Ensure the connections are tight.
Corrosion or loose connections can cause unwanted electrical voltage spikes at anytime during the jump starting procedure.
Do not attempt to jump start with loose or corroded battery terminals or damage to the engine or EFI may occur.
Jump starting a weak battery that is cracked, frozen, has low electrolyte level, or an open/shorted battery cell, can cause an explosion resulting in serious personal injury.
Do not jump start a weak battery if these conditions exist.
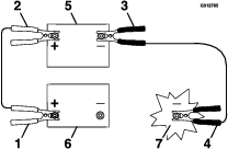
Make sure the booster battery is a good and fully charged lead acid battery at 12.6 volts or greater. Use properly sized jumper cables with short lengths to reduce voltage drop between systems. Make sure the cables are color coded or labeled for the correct polarity.
Connecting the jumper cables incorrectly (wrong polarity) can immediately damage the EFI system.
Be certain of battery terminal polarity and jumper cable polarity when hooking up batteries.
Batteries contain acid and produce explosive gases.
Shield the eyes and face from the batteries at all times.
Do not lean over the batteries.
Note: Be sure the vent caps are tight and level. Place a damp cloth, if available, over any vent caps on both batteries. Be sure the vehicles do not touch and that both electrical systems are off and at the same rated system voltage. These instructions are for negative ground systems only.
Connect the positive (+) cable to the positive (+) terminal of the discharged battery that is wired to the starter or solenoid as shown in Figure 59.

Connect the other end of the positive cable to the positive terminal of the booster battery.
Connect the black negative (–) cable to the other terminal (negative) of the booster battery.
Make the final connection on the engine block of the stalled vehicle (not to the negative battery post) away from the battery and stand back (Figure 61).


Start the vehicle and remove the cables in the reverse order of connection (the engine block (black) connection is the first to disconnect).
| Maintenance Service Interval | Maintenance Procedure |
|---|---|
| Before each use or daily |
|
Inspect the seat belt for wear, cuts, and proper operation of the retractor and buckle. Replace the seat belt if it is damaged.
| Maintenance Service Interval | Maintenance Procedure |
|---|---|
| Before each use or daily |
|
To avoid injury or death from rollover: keep the roll bar in the fully raised locked position and use the seat belt.
Ensure that the rear part of the seat is secured with the seat latch.
Check that both the mounting hardware and the knobs are in good working condition. Make sure the knobs are fully engaged with the ROPS in the raised position. The upper hoop of the roll bar may need to be pushed forward or pulled rearward to fully engage both knobs.

Disengage the blade-control switch (PTO).
Drive to an open, flat area and move the motion-control levers to the NEUTRAL-LOCK position.
Move the throttle midway between the FAST and SLOW positions.
Move both motion-control levers all the way forward until they both hit the stops in the T-slot.
Check which way the machine tracks.
If it tracks to the right, loosen the bolts and adjust the left stop plate rearward on the left T-slot until the machine tracks are straight (Figure 63).
If it tracks to the left, loosen the bolts and adjust the right stop plate rearward on the right T-slot until the machine tracks are straight (Figure 63).
Tighten the stop plate (Figure 63).

| Maintenance Service Interval | Maintenance Procedure |
|---|---|
| Every 50 hours |
|
Maintain the air pressure in the rear tires at 90 kPa (13 psi). Uneven tire pressure can cause uneven cut. Check the tires when they are cold to get the most accurate pressure reading.
Note: The front tires are semi-pneumatic tires and do not require air pressure maintenance.

| Maintenance Service Interval | Maintenance Procedure |
|---|---|
| After the first 100 hours |
|
| Every 500 hours |
|
Check and torque the wheel lug nuts to 122 to 129 N∙m (90 to 95 ft-lb).
| Maintenance Service Interval | Maintenance Procedure |
|---|---|
| After the first 100 hours |
|
| Every 500 hours |
|
Check and ensure that the torque of the slotted nut is 286 to 352 N∙m (211 to 260 ft-lb).
Note: Do not use anti-seize compound on the wheel hub.

| Maintenance Service Interval | Maintenance Procedure |
|---|---|
| Every 500 hours |
|
Disengage the blade-control switch (PTO), move the motion-control levers to the NEUTRAL-LOCK position, and set the parking brake.
Shut off the engine, remove the key, and wait for all moving parts to stop before leaving the operating position.
Remove the dust cap from caster and tighten locknut (Figure 66).
Tighten the locknut until the spring washers are flat and then back off a 1/4 turn to properly set the preload on the bearings (Figure 66).
Important: Make sure the spring washers are installed correctly as shown in Figure 66.
Install the dust cap (Figure 66).

Some later model year units have been built with clutches that contain a brake shim. When the clutch brake has worn to the point where the clutch no longer engages consistently, you can remove the shim to extend the clutch life.

Shut off the engine, wait for all moving parts to stop, and remove the key.
Engage the parking brake and wait for the machine to cool completely.
Using an air compressor, blow out any debris from under the brake pole and around the brake spacers.

Check the condition of the wire-harness leads, connectors, and terminals. Clean or repair them as necessary.
Verify that 12 V is present at the clutch connector when you engage the blade-control switch (PTO).
Measure the gap between the rotor and armature. If the gap is greater than 1 mm (0.04 inch), proceed with the following steps:
Loosen both brake-mounting bolts 1/2 to 1 full turn as shown in Figure 69.
Note: Do not remove the brake pole from the field shell/armature. The brake pole has worn to match the armature and needs to continue to match after the shim is removed to ensure proper brake torque.

Using needle-nose pliers, or by hand, remove the shim.
Note: Do not discard the shim until you confirm the proper clutch function.

Using a pneumatic line, blow out any debris from under the brake pole and around the brake spacers.
Torque each bolt (M6 x 1) to 12.3 to 13.7 N∙m (9.5 to 10.5 ft-lb).
Using a 0.010 inch thick feeler gauge, verify that a gap is present between the rotor and armature face on both sides of the brake pole as shown in Figure 71 and Figure 72.
Note: Due to the way the rotor and armature faces wear (peaks and valleys), it is sometimes difficult to measure the true gap.


If the gap is less than 0.010 inch, install the shim and refer to .
If the gap is sufficient, proceed to the safety check in step 6.
Perform the following safety check:
Sit on the seat and start the engine.
Make sure the blades do not engage when the blade-control switch (PTO) is in the OFF position and the clutch disengaged.
Note: If the clutch does not disengage, install the shim and reference .
Engage and disengage the blade-control switch (PTO) 10 consecutive times to ensure the clutch is functioning properly.
Note: If the clutch does not engage properly, reference .
| Maintenance Service Interval | Maintenance Procedure |
|---|---|
| Before each use or daily |
|
Remove any buildup of grass, dirt, or other debris from the oil cooler (Figure 73). This helps ensure adequate cooling, correct engine speed, and reduces the possibility of overheating and mechanical damage to the engine.


| Maintenance Service Interval | Maintenance Procedure |
|---|---|
| Every 100 hours |
|
Disengage the blade-control switch (PTO) and set the parking brake.
Shut off the engine, remove the key, and wait for all moving parts to stop before leaving the operating position.
Remove the air-intake screen, recoil starter, and fan housing (Figure 74).
Clean the debris and grass from the engine parts.
Install the air-intake screen, recoil starter, and fan housing (Figure 74).

| Maintenance Service Interval | Maintenance Procedure |
|---|---|
| Before each use or daily |
|
Disengage the blade-control switch (PTO) and set the parking brake.
Shut off the engine, remove the key, and wait for all moving parts to stop before leaving the operating position.
Raise the seat.
Clean the debris and grass from the hydraulic units (Figure 75).
Lower the seat.


| Maintenance Service Interval | Maintenance Procedure |
|---|---|
| After the first 100 hours |
|
| Every 500 hours |
|
Check to make sure the brake is adjusted properly before adjusting.
Drive the machine onto a level surface.
Disengage the blade-control switch (PTO), move the motion-control levers to the NEUTRAL-LOCK position, and engage the parking brake.
Shut off the engine, wait for all moving parts to stop, and remove the key.
Raise the back of the machine and support the machine with jack stands.
Mechanical or hydraulic jacks may fail to support machine and cause a serious injury.
Use jack stand when supporting machine.
Do not use hydraulic jacks.
Remove the rear tires from the machine.
Remove any debris from the brake area.
Rotate the drive-wheel release handle to the released position. Refer to Using the Drive-Wheel Release Valves.
Check if there is a visible gap between the L-bracket and the linkage stop (Figure 76).

Disengage the parking brake, the lever should be in the down position.
Turn the wheel hub by hand in both directions relative to the caliper.
Note: The wheel hub should move freely between the caliper.
If a gap is needed or the wheel hub does not move freely:
Disengage the parking brake.
Disconnect and fine-tune the rear-linkage assembly:
Shorten the link to create a gap.
Lengthen the link to allow wheel-hub movement.
Connect the rear-linkage assembly.
Engage the parking brake and check the gap.
Repeat steps 9 through 13 until a visible gap is achieved and the wheel hub rotates freely.
Repeat this procedure for the brake on the opposite side.
Rotate the drive-wheel release handle to the operating position.
Install the rear tires and torque the lug nuts; refer to Checking the Wheel Lug Nuts.
Remove the jack stands.
| Maintenance Service Interval | Maintenance Procedure |
|---|---|
| Every 50 hours |
|
Replace the belt if it is worn. The signs of a worn belt include squealing while the belt is rotating; the blades slipping while cutting grass; and frayed edges, burn marks, and cracks on the belt.
Disengage the blade-control switch (PTO), move the motion-control levers to the NEUTRAL-LOCK position, and set the parking brake.
Shut off the engine, remove the key, and wait for all moving parts to stop before leaving the operating position.
Lower the mower to the 76 mm (3 inches) height of cut.
Lift the floor pan up to gain access to the center pulley.
Remove the plastic belt cover (Figure 78).
Remove the 3 bolts holding the metal belt cover in place and remove the metal belt cover.

Use a ratchet in the square hole in the idler arm to remove tension on the idler spring (Figure 77).
Remove the belt from the mower deck pulley (Figure 77).
Remove the belt from the remaining pulleys (Figure 77).
Using the ratchet in the square hole, install the new belt around the mower pulleys and the idler pulleys (Figure 77).
Squealing when the belt is rotating, blades slipping when cutting grass, frayed belt edges, burn marks and cracks are signs of a worn mower belt. Replace the belt if any of these conditions are evident.
Disengage the blade-control switch (PTO), move the motion-control levers to the NEUTRAL-LOCK position, and set the parking brake.
Shut off the engine, remove the key, and wait for all moving parts to stop before leaving the operating position.
Lower the mower to the 76 mm (3 inches) height of cut.
Remove the belt covers (Figure 78).

Remove the counter-rotating belt; refer to Replacing the Counter-Rotating Belt.
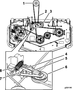
Use a ratchet in the square hole in the idler arm to remove tension on the idler spring (Figure 79).
Remove the belt from the mower-deck pulley.
Lift up on the belt-guide tab and remove the existing belt (Figure 79).
Install the new belt around the mower pulleys and the clutch pulley under the engine (Figure 79).

Rotate and ensure the belt-guide tab hits against the pivot hub Figure 79.
Using the ratchet in the square hole, install the idler spring (Figure 79).
Make sure the spring ends are seated in the anchor grooves.
Install the belt covers (Figure 80).

Disengage the blade-control switch (PTO) and set the parking brake.
Shut off the engine, remove the key, and wait for all moving parts to stop before leaving the operating position.
Remove mower belt; refer to Replacing the Mower Belt.
Raise the machine and support it with jack stands (Figure 81).

Use a ratchet in the square hole in the idler arm to remove the idler spring (Figure 81).
Unhook the idler spring from the frame (Figure 81).
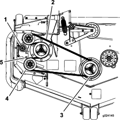
Remove the belt from the hydraulic-unit-drive pulleys and the engine pulley
Install the new belt around engine pulley and the 2 drive pulleys.
Using a ratchet in the square hole in the idler arm, install the idler spring to the frame (Figure 81).
Install the mower belt; refer to Replacing the Mower Belt.
There are 2 height positions for the control levers—high and low. Remove the bolts to adjust the height for the operator.
Disengage the blade-control switch (PTO), move the motion-control levers to the NEUTRAL-LOCK position, and set the parking brake.
Shut off the engine, remove the key, and wait for all moving parts to stop before leaving the operating position.
Loosen the bolts and flange nuts installed in the levers (Figure 82).
Align the levers front to rear position by bring the levers together to the NEUTRAL position, slide them until they are aligned, and tighten the bolts (Figure 83).


The pump-control linkages are located on either side of the fuel tank, below the seat. Rotate the pump linkage with a 1/2 inch wrench for fine-tuning adjustments so that the machine does not move in the NEUTRAL position. Make any adjustments for NEUTRAL positioning only.
The engine must be running and the drive wheels must be turning, so the motion-control adjustment can be performed. Contact with moving parts or hot surfaces may cause personal injury.
Keep your fingers, hands, and clothing clear of rotating components and hot surfaces.
Prior to starting the engine, push the deck-lift pedal, remove the height-of-cut pin, and lower the deck to the ground.
Raise the rear of machine and support it with jack stands (or equivalent support) just high enough to allow drive wheels to turn freely.
Remove the electrical connection from the seat safety switch, located under the bottom cushion of the seat. The switch is a part of the seat assembly.
Temporarily install a jumper wire across the terminals in the connector of the main wire harness.
Start the engine.
Note: Engage the parking brake and move the motion-control levers out before starting the engine. You do not need to be in the seat because of the jumper wire being used. Run the engine at full throttle and release the brake.
Run the machine at least 5 minutes with the motion-control levers at full forward speed to bring the hydraulic fluid up to operating temperature.
Bring the motion-control levers into the NEUTRAL position.
Bring the motion-control levers into the NEUTRAL position.
Adjust the pump-control rod lengths by rotating the double nuts on the rod in the appropriate direction until the wheels slightly creep in reverse (Figure 84).

Move the motion-control levers to the REVERSE position, and while applying slight pressure to the lever, allow the reverse indicator springs to bring the levers back to the NEUTRAL position.
Note: The wheels must stop turning or slightly creep in reverse.
Shut off the machine.
Remove the jumper wire from wire harness and plug the connector into seat switch.
Remove the jack stands.
Raise the deck and install the height-of-cut pin.
Check that the machine does not creep in NEUTRAL when you disengage the parking brakes.
You can adjust the top damper mounting bolt to obtain a more desired motion-control lever resistance. See Figure 85 for mounting options.

You can adjust the flanged nut to obtain the desired motion-control lever resistance when you move them to the NEUTRAL-LOCK position. See Figure 86 for adjustment options.
Loosen the jam nut.
Tighten or loosen the flanged nut to the desired feel.
Note: For more resistance, tighten the flanged nut.
Note: For less resistance, loosen the flanged nut
Tighten jam nut.

Hydraulic Fluid Type: Toro® HYPR-OIL™ 500 hydraulic oil or Mobil® 1 15W-50.
Important: Use the hydraulic fluid specified. Other fluids could damage the hydraulic system.
Each Hydraulic System Oil Capacity: 1.5 L (52 oz) per side with filter change
| Maintenance Service Interval | Maintenance Procedure |
|---|---|
| Every 50 hours |
|
Position the machine on a level surface.
Disengage the blade-control switch (PTO), move the motion-control levers to the NEUTRAL-LOCK position, and set the parking brake.
Shut off the engine, remove the key, and wait for all moving parts to stop before leaving the operating position.
Allow the engine and hydraulic system to cool for 10 minutes.
Note: The fluid level on the dipstick is incorrect if you check the fluid when the machine is hot.
Move the seat forward.
Clean the area around the dipsticks of hydraulic system reservoirs (Figure 87).
Remove 1 dipstick from the hydraulic reservoir (Figure 87).
Wipe the dipstick off and thread the dipstick into the reservoir.
Remove the dipstick and look at the end (Figure 87). If the fluid level is at the ADD mark , slowly pour only enough fluid into the hydraulic reservoir to raise the level to the FULL or H line.
Important: Do not overfill the hydraulic units with fluid as damage may occur. Do not run the machine with the fluid below the add mark.
Install the dipstick.
Repeat procedure for the opposite dipstick.

Hydraulic fluid escaping under pressure can penetrate skin and cause injury.
If hydraulic fluid is injected into the skin it must be surgically removed within a few hours by a doctor familiar with this type of injury. Gangrene may result if this is not done.
Keep body and hands away from pin hole leaks or nozzles that eject high-pressure hydraulic fluid.
Use cardboard or paper to find hydraulic leaks.
Safely relieve all pressure in the hydraulic system before performing any work on the hydraulic system.
Make sure that all hydraulic-fluid hoses and lines are in good condition and all hydraulic connections and fittings are tight before applying pressure to hydraulic system.
| Maintenance Service Interval | Maintenance Procedure |
|---|---|
| After the first 250 hours |
|
| Every 250 hours |
|
| Every 500 hours |
|
To replace the hydraulic fluid, you need to remove the filters. Replace both at the same time; refer toServicing the Hydraulic System for the fluid specifications.
Disengage the blade-control switch (PTO), move the motion-control levers to the NEUTRAL-LOCK position, and set the parking brake.
Shut off the engine, remove the key, and wait for all moving parts to stop before leaving the operating position.
Raise the machine and support it with jack stands (Figure 88).

Remove both the mower belt and the pump-drive belt; refer to Belt Maintenance.
Note: This prevents fluid from getting on the belts.
Place a drain pan under the filter, remove the old filter, and wipe the surface clean (Figure 89).

Apply a thin coat of hydraulic fluid to the rubber gasket on the replacement filter (Figure 89).
Install the replacement hydraulic filter.
Install the pump-drive belt and the mower belt.
Remove the jack stands and lower the machine (Figure 88).
Add fluid to the hydraulic reservoir and check for any leaks.
Clean up any spilled fluid.
Start the engine and let it run for about 2 minutes to purge air from the system.
Shut off the engine and check for leaks.
Check the fluid level while the fluid is cold.
If required, add fluid to the hydraulic reservoir.
Note: Do not overfill.
Note: Ensure the mower deck is level before matching the height of cut (HOC).
Position mower on a flat surface.
Disengage the blade-control switch (PTO), move the motion-control levers to the NEUTRAL-LOCK position, and set the parking brake.
Shut off the engine, remove the key, and wait for all moving parts to stop before leaving the operating position.
Check tire pressure of the drive tires. If needed, adjust to 90 kPa (13 psi).
Position the mower to the 76 mm (3 inch) height-of-cut position.
Position the machine on a flat surface.
Shut off the engine, wait for all moving parts to stop, remove the key, and engage the parking brake.
Check the tire pressure in the drive tires.
Note: Proper inflation pressure for tires is 90 kPa (13 psi).
Position the transport lock in the latching position.
Push the deck lift pedal all the way forward and the deck will latch at the 14 cm (5-1/2 inches) transport position (Figure 90).

Insert the height-adjustment pin into the 76 mm (3 inch) height-of-cut location.
Release the transport lock and allow the deck to lower to the cutting height.
On both sides of the deck, measure from the level surface to the front tip of the blade (position A) as shown in Figure 91.
Note: The measurement should read 7.6 mm (3 inches).

If needed, loosen the whizlock nut on the side of the yoke and the jam nut on top. Fine-tune the screw adjuster by turning it to get 7.6 cm (3 inches) height (see Figure 92).
Note: To increase the height, turn the adjuster screw clockwise; to decrease the height, turn it counterclockwise.
Note: If the front deck links do not have enough adjustment to achieve accurate cut height, you can utilize the single-point adjustment to gain more adjustment.

To adjust the single-point system, loosen the 2 bolts at the bottom of the height-of-cut plate (Figure 94).
Note: The mower deck is attached in the back holes at the factory. Refer to Figure 93. If needed, use the front holes for further adjustment when leveling the mower deck.


If the deck is too low, tighten the single-point adjustment bolt by rotating it clockwise. If the deck is too high, loosen the single-point adjustment bolt by rotating it counterclockwise (Figure 95).
Note: Loosen or tighten the single-point adjustment bolt enough to move the height-of-cut plate mounting bolts at least 1/3 the length of the available travel in their slots. This regains some up and down adjustment on each of the 4 deck links.

Tighten the 2 bolts at the bottom of the height-of-cut plate (Figure 94).
Note: For most conditions, adjust the black blade tip 6.4 mm (1/4 inch) higher than the front.
Torque the 2 bolts to 37 to 45 N∙m (27 to 33 ft-lb).
On both sides of the deck, measure from the level surface to the back tip of the blade (position B). Ensure the measurement is 8.3 cm (3-1/4 inches) (Figure 91).
Fine-tune the screw adjuster by turning it to get 8.3 mm (3-1/4 inches) height (Figure 92).
To increase the height, turn the adjustment nut clockwise; to decrease, turn counterclockwise.
Measure until all 4 sides are the correct height. Tighten all the nuts on the deck lift arm assemblies.
To ensure a superior quality of cut, keep the blades sharp. For convenient sharpening and replacement, keep extra blades on hand.
A worn or damaged blade can break, and a piece of the blade could be thrown at you or bystanders, resulting in serious personal injury or death.
Inspect the blade periodically for wear or damage.
Replace a worn or damaged blade.
Park the machine on a level surface, disengage the blade-control switch (PTO), and set the parking brake.
Turn the ignition key to the OFF position, remove the key, and disconnect the spark-plug wires from the spark plugs.
| Maintenance Service Interval | Maintenance Procedure |
|---|---|
| Before each use or daily |
|
Inspect the cutting edges (Figure 96).
If the edges are not sharp or have nicks, remove and sharpen the blade; refer to Sharpening the Blades.
Inspect the blades, especially the curved area.
If you notice any damage, wear, or a slot forming in this area, immediately install a new blade (Figure 96).

Disengage the blade-control switch (PTO), move the motion-control levers to the NEUTRAL-LOCK position, and set the parking brake.
Shut off the engine, remove the key, and wait for all moving parts to stop before leaving the operating position.
Rotate the blades until the ends face forward and backward (Figure 97).
Measure from a level surface to the cutting edge, position A, of the blades (Figure 97).

Rotate the opposite ends of the blades forward.
Measure from a level surface to the cutting edge of the blades at the same position as in step 4.
Note: The difference between the dimensions obtained in steps 4 and 5 must not exceed 3 mm (1/8 inch).
Note: If this dimension exceeds 3 mm (1/8 inch), the blade is bent and must be replaced.
A blade that is bent or damaged could break apart and could seriously injure or kill you or bystanders.
Always replace bent or damaged blade with a new blade.
Never file or create sharp notches in the edges or surfaces of blade.
Replace a blade if it hits an object, if the blade is out of balance, or if the blade is bent. To ensure optimum performance and continued safety conformance of the machine, use genuine Toro replacement blades. Replacement blades made by other manufacturers may result in nonconformance with safety standards.
Hold the blade end using a rag or a thickly padded glove.
Remove the left and center blade bolt, curved washer, and blade from the spindle shaft (Figure 98).
Remove the right blade bolt (left-hand threaded bolt), curved washer, and blade from the spindle shaft (Figure 99).
Note: Make note of the type blade and where each blade is installed. See Figure 99 for the correct position.


Use a file to sharpen the cutting edge at both ends of the blade (Figure 100).
Note: Maintain the original angle.
Note: The blade retains its balance if the same amount of material is removed from both cutting edges.

Check the balance of the blade by putting it on a blade balancer (Figure 101).
Note: If the blade stays in a horizontal position, the blade is balanced and ready to use.

If the blade is not balanced, file some metal off the end of the sail area only (Figure 102).
Repeat this procedure until the blade is balanced.
Important: The right blade on this mower deck is counter-rotating and uses a left-hand threaded blade bolt. Use Figure 103 for the correct placement of the mower blades.
Install the left and center blades, curved washers, and blade bolts to the spindle shafts (Figure 102 and Figure 103).
Note: Ensure the curved part of the blade is pointing upward toward the inside of the mower deck to ensure proper cutting.
Note: Ensure the curved-washer cone is installed toward the bolt head (Figure 102).
Install the right blade, curved washer, and blade bolt (left-hand threaded bolt) to the spindle shaft (Figure 102 and Figure 103).

Torque the blade bolts to 115 to 150 N∙m (85 to 110 ft-lb); refer to Figure 103.

Before servicing or removing the mower deck, lock out the spring-loaded deck arms.
Deck lift arm assemblies have stored energy. Removing the deck with out releasing the stored energy can cause serious injury or death.
Do not attempt to disassemble the deck from the front frame without locking out the stored energy.
Stop engine, wait for all moving parts to stop, remove the key, and engage the parking brake.
Remove the height-adjustment pin and lower the deck to the ground.
Place the height-adjustment pin in the 7.6 cm (3 inch) cutting-height location.
Note: This locks the deck-lift arms in the lowest position when the deck is removed and the stored energy in the deck spring is released.
Remove the belt covers.
Lift up the floor pan and insert a ratchet into the square hole in the deck idler (Figure 104).
Rotate the mower deck idler clockwise, lift up on the belt-guide tab, and remove the mower-deck belt from the clutch (Figure 104).

Remove and retain the hardware on both sides of the deck as shown in Figure 105.

Raise the deck struts and secure them in the up position.
Slide the deck out to the right side of the machine.
| Maintenance Service Interval | Maintenance Procedure |
|---|---|
| Before each use or daily |
|
Disengage the blade-control switch (PTO), move the motion-control levers to the NEUTRAL-LOCK position, and set the parking brake.
Shut off the engine, remove the key, and wait for all moving parts to stop before leaving the operating position.
Raise the mower to the TRANSPORT position.
Engine oil, batteries, hydraulic fluid, and engine coolant are pollutants to the environment. Dispose of these according to your state and local regulations.
Disengage the blade-control switch (PTO), set the parking brake, turn the ignition key to the OFF position, and remove the key.
Remove grass clippings, dirt, and grime from the external parts of the entire machine, especially the engine and hydraulic system. Clean dirt and chaff from the outside of the engine cylinder head fins and blower housing.
Important: You can wash the machine with mild detergent and water. Do not pressure-wash the machine. Avoid excessive use of water, especially near the control panel, engine, hydraulic pumps, and motors.
Check the brake; refer to Brake Maintenance.
Service the air cleaner; refer to Servicing the Air Cleaner.
Grease the machine; refer to Greasing and Lubrication.
Change the crankcase oil; refer to Servicing the Engine Oil.
Check the tire pressure; refer to Checking the Tire Pressure.
Change the hydraulic filters; refer to Replacing the Hydraulic Filters and Hydraulic Fluid
Charge the battery; refer to Charging the Battery.
Scrape any heavy buildup of grass and dirt from the underside of the mower, then wash the mower with a garden hose.
Note: Run the machine with the blade-control switch (PTO) engaged and the engine at high idle for 2 to 5 minutes after washing.
Check the condition of the blades; refer to Servicing the Cutting Blades.
Prepare the machine for storage when non-use occurs over 30 days. Prepare the machine for storage as follows:
Add a petroleum-based stabilizer/conditioner to fuel in the tank. Follow mixing instructions from the stabilizer manufacturer. Do not use an alcohol based stabilizer (ethanol or methanol).
Note: A fuel stabilizer/conditioner is most effective when mixed with fresh fuel and used at all times.
Run the engine to distribute conditioned fuel through the fuel system (5 minutes).
Shut off the engine, allow it to cool, and drain the fuel tank; refer to Servicing the Fuel Tank.
Start the engine and run it until it stops.
Dispose of fuel properly. Recycle as per local codes.
Important: Do not store stabilizer/conditioned fuel over 90 days.
Check and tighten all bolts, nuts, and screws. Repair or replace any part that is damaged.
Paint all scratched or bare metal surfaces. Paint is available from your Authorized Service Dealer.
Store the machine in a clean, dry garage or storage area.
Remove the key from the ignition switch and keep it out of reach of children or other unauthorized users.
Cover the machine to protect it and keep it clean.
| Problem | Possible Cause | Corrective Action |
|---|---|---|
| The starter does not crank. |
|
|
| The engine does not start, starts hard, or fails to keep running |
|
|
| The engine loses power. |
|
|
| The engine overheats. |
|
|
| The mower pulls left or right (with levers fully forward) |
|
|
| The machine does not drive. |
|
|
| The machine vibrates abnormally. |
|
|
| The cutting height is uneven. |
|
|
| The blades do not rotate. |
|
|
| The clutch does not engage. |
|
|
| Malfunction Indicator Light (MIL) comes on. |
|
|
