| Périodicité d'entretien | Procédure d'entretien |
|---|---|
| À chaque utilisation ou une fois par jour |
|
Cette tondeuse autoportée à lames rotatives est destinée au grand public, aux professionnels et aux utilisateurs temporaires. Elle est principalement conçue pour tondre les pelouses entretenues régulièrement des terrains privés et commerciaux. Elle n'est pas conçue pour couper les broussailles ni pour un usage agricole.
Lisez attentivement cette notice pour apprendre comment utiliser et entretenir correctement votre produit, et éviter de l'endommager ou de vous blesser. Vous êtes responsable de l'utilisation sûre et correcte du produit.
Vous pouvez contacter Toro directement sur www.Toro.com pour tout document de formation à la sécurité et à l'utilisation des produits, pour tout renseignement concernant un produit ou un accessoire, pour obtenir l'adresse des dépositaires ou pour enregistrer votre produit.
Pour obtenir des prestations de service, des pièces Toro d'origine ou des renseignements complémentaires, munissez-vous des numéros de modèle et de série du produit et contactez un dépositaire-réparateur ou le service client Toro agréé. La Figure 1 indique l'emplacement des numéros de modèle et de série du produit. Inscrivez les numéros dans l'espace réservé à cet effet.

Les mises en garde de ce manuel soulignent des dangers potentiels et sont signalées par le symbole de sécurité (Figure 2), qui indique un danger pouvant entraîner des blessures graves ou mortelles si les précautions recommandées ne sont pas respectées.

Ce manuel utilise deux termes pour faire passer des renseignements essentiels. Important, pour attirer l'attention sur des renseignements mécaniques spécifiques et Remarque, pour souligner une information d'ordre général méritant une attention particulière.
Ce système d'allumage par étincelle est conforme à la norme canadienne ICES-002.
Vous commettez une infraction à la section 4442 ou 4443 du Code des ressources publiques de Californie si vous utilisez cette machine dans une zone boisée, broussailleuse ou recouverte d'herbe, à moins de l'équiper d'un pare-étincelles en bon état, tel que défini dans la section 4442, ou sans que le moteur soit construit, équipé et entretenu correctement pour prévenir les incendies.
Le retrait de pièces et d'accessoires standard d'origine peut modifier la garantie, la motricité et la sécurité de la machine. L'utilisation de pièces autres que des pièces Toro d'origine peut causer des blessures graves ou mortelles. Toute modification non autorisée du moteur, du système d'alimentation ou de mise à l'air libre peut contrevenir à la réglementation EPA et CARB.
Remplacez toutes les pièces, y compris mais non exclusivement, les pneus, courroies, lames et système d'alimentation, par des pièces Toro d'origine.
Le Manuel du propriétaire du moteur ci-joint est fourni à titre informatif concernant la réglementation de l'Agence américaine pour la protection de l'environnement (EPA) et la réglementation antipollution de l'état de Californie relative aux systèmes antipollution, à leur entretien et à leur garantie. Vous pouvez vous en procurer un nouvel exemplaire en vous adressant au constructeur du moteur.
CALIFORNIE
Proposition 65 - Avertissement
Les gaz d'échappement de ce produit contiennent des substances chimiques considérées par l'état de Californie comme susceptibles de provoquer des cancers, des malformations congénitales et autres troubles de la reproduction.
Cette machine peut occasionner des accidents si elle n'est pas utilisée ou entretenue correctement. Pour réduire les risques d'accidents et de blessures, respectez les consignes de sécurité qui suivent. Tenez toujours compte des mises en garde signalées par le symbole de sécurité et la mention Prudence, , Attention ou Danger. Le non respect des instructions peut entraîner des blessures graves ou mortelles.
Cette machine est construite en conformité avec les normes réglementaires pertinentes en vigueur à la date de fabrication. Toute modification de cette machine peut causer la non conformité à ces normes et aux instructions figurant dans ce Manuel de l'utilisateur. Les modifications de cette machine ne doivent être effectuées que par le fabricant ou un dépositaire Toro agréé.
Ce produit peut sectionner les mains ou les pieds. Respectez toutes les consignes de sécurité pour éviter des blessures graves ou mortelles.
Le propriétaire/l'utilisateur est responsable des dommages matériels ou corporels et peut les prévenir.
L'ajout d'accessoires non conformes aux spécifications de l'American National Standards Institute et fabriqués par d'autres constructeurs entraîne la non-conformité de la machine.
Les instructions suivantes sont adaptées de la norme ANSI B71.4–2012.
Lisez le Manuel de l'utilisateur et toute autre documentation de formation.
Il appartient au propriétaire de la machine d'expliquer le contenu du manuel aux personnes (utilisateurs, mécaniciens, etc.) qui ne maîtrisent pas suffisamment la langue dans laquelle il est rédigé.
Familiarisez-vous avec le maniement correct du matériel, les commandes et les symboles de sécurité.
Les utilisateurs et mécaniciens doivent tous posséder les compétences nécessaires. Le propriétaire de la machine doit assurer la formation des utilisateurs.
Ne confiez jamais l'utilisation ou l'entretien de la machine à des enfants ou à des personnes non qualifiées. Certaines législations imposent un âge minimum pour l'utilisation de ce type de machine.
Le propriétaire/l'utilisateur est responsable des dommages matériels ou corporels et peut les prévenir.
Examinez la zone de travail pour déterminer quels accessoires et équipements vous permettront d'exécuter votre tâche correctement et sans risque. Utilisez uniquement les accessoires et équipements agréés par le fabricant.
Portez des vêtements appropriés, y compris des chaussures solides à semelle antidérapante, des lunettes de protection et des protecteurs d'oreilles. Si vos cheveux sont longs, attachez-les; ne portez pas de bijoux.
Inspectez soigneusement la zone où sera utilisée la machine et enlevez tout objet pouvant être projeté par la machine.
Vérifiez toujours que les commandes de présence de l'utilisateur, les contacteurs de sécurité et les capots de protection sont en place et fonctionnent correctement. N'utilisez pas la machine en cas de mauvais fonctionnement.
La foudre peut causer des blessures graves ou mortelles. Si vous voyez des éclairs ou que vous entendez le tonnerre à proximité, n'utilisez pas la machine et mettez-vous à l'abri.
Ne faites pas tourner le moteur à l'intérieur d'un local fermé.
N'utilisez la machine que sous un bon éclairage et méfiez-vous des trous et autres dangers cachés.
Assurez-vous que tous les embrayages sont au point mort et que le frein de stationnement est serré avant de mettre le moteur en marche. Ne mettez le moteur en marche que depuis la position d'utilisation.
Veillez à ne pas perdre l'équilibre quand vous utilisez la machine, surtout en marche arrière, car vous pourriez glisser.
Ralentissez et redoublez de prudence sur les pentes. Déplacez-vous toujours transversalement sur les pentes. La nature du terrain peut affecter la stabilité de la machine. Soyez prudent lorsque vous utilisez la machine à proximité de dénivellations.
Ralentissez et soyez prudent quand vous changez de direction et quand vous faites demi-tour sur les pentes.
Ne levez pas le tablier de coupe pendant que les lames tournent.
N'utilisez jamais la machine sans vérifier que le capot de la prise de force et autres protections sont solidement fixés en place. Vérifiez la fixation, le réglage et le fonctionnement de tous les verrouillages de sécurité.
N'utilisez pas la machine si le déflecteur d'éjection est relevé, déposé ou modifié, sauf si vous utilisez un bac à herbe.
Ne modifiez pas le réglage du régulateur et ne faites pas tourner le moteur à un régime excessif.
Arrêtez-vous sur une surface plane, débrayez toutes les commandes, serrez le frein de stationnement (le cas échéant) et coupez le moteur avant de quitter la position d'utilisation, pour quelque raison que ce soit, y compris pour vider les bacs à herbe ou déboucher la goulotte.
Arrêtez la machine et examinez l'état des lames si vous heurtez un obstacle ou si la machine vibre de manière inhabituelle. Effectuez les réparations nécessaires avant de réutiliser la machine.
N'approchez pas les pieds et les mains du tablier de coupe.
Avant de faire marche arrière, vérifiez que la voie est libre juste derrière la machine et sur sa trajectoire.
Tenez les personnes et les animaux à distance de la machine en marche.
Ralentissez et faites preuve de prudence quand vous changez de direction, ainsi que pour traverser des routes et des trottoirs. Arrêtez les lames quand vous ne tondez pas.
Sachez dans quel sens s'effectue l'éjection et assurez-vous de ne pas la diriger vers qui que ce soit.
N'utilisez pas la machine sous l'emprise de l'alcool, de drogues ou de médicaments.
Soyez prudent pour charger la machine sur une remorque ou un véhicule utilitaire, et pour la décharger.
Faites preuve de prudence à l'approche de tournants sans visibilité, de buissons, d'arbres ou d'autres objets susceptibles de gêner la vue.
Pour éviter de vous blesser ou de causer des dommages matériels, manipulez l'essence avec une extrême prudence. L'essence est extrêmement inflammable et ses vapeurs sont explosives.
Éteignez cigarettes, cigares, pipes et autres sources d'étincelles.
Utilisez exclusivement un bidon à carburant homologué.
N'enlevez pas le bouchon du réservoir de carburant et n'ajoutez pas de carburant quand le moteur est en marche.
Laissez refroidir le moteur avant de faire le plein de carburant.
Ne faites pas le plein dans un local fermé.
Ne remisez pas la machine ni les bidons de carburant à proximité d'une flamme nue, d'une source d'étincelles ou d'une veilleuse, telle celle d'un chauffe-eau ou d'autres appareils.
Ne remplissez pas les bidons de carburant à l'intérieur d'un véhicule ou sur le plateau d'une remorque dont le revêtement est en plastique. Posez toujours les bidons sur le sol, à l'écart du véhicule, avant de les remplir.
Descendez la machine du véhicule ou de la remorque avant de remplir le réservoir de carburant. Si cela n'est pas possible, remplissez le réservoir à l'aide d'un bidon, et non directement à la pompe.
Maintenez le pistolet en contact avec le bord du réservoir ou du bidon jusqu'à la fin du remplissage.
N'utilisez pas un dispositif de verrouillage du pistolet en position ouverte.
Si du carburant s'est répandu sur vos vêtements, changez-vous immédiatement.
Ne remplissez pas excessivement le réservoir de carburant. Remettez en place le bouchon du réservoir et serrez-le à fond.
Débrayez toutes les commandes, serrez le frein de stationnement, coupez le moteur et enlevez la clé de contact ou débranchez le fil de la bougie. Attendez l'arrêt complet de toutes les pièces mobiles avant de régler, de nettoyer ou de réparer la machine.
Garez la machine sur un sol plat et horizontal.
Pour éviter les risques d'incendie, enlevez les brins d'herbe et autres débris qui sont agglomérés sur l'unité de coupe, les dispositifs d'entraînement, les silencieux et le moteur.
Nettoyez les coulées éventuelles d'huile ou de carburant.
Faites refroidir le moteur avant de remiser la machine.
Ne stockez pas le carburant près d'une flamme et ne le vidangez pas à l'intérieur d'un local.
Ne confiez pas l'entretien de la machine à des personnes non qualifiées.
Utilisez des chandelles pour soutenir les composants au besoin.
Libérez la pression emmagasinée dans les composants avec précaution.
Débranchez la batterie ou le fil des bougies avant d'entreprendre des réparations. Débranchez toujours la borne négative de la batterie avant la borne positive. Branchez toujours la borne positive avant la borne négative.
Examinez toujours les lames avec prudence. Manipulez toujours les lames avec des gants épais ou en les enveloppant dans un chiffon, et toujours avec prudence. Remplacez toujours les lames; n'essayez jamais de les redresser ou de les souder.
N'approchez jamais les mains ou les pieds des pièces mobiles. Dans la mesure du possible, évitez d'effectuer des réglages sur la machine quand le moteur est en marche.
Maintenez toutes les pièces en bon état de marche et toutes les fixations bien serrées. Remplacez tous les autocollants usés ou endommagés.
Procédez avec prudence pour charger la machine sur une remorque ou un camion, ainsi que pour la décharger.
Utilisez des rampes d'une seule pièce pour charger la machine sur une remorque ou un véhicule.
Arrimez solidement la machine au moyen de sangles, chaînes, câbles ou cordes. Les sangles avant et arrière doivent être dirigées vers le bas et l'extérieur de la machine.
La liste suivante contient des consignes de sécurité spécifiques aux produits Toro et d'autres renseignements essentiels que vous devez connaître.
Ce produit peut sectionner les mains ou les pieds et projeter des objets. Respectez toujours toutes les consignes de sécurité pour éviter des blessures graves ou mortelles.
Ce produit est conçu pour couper et recycler l'herbe ou pour la ramasser s'il est équipé d'un bac à herbe. Tout autre usage peut s'avérer dangereux pour l'utilisateur ou les personnes à proximité.
Le système ROPS est un dispositif de sécurité intégré et efficace. Maintenez le système ROPS relevé et bloqué dans cette position, et attachez la ceinture de sécurité pour conduire la machine.
N'abaissez le système ROPS qu'en cas d'absolue nécessité. N'attachez pas la ceinture de sécurité si le système ROPS est abaissé.
La protection antiretournement est inexistante si le système ROPS est abaissé.
Vérifiez qu'il est possible de détacher rapidement la ceinture de sécurité en cas d'urgence.
Examinez la zone de travail à l'avance et ne repliez jamais le système ROPS lorsque vous vous trouvez sur une pente, près de fortes dénivellations ou d'étendues d'eau.
Vérifiez précisément la hauteur libre avant de passer sous un obstacle (par ex. branches, portes, câbles électriques, etc.) et évitez de le toucher.
Maintenez le système ROPS en bon état de marche en vérifiant minutieusement et régulièrement son état et en gardant toutes les fixations bien serrées.
Remplacez le système ROPS s'il est endommagé. Il ne doit pas être réparé ni modifié.
Ne retirez pas le système ROPS.
Toute modification du système ROPS doit être agréée par le fabricant.
Ne tondez pas de pentes de plus de 15 degrés.
Ne remisez pas la machine ou les bidons de carburant dans un local où se trouve une flamme nue, telle la veilleuse d'un chauffe-eau ou d'une chaudière.
Gardez tous les écrous et boulons bien serrés, en particulier les boulons de fixation des lames.
Ne cherchez jamais à modifier la fonction prévue d'un dispositif de sécurité ni à réduire la protection qu'il assure. Vérifiez régulièrement qu'il fonctionne correctement.
Pour protéger au mieux votre investissement et maintenir les performances optimales de votre matériel Toro, vous pouvez compter sur les pièces Toro d'origine. Pour assurer une excellente fiabilité, Toro fournit des pièces de rechange conçues en fonction des spécifications techniques exactes de votre machine. Pour votre tranquillité d'esprit, exigez des pièces Toro d'origine.
Vérifiez souvent le fonctionnement des freins. Effectuez les réglages et l'entretien éventuellement requis.

![]() |
Des autocollants de sécurité et des instructions bien visibles par l'opérateur sont placés près de tous les endroits potentiellement dangereux. Remplacez tout autocollant endommagé ou manquant. |




























Les ressorts sont comprimés par les sangles de transport. Une fois les sangles coupées, le siège se relève rapidement d'environ 8,9 cm (3½ po).
Retirez les sangles de transport avant d'utiliser la machine.


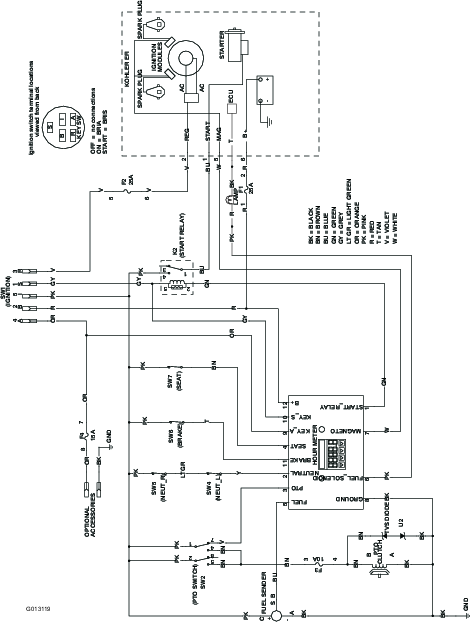
Avant de mettre le moteur en marche et d'utiliser la machine, familiarisez-vous avec toutes les commandes (Figure 5 et Figure 6).

La jauge de carburant est intégrée au compteur horaire et les barres s'allument lorsque le contact est établi (Figure 7).
Le témoin s'allume lorsque le niveau de carburant est bas (quand il reste environ 3,8 L [1 gallon américain] dans le réservoir).

Le compteur horaire totalise les heures de fonctionnement du moteur. Il fonctionne quand le moteur tourne. Programmez les entretiens réguliers en fonction du nombre d'heures indiqué (Figure 7).
Ce sont des symboles sur le compteur-horaire qui indiquent par un triangle noir que le verrou de sécurité est à la position correcte (Figure 7).
Lorsque vous tournez la clé de contact en position CONTACT quelques secondes, la tension de batterie s'affiche dans la zone normalement réservée aux heures de fonctionnement.
Le témoin de batterie s'allume lorsque le contact est établi et que la charge est inférieure au niveau de fonctionnement correct (Figure 6).
La commande d'accélérateur peut être réglée entre les positions HAUT RéGIME et BAS RéGIME.
Utilisez la commande des lames (PDF) pour engager l'embrayage électrique et entraîner les lames. Tirez sur la commande pour engager les lames puis relâchez-la. Pour désengager les lames, appuyez sur la commande des lames (PDF) ou amenez un levier de commande de déplacement en position de VERROUILLAGE AU POINT MORT.
Il sert à mettre le moteur en marche et a 3 positions : Démarrage, Contact et Arrêt.
Utilisez les leviers de commande de déplacement pour conduire la machine en marche avant, en marche arrière, pour tourner à droite et à gauche.
Utilisez la position de VERROUILLAGE AU POINT MORT avec le système de sécurité pour engager et déterminer la position POINT MORT.
Fermez le robinet d'arrivée de carburant (sous le siège) avant de transporter ou de remiser la machine.
Le module de commande électronique (ECU) surveille continuellement le fonctionnement du système EFI.
Le témoin d'anomalie (MIL) s'allume en cas de détection d'un problème ou d'une anomalie du système.
Le témoin d'anomalie est le témoin rouge situé dans la console droite.
Si le témoin d'anomalie s'allume, effectuez les premiers contrôles de diagnostic; voir la section sur le témoin d'anomalie dans .
Si ces contrôles ne corrigent pas le problème, un autre diagnostic et un entretien par un dépositaire-réparateur agréé sont nécessaires.
Une sélection d'outils et accessoires agréés par Toro est disponible pour augmenter et améliorer les capacités de la machine. Pour obtenir la liste de tous les accessoires et outils agréés, contactez votre dépositaire-réparateur ou distributeur agréé ou rendez-vous sur le site www.Toro.com.
Note: Les spécifications et la conception de la machine peuvent faire l'objet de modifications sans préavis.
Largeur :
| Sans tablier de coupe | 119 cm (47 po) |
| Déflecteur relevé | 137 cm (54 po) |
| Déflecteur abaissé | 170 cm (67 po) |
Longueur :
| Arceau de sécurité relevé | 211 cm (83 po) |
| Arceau de sécurité abaissé | 215 cm (85 po) |
Hauteur :
| Arceau de sécurité relevé | Arceau de sécurité abaissé |
|---|---|
| 179 cm (71 po) | 119 cm (47 po) |
Poids :
| Modèle | Poids |
|---|---|
| 74995 | 574 kg (1265 lb) |
Note: Les côtés gauche et droit de la machine sont déterminés d'après la position d'utilisation normale.
Pour assurer le fonctionnement optimal de la machine, utilisez uniquement de l'essence sans plomb propre et fraîche (stockée depuis moins d'un mois) ayant un indice d'octane de 87 ou plus (méthode de calcul [R+M]/2).
Éthanol : de l'essence contenant jusqu'à 10 % d'éthanol (essence-alcool) ou 15 % de MTBE (éther méthyltertiobutylique) par volume peut être utilisée à la rigueur. L'éthanol et le MTBE sont deux produits différents. L'utilisation d'essence contenant 15 % d'éthanol (E15) par volume n'est pas agréée. N'utilisez jamais d'essence contenant plus de 10 % d'éthanol par volume, comme E15 (qui contient 15 % d'éthanol), E20 (qui contient 20 % d'éthanol) ou E85 (qui contient jusqu'à 85 % d'éthanol). L'utilisation d'essence non agréée peut entraîner des problèmes de performances et/ou des dommages au moteur qui peuvent ne pas être couverts par la garantie.
N'utilisez pas d'essence contenant du méthanol.
Ne stockez pas le carburant dans le réservoir ou dans des bidons de carburant pendant l'hiver, à moins d'utiliser un stabilisateur de carburant.
N'ajoutez pas d'huile à l'essence.
Dans certaines circonstances, l'essence est extrêmement inflammable et hautement explosive. Un incendie ou une explosion causé(e) par de l'essence peut vous brûler, ainsi que d'autres personnes, et causer des dommages matériels.
Faites le plein du réservoir de carburant à l'extérieur, dans un endroit bien dégagé, lorsque le moteur est froid. Essuyez toute essence répandue.
Ne faites jamais le plein du réservoir de carburant à l'intérieur d'une remorque fermée.
Ne remplissez pas complètement le réservoir de carburant. Versez la quantité de carburant voulue dans le réservoir de carburant jusqu'à ce que le niveau se situe entre 6 et 13 mm (0,25 et 0,50 po) en dessous de la base du goulot de remplissage. L'espace au-dessus doit rester vide pour permettre à l'essence de se dilater.
Ne fumez jamais en manipulant de l'essence et tenez-vous à l'écart des flammes nues ou des sources d'étincelles qui pourraient enflammer les vapeurs d'essence.
Conservez l'essence dans un récipient homologué et hors de la portée des enfants. N'achetez et ne stockez jamais plus que la quantité d'essence consommée en un mois.
N'utilisez pas la machine si elle n'est pas équipée du système d'échappement complet et en bon état de marche.
Dans certaines circonstances, de l'électricité statique peut se former lors du remplissage, produire une étincelle et enflammer les vapeurs de carburant. Un incendie ou une explosion causé(e) par de l'essence peut vous brûler, ainsi que d'autres personnes, et causer des dommages matériels.
Posez toujours les bidons d'essence sur le sol, à l'écart du véhicule, avant de les remplir.
Ne remplissez pas les bidons d'essence à l'intérieur d'un véhicule ou dans la caisse d'un véhicule utilitaire, car la moquette intérieure ou le revêtement en matière plastique de la caisse risque d'isoler le bidon et de freiner l'élimination de l'électricité statique éventuellement produite.
Dans la mesure du possible, descendez la machine du véhicule ou de la remorque et posez-la à terre avant de remplir le réservoir de carburant.
Si ce n'est pas possible, laissez la machine dans le véhicule ou sur la remorque, mais remplissez le réservoir à l'aide d'un bidon, et non directement à la pompe.
En cas de remplissage à la pompe, maintenez le pistolet en contact avec le bord du réservoir ou du bidon jusqu'à la fin du remplissage.
L'essence est toxique voire mortelle en cas d'ingestion. L'exposition prolongée aux vapeurs de carburant peut causer des blessures et des maladies graves.
Évitez de respirer les vapeurs de carburant de façon prolongée.
N'approchez pas le visage du pistolet ni de l'ouverture du réservoir de carburant ou du bidon de conditionneur.
Évitez tout contact avec la peau et lavez tout liquide renversé à l'eau et au savon.
Utilisez un additif stabilisateur/conditionneur dans la machine pour :
Que l'essence reste fraîche pendant une période maximale de 90 jours. Au-delà de cette durée, il est recommandé de vidanger le réservoir de carburant.
Nettoyer le moteur lorsqu'il tourne.
Éviter la formation d'un dépôt gommeux dans le circuit d'alimentation, qui pourrait entraîner des problèmes de démarrage.
Important: N'utilisez pas d'additifs contenant du méthanol ou de l'éthanol.
Ajoutez à l'essence une quantité appropriée de stabilisateur/conditionneur.
Note: L'efficacité des stabilisateurs/conditionneurs est optimale lorsqu'ils sont ajoutés à de l'essence fraîche. Pour réduire les risques de formation de dépôts visqueux dans le circuit d'alimentation, utilisez toujours un stabilisateur dans l'essence.
Note: Ne remplissez pas complètement le réservoir de carburant. Remplissez le réservoir de carburant jusqu'au bas du goulot de remplissage. L'espace au-dessus doit rester vide pour permettre à l'essence de se dilater.
Garez la machine sur un sol plat et horizontal.
Arrêtez le moteur et serrez le frein de stationnement.
Nettoyez la surface autour du bouchon du réservoir de carburant.
Remplissez le réservoir de carburant jusqu'au bas du goulot de remplissage (Figure 8).
Note: L'espace au-dessus doit rester vide pour permettre à l'essence de se dilater.

Avant de mettre le moteur en marche et d'utiliser la machine, vérifiez le niveau d'huile dans le carter; voir Contrôle du niveau d'huile moteur.
Les moteurs neufs demandent un certain temps pour développer toute leur puissance. Les tabliers de coupe et les systèmes d'entraînement neufs présentent plus de friction, ce qui augmente la charge sur le moteur. Prévoyez 40 à 50 heures de rodage pour les machines neuves pour leur permettre de développer toute leur puissance et procurer des performances optimales.
Pour éviter de vous blesser, parfois mortellement, en vous retournant : gardez l'arceau de sécurité complètement relevé et bloqué dans cette position, et attachez la ceinture de sécurité.
Vérifiez que le siège est fixé à la machine.
La protection antiretournement est inexistante si l'arceau de sécurité est abaissé.
N'abaissez l'arceau de sécurité qu'en cas d'absolue nécessité.
N'attachez pas la ceinture de sécurité lorsque l'arceau de sécurité est abaissé.
Conduisez lentement et prudemment.
Relevez l'arceau de sécurité dès que possible.
Vérifiez précisément la hauteur libre avant de passer sous un obstacle (par ex. branches, portes, câbles électriques, etc.) et évitez de le toucher.
Important: Vérifiez que le siège est fixé à la machine.
Pour abaisser l'arceau de sécurité, poussez la partie supérieure de l'arceau vers l'avant.
Tirez sur les deux boutons et tournez-les à 90 degrés pour les désengager (Figure 9).
Faites pivoter l'arceau de sécurité à la position abaissée (Figure 9).

Pour relever l'arceau de sécurité, levez-le à la position d'utilisation et tournez les boutons de sorte à les déplacer partiellement dans les rainures (Figure 9).
Redressez complètement l'arceau de sécurité tout en poussant sur la partie supérieure; les goupilles s'engagent en position quand les trous sont en face (Figure 9).
Appuyez sur l'arceau de sécurité et vérifiez que les deux goupilles sont engagées.
Important: Attachez toujours la ceinture de sécurité quand l'arceau de sécurité est relevé.
Utilisez le tablier de coupe comme marchepieds pour monter à la position d'utilisation (Figure 10).

Lisez toutes les instructions de sécurité et la signification des symboles dans le chapitre Sécurité. Tenez-en compte pour éviter de vous blesser ou de blesser des personnes à proximité.
Le travail sur herbe humide ou pentes raides peut faire déraper la machine et entraîner la perte du contrôle.
N'utilisez pas la machine sur des pentes de plus de 15 degrés.
Ralentissez et procédez avec la plus grande prudence sur les pentes.
N'utilisez pas la machine près d'étendues d'eau.
Le dépassement des roues au-dessus d'une dénivellation peut entraîner le renversement de la machine et provoquer des blessures graves ou mortelles (noyade, etc.).
N'utilisez pas la machine près de dénivellations.
L'utilisation de la machine avec l'arceau de sécurité abaissé peut entraîner des blessures graves ou mortelles en cas de retournement de la machine.
Gardez toujours l'arceau de sécurité complètement relevé et bloqué en position, et attachez la ceinture de sécurité.

Cette machine produit au niveau de l'oreille de l'utilisateur un niveau sonore de plus de 85 dBA, susceptible d'entraîner des déficiences auditives en cas d'exposition prolongée.
Portez des protecteurs d'oreilles quand vous utilisez la machine.
L'usage d'équipements de protection est préconisé pour les yeux, les oreilles, les mains, les pieds et la tête.

Serrez toujours le frein de stationnement lorsque vous arrêtez la machine ou que vous la laissez sans surveillance.
Le frein de stationnement peut ne pas immobiliser parfaitement la machine si elle est garée sur une pente. La machine risque alors de causer des dommages corporels ou matériels.
Ne garez pas la machine sur une pente, à moins de caler ou de bloquer les roues.


La commande des lames (PDF) permet de démarrer et d'arrêter la rotation des lames et des autres accessoires qu'elle entraîne.
Note: Les courroies d'entraînement subissent une usure excessive si la commande des lames (PDF) est engagée alors que la commande d'accélérateur est à mi-course ou moins.


Vous pouvez déplacer la commande d'accélérateur entre les positions HAUT RéGIME et BAS RéGIME (Figure 17).
Sélectionnez toujours la position HAUT RéGIME quand vous mettez le tablier de coupe en marche avec la commande des lames (PDF).

Tournez la clé de contact à la position de DéMARRAGE(Figure 18).
Note: Relâchez la clé quand le moteur démarre.
Important: N'actionnez pas le démarreur plus de 5 secondes de suite. Si le moteur ne démarre pas, attendez 15 secondes avant de faire une nouvelle tentative. Le démarreur risque de griller si vous ne respectez pas ces consignes.
Note: Vous devrez peut-être vous faire plusieurs tentatives pour démarrer le moteur la première fois après que le système d'alimentation soit resté entièrement vide.

Tournez la clé de contact en position ARRêT pour arrêter le moteur.
Le robinet d'arrivée de carburant est situé sous le siège. Avancez le siège pour y accéder.
Fermez le robinet d'arrivée de carburant pour transporter, réviser ou remiser la machine.
Vérifiez que le robinet d'arrivée de carburant est ouvert avant de démarrer le moteur.

Relevez l'arceau de sécurité et bloquez-le en position, asseyez-vous sur le siège et attachez la ceinture de sécurité.
Amenez les leviers de commande de déplacement en position de VERROUILLAGE AU POINT MORT.
Serrez le frein de stationnement; voir Serrage du frein de stationnement.
Placez la commande des lames (PDF) en position DéSENGAGéE(Figure 20).
Réglez la commande d'accélérateur à mi-course entre les positions BAS RéGIME et HAUT RéGIME.

Tournez la clé de contact à la position de DéMARRAGE (Figure 21).
Note: Relâchez la clé quand le moteur démarre.
Important: N'actionnez pas le démarreur plus de 5 secondes de suite. Si le moteur ne démarre pas, attendez 15 secondes avant de faire une nouvelle tentative. Le démarreur risque de griller si vous ne respectez pas ces consignes.
Note: Vous devrez peut-être vous faire plusieurs tentatives pour démarrer le moteur la première fois après que le système d'alimentation soit resté entièrement vide.

Les enfants ou les personnes à proximité risquent de se blesser s'ils déplacent ou essayent d'utiliser la machine, lorsque celle-ci est laissée sans surveillance.
Retirez toujours la clé de contact et serrez le frein de stationnement si vous laissez la machine sans surveillance, ne serait-ce qu'un instant.

Important: Pour éviter les fuites de carburant, vérifiez que le robinet d'arrivée de carburant est bien fermé avant de transporter ou de remiser la machine. Serrez le frein de stationnement avant de transporter la machine. N'oubliez pas de retirer la clé du commutateur d'allumage, car la pompe d'alimentation pourrait se mettre en marche et décharger la batterie.
Si les contacteurs de sécurité sont déconnectés ou endommagés, la machine peut se mettre en marche inopinément et causer des blessures.
Ne modifiez pas abusivement les contacteurs de sécurité.
Vérifiez chaque jour le fonctionnement des contacteurs de sécurité et remplacez ceux qui sont endommagés avant d'utiliser la machine.
Le système de sécurité est conçu pour empêcher le démarrage du moteur, sauf si :
Le frein de stationnement est serré.
La commande des lames (PDF) est désengagée.
Les leviers de commande de déplacement sont en position de VERROUILLAGE AU POINT MORT.
Le système de sécurité est également conçu pour arrêter le moteur si les commandes de déplacement quittent la position de verrouillage alors que le frein de stationnement est serré, ou si vous quittez le siège alors que la PDF est engagée.
Le compteur horaire comporte des symboles qui vous indiquent quand le composant de verrouillage de sécurité est à la position correcte. Lorsque le composant est à la position correcte, un triangle s'allume dans le carré correspondant.

| Périodicité d'entretien | Procédure d'entretien |
|---|---|
| À chaque utilisation ou une fois par jour |
|
Contrôlez le système de sécurité avant chaque utilisation de la machine. Si le système de sécurité ne fonctionne pas comme spécifié ci-dessous, faites-le immédiatement réviser par un dépositaire-réparateur agréé.
Asseyez-vous sur le siège, serrez le frein de stationnement et amenez la commande des lames (PDF) en position ENGAGéE. Essayez de démarrer le moteur; le démarreur ne doit pas fonctionner.
Asseyez-vous sur le siège, serrez le frein de stationnement et amenez la commande des lames (PDF) en position DéSENGAGéE. Actionnez l'un des leviers de commande de déplacement (sortez-le de la position de verrouillage au POINT MORT). Essayez de démarrer le moteur; le démarreur ne doit pas fonctionner. Répétez la manœuvre pour l'autre levier de commande.
Asseyez-vous sur le siège, serrez le frein de stationnement, placez la commande des lames (PDF) en position DéSENGAGéE et amenez l'un des leviers de commande de déplacement à la position de VERROUILLAGE AU POINT MORT. Démarrez le moteur. Lorsque le moteur tourne, desserrez le frein de stationnement, engagez la commande des lames (PDF) et soulevez-vous légèrement du siège; le moteur doit s'arrêter.
Asseyez-vous sur le siège, serrez le frein de stationnement, placez la commande des lames (PDF) en position DéSENGAGéE et amenez l'un des leviers de commande de déplacement à la position de VERROUILLAGE AU POINT MORT. Démarrez le moteur. Lorsque le moteur est en marche, centrez l'un des leviers de commande déplacement et déplacez-le en avant ou en arrière; le moteur doit s'arrêter. Répétez la procédure pour l'autre levier de commande de déplacement.
Asseyez-vous sur le siège, desserrez le frein de stationnement, placez la commande des lames (PDF) en position DéSENGAGéE et amenez l'un des leviers de commande de déplacement à la position de VERROUILLAGE AU POINT MORT. Essayez de démarrer le moteur; le démarreur ne doit pas fonctionner.
La commande d'accélérateur agit sur le régime moteur qui se mesure en tours/minute (tr/min). Placez la commande d'accélérateur en position HAUT RéGIME pour obtenir des performances optimales. Pour travailler, placez toujours la commande d'accélérateur en position haut régime (plein gaz).
La machine peut tourner très rapidement. Vous risquez de perdre le contrôle de la machine et de blesser quelqu'un ou d'endommager la machine.
Soyez extrêmement prudent dans les virages.
Ralentissez avant de prendre des virages serrés.

Note: Le moteur s'arrête si vous actionnez les leviers de commande de déplacement alors que le frein de stationnement est serré.
Pour arrêter la machine, tirez les leviers de commande de déplacement en position POINT MORT.
Desserrez le frein de stationnement; voir Desserrage du frein de stationnement.
Amenez les leviers de commande de déplacement au centre, en position déverrouillée.
Pour vous déplacer en marche avant, poussez lentement les leviers de commande de déplacement vers l'avant (Figure 25).

Amenez les leviers de commande de déplacement au centre, en position déverrouillée.
Pour vous déplacer en marche arrière, tirez lentement les leviers en arrière (Figure 26).

Pour arrêter la machine, ramenez les leviers de commande de déplacement au point mort, puis à la position de VERROUILLAGE AU POINT MORT, désengagez la commande des lames (PDF) et tournez la clé de contact à la position ARRêT.
Serrez le frein de stationnement avant de laisser la machine sans surveillance; voir Serrage du frein de stationnement. Enlevez la clé du commutateur d'allumage.
Les enfants ou les personnes à proximité risquent de se blesser s'ils déplacent ou essayent d'utiliser la machine, lorsque celle-ci est laissée sans surveillance.
Retirez toujours la clé de contact et serrez le frein de stationnement si vous laissez la machine sans surveillance, ne serait-ce qu'un instant.
Le verrou de transport est utilisé avec la pédale de relevage du tablier et a 2 positions : une position de VERROUILLAGE et une position de DéVERROUILLAGE pour le transport du tablier de coupe (Figure 27).

Vous pouvez régler la hauteur de coupe entre 25 et 140 mm (1 et 5½ po) par paliers de 6,4 mm (¼ po) suivant le trou dans lequel vous placez l'axe de chape.
Placez le verrou de transport en position VERROUILLéE.
Appuyez sur la pédale de relevage du tablier avec le pied et relevez le tablier à la position de transport (qui est aussi la position de hauteur de coupe de 140 mm [5½ po]), comme montré à la Figure 28.
Pour changer de hauteur de coupe, retirez la goupille fendue et l'axe de chape du support de hauteur de coupe (Figure 28).
Placez la goupille dans le trou du support correspondant à la hauteur de coupe voulue (Figure 28).
Appuyez sur la pédale de levage du tablier, tirez le verrou de transport en arrière et abaissez lentement le tablier de coupe.

Ajustez la hauteur des galets anti-scalp chaque fois que vous modifiez la hauteur de coupe.
Désengagez la commande des lames (PDF), amenez les leviers de commande de déplacement en position de VERROUILLAGE AU POINT MORT et serrez le frein de stationnement.
Avant de quitter la position d'utilisation, coupez le moteur, enlevez la clé de contact et attendez l'arrêt complet de toutes les pièces mobiles.


Cette procédure ne concerne que les machines équipées de verrous de déflecteur d'éjection. Certains modèles ont des écrous et boulons au lieu de verrous de déflecteurs, mais le réglage reste le même.
Vous pouvez régler le volume d'éjection de la tondeuse en fonction des conditions de tonte. Positionnez les verrous à came et le déflecteur de manière à obtenir la meilleure qualité de coupe possible.
Désengagez la commande des lames (PDF), amenez les leviers de commande de déplacement en position de VERROUILLAGE AU POINT MORT et serrez le frein de stationnement.
Avant de quitter la position d'utilisation, coupez le moteur, enlevez la clé de contact et attendez l'arrêt complet de toutes les pièces mobiles.
Pour régler les verrous à came, soulevez le levier pour desserrer le verrou (Figure 31).
Réglez le déflecteur et les verrous à came dans les fentes de manière à obtenir le volume d'éjection qui convient.
Repoussez le levier à sa position d'origine pour serrer le déflecteur et les verrous (Figure 31).
Si les verrous à cames ne bloquent pas le déflecteur en position ou si le déflecteur est trop serré, desserrez le levier puis tournez le verrou à came. Réglez le verrou à came jusqu'à obtention de la pression de verrouillage voulue.

Les chiffres suivants ne sont fournis qu'à titre indicatif. Les réglages varient selon le type, l'humidité et la hauteur de l'herbe.
Note: Si le moteur perd de la puissance et si la tondeuse continue de se déplacer à la même vitesse, ouvrez le déflecteur.
Il s'agit de la position arrière maximale. Utilisez cette position dans les cas suivants :
Quand l'herbe est courte et peu épaisse
Quand l'herbe est sèche
Pour couper l'herbe plus finement
Pour propulser les brins d'herbe plus loin.

Utilisez cette position avec le bac à herbe. Alignez-le toujours sur l'ouverture du ventilateur.

Il s'agit de la position ouverte maximale. Utilisez cette position dans les cas suivants :
Quand l'herbe est haute et drue.
Quand l'herbe est humide.
Pour réduire la consommation de carburant
Pour augmenter la vitesse de déplacement lorsque l'herbe est lourde

Note: Cette position offre les mêmes avantages que ceux de la tondeuse Toro SFS.
Vous pouvez avancer ou reculer le siège Amenez le siège à la position la plus confortable pour vous, et offrant le meilleur contrôle pour la conduite.
Poussez le levier de réglage de côté pour débloquer et régler le siège (Figure 35).


La suspension MyRide™ peut être réglée pour offrir un confort optimal. Le réglage des 2 amortisseurs arrière est le moyen le plus facile et le plus rapide de réglage de la suspension. Positionnez la suspension de manière la plus confortable pour vous.
Les fentes prévues pour les amortisseurs arrière sont dotées de crans comme référence. Les amortisseurs arrière peuvent être placés n'importe où dans la fente, pas seulement dans les crans.
Le schéma suivant montre la position des amortisseurs pour une suspension souple ou ferme et les différentes positions des crans (Figure 37).

Note: Réglez toujours les amortisseurs arrière gauche et droit à la même position.
Réglez les amortisseurs arrière (Figure 38).


L'amortisseur avant est placé à la position centrale et n'a normalement pas besoin d'être réglé.
Pour régler l'amortisseur avant, ouvrez le plancher et effectuez le réglage avec une clé à ergot (réf. Toro 132–5069) ou une pince multiprise (Figure 39).

Les mains peuvent se coincer dans les composants d'entraînement en rotation situés sous le plancher moteur, et subir des blessures graves.
Coupez le moteur, enlevez la clé et attendez l'arrêt de toutes les pièces mobiles avant d'accéder aux valves de déblocage des roues motrices.
Le moteur et les entraînements hydrauliques peuvent devenir très chauds. Vous pouvez vous brûler gravement si vous touchez le moteur ou les entraînements hydrauliques quand ils sont chauds.
Laissez complètement refroidir le moteur et les entraînements hydrauliques avant d'accéder aux valves de déblocage des roues motrices.
Les valves de déblocage des roues motrices se trouvent à l'arrière de chaque entraînement hydraulique, sous le siège.
Note: Veillez à ce que les vannes de déblocage soient complètement horizontales quand vous utilisez la machine car sinon le système hydraulique pourrait être gravement endommagé.
Désengagez la commande des lames (PDF) et coupez le contact. Verrouillez les leviers de commande de déplacement au POINT MORT et serrez le frein de stationnement. Enlevez la clé de contact.
Tournez les leviers des vannes de déblocage en position verticale pour pousser la machine (Figure 40).
Note: Cela permet à l'huile hydraulique de contourner la pompe et aux roues de tourner.
Desserrez le frein de stationnement avant de pousser la machine.

Tournez les leviers des vannes de déblocage en position horizontale pour utiliser la machine (Figure 40).
La tondeuse est équipée d'un déflecteur d'herbe pivotant qui permet de disperser les déchets de tonte sur le côté et à la surface de la pelouse.
Si le déflecteur d'herbe, l'obturateur d'éjection ou le bac à herbe complet n'est pas en place sur la machine, vous-même ou d'autres personnes peuvent être touchés par une lame ou des projections de débris. Les lames en rotation et les débris projetés causent des blessures graves ou mortelles.
N'enlevez jamais le déflecteur d'herbe du tablier de coupe, sa présence est nécessaire pour diriger l'herbe coupée sur la pelouse. Si le déflecteur d'herbe est endommagé, remplacez-le immédiatement.
Ne mettez jamais les mains ou les pieds sous la tondeuse.
N'essayez jamais de dégager l'ouverture d'éjection ou les lames sans avoir au préalable mis la commande des lames (PDF) en position DéSENGAGéE, tourné la clé de contact en position ARRêT et enlevé la clé.
Vérifiez que le déflecteur d'herbe est abaissé.
Transportez la machine sur une remorque de poids-lourd ou un camion. Le camion ou la remorque doit être équipé(e) des freins, des éclairages et de la signalisation exigés par la loi. Lisez attentivement toutes les instructions de sécurité. Tenez-en compte pour éviter de vous blesser et de blesser d'autres personnes ou des animaux.
Il est dangereux de conduire sur la voie publique sans clignotants, éclairages, réflecteurs ou panneau « véhicule lent ». Vous risquez de provoquer un accident et de vous blesser.
Ne conduisez pas la machine sur la voie publique.
Pour transporter la machine :
Si vous utilisez une remorque, attelez-la au véhicule tracteur et attachez les chaînes de sécurité.
Le cas échéant, raccordez les freins de la remorque.
Chargez la machine sur la remorque ou le camion.
Arrêtez le moteur, enlevez la clé, serrez le frein et fermez le robinet d'arrivée de carburant.
Servez-vous des points d'attache en métal de la machine pour l'arrimer solidement sur la remorque ou le véhicule de transport au moyen de sangles, chaînes, câbles ou cordes (Figure 41).

Soyez extrêmement prudent lorsque vous chargez la machine sur une remorque ou un camion, ainsi que pour la décharger. Utilisez une rampe d'une seule pièce et plus large que la machine pour cette procédure. Montez la rampe en marche arrière et descendez-la en marche avant (Figure 42).

Important: N'utilisez pas de rampes étroites individuelles de chaque côté de la machine.
La rampe doit être suffisamment longue pour que l'angle d'inclinaison ne dépasse pas 15 degrés (Figure 43). Sur un sol plat, la rampe doit être au moins quatre fois plus longue que la hauteur de la remorque ou du plateau de chargement par rapport au sol. Si l'angle est supérieur, les composants de la tondeuse peuvent être coincés lors du transfert de la rampe à la remorque ou au camion. Les angles plus importants peuvent causer le basculement ou la perte de contrôle de la machine. Si vous chargez la machine alors qu'elle se trouve sur ou près d'une pente, placez la remorque ou le camion en aval et la rampe en amont. Cela minimise l'angle de la rampe.
Le chargement de la machine sur une remorque ou un camion augmente le risque de basculement et donc de blessures graves ou mortelles.
Procédez avec la plus grande prudence lorsque vous manœuvrez la machine sur une rampe.
Relevez toujours le système ROPS et utilisez la ceinture de sécurité pour charger ou décharger la machine. Vérifiez que l'arceau de sécurité peut passer sous le toit d'une remorque fermée.
Utilisez uniquement une rampe d'une seule pièce; n'utilisez pas de rampes individuelles de chaque côté de la machine.
L'angle entre la rampe et le sol, ou entre la rampe et la remorque ou le camion, ne doit pas dépasser 15 degrés.
La rampe doit être au moins quatre fois plus longue que la hauteur de la remorque ou du plateau de chargement par rapport au sol. De la sorte, l'angle de la rampe ne dépassera pas 15 degrés sur un sol plat.
Montez la rampe en marche arrière et descendez-la en marche avant.
Évitez les accélération ou décélération brutales lorsque vous conduisez la machine sur une rampe, car vous pourriez en perdre le contrôle ou la faire basculer.

Pour obtenir une circulation d'air maximale et des résultats optimaux, faites tourner le moteur à HAUT RéGIME. L'air doit pouvoir circuler pour bien couper l'herbe. Pour cette raison, ne sélectionnez pas une hauteur de coupe trop basse car la tondeuse serait alors complètement entourée d'herbe haute. Placez-vous toujours de sorte qu'un côté de la tondeuse se trouve à l'extérieur de la zone non coupée. L'air pourra ainsi circuler librement dans le tablier de coupe.
Tondez l'herbe légèrement plus haut que d'habitude pour éviter de scalper les inégalités du terrain. La hauteur de coupe habituelle est cependant celle qui convient le mieux en général. Si la hauteur de l'herbe dépasse 15 cm (6 po), vous devrez peut-être vous y reprendre à deux fois pour obtenir un résultat acceptable.
L'idéal est de ne raccourcir l'herbe que du tiers de sa hauteur. Une coupe plus courte est déconseillée, à moins que l'herbe ne soit clairsemée, ou en automne lorsque la pousse commence à ralentir.
Alternez le sens des passages pour ne pas coucher l'herbe. L'alternance permet aussi de mieux disperser l'herbe coupée, ce qui améliore la décomposition et la fertilisation.
Une pelouse doit normalement être tondue tous les 4 jours. Cependant, tenez compte du fait que l'herbe pousse plus ou moins vite selon l'époque. Pour conserver une hauteur de coupe régulière, ce qui est conseillé, tondez plus souvent au début du printemps. Réduisez la fréquence de la tonte au milieu de l'été, lorsque l'herbe pousse moins vite. Si la pelouse n'a pas été tondue depuis un certain temps, tondez une première fois assez haut, puis un peu plus bas 2 jours plus tard.
Ralentissez pour améliorer la qualité de la coupe dans certaines conditions.
Si la largeur de coupe de la tondeuse utilisée est plus large que la précédente, augmentez la hauteur de coupe pour ne pas raser les inégalités de la pelouse.
Si l'herbe est légèrement plus haute que d'habitude ou si elle est humide, utilisez une hauteur de coupe un peu plus haute que la normale. Tondez ensuite à nouveau l'herbe à la hauteur de coupe inférieure habituelle.
Si vous immobilisez la machine en cours de tonte, un paquet d'herbe coupée peut tomber sur la pelouse. Pour éviter cela, rendez-vous dans une zone déjà tondue en laissant les lames engagées.
Nettoyez le dessous du tablier de coupe après chaque utilisation. Ne laissez pas l'herbe et la terre s'accumuler à l'intérieur, car la qualité de la tonte finira par en souffrir.
Utilisez une lame bien aiguisée durant toute la saison de coupe, pour obtenir une coupe nette sans arracher ni déchiqueter les brins d'herbe. L'herbe arrachée ou déchiquetée brunit sur les bords, sa croissance ralentit et elle devient plus sensible aux maladies. Vérifiez chaque jour l'état, l'usure et l'affûtage des lames. Limez les entailles éventuelles et aiguisez les lames au besoin. Remplacez immédiatement les lames endommagées ou usées par des lames Toro d'origine.
| Périodicité d'entretien | Procédure d'entretien |
|---|---|
| Après les 100 premières heures de fonctionnement |
|
| Après les 250 premières heures de fonctionnement |
|
| À chaque utilisation ou une fois par jour |
|
| Toutes les 50 heures |
|
| Toutes les 100 heures |
|
| Toutes les 150 heures |
|
| Toutes les 200 heures |
|
| Toutes les 250 heures |
|
| Toutes les 300 heures |
|
| Toutes les 500 heures |
|
| Toutes les 600 heures |
|
| Chaque mois |
|
| Une fois par an |
|
| Une fois par an ou avant le remisage |
|
Important: Reportez-vous au manuel du propriétaire du moteur pour toutes procédures d'entretien supplémentaires.
Si vous laissez la clé dans le commutateur d'allumage, quelqu'un pourrait mettre le moteur en marche accidentellement et vous blesser gravement, ainsi que toute personne à proximité.
Avant tout entretien, retirez la clé de contact.
Lubrifiez plus fréquemment si vous travaillez dans des conditions très poussiéreuses ou sableuses.
Type de graisse : graisse nº 2 au lithium ou au molybdène.
Désengagez la commande des lames (PDF), amenez les leviers de commande de déplacement en position de VERROUILLAGE AU POINT MORT et serrez le frein de stationnement.
Avant de quitter la position d'utilisation, coupez le moteur, enlevez la clé de contact et attendez l'arrêt complet de toutes les pièces mobiles.
Nettoyez les graisseurs avec un chiffon.
Note: Grattez la peinture qui pourrait se trouver sur l'avant des graisseurs.
Raccordez une pompe à graisse au graisseur et injectez de la graisse à l'intérieur jusqu'à ce qu'elle commence à suinter hors des roulements.
Essuyez tout excès de graisse.
| Périodicité d'entretien | Procédure d'entretien |
|---|---|
| Toutes les 100 heures |
|
Graissez les pivots de relevage du tablier de coupe.


| Périodicité d'entretien | Procédure d'entretien |
|---|---|
| Toutes les 50 heures |
|
| Une fois par an |
|
Désengagez la commande des lames (PDF), amenez les leviers de commande de déplacement en position de VERROUILLAGE AU POINT MORT et serrez le frein de stationnement.
Avant de quitter la position d'utilisation, coupez le moteur, enlevez la clé de contact et attendez l'arrêt complet de toutes les pièces mobiles.
Graissez le pivot de la poulie de tension du tablier de coupe jusqu'à ce que la graisse ressorte par le bas (Figure 46).
Lubrifiez les roulements des 3 axes jusqu'à ce que la graisse ressorte par les joints inférieurs (Figure 46).

Graissez le bras de la poulie de tension de la courroie d'entraînement (Figure 46).

Retirez les capuchons antipoussière et réglez les pivots des roues pivotantes.
Note: Ne remettez pas les capuchons antipoussière avant d'avoir terminé le graissage. Voir Réglage du roulement de pivot de roue pivotante.
Déposez l'obturateur hexagonal et vissez un graisseur dans l'orifice.
Injectez de la graisse dans le graisseur jusqu'à ce qu'elle ressorte autour du roulement supérieur.
Sortez le graisseur de l'orifice.
Remettez le bouchon hexagonal et le capuchon antipoussière en place (Figure 48).

| Périodicité d'entretien | Procédure d'entretien |
|---|---|
| Une fois par an |
|
Coupez le moteur, attendez l'arrêt complet de toutes les pièces mobiles, enlevez la clé de contact et serrez le frein de stationnement.

Déposez la roue pivotante de la fourche.
Déposez les protège-joints du moyeu de roue.
Déposez un des écrous d'écartement de l'arbre de la roue pivotante.
Note: Du frein-filet a été appliqué pour bloquer les écrous d'écartement sur l'arbre de roue.
Déposez l'arbre de la roue (en laissant l'autre écrou d'écartement en place).
Faites levier pour déposer les joints, et vérifiez l'état et l'usure des roulements; remplacez-les au besoin.
Garnissez les roulements de graisse universelle.
Insérez 1 roulement, assorti d'un joint neuf, dans la roue.
Note: Remplacez les joints.
Si les deux écrous d'écartement ont été retirés (ou se sont détachés) de l'arbre de roue, appliquez du frein-filet sur l'un d'entre eux et vissez-le sur l'arbre de roue, méplats tournés vers l'extérieur.
Note: Ne vissez pas complètement l'écrou d'écartement au bout de l'arbre de roue. Laissez environ 3 mm (⅛ po) entre la surface extérieure de l'écrou d'écartement et l'extrémité de l'arbre de roue dans l'écrou.
Insérez l'ensemble écrou et arbre de roue dans la roue, du côté roulement et joint neuf.
L'extrémité ouverte de la roue étant tournée vers le haut, garnissez de graisse universelle la zone à l'intérieur de la roue autour de l'arbre.
Insérez le second roulement, assorti d'un joint neuf, dans la roue.
Appliquez du frein-filet sur le filetage du second écrou d'écartement et vissez-le sur l'arbre de roue, les méplats tournés vers l'extérieur.
Serrez l'écrou à un couple de 8 à 9 N·m (75 à 80 po-lb), desserrez-le puis resserrez-le à un couple de 2 à 3 N·m (20 à 25 po-lb).
Note: Attention à ne pas faire dépasser l'arbre de roue de l'écrou.
Reposez les protège-joints sur le moyeu, puis insérez la roue dans la fourche.
Montez le boulon et serrez l'écrou à fond.
Important: Pour éviter les dommages au joint et au roulement, vérifiez souvent le réglage du roulement. Faites tourner la roue pivotante. Elle ne doit pas tourner librement (plus de 1 ou 2 tours) ni présenter de jeu latéral. Si la roue tourne librement, ajustez l'écrou d'écartement jusqu'à ce que vous sentiez une légère résistance. Appliquez une autre couche de frein-filet.
Les pièces brûlantes peuvent causer des blessures.
Gardez les mains, les pieds, le visage et toute autre partie du corps ainsi que les vêtements à l'écart du silencieux et autres surfaces brûlantes.
| Périodicité d'entretien | Procédure d'entretien |
|---|---|
| Toutes les 150 heures |
|
| Toutes les 300 heures |
|
| Toutes les 600 heures |
|
Note: Contrôlez les éléments filtrants plus fréquemment s'il y a beaucoup de poussière ou de sable.
Désengagez la commande des lames (PDF), amenez les leviers de commande de déplacement en position de VERROUILLAGE AU POINT MORT et serrez le frein de stationnement.
Avant de quitter la position d'utilisation, coupez le moteur, enlevez la clé de contact et attendez l'arrêt complet de toutes les pièces mobiles.
Ouvrez les dispositifs de verrouillage du filtre à air et séparez le couvercle d'entrée d'air du boîtier du filtre (Figure 50).
Nettoyez le couvercle et la grille d'entrée d'air.
Reposez le couvercle d'entrée d'air et fixez-le avec les verrous (Figure 50).

Ouvrez les dispositifs de verrouillage du filtre à air et détachez le couvercle du boîtier du filtre (Figure 50).
Nettoyez l'intérieur du couvercle du filtre à l'air comprimé.
Sortez le préfiltre du boîtier du filtre avec précaution (Figure 50).
Note: Évitez de cogner l'élément à l'intérieur du boîtier.
Ne déposez l'élément intérieur que si vous avez l'intention de le remplacer.
Important: N'essayez jamais de nettoyer l'élément intérieur. Si l'élément de sécurité est encrassé, cela signifie que le préfiltre est endommagé; remplacez les deux éléments filtrants.
Vérifiez l'état du préfiltre en le plaçant devant une lumière forte.
Note: Les trous éventuels apparaîtront sous forme de points brillants. Mettez l'élément au rebut s'il est endommagé.
Remplacez le préfiltre s'il est encrassé, plié ou endommagé.
Ne nettoyez pas le préfiltre.
Remplacez l'élément de sécurité; il ne doit jamais être nettoyé.
Important: N'essayez jamais de nettoyer l'élément de sécurité. Si l'élément de sécurité est encrassé, cela signifie que le préfiltre est endommagé. Remplacez alors les deux éléments.
Important: Pour ne pas endommager le moteur, ne le faites jamais tourner sans que les deux éléments et le couvercle du filtre à air soient en place.
Si vous montez des éléments filtrants neufs, vérifiez qu'ils n'ont pas souffert pendant le transport.
Note: N'utilisez pas les éléments s'ils sont endommagés.
Si vous remplacez l'élément intérieur, insérez-le avec précaution dans le boîtier du filtre (Figure 50).
Placez ensuite le préfiltre sur l'élément intérieur avec le même soin (Figure 50).
Note: Vérifiez que le préfiltre est bien engagé en position en appuyant sur son bord extérieur lors de la pose.
Important: N'appuyez pas sur la partie intérieure souple du filtre.
Remettez en place et verrouillez le couvercle du filtre à air (Figure 50).
Type d'huile : huile détergente (classe de service API SL, SM, SN ou supérieure)
Capacité du carter : 1,9 L (2 ptes américaines) avec filtre neuf
Viscosité : Voir le tableau ci-dessous.

Note: L'utilisation d'huile synthétique 5W-20 ou 5W-30 est acceptable jusqu'à 4 °C (40 °F).
Note: Les huiles synthétiques facilitent le démarrage par des températures extrêmement basses inférieures à -23 °C (-10 °F).
| Périodicité d'entretien | Procédure d'entretien |
|---|---|
| À chaque utilisation ou une fois par jour |
|
Note: Contrôlez le niveau d'huile quand le moteur est froid.
Les pièces brûlantes peuvent causer des blessures.
Gardez les mains, les pieds, le visage et toute autre partie du corps ainsi que les vêtements à l'écart du silencieux et autres surfaces brûlantes.
Important: Ne remplissez pas excessivement le carter sous peine d'endommager le moteur. Ne faites pas tourner le moteur si le niveau d'huile est en dessous du repère minimum au risque d'endommager le moteur.
Désengagez la commande des lames (PDF), amenez les leviers de commande de déplacement en position de VERROUILLAGE AU POINT MORT et serrez le frein de stationnement.
Avant de quitter la position d'utilisation, coupez le moteur, enlevez la clé de contact et attendez l'arrêt complet de toutes les pièces mobiles (Figure 52).


| Périodicité d'entretien | Procédure d'entretien |
|---|---|
| Toutes les 100 heures |
|
Note: Débarrassez-vous de l'huile usagée dans un centre de recyclage.
Démarrez le moteur et laissez-le tourner pendant 5 minutes.
Note: Cela permet de réchauffer l'huile, qui s'écoule alors plus facilement.
Garez la machine en plaçant l'arrière légèrement plus bas que l'avant pour pouvoir évacuer toute l'huile.
Désengagez la commande des lames (PDF), amenez les leviers de commande de déplacement en position de VERROUILLAGE AU POINT MORT et serrez le frein de stationnement.
Avant de quitter la position d'utilisation, coupez le moteur, enlevez la clé de contact et attendez l'arrêt complet de toutes les pièces mobiles (Figure 53).


Versez lentement environ 80 % de l'huile spécifiée dans le tube de remplissage, puis faites l'appoint lentement jusqu'à ce que le niveau atteigne le repère maximum (FULL) (Figure 54).

Démarrez le moteur et conduisez la machine jusqu'à une surface plane et horizontale. Contrôlez à nouveau le niveau d'huile.
| Périodicité d'entretien | Procédure d'entretien |
|---|---|
| Toutes les 200 heures |
|
Note: Remplacez le filtre à huile moteur plus souvent si vous travaillez dans des conditions très poussiéreuses ou sableuses.
Vidangez l'huile moteur; voir Vidange de l'huile moteur.
Remplacez le filtre à huile moteur (Figure 55).


Note: Veillez à ce que le joint du filtre à huile touche le moteur puis vissez-le encore de 3/4 de tour.
Remplissez le carter moteur d'une huile neuve du type voulu; voir Vidange de l'huile moteur.
| Périodicité d'entretien | Procédure d'entretien |
|---|---|
| Toutes les 200 heures |
|
Gardez le refroidisseur d'huile libre de débris en nettoyant les ailettes à la brosse.
Retirez les boulons de fixation du refroidisseur d'huile sur le carter du moteur.
Nettoyez l'intérieur du refroidisseur d'huile avec une brosse.
Posez le refroidisseur d'huile sur le carter du moteur.


| Périodicité d'entretien | Procédure d'entretien |
|---|---|
| Toutes les 200 heures |
|
| Toutes les 500 heures |
|
Avant de monter une bougie, vérifiez si l'écartement entre l'électrode centrale et l'électrode latérale est correct. Utilisez une clé à bougies pour déposer et reposer les bougies, et une jauge d'épaisseur pour contrôler et régler l'écartement des électrodes. Remplacez les bougies au besoin.
Type : Champion® XC12YC ou type équivalent
Écartement des électrodes : 0,76 mm (0,030 po)
Avant de quitter la position d'utilisation, coupez le moteur, enlevez la clé de contact et attendez l'arrêt complet de toutes les pièces mobiles.
Désengagez la commande des lames (PDF), amenez les leviers de commande de déplacement en position de VERROUILLAGE AU POINT MORT et serrez le frein de stationnement.
Déposez le capot de l'unité hydraulique gauche dans l'ordre indiqué à la Figure 57.
Note: Vous pourrez ensuite accéder à la bougie avant.


Déposez la bougie (Figure 58).


Montez le capot de l'unité hydraulique gauche (Figure 57).
Important: Remplacez les bougies dans les cas suivants : si elles sont recouvertes d'un dépôt noir ou d'une couche grasse, si les électrodes sont usées, si elles présentent des fissures ou si leur réutilisation est sujette à caution.
Si le bec isolant est recouvert d'un léger dépôt gris ou brun, le moteur fonctionne correctement. S'il est recouvert d'un dépôt noir, cela est généralement signe que le filtre à air est encrassé.
Réglez l'écartement des électrodes à 0,76 mm (0,030 po).

Serrez les bougies à un couple de 24,4 à 29,8 N·m (18 à 22 pi-lb).

| Périodicité d'entretien | Procédure d'entretien |
|---|---|
| Toutes les 50 heures |
|
Les composants chauds du système d'échappement peuvent enflammer les vapeurs d'essence après l'arrêt du moteur. Les particules chaudes rejetées quand le moteur est en marche peuvent enflammer les matières inflammables. Un incendie peut entraîner des dommages corporels et matériels.
Ne faites pas le plein de carburant et ne faites pas tourner le moteur si le pare-étincelles n'est pas en place.
Coupez le moteur, attendez l'arrêt complet de toutes les pièces mobiles et enlevez la clé de contact. Serrez le frein de stationnement.
Attendez que le silencieux soit froid.
Si vous constatez des fissures de la grille ou des soudures, remplacez le pare-étincelles.
Si vous constatez que la grille est bouchée, enlevez le pare-étincelles et agitez-le pour détacher les particules, puis nettoyez la grille à la brosse métallique (faites-la tremper dans du solvant au besoin). Reposez le pare-étincelles sur la sortie d'échappement.
Les composants du système d'alimentation sont soumis à une pression élevée. L'utilisation de composants non conformes peut causer une panne du système d'alimentation, une fuite de carburant et même une explosion.
Utilisez uniquement des conduites d'alimentation et des filtres à carburant agréés.
Cette machine est équipée d'un système d'injection électronique qui gère le débit de carburant en fonction des conditions d'utilisation.
Le module de commande électronique (ECU) surveille continuellement le fonctionnement du système EFI.
Le témoin d'anomalie (MIL) s'allume en cas de détection d'un problème ou d'une anomalie du système. Le témoin d'anomalie est le témoin rouge situé dans la console droite.
Lorsque le témoin d'anomalie est allumé, effectuez les premiers contrôles de diagnostic. Voir la section sur le témoin d'anomalie sous .
Si ces contrôles ne corrigent pas le problème, un autre diagnostic et un entretien par un dépositaire-réparateur agréé sont nécessaires.
| Périodicité d'entretien | Procédure d'entretien |
|---|---|
| Toutes les 200 heures |
|
Le filtre à carburant est situé près du moteur, devant ou derrière.
Désengagez la commande des lames (PDF), amenez les leviers de commande de déplacement en position de VERROUILLAGE AU POINT MORT et serrez le frein de stationnement.
Avant de quitter la position d'utilisation, coupez le moteur, enlevez la clé de contact et attendez l'arrêt complet de toutes les pièces mobiles.
Attendez que la machine soit froide.
Fermez le robinet d'arrivée de carburant sous le siège (Figure 61).

Pincez les extrémités des colliers et éloignez les colliers du filtre (Figure 61).
Déposez le filtre des conduites d'alimentation.
Posez un filtre neuf et rapprochez les colliers de fixation du filtre (Figure 61).
Ouvrez le robinet d'arrivée de carburant.
Important: Rebranchez les flexibles de carburant et fixez-les aux emplacements d'origine avec les attaches en plastique pour les maintenir à l'écart des composants susceptibles de les endommager.
Ne cherchez pas à réparer le filtre à carburant haute pression. Le filtre haute pression est intégré au module de pompe à carburant. Le filtre à carburant et les autres composants à l'intérieur du module pompe à carburant ne sont pas réparables.
Important: Ne cherchez pas à ouvrir le module pompe à carburant.
Faites toujours remplacer le module de pompe à carburant avec le filtre à carburant haute pression par un dépositaire-réparateur agréé.
N'essayez pas de vidanger le réservoir de carburant. Confiez toujours la vidange du réservoir de carburant à un réparateur agréé.
| Périodicité d'entretien | Procédure d'entretien |
|---|---|
| Chaque mois |
|
L'électrolyte contient de l'acide sulfurique, un poison mortel capable de causer de graves brûlures.
Ne buvez jamais l'électrolyte et évitez tout contact avec les yeux, la peau ou les vêtements. Portez des lunettes de protection et des gants en caoutchouc.
Les bornes de la batterie ou les outils en métal peuvent causer des courts-circuits au contact des pièces métalliques de la machine et produire des étincelles. Les étincelles risquent de provoquer l'explosion des gaz de la batterie et de vous blesser.
Lors du retrait ou de la mise en place de la batterie, évitez que les bornes touchent les parties métalliques de la machine.
Évitez de créer des courts-circuits entre les bornes de la batterie et les parties métalliques de la machine avec des outils en métal.
S'ils sont mal acheminés, les câbles de la batterie peuvent subir des dommages ou endommager la machine et produire des étincelles. Les étincelles risquent de provoquer l'explosion des gaz de la batterie et de vous blesser.
Débranchez toujours le câble négatif (noir) de la batterie avant le câble positif (rouge).
Connectez toujours le câble positif (rouge) de la batterie avant le câble négatif (noir).
Désengagez la commande des lames (PDF), amenez les leviers de commande de déplacement en position de VERROUILLAGE AU POINT MORT et serrez le frein de stationnement.
Avant de quitter la position d'utilisation, coupez le moteur, enlevez la clé de contact et attendez l'arrêt complet de toutes les pièces mobiles.
Retirez la batterie, comme montré à la (Figure 62).


Note: Placez la batterie dans son support en tournant les bornes à l'opposé du réservoir hydraulique (Figure 62).

La batterie en charge produit des gaz susceptibles d'exploser.
Ne fumez jamais à proximité de la batterie et gardez-la éloignée de toutes flammes ou sources d'étincelles.
Important: Gardez toujours la batterie chargée au maximum (densité 1,265). Cela est particulièrement important pour prévenir la dégradation de la batterie si la température tombe en dessous de 0 ºC (32 ºF).
Chargez la batterie pendant 10 à 15 minutes entre 25 et 30 A, ou pendant 30 minutes à 10 A.
Quand la batterie est chargée au maximum, débranchez le chargeur de la prise, puis débranchez les fils du chargeur des bornes de la batterie (Figure 64).
Placez la batterie dans la machine et raccordez les câbles de la batterie;
Note: N'utilisez pas la machine si la batterie n'est pas branchée, au risque d'endommager le circuit électrique.

Le système électrique est protégé par des fusibles. Il ne nécessite donc aucun entretien. Toutefois, si un fusible grille, vérifiez l'état de la pièce ou du circuit et assurez-vous qu'il n'y a pas de court-circuit.
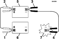
Contrôlez et nettoyez la corrosion sur les bornes de la batterie avant d'utiliser la batterie de secours pour démarrer la machine. Vérifiez que les connexions sont bien serrées.
La corrosion ou des connexions desserrées peuvent causer des pointes de tension indésirables à tout moment pendant la procédure de démarrage avec la batterie de secours.
N'essayez pas de démarrer la machine avec une batterie d'appoint si les bornes de la batterie à plat sont desserrées ou corrodées, car vous pourriez endommager le moteur ou le système d'injection électronique (EFI).
L'utilisation d'une batterie d'appoint alors que la batterie à plat est fissurée ou gelée, ne contient pas assez d'électrolyte ou présente un élément ouvert ou en court-circuit peut provoquer une explosion et de graves blessures.
N'utilisez pas de batterie de secours si ces conditions existent.
Vérifiez que la batterie de secours est une batterie au plomb en bon état chargée au maximum à 12,6 V ou plus.
Note: Utilisez des câbles de démarrage du bon calibre et assez courts pour réduire la baisse de tension entre les systèmes. Assurez-vous que la couleur et l'étiquetage des câbles correspondent à la polarité.
Si les câbles de démarrage sont mal connectés (erreur de polarité) le système EFI peut être immédiatement endommagé.
Respectez la polarité des bornes de la batterie et des câbles de démarrage lorsque vous branchez les batteries.
Les batteries contiennent de l'acide et produisent des gaz explosifs.
Protégez-vous toujours les yeux et le visage lorsque vous vous trouvez près des batteries.
Ne vous penchez pas au-dessus des batteries.
Note: Vérifiez que les bouchons d'aération sont bien serrés et de niveau. Placez un chiffon humide, si vous en disposez, sur l'un des bouchons d'aération sur les deux batteries. Les deux véhicules ne doivent pas se toucher et les deux systèmes électriques doivent être hors tension et avoir la même tension nominale. Ces instructions ne concernent que les systèmes à masse négative.
Connectez le câble positif (+) à la borne positive (+) de la batterie à plat qui est reliée au démarreur ou au solénoïde, comme montré à la Figure 66.

Connectez l'autre extrémité du câble positif à la borne positive de la batterie de secours.
Connectez le câble négatif (–) noir à l'autre borne (négative) de la batterie de secours.
Faites la dernière connexion sur le bloc moteur du véhicule en panne (pas à la borne négative de la batterie) loin de la batterie et reculez-vous (Figure 67).


Mettez le moteur en marche et débranchez les câbles dans l'ordre inverse de leur connexion.
Note: Débranchez le bloc moteur (noir) en premier.
| Périodicité d'entretien | Procédure d'entretien |
|---|---|
| À chaque utilisation ou une fois par jour |
|
Vérifiez que la ceinture de sécurité n'est pas usée ni entaillée, et que l'enrouleur et la boucle fonctionnent correctement. Remplacez la ceinture de sécurité si elle est endommagée.
| Périodicité d'entretien | Procédure d'entretien |
|---|---|
| À chaque utilisation ou une fois par jour |
|
Pour éviter de vous blesser, parfois mortellement, en vous retournant : gardez l'arceau de sécurité complètement relevé et bloqué dans cette position, et attachez la ceinture de sécurité.
Vérifiez que le siège est fixé à la machine.
Vérifiez que les fixations et les boutons sont en bon état. Les boutons doivent être complètement engagés quand le système ROPS est relevé. Il faut parfois pousser en avant ou tirer en arrière la partie supérieure de l'arceau de sécurité pour engager complètement les deux boutons (Figure 68).

Désengagez la commande de la lame (PDF).
Conduisez la machine jusqu'à une surface plane et dégagée, et amenez les leviers de commande de déplacement en position de VERROUILLAGE AU POINT MORT.
Placez la commande d'accélérateur à mi-course entre les positions BAS RéGIME et HAUT RéGIME.
Poussez les leviers de commande de déplacement en avant jusqu'à la butée dans la fente en T.
Vérifiez de quel côté la machine se déporte.
Si la machine se déporte à droite, desserrez les boulons et déplacez la plaque de butée gauche en arrière sur la fente en T gauche, jusqu'à ce qu'elle se déplace en ligne droite (Figure 69).
Si la machine se déporte à gauche, desserrez les boulons et déplacez la plaque de butée droite en arrière sur la fente en T droite, jusqu'à ce qu'elle se déplace en ligne droite (Figure 69).
Serrez les boulons de la plaque (Figure 69).

| Périodicité d'entretien | Procédure d'entretien |
|---|---|
| Toutes les 50 heures |
|
Les pneus arrière doivent être gonflés à 0,90 bar (13 psi). Les pneus mal gonflés peuvent compromettre la qualité et l'uniformité de la coupe. Contrôlez la pression lorsque les pneus sont froids pour obtenir un résultat plus précis.
Note: Les pneus avant sont du type semi-pneumatique et ne nécessitent pas de contrôle de la pression.

| Périodicité d'entretien | Procédure d'entretien |
|---|---|
| Après les 100 premières heures de fonctionnement |
|
| Toutes les 500 heures |
|
Contrôlez et serrez les écrous de roue à un couple de 122 à 129 N·m (90 à 95 pi-lb).
| Périodicité d'entretien | Procédure d'entretien |
|---|---|
| Après les 100 premières heures de fonctionnement |
|
| Toutes les 500 heures |
|
Vérifiez et assurez-vous que l'écrou crénelé est serré à un couple de 286 à 352 N⋅m (211 à 260 pi-lb).
Note: N'utilisez pas de produit antigrippant sur le moyeu de roue.

| Périodicité d'entretien | Procédure d'entretien |
|---|---|
| Toutes les 500 heures |
|
Désengagez la commande des lames (PDF), amenez les leviers de commande de déplacement en position de VERROUILLAGE AU POINT MORT et serrez le frein de stationnement.
Avant de quitter la position d'utilisation, coupez le moteur, enlevez la clé de contact et attendez l'arrêt complet de toutes les pièces mobiles.
Retirez le couvre-moyeu de la roue pivotante et serrez le contre-écrou (Figure 72).
Continuez de serrer le contre-écrou jusqu'à ce que les rondelles élastiques soient aplaties, puis desserrez-le d'un quart de tour pour obtenir la précharge correcte des roulements (Figure 72).
Important: Veillez à placer les rondelles élastiques comme montré à la Figure 72.
Reposez le couvre-moyeu (Figure 72).

Certains modèles plus récents sont construits avec des embrayages qui contiennent une cale de frein. Lorsque le frein d'embrayage est usé au point que l'embrayage ne s'engage plus systématiquement, vous pouvez retirer la cale pour prolonger la vie de l'embrayage.

Coupez le moteur, attendez l'arrêt complet de toutes les pièces mobiles et enlevez la clé de contact.
Serrez le frein de stationnement et laissez refroidir la machine complètement.
Soufflez de l'air comprimé sous le pôle et autour des entretoises du frein pour éliminer tout débris.

Vérifiez l'état des câbles, des connecteurs et des bornes du faisceau de câblage. Nettoyez ou réparez-les au besoin.
Vérifiez qu'une tension de 12 V est appliquée au connecteur de l'embrayage quand la commande des lames (PDF) est engagée.
Mesurez l'entrefer entre le rotor et l'induit. Si l'entrefer est supérieur à 1 mm (0,04 po), procédez comme suit :
Desserrez les boulons de fixation du frein de ½ tour à 1 tour, comme montré à la Figure 75.
Note: N'enlevez pas le pôle du frein de l'enveloppe de champ/l'induit. Le pôle du frein est usé au niveau de l'induit, ce qu'il doit continuer de faire après le retrait de la cale afin d'assurer un couple de freinage correct.

Déposez la cale à l'aide d'une pince à becs longs ou avec les doigts.
Note: Ne mettez pas la cale au rebut tant que vous n'êtes pas certain que l'embrayage fonctionne correctement.

Soufflez de l'air comprimé sous le pôle et autour des entretoises du frein pour éliminer tout débris.
Serrez chaque boulon (M6 x 1) à un couple de 12,3 à 13,7 N·m (9,5 à 10,5 pi-lb).
À l'aide d'une jauge d'épaisseur de 0,025 cm (0,010 po), vérifiez qu'il existe un entrefer entre le rotor et la face de l'induit, de chaque côté du pôle de frein, comme montré à la Figure 77 et la Figure 78.
Note: En raison de l'usure des faces du rotor et de l'induit (rugosité), il est parfois difficile de mesurer le véritable entrefer.


Si l'entrefer est inférieur à 0,025 cm (0,010 po), remettez la cale en place et reportez-vous à .
Si l'entrefer est suffisant, passez au contrôle de sécurité de l'opération 6.
Effectuez le contrôle de sécurité suivant :
Asseyez-vous sur le siège et mettez le moteur en marche.
Les lames ne doivent pas s'engager quand la commande des lames (PDF) est en position DéSENGAGéE et l'embrayage est désengagé.
Note: Si l'embrayage ne se désengage pas, mettez la cale en place et reportez-vous à .
Engagez et désengagez la commande des lames (PDF) 10 fois de suite pour vérifier que l'embrayage fonctionne correctement.
Note: Si l'embrayage ne s'engage pas correctement, voir .
| Périodicité d'entretien | Procédure d'entretien |
|---|---|
| À chaque utilisation ou une fois par jour |
|
Enlevez l'herbe, les saletés et autres débris éventuellement accumulés sur le refroidisseur d'huile (Figure 79). Cela permet d'assurer un refroidissement, un régime moteur corrects, et réduit les risques de surchauffe et de dommages mécaniques du moteur.


| Périodicité d'entretien | Procédure d'entretien |
|---|---|
| Toutes les 100 heures |
|
Désengagez la commande des lames (PDF) et serrez le frein de stationnement.
Avant de quitter la position d'utilisation, coupez le moteur, enlevez la clé de contact et attendez l'arrêt complet de toutes les pièces mobiles.
Retirez la grille d'entrée d'air, le lanceur et le carter du ventilateur (Figure 80).
Débarrassez les pièces du moteur de l'herbe et des débris accumulés.
Reposez la grille d'entrée d'air, le lanceur et le carter du ventilateur (Figure 80).

| Périodicité d'entretien | Procédure d'entretien |
|---|---|
| À chaque utilisation ou une fois par jour |
|
Désengagez la commande des lames (PDF) et serrez le frein de stationnement.
Avant de quitter la position d'utilisation, coupez le moteur, enlevez la clé de contact et attendez l'arrêt complet de toutes les pièces mobiles.
Avancez le siège.
Débarrassez les unités hydrauliques de l'herbe et des débris accumulés (Figure 81).
Positionnez le siège.


| Périodicité d'entretien | Procédure d'entretien |
|---|---|
| Après les 100 premières heures de fonctionnement |
|
| Toutes les 500 heures |
|
Vérifiez que le frein est réglé correctement.
Conduisez la machine sur un sol plat et horizontal.
Désengagez la commande des lames (PDF), amenez les leviers de commande de déplacement en position de VERROUILLAGE AU POINT MORT et serrez le frein de stationnement.
Coupez le moteur, attendez l'arrêt complet de toutes les pièces mobiles et enlevez la clé de contact.
Soulevez l'arrière de la machine sur des chandelles.
Les crics mécaniques ou hydrauliques peuvent céder sous le poids de la machine et causer des blessures graves.
Utilisez des chandelles pour soutenir la machine.
N'utilisez pas de crics hydrauliques.
Déposez les roues arrière de la machine.
Enlevez les débris éventuellement présents autour du frein.
Tournez la poignée de déblocage des roues motrices en position Débloquée. Voir Utilisation des valves de déblocage des roues motrices.
Vérifiez si un espace est visible entre le support en L et la butée de tringlerie (Figure 82).

Desserrez le frein de stationnement.
Tournez le moyeu de la roue à la main dans les deux sens par rapport à l'étrier.
Note: Le moyeu de roue doit bouger librement entre l'étrier.
L'espace est nécessaire pour permettre au moyeu de roue de bouger librement :
Desserrez le frein de stationnement.
Détachez et ajustez précisément la tringlerie arrière :
Raccourcissez la tringlerie pour créer un espace.
Allongez la tringlerie pour permettre à la tringlerie de bouger.
Rattachez la tringlerie arrière.
Serrez le frein de stationnement et vérifiez l'espace obtenu.
Répétez les opérations 9 à 13 jusqu'à ce qu'un espace soit visible et que le moyeu de roue tourne librement.
Répétez cette procédure pour le frein de l'autre côté.
Tournez la poignée de déblocage des roues motrices en position de marche; voir Utilisation des valves de déblocage des roues motrices.
Montez les roues arrière et serrez les écrous de roues; voir Contrôle des écrous de roues.
Retirez les chandelles.
| Périodicité d'entretien | Procédure d'entretien |
|---|---|
| Toutes les 50 heures |
|
Remplacez la courroie si elle est usée. La courroie peut montrer les signes d'usure suivants : grincement pendant la rotation, glissement des lames pendant la coupe, bords effilochés, traces de brûlures et fissures.
Désengagez la commande des lames (PDF), amenez les leviers de commande de déplacement en position de VERROUILLAGE AU POINT MORT et serrez le frein de stationnement.
Avant de quitter la position d'utilisation, coupez le moteur, enlevez la clé de contact et attendez l'arrêt complet de toutes les pièces mobiles.
Abaissez le tablier de coupe à la hauteur de coupe 76 mm (3 po).
Retirez les couvercles de courroie (Figure 83).

Insérez un rochet dans le trou carré du bras de tension pour détendre le ressort de la poulie de tension (Figure 84).
Enlevez la courroie des poulies du tablier de coupe.
Enlevez le guide-courroie situé sur le bras de la poulie de tension rappelé par ressort (Figure 84).
Retirez la courroie existante.
Acheminez la courroie neuve autour des poulies du tablier de coupe et de la poulie d'embrayage, sous le moteur (Figure 84).

Montez le guide-courroie sur le bras de la poulie tension (Figure 84).
Insérez le rochet dans le trou carré et montez le ressort de la poulie de tension (Figure 84).
Note: Les extrémités du ressort doivent être engagées dans les rainures d'ancrage.
Posez les couvercles de courroie (Figure 85).

Désengagez la commande des lames (PDF) et serrez le frein de stationnement.
Avant de quitter la position d'utilisation, coupez le moteur, enlevez la clé de contact et attendez l'arrêt complet de toutes les pièces mobiles.
Déposez la courroie du tablier de coupe; voir Remplacement de la courroie du tablier de coupe.
Soulevez la machine sur des chandelles (Figure 86).

Insérez un rochet dans le trou carré du bras de la poulie de tension pour déposer le ressort de la poulie de tension (Figure 86).
Décrochez le ressort de tension sur le cadre (Figure 86).
Retirez la courroie des poulies d'entraînement de l'unité hydraulique et de la poulie du moteur.
Placez une courroie neuve autour de la poulie du moteur et des 2 poulies d'entraînement.
Insérez un rochet dans le trou carré du bras de tension pour installer le ressort de la poulie de tension sur le cadre (Figure 86).
Reposez la courroie du tablier de coupe; voir Remplacement de la courroie du tablier de coupe.
Les leviers de commande ont 2 positions de réglage : haute et basse. Enlevez les boulons pour régler la hauteur.
Désengagez la commande des lames (PDF), amenez les leviers de commande de déplacement en position de VERROUILLAGE AU POINT MORT et serrez le frein de stationnement.
Avant de quitter la position d'utilisation, coupez le moteur, enlevez la clé de contact et attendez l'arrêt complet de toutes les pièces mobiles.
Desserrez les boulons et les écrous à embase situés dans les leviers (Figure 87).
Réglez l'alignement avant/arrière des leviers en les plaçant tous deux à la position POINT MORT, puis faites-les coulisser jusqu'à ce qu'ils soient alignés, et resserrez les boulons (Figure 87).


Si les extrémités des leviers se rencontrent; voir Réglage du pivot de verrouillage au point mort des commandes de déplacement.
Les tringleries de commande de la pompe sont situées de chaque côté du réservoir de carburant, sous le siège. Tournez la tringlerie de pompe à l'aide d'une clé de 13 mm (½ po) pour effectuer des réglages extrêmement précis et éviter ainsi que la machine passe au point mort. N'effectuez les réglages que pour le positionnement du point mort.
Le moteur doit être en marche et les roues motrices doivent tourner pour effectuer le réglage de la commande de déplacement. Les pièces mobiles et les surfaces brûlantes peuvent causer des blessures.
N'approchez pas les doigts, les mains ou les vêtements des pièces rotatives et des surfaces chaudes.
Avant de mettre le moteur en marche, appuyez sur la pédale de relevage du tablier de coupe et enlevez la goupille de hauteur de coupe.
Soulevez l'arrière de la machine juste assez pour permettre aux roues motrices de tourner librement et placez des chandelles (ou des supports équivalents) sous la machine.
Débranchez les connexions électriques du contacteur de sécurité du siège situé sous le coussin de l'assise du siège.
Note: Le contacteur est intégré au siège.
Branchez temporairement un fil volant aux bornes du connecteur du faisceau de câblage principal.
Démarrez le moteur.
Note: Serrez le frein de stationnement et poussez les leviers de commande de déplacement vers l'extérieur avant de démarrer le moteur. Il n'est pas nécessaire que vous soyez assis sur le siège car le fil volant est utilisé. Faites tourner le moteur à plein régime et desserrez le frein.
Laissez tourner le moteur 5 minutes au moins avec les leviers de commande de déplacement en position de vitesse maximale en marche avant pour amener l'huile hydraulique à la température de service.
Amenez les leviers de commande de déplacement en position POINT MORT
Réglez la longueur des tiges de pompes en tournant les doubles écrous dans le sens voulu jusqu'à ce que les roues tournent légèrement en marche arrière (Figure 89).

Amenez les leviers de commande de déplacement en position de MARCHE ARRIèRE et, tout en appuyant légèrement sur les leviers, laissez les ressorts d'indicateur de marche arrière ramener les leviers au point mort.
Note: Les roues doivent s'arrêter de tourner ou tourner légèrement en arrière.
Coupez le moteur.
Débranchez le fil volant du faisceau de câbles et branchez le connecteur au contacteur du siège.
Retirez les chandelles.
Levez le tablier et mettez la goupille de hauteur de coupe en place.
Vérifiez que la machine ne se déplace pas lorsqu'elle est au point mort quand vous desserrez le frein de stationnement.
Vous pouvez ajuster le boulon supérieur de fixation de l'amortisseur pour modifier la résistance du levier de commande de déplacement. Voir les options de montage à la Figure 90.

Vous pouvez ajuster l'écrou à embase pour obtenir la résistance voulue du levier de commande de déplacement quand il est amené en position de VERROUILLAGE AU POINT MORT. Voir les options de réglage à la Figure 91.
Desserrez l'écrou de blocage.
Serrez ou desserrez l'écrou à embase selon la résistance voulue.
Note: Pour augmenter la résistance, serrez l'écrou à embase.
Note: Pour réduire la résistance, desserrez l'écrou à embase.
Resserrez l'écrou de blocage.

Type d'huile hydraulique : Toro® HYPR-OIL™ 500 ou Mobil® 1 15W-50
Important: Utilisez l'huile spécifiée. Tout autre liquide risque d'endommager le système hydraulique.
Capacité de chaque système hydraulique : 1,5 L (52 oz) par côté, avec filtre neuf
| Périodicité d'entretien | Procédure d'entretien |
|---|---|
| Toutes les 50 heures |
|
Placez la machine sur une surface plane et horizontale.
Désengagez la commande des lames (PDF), amenez les leviers de commande de déplacement en position de VERROUILLAGE AU POINT MORT et serrez le frein de stationnement.
Avant de quitter la position d'utilisation, coupez le moteur, enlevez la clé de contact et attendez l'arrêt complet de toutes les pièces mobiles.
Laissez refroidir le moteur et le système hydraulique pendant 10 minutes.
Note: Le niveau d'huile indiqué par la jauge ne sera pas correct si vous le contrôlez quand le moteur est chaud.
Avancez le siège.
Nettoyez la surface autour des jauges des réservoirs du système hydraulique (Figure 92).
Sortez une jauge du réservoir hydraulique (Figure 92).
Essuyez la jauge sur un chiffon puis revissez-la dans le réservoir.
Ressortez la jauge et examinez l'extrémité (Figure 92).
Note: Si le niveau d'huile est au repère MINIMUM, versez lentement la quantité d'huile qui convient dans le réservoir hydraulique pour faire monter le niveau jusqu'au repère maximum ou H.
Important: Ne remplissez pas excessivement les unités hydrauliques pour éviter de causer des dommages. N'utilisez pas la machine si le niveau d'huile est en-dessous du repère MINIMUM.
Remettez la jauge en place.
Répétez cette procédure pour la jauge d'huile opposée.

L'huile hydraulique qui s'échappe sous pression peut traverser la peau et causer des blessures graves.
Si de l'huile hydraulique pénètre sous la peau, elle devra être enlevée chirurgicalement dans les quelques heures qui suivent par un médecin connaissant bien ce genre de blessures, pour éviter le risque de gangrène.
N'approchez pas les mains ou d'autres parties du corps des fuites en trou d'épingle ou des gicleurs d'où sort de l'huile hydraulique sous haute pression.
Utilisez un morceau de papier ou de carton pour détecter les fuites.
Dépressurisez soigneusement le circuit hydraulique avant de travailler dessus.
Vérifiez l'état des flexibles et conduites hydrauliques, ainsi que le serrage de tous les raccords et branchements avant de mettre le système hydraulique sous pression.
| Périodicité d'entretien | Procédure d'entretien |
|---|---|
| Après les 250 premières heures de fonctionnement |
|
| Toutes les 250 heures |
|
| Toutes les 500 heures |
|
Vous devez déposer les filtres pour vidanger l'huile hydraulique. Remplacez les deux en même temps; voir Entretien du système hydraulique pour les spécifications de l'huile.
Désengagez la commande des lames (PDF), amenez les leviers de commande de déplacement en position de VERROUILLAGE AU POINT MORT et serrez le frein de stationnement.
Avant de quitter la position d'utilisation, coupez le moteur, enlevez la clé de contact et attendez l'arrêt complet de toutes les pièces mobiles.
Soulevez la machine sur des chandelles (Figure 93).

Déposez la courroie du tablier et la courroie d'entraînement de la pompe; voir Remplacement de la courroie du tablier de coupe et Remplacement de la courroie d'entraînement de la pompe hydraulique.
Note: Cela évitera de salir les courroies avec l'huile.
Placez un bac de vidange sous le filtre, retirez le filtre usagé et essuyez la surface (Figure 94).

Appliquez une fine couche d'huile hydraulique sur le joint en caoutchouc du filtre de rechange (Figure 94).
Montez le filtre hydraulique de rechange.
Reposez la courroie d'entraînement de pompe et la courroie du tablier de coupe.
Retirez les chandelles et abaissez la machine (Figure 93).
Versez de l'huile dans le réservoir hydraulique et vérifiez qu'il n'y a pas de fuite.
Nettoyez l'huile éventuellement répandue.
Mettez le moteur en marche et laissez-le tourner environ 2 minutes pour purger l'air du circuit.
Coupez le moteur et recherchez des fuites éventuelles.
Vérifiez le niveau d'huile à froid.
Faites l'appoint d'huile hydraulique au besoin.
Note: Ne remplissez pas excessivement.
Note: Vérifiez que le tablier de coupe est de niveau avant de régler la hauteur de coupe.
Placez la tondeuse sur une surface plane et horizontale.
Désengagez la commande des lames (PDF), amenez les leviers de commande de déplacement en position de VERROUILLAGE AU POINT MORT et serrez le frein de stationnement.
Avant de quitter la position d'utilisation, coupez le moteur, enlevez la clé de contact et attendez l'arrêt complet de toutes les pièces mobiles.
Contrôlez la pression des pneus des roues motrices.
Note: La pression correcte des pneus avant et arrière est de 0,90 bar (13 psi).
Réglez le tablier de coupe à la hauteur de 76 mm (3 po).
Placez la tondeuse sur une surface plane et horizontale.
Coupez le moteur, attendez l'arrêt complet de toutes les pièces mobiles, enlevez la clé de contact et serrez le frein de stationnement.
Contrôlez la pression des pneus des roues motrices.
Note: La pression correcte des pneus avant et arrière est de 0,90 bar (13 psi).
Placez le verrou de transport en position de verrouillage.
Enfoncez la pédale de levage du tablier de coupe au maximum pour verrouiller le tablier à la position de transport de 14 cm (5,5 po) (Figure 95).

Insérez la goupille de réglage de la hauteur de coupe à la position 76 mm (3 po).
Relâchez le verrou de transport et laissez le tablier descendre à la hauteur de coupe sélectionnée.
Relevez la goulotte d'éjection.
De chaque côté du tablier de coupe, mesurez la distance entre la surface plane et la pointe avant de la lame (position A), comme montré à la Figure 96.
Note: La distance obtenue doit être de 7,6 cm (3 po)

Le cas échéant, desserrez le contre-écrou à embase sur le côté de la chape et l'écrou de blocage sur le dessus.
Ajustez précisément la vis de réglage en la tournant jusqu'à obtention d'une hauteur de 7,6 cm (3 po) (Figure 97).
Note: Tournez la vis de réglage dans le sens horaire pour augmenter la hauteur et dans le sens antihoraire pour la diminuer.

Si les biellettes de tablier avant ne disposent pas d'un réglage suffisant pour produire une hauteur de coupe précise, desserrez les deux boulons au bas de la plaque de hauteur de coupe pour ajuster le système monopoint (Figure 98).

Si le tablier est trop bas, serrez le boulon de réglage monopoint dans le sens horaire. Si le tablier est trop haut, desserrez le boulon de réglage monopoint dans le sens antihoraire (Figure 99).
Note: Desserrez ou serrez le boulon de réglage monopoint pour pouvoir juste déplacer les boulons de montage de la plaque de hauteur de coupe au moins du tiers de leur course dans les fentes. Cela permet de rattraper un peu du réglage vers le haut et le bas pour les 4 timoneries de tabliers.

Serrez les 2 boulons au bas de la plaque de hauteur de coupe (Figure 98).
Note: Généralement, la pointe arrière de la lame doit être réglée 4 mm (0,25 po) plus haut que la pointe avant.
Serrez les 2 boulons à un couple de 37 à 45 N·m (27 à 33 pi-lb).
De chaque côté du tablier de coupe, mesurez la distance entre la surface plane et la pointe arrière de la lame (position B), comme montré à la Figure 96.
Note: La distance obtenue doit être de 8,3 cm (3¼ po)
Ajustez précisément la vis de réglage en la tournant jusqu'à obtention d'une hauteur de 8,3 mm (3¼ po) (Figure 97).
Note: Tournez l'écrou de réglage dans le sens horaire pour augmenter la hauteur et dans le sens antihoraire pour la diminuer.
Mesurez jusqu'à ce que les 4 côtés soient à la bonne hauteur.
Serrez tous les écrous des bras de levage de tabliers de coupe.
Abaissez la goulotte.
Pour un bon résultat, les lames doivent toujours être bien aiguisées. Il est utile de prévoir des lames de rechange pour le remplacement et le réaffûtage.
Une lame usée ou endommagée peut se briser et projeter le morceau cassé dans votre direction ou celle d'autres personnes, et infliger des blessures graves ou mortelles.
Vérifiez l'état et l'usure des lames périodiquement.
Remplacez les lames usées ou endommagées.
Garez la machine sur un sol plat et horizontal, désengagez la commande des lames (PDF) et serrez le frein de stationnement.
Coupez le contact. Enlevez la clé et débranchez le fil des bougies.
| Périodicité d'entretien | Procédure d'entretien |
|---|---|
| À chaque utilisation ou une fois par jour |
|
Examinez le tranchant des lames (Figure 100).
Si les lames sont émoussées ou présentent des indentations, déposez-les et aiguisez-les; voir Dépose des lames et Affûtage des lames.
Inspectez les lames, et plus particulièrement l'ailette.
Remplacez immédiatement toute lame fendue, usée ou qui présente une entaille (Figure 100).

Désengagez la commande des lames (PDF), amenez les leviers de commande de déplacement en position de VERROUILLAGE AU POINT MORT et serrez le frein de stationnement.
Avant de quitter la position d'utilisation, coupez le moteur, enlevez la clé de contact et attendez l'arrêt complet de toutes les pièces mobiles.
Tournez les lames dans le sens longitudinal (Figure 101).
Mesurez la distance entre la surface plane et le tranchant (position A) des lames (Figure 101).

Tournez les lames pour faire passer les pointes qui sont à l'arrière à l'avant.
Mesurez la distance entre la surface plane et le tranchant des lames, au même endroit qu'à l'opération 4.
Note: Les mesures obtenues aux opérations 4 et 5 ne doivent pas différer de plus de 3 mm (⅛ po).
Note: Si la différence est supérieure à 3 mm (⅛ po), la lame est faussée et doit être remplacée.
Une lame faussée ou endommagée peut se briser et projeter le morceau cassé dans votre direction ou celle de personnes à proximité, et causer des blessures graves ou mortelles.
Remplacez toujours une lame faussée ou endommagée par une neuve.
Ne créez pas d'indentations dans les bords ou à la surface des lames, par exemple en les limant.
Remplacez toute lame qui a heurté un objet, qui est déséquilibrée ou faussée. Pour garantir un rendement optimal et la sécurité continue de la machine, utilisez toujours des lames Toro d'origine. Les lames d'autres constructeurs peuvent entraîner la non-conformité aux normes de sécurité.
Tenez la lame par son extrémité avec un chiffon ou un gant épais.
Enlevez de l'axe, le boulon, la rondelle bombée et la lame (Figure 102).

Au moyen d'une lime, aiguisez les tranchants à chaque bout de la lame (Figure 103).
Note: Veillez à conserver l'angle de coupe d'origine.
Note: Limez la même quantité de métal sur les deux tranchants pour ne pas déséquilibrer la lame.

Vérifiez l'équilibre de la lame en la plaçant sur un équilibreur (Figure 104).
Note: Si la lame reste horizontale, elle est équilibrée et prête à être utilisée.

Si la lame est déséquilibrée, limez un peu l'extrémité de l'ailette seulement (Figure 102).
Répétez cette procédure jusqu'à ce que la lame soit équilibrée.
Placez la lame sur l'axe (Figure 105).
Important: Pour obtenir une coupe correcte, la partie relevée de la lame doit être dirigée en haut vers l'intérieur du carter du tablier de coupe.
Mettez en place la rondelle élastique et le boulon de la lame (Figure 105).
Note: Orientez le cône de la rondelle élastique vers la tête du boulon.
Serrez le boulon de la lame à un couple de 115 à 150 N·m (85 à 110 pi-lb).

Avant de réviser ou de retirer le tablier de coupe, verrouillez les bras rappelés par ressort.
De l'énergie est emmagasinée dans les bras de levage du tablier de coupe. Des blessures graves ou mortelles peuvent être causées si le tablier est retiré sans libérer l'énergie emmagasinée.
N'essayez pas de séparer le tablier du cadre avant sans bloquer l'énergie emmagasinée.
Coupez le moteur, attendez l'arrêt complet de toutes les pièces mobiles, enlevez la clé de contact et serrez le frein de stationnement.
Retirez la goupille de réglage de la hauteur de coupe et abaissez le tablier au sol.
Insérez la goupille de réglage de la hauteur de coupe à la position 7,6 cm (3 po).
Note: Cela bloque les bras de relevage du tablier à la position la plus basse quand vous déposez le tablier ce qui permet à l'énergie emmagasinée dans le ressort du tablier d'être libérée.
Retirez les couvercles de courroie.
Soulevez le bac de plancher et insérez un rochet dans le trou carré de la poulie de tension du tablier (Figure 106).
Tournez la poulie de tension dans le sens horaire et déposez la courroie du tablier (Figure 106).

Enlevez et mettez de côté les fixations des deux côtés du tablier, comme montré à la Figure 107.

Élevez les bielles de tablier et fixez-les dans cette position.
Sortez le tablier par le côté droit de la machine.
Si l'ouverture d'éjection n'est pas fermée, la tondeuse peut projeter des objets dans votre direction ou celles d'autres personnes et causer des blessures graves ou mortelles. Un contact avec la lame est également possible.
N'utilisez jamais la tondeuse sans l'équiper d'une plaque d'obturation, d'un déflecteur de déchiquetage, d'un déflecteur d'herbe ou d'un bac de ramassage.
Retirez le contre-écrou, le boulon, le ressort et l'entretoise qui fixent le déflecteur aux supports de pivot (Figure 108).
Enlevez le déflecteur s'il est endommagé ou usé (Figure 108).

Placez une entretoise et un ressort sur le déflecteur d'herbe.
Placez une extrémité en J du ressort derrière le bord du tablier.
Note: Prenez soin de placer 1 extrémité en J du ressort derrière le bord du tablier avant de mettre le boulon en place, comme montré à la Figure 108.
Remettez le boulon et l'écrou en place.
Accrochez l'extrémité en J du ressort au déflecteur d'herbe (Figure 108).
Important: Le déflecteur d'herbe doit pouvoir pivoter. Ouvrez complètement le déflecteur d'herbe et vérifiez qu'il peut s'abaisser complètement.
| Périodicité d'entretien | Procédure d'entretien |
|---|---|
| À chaque utilisation ou une fois par jour |
|
Désengagez la commande des lames (PDF), amenez les leviers de commande de déplacement en position de VERROUILLAGE AU POINT MORT et serrez le frein de stationnement.
Avant de quitter la position d'utilisation, coupez le moteur, enlevez la clé de contact et attendez l'arrêt complet de toutes les pièces mobiles.
Relevez le tablier de coupe en position de TRANSPORT.
Note: Ne nettoyez pas les amortisseurs au jet d'eau sous pression (Figure 109).

L'huile moteur, les batteries, l'huile hydraulique et le liquide de refroidissement sont polluants pour l'environnement. Débarrassez-vous en conformément à la réglementation nationale et locale en matière d'environnement.
Désengagez ensuite la PDF, serrez le frein de stationnement, tournez la clé de contact à la position ARRêT et enlevez la clé.
Débarrassez l'extérieur de toute la machine, et surtout le moteur et le système hydraulique, des déchets d'herbe coupée, des saletés et de la crasse. Éliminez les saletés et les débris d'herbe sèche pouvant se trouver sur les ailettes de la culasse et le carter de ventilateur.
Important: Vous pouvez laver la machine avec de l'eau et un détergent doux. N'utilisez pas de nettoyeur haute pression. N'utilisez pas trop d'eau, surtout près du panneau de commande, du moteur, des pompes hydrauliques et des moteurs électriques.
Contrôlez le frein.
Faites l'entretien du filtre à air; voir Entretien du filtre à air.
Graissez la machine; voir Lubrification.
Vidangez l'huile moteur; voir Vidange de l'huile moteur.
Contrôlez la pression des pneus; voir Contrôle de la pression des pneus.
Remplacez les filtres hydrauliques; voir Vidange de l'huile hydraulique et remplacement des filtres hydrauliques.
Chargez la batterie; voir Charge de la batterie.
Grattez l'herbe et les saletés éventuellement accumulées sur le dessous de la tondeuse, puis lavez cette dernière au tuyau d'arrosage.
Note: Conduisez la machine, en engageant la commande des lames (PDF), à plein régime pendant 2 à 5 minutes après l'avoir lavée.
Vérifiez l'état des lames; voir Entretien des lames.
Si vous ne comptez pas utiliser la machine avant plus d'un mois, préparez-la comme suit :
Ajoutez un additif stabilisateur/conditionneur à base de pétrole dans le réservoir de carburant. Respectez les proportions spécifiées par le fabricant du stabilisateur. N'utilisez pas de stabilisateur à base d'alcool (éthanol ou méthanol).
Note: L'efficacité des stabilisateurs/conditionneurs est optimale lorsqu'ils sont mélangés à du carburant frais et sont utilisés de manière systématique.
Faites tourner le moteur pendant 5 minutes pour faire circuler le carburant traité dans tout le circuit d'alimentation.
Coupez le moteur, laissez-le refroidir et vidangez le réservoir de carburant (voir Entretien du réservoir de carburant).
Remettez le moteur en marche et laissez-le tourner jusqu'à ce qu'il s'arrête.
Débarrassez-vous du carburant correctement. Le recyclage doit être conforme à la réglementation locale en matière d'environnement.
Important: Ne conservez pas le carburant traité/additionné de stabilisateur plus de 3 mois.
Contrôlez et resserrez tous les boulons, écrous et vis. Réparez ou remplacez toute pièce endommagée.
Peignez toutes les surfaces métalliques éraflées ou mises à nu. Une peinture pour retouches est disponible chez les dépositaires-réparateurs agréés.
Rangez la machine dans un endroit propre et sec, comme un garage ou une remise.
Retirez la clé du commutateur d'allumage et rangez-la en lieu sûr, hors de la portée des enfants ou des personnes non autorisées.
Couvrez la machine pour la protéger et la garder propre.
| Problem | Possible Cause | Corrective Action |
|---|---|---|
| Le témoin d'anomalie s'allume. |
|
|
| Le démarreur ne fonctionne pas. |
|
|
| Le moteur ne démarre pas, démarre difficilement ou cale. |
|
|
| Le moteur perd de la puissance. |
|
|
| Le moteur surchauffe. |
|
|
| La machine tire à gauche ou à droite (quand les leviers sont complètement en avant). |
|
|
| La machine ne se déplace pas. |
|
|
| Vibrations anormales. |
|
|
| La hauteur de coupe obtenue est irrégulière. |
|
|
| Les lames ne tournent pas. |
|
|
| L'embrayage ne s'engage pas. |
|
|
