维护
润滑附件连接器
如果附件连接器上的锁定杆不能轻松自如地转动,请在图15 中所示的区域涂抹一薄层润滑指。

请仔细阅读本手册,了解如何正确操作及维护您的产品,避免人身伤害和产品损坏。正确并安全地操作本产品是您的责任。
您可通过访问 www.Toro.com 直接联系 Toro,获取产品及附件信息,查找代理商或注册产品。
当您需要关于维修保养,Toro 正品零件或其他方面的信息时,请联系授权服务经销商或 Toro 客户服务中心,并准备好有关您的产品的型号和序列号等资料。图1显示了产品上型号和序列号的位置。将型号、序列号写在提供的空白处。

本手册旨在确定潜在危险并列出安全警告标志(图2)所标示的安全信息,该标志表明了在不遵循建议的预防措施进行操作时可能造成的严重伤害或死亡事故。

本手册使用两个词语来突出信息。重要事项唤起人们对特殊机械信息的注意,而注意则强调值得特别关注的一般信息。
![]() |
任何潜在危险区附近均贴有操作员清晰可见的安全标贴和说明。更换受损或丢失的标贴。 |

此程序中需要的物件:
| 齿形耙总成 | 1 |
| 牵引杆 | 1 |
| 螺栓 (½ x 1¾ 英寸) | 1 |
| 凸缘螺母(½ 英寸) | 1 |
| 六角螺母 (½ 英寸) | 1 |
| 凸缘头螺栓(⅜ x 1 英寸) | 1 |
| 凸缘螺母 (⅜ 英寸) | 1 |
| 附件连接器总成 | 1 |
| 开口销 | 2 |
| 提升臂总成 | 1 |
| 枢轴杆 | 1 |
| 螺栓(⅜ x 1¼ 英寸) | 1 |
| 锁紧螺母(⅜ 英寸) | 1 |
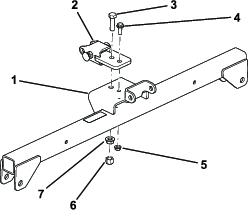
用螺栓(½ x 1¾ 英寸)、凸缘螺母(½ 英寸)和六角螺母(½ 英寸)将牵引杆松松地安装到吊架组件(图3)的前孔。

用凸缘头螺栓(⅜ x 1 英寸)和凸缘螺母(⅜ 英寸)将挂钩管松松地安装到吊架组件的后孔。
按照以下方式上紧螺母扭矩:
凸缘螺母(½ 英寸)——104~126N·m
六角螺母(½ 英寸)——91~113N·m
凸缘螺母(⅜ 英寸)——22~27N·m
将提升臂与附件连接器上的支架对齐(图4),然后如图5 所示,用枢轴杆将它们连接起来。
Note: 当移动附件连接器时,应使用连接器背面提供的手柄(图4)。


用 3 个开口销、1 个螺栓(⅜ x 1¼ 英寸)和锁紧螺母(⅜ 英寸)固定枢轴杆(图5)。
此程序中需要的物件:
| 螺栓 (⅜ x 2½ 英寸) | 2 |
| 垫圈(⅜ x ⅞ 英寸) | 4 |
| 隔片 | 2 |
| 锁紧螺母 (⅜ 英寸) | 2 |
从机器后部卸除任何附件。
降下主机的连接器,并将主机倒车,使其位于附件的连接器的前方。
Note: 确保从机器后面看时,锁定杆被转到了左侧(解除锁定位置)。
将附件连接器滑到主机连接器上。
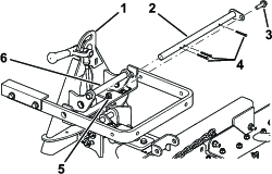
Important: 提升臂总成的长臂必须位于主机后机架总成的下方(图6)。
您的手指可能会被夹到附件连接器与主机连接器之间。
因此,当提起并移动附件时,务必使用附件的连接器背面的手柄(图6)。
将锁定杆向右转,将连接器锁定到一起。
使用 1 个螺栓(⅜ x 2½ 英寸)、2 个垫圈(⅜ x ⅞ 英寸)、1 个隔片和 1 个锁紧螺母(⅜ 英寸),将每个链条最上面的链环固定到提升臂(图6)的外侧。

Note: 为了正确操作齿形耙,当齿形耙处于降下(操作)位置时,链条必须是松弛的。
Note: 确保所有修整耙都适当重叠、平放且没有任何链条缠绕或扭曲。

在耙平沙坑障碍之前,请阅读这一与耙沙有关的章节。可以确定齿形耙附件调节的条件有很多。沙坑的纹理和深度、水分含量、杂草和压实度等因球场而异,即使是同一个球场的不同沙坑障碍也各不相同。对耙做出调节,确保在您所在的区域获得最佳效果。
在球场一个大而平整的沙坑中练习耙平作业。练习启动、停止、转弯、提起和降下沙耙,练习进入和离开沙坑等。练习时,采用中等发动机速度和缓慢的地面行驶速度。此培训期将帮助您增强对操作机器的信心。
Note: 附件放下时,不要撑起主机。否则可能会损坏附件。
如果沙子足够深,您可以直接耙平沙坑平整区域的边缘。
如果沙子稀疏地分布在草坪上,则与边缘保持足够远的距离,避免弄乱下面的土壤。
耙平时切勿过度靠近短而陡的斜坡。沙子只会向下流入沙坑的底部。
陡峭斜坡和小凹坑等可能必须用手耙进行修整。
根据图9 所示图案对沙坑进行耙沙。 这种模式可以避免不必要的重叠,将压实情况降至最低,并在沙坑中留下整洁、极具吸引力的图案。
进入沙坑时选择长边,这里的坡度最小。穿过沙坑中心几乎驾驶到最边上,然后向任意一侧尽可能急转弯掉头,并紧贴着第一趟驶回。如图所示向外盘旋,并从平整地带以正确的角度驶出沙坑。
留下陡峭斜坡、短斜坡和小凹坑,用手耙进行修整。

进入沙坑时,在齿形耙到达沙地上方之前,切勿降下齿形耙。这可避免切割到草坪,或将草屑或其他杂物拖到沙坑里。机器一边行进一边降下沙耙。
如果要离开沙坑,那么在前轮离开时开始提起沙耙。在机器离开沙坑的同时将耙子提起,这样就不会将沙子拖到草地上。
通过经验和反复练习,您将很快掌握正确进入和离开沙坑的时机。
拧松锁紧螺母并向外旋转齿形耙止动螺栓(图13),限制齿形耙的横向转动。拧紧锁紧螺母,锁定调整。

如果沙子潮湿或粗糙,或者沙坑中有深陷的脚印,可以将可选配重块添加到修整耙上。订购零件号为 18-7570,可从 Toro 授权经销商处购买。
行驶过程中,可采用以下程序增加齿形耙的高度:
将齿形耙和提升总成尽可能放低。
从提升臂断开链条,并重新连接到较高的位置。
Note: 为确保正确操作齿形耙,开始操作之前,应将链条回复到最初的松弛位置。
耙沙完成后,应彻底清洁机器。由于本机器主要用于沙地,并且沙子有极强的磨蚀作用,因此每次使用后都应该将沙子清洗掉。如果您经常清洁机器(在沙子有机会结块之前),可以使用卸掉喷嘴的软管喷射水流来进行清洁。高压水流可将沙子冲到磨损区,成为研磨料造成磨损。
Note: 如果附件连接器卡在主机连接器上,请在撬槽内插入撬棍或螺丝刀,将两者分开(图14)。

如果附件连接器上的锁定杆不能轻松自如地转动,请在图15 中所示的区域涂抹一薄层润滑指。
