Техническое обслуживание
Смазка переходника навесного оборудования
Если стопорный рычаг на переходнике навесного оборудования легко и свободно не поворачивается, нанесите тонкий слой консистентной смазки на область, показанную на Рисунок 15.

Внимательно изучите данное руководство, чтобы знать, как правильно использовать и обслуживать автомобиль, не допуская его повреждения и травмирования персонала. Вы несете ответственность за правильное и безопасное использование автомобиля.
Вы можете напрямую обратиться в компанию Toro через сайт www.Toro.com для получения информации об изделии и приспособлениях, помощи в поиске дилера или для регистрации изделия.
Для выполнения технического обслуживания, приобретения оригинальных запчастей Toro или получения дополнительной информации обращайтесь в сервисный центр официального дилера или в отдел технического обслуживания компании Toro. Не забудьте при этом указать модель и серийный номер изделия. На Рисунок 1 показано расположение номера модели и серийного номера. Запишите номера в предусмотренном для этого месте.

В настоящем руководстве приведены потенциальные опасности и рекомендации по их предотвращению, обозначенные символом (Рисунок 2), который предупреждает об опасности серьезного травмирования или гибели в случае несоблюдения пользователем рекомендуемых мер безопасности.

Для выделения информации в данном руководстве используются два слова. Внимание — привлекает внимание к специальной информации, относящейся к механической части машины, и Примечание — выделяет общую информацию, требующую специального внимания.
![]() |
Предупреждающие наклейки и инструкции по технике безопасности должны быть хорошо видны оператору и установлены во всех местах потенциальной опасности. Заменяйте поврежденные или утерянные наклейки. |

Детали, требуемые для этой процедуры:
| Сборка зубчатых грабель | 1 |
| Буксировочная штанга | 1 |
| Болт (½ x 1¾ дюйма) | 1 |
| Фланцевая гайка (½ дюйма) | 1 |
| Гайка шестигранная (½ дюйма) | 1 |
| Болт с фланцевой головкой (⅜ x 1 дюйм) | 1 |
| Фланцевая гайка (⅜ дюйма) | 1 |
| Узел переходника навесного оборудования | 1 |
| Шплинт | 2 |
| Узел рычага подъема | 1 |
| Поворотная штанга | 1 |
| Болт (⅜ x 1¼ дюйма) | 1 |
| Контргайка (⅜ дюйма) | 1 |
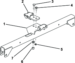
Свободно прикрепите буксировочную штангу к переднему отверстию в узле подвеса (Рисунок 3) с помощью болта (½ x 1¾ дюйма), фланцевой гайки (½ дюйма) и шестигранной гайки (½ дюйма).

Свободно прикрепите клиновидную трубу к заднему отверстию в узле подвеса с помощью болта с фланцевой головкой (⅜ x 1 дюйм) и фланцевой гайки (⅜ дюйма).
Моменты затяжки гаек:
Фланцевая гайка (½ дюйма) – от 104 до 126 Н∙м.
Шестигранная гайка (½ дюйма) – от 91 до 113 Н∙м.
Фланцевая гайка (⅜ дюйма) – от 22 до 27 Н∙м.
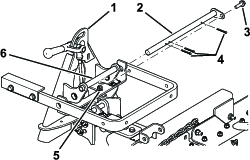
Выровняйте рычаг подъема с кронштейном на переходнике навесного оборудования (Рисунок 4) и соедините их с помощью поворотной штанги, как показано на Рисунок 5.
Note: При передвижении переходника навесного оборудования используйте рукоятку, предусмотренную за переходником (Рисунок 4).


Закрепите поворотную штангу (Рисунок 5) тремя шплинтами, болтом (⅜ x 1¼ дюйма) и контргайкой (⅜ дюйма).
Детали, требуемые для этой процедуры:
| Болт (⅜ x 2½ дюйма) | 2 |
| Шайба (⅜ x ⅞ дюйма) | 4 |
| Проставка | 2 |
| Контргайка (⅜ дюйма) | 2 |
Демонтируйте навесное оборудование с задней стороны машины.
Опустите переходник тягового блока и подведите тяговый блок в положение перед переходником навесного оборудования.
Note: Убедитесь в том, что стопорный рычаг повернут влево (в положение расфиксации), если смотреть сзади машины.
Надвиньте переходник навесного оборудования на переходник тягового блока,
Important: Длинное плечо рычага подъема должно располагаться под задним узлом рамы тягового блока (Рисунок 6).
Соблюдайте меры предосторожности, так как в ином случае ваши пальцы могут быть защемлены между переходниками навесного оборудования и тягового блока.
Для подъема и передвижения навесного оборудования используйте рукоятку сзади переходника навесного оборудования (Рисунок 6).
Для совместной фиксации переходников поверните стопорный рычаг вправо.
Прикрепите верхнее звено каждой цепи к краю рычага подъема (Рисунок 6), используя болт (⅜ x 2½ дюйма), 2 шайбы (⅜ x ⅞ дюйма), проставку и контргайку (⅜ дюйма).

Note: Для обеспечения надлежащей работы грабель цепи в опущенном (рабочем) положении должны иметь слабину.
Note: Обеспечьте, чтобы все отделочные грабли должным образом перекрывались, лежали ровно и ни одна из цепей не была спутана или скручена.
Когда грабли установлены и закреплены на тяговом блоке, поднимите навесное оборудование.
Измерьте зазор между усиленной шайбой и буртиком в подъемной вилке на переходнике навесного оборудования, как показано на Рисунок 7.
Note: Звено будет правильно отрегулировано, если в результате вашего измерения зазор окажется от 1,5 до 2,0 мм между усиленной шайбой и буртиком подъемной вилки (Рисунок 7).

Если зазор неправилен, отпустите зажимную гайку и подтяните или ослабьте регулировочную гайку на узле тяги так, как это необходимо для изменения зазора (Рисунок 7).

Прочитайте весь данный раздел, посвященный разравниванию граблями, прежде чем фактически разравнивать песчаную ловушку. Существует множество условий, определяющих регулировку навесных зубчатых грабель. Текстура и глубина песка, влагосодержание, сорняки и степень уплотнения – все эти условия могут меняться от поля к полю или даже от ловушки к ловушке на одном и том же поле. Произведите регулировку грабель для достижения оптимальных результатов на вашем конкретном поле.
Попрактикуйтесь в разравнивании граблями на одной из больших и горизонтальных ловушек на поле. Осваивайте пуск и остановку, повороты, подъем и опускание грабель, вход и выход из ловушки и т.п. Практикуйтесь на средней частоте вращения двигателя и на медленной скорости движения. Этот период обучения поможет оператору научиться уверенно управлять машиной.
Note: Не подавайте назад тяговый блок при опущенном навесном оборудовании. Это может привести к повреждению навесного оборудования.
Если песок достаточно глубок, обработку граблями можно производить до самого края горизонтального участка ловушки.
Если песок попадает на травяное покрытие, остановитесь достаточно далеко от края, чтобы не повредить подстилающий грунт.
Не используйте грабли слишком близко от небольших крутых откосов. Песок будет просто стекать на дно ловушки.
На крутых откосах, в небольших карманах и т.п. может потребоваться некоторое разравнивание ручными граблями.
Произведите разравнивание песчаной ловушки, как показано на Рисунок 9. Такая схема исключает ненужное перекрытие, сводит к минимуму уплотнение, а песок приобретает аккуратный и привлекательный вид.
Входите в ловушку под прямым углом по длинному размеру там, где откос наименее крутой. Проведите машину через центр почти до конца, поверните в любом направлении как можно круче и двигайтесь назад рядом с первым проходом. Двигайтесь по спирали наружу, как показано на чертеже, и покиньте ловушку под прямым углом в пологом месте.
Оставьте крутые короткие откосы и небольшие карманы для обработки ручными граблями.

При входе в ловушку не опускайте грабли, пока они не будут действительно находиться над песком. Это исключит срезание травяного покрова или попадание в ловушку сухой травы или другого мусора. Опускайте грабли во время движения машины.
Выезжая из ловушки, начинайте поднимать грабли, когда из ловушки выедут передние колеса. Когда машина выезжает из ловушки, грабли должны быть подняты и не должны заносить песок на траву.
Путем проб и ошибок оператор быстро усвоит требуемые моменты правильного входа и выхода из ловушки.
Положение грабель можно изменять для увеличения или уменьшения интенсивности их воздействия на песок. Установите буксировочную штангу и грабли, как показано на последующих рисунках, чтобы получить нужную интенсивность воздействия.
Длину гладилок можно отрегулировать для увеличения или уменьшения величины проникновения зуба.
Отпустите винты крепления гладилки, передвиньте ее вверх или вниз в требуемое положение и затяните винты (Рисунок 12).

Ослабьте зажимные гайки и вывинчивайте упорные болты грабель (Рисунок 13), чтобы ограничить поворот грабель из стороны в сторону. Затяните зажимные гайки для фиксации регулировки.

Вы можете прикрепить дополнительные грузы к отделочным граблям при работе на мокром или крупном песке, а также если в ловушке имеются глубокие следы ног. № по каталогу 18-7570 для заказа у местного официального дистрибьютора компании Toro.
Для увеличения высоты грабель при транспортировке выполните следующие действия:
Опустите грабли и узел подъема как можно ниже.
Отсоедините цепи от рычагов подъема и снова подсоедините их выше.
Note: Для обеспечения правильной работы грабель возвратите цепи в первоначальное положение со слабиной перед началом работы.
После работы с граблями произведите тщательную очистку машины. Поскольку вы используете данную машину в основном в песке, а песок является чрезвычайно абразивным материалом, его следует смывать после каждого использования машины. Если вы будете часто производить очистку машины (прежде чем сможет образоваться корка), ее можно очистить струей воды из шланга со снятой насадкой. Струя высокого давления может перенести песок в места износа, где он может действовать как шлифовальная смесь.
Note: Если переходник навесного оборудования заклинило на переходнике тягового блока, вставьте монтировку или отвертку в паз под рычаг, чтобы разделить эти части (Рисунок 14).

Если стопорный рычаг на переходнике навесного оборудования легко и свободно не поворачивается, нанесите тонкий слой консистентной смазки на область, показанную на Рисунок 15.
