保守
アタッチメントアダプタのグリスアップ
アタッチメント側のアダプタのロックレバーの動きが悪くなってきたら、図 15に示す部分に薄くグリスを塗ってください。

この説明書を読んで製品の運転方法や整備方法を十分に理解し、他人に迷惑の掛からないまた適切な方法でご使用ください。この製品を適切かつ安全に使用するのはお客様の責任です。
弊社のウェブサイト www.Toro.com で製品やアクセサリ情報の閲覧、代理店についての情報閲覧、お買い上げ製品の登録などを行っていただくことができます。
整備について、また純正部品についてなど、分からないことはお気軽に弊社代理店またはカスタマーサービスにおたずねください。お問い合わせの際には、必ず製品のモデル番号とシリアル番号をお知らせください。図 1 にモデル番号とシリアル番号を刻印した銘板の取り付け位置を示します。いまのうちに番号をメモしておきましょう。

この説明書では、危険についての注意を促すための警告記号(図 2)を使用しております。これらは死亡事故を含む重大な人身事故を防止するための注意ですから、必ずお守りください。

この他に2つの言葉で注意を促しています。重要「重要」は製品の構造などについての注意点を、注はその他の注意点を表しています。
![]() |
以下のラベルや指示は危険な個所の見やすい部分に貼付してあります。破損したりはがれたりした場合は新しいラベルを貼付してください。 |

この作業に必要なパーツ
| ツースレーキアセンブリ | 1 |
| 牽引バー | 1 |
| ボルト(½ x 1¾") | 1 |
| フランジナット (½") | 1 |
| 六角ナット(½") | 1 |
| フランジヘッドボルト(⅜ x 1") | 1 |
| フランジナット(⅜") | 1 |
| アタッチメントアダプタアセンブリ | 1 |
| コッターピン | 2 |
| 昇降アームアセンブリ | 1 |
| ピボットバー | 1 |
| ボルト(⅜ x 1¼") | 1 |
| ロックナット(⅜") | 1 |
ハンガーアセンブリ(図 3)の前穴に、牽引バーを仮止めする;ボルト(½ x 1¾")1本、フランジナット(½")1本、六角ナット(½")1個を使用する。

ハンガーアセンブリの後穴に、トングチューブを仮止めする;フランジヘッドボルト(⅜ x 1")1本、フランジナット(⅜”)1本を使用する。
ナットを以下の値にトルク締めする:
フランジナット(1/2")を104-126 N·m(11-12 kg.m = 77-93 ft-lb)にトルク締めする。
六角ナット(½")を 91-113 N·m(9-11 kg.m = 67-83 ft-lb)にトルク締めする。
フランジナット(⅜")を 22-27 N·m(2.2-2.8 kg.m = 16-20 ft-lb)にトルク締めする。
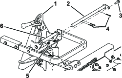
昇降アームを、アタッチメント・アダプタのブラケットに整列させ(図 4)、ピボット・バーを使って、図 5のように接続する。
Note: アタッチメントアダプタを動かす時には、アダプタの後部についているハンドルを使ってください(図 4)。


ピボットバー(図 5)を固定する;コッターピン(3本)とボルト(⅜ x 1¼")とロックナット(⅜")を使用。
この作業に必要なパーツ
| ボルト(⅜ x 2½") | 2 |
| ワッシャ(⅜ x ⅞") | 4 |
| スペーサ | 2 |
| ロックナット(⅜") | 2 |
機体後部についているアタッチメントをすべて外す。
トラクションユニットのアダプタを降下させ、トラクションユニットを後退させてアタッチメントのアダプタの正面に停車する。
Note: ロック・レバーが、車体後ろから見て左側(解除位置)にセットされていることを確認してください。
アタッチメントのアダプタを、トラクションユニットのアダプタにセットする。
Important: 昇降アーム・アセンブリの長いアームが、トラクションユニットの後フレーム・アセンブリの下に来るのが正しい位置です(図 6)。
アタッチメントとトラクションユニットのアダプタとの間に指を挟まれる恐れがある。
アタッチメントアダプタを動かす時には、必ずアダプタの後部についているハンドルを使うこと(図 6)。
ロックレバーを右側に倒して、アダプタ同士をロックする。
各チェーンの一番上のリンクを、昇降アームの外側に取り付ける;ボルト(⅜ x 2½")、ワッシャ(⅜ x ⅞")2枚、スペーサ、ロックナット(⅜")を使用;図 6を参照。

Note: レーキを下降させたとき(レーキ作業モード)、チェーンにたるみがないとレーキが適切に作動しません。
Note: 全部の仕上げレーキが相互に重なり合っていること、平らに寝ていること、また、どのチェーンも絡んだりしていないことを確認してください。

実際にレーキ作業を行う前にこのレーキ作業の項全体をよく読んでください。バンカーのコンディションは千差万別なので、スースレーキにも色々な調整が必要になります。砂の質や深さ、湿り具合、雑草の有無、固結の状態など様々な要因が色々に重なり合い、ゴルフ場によって、さらにはバンカーごとにも異なっています。ですから、作業する場所の条件に合わせて、最も良い結果が得られるようにレーキを調整してください。
最初はなるべく広くてフラットなサンドバンカーを選んで練習してください。発進、停止、旋回、レーキの上昇と下降、バンカーへの出入りなどを練習します。エンジンの速度を中程度に調整し、ゆっくりとした走行で練習しましょう。十分に練習することでトリローラの操作に自信が生まれます。
Note: アタッチメントを下降させたままでバックしないでください。アタッチメントが破損します。
砂が十分に深い(厚い)場合には、サンドトラップの壁が立ち上がるギリギリのところまでレーキをかけても大丈夫です。
壁がはっきりしない、砂が徐々にターフに変化するようなバンカーでは、エッジ部分にレーキを掛けると砂の下の土を掘り起こしてしまう恐れがありますから、十分に離れて作業しましょう。
小さな、深いバンカーでは、壁に近づきすぎないことが大切です。壁の近くにレーキを掛けても、砂が上から落ちてくるだけできれいになりません。
このようなバンカーや小さなポケット部分では、熊手を使って手作業で仕上げをすることが必要になる場合があります。
図 9に示すようなパターンでバンカーの均し作業を行ってください。このパターンで作業すると、無駄な重なりをなくし、固結を最小限に抑えながら、美しい砂模様を作ることができます。
バンカーの長い軸に沿って、壁が一番低くなっているところから真っ直ぐに中に入ります。バンカーの中心線に沿ってほぼ反対側まで真っ直ぐにレーキを掛け、左右どちらかになるべく小さくUターンし、ぴったり折り返すようにしてレーキ作業を続けますこの操作を繰り返して、外へ外へとらせん状にレーキ掛けを行い、最後に、平らな場所からほぼ直角に外へ出ます。
急斜面、非常に小さいバンカー、ポケット部などには無理に入り込まず、後から手作業で仕上げてください。

バンカーに入る時には、レーキが砂の上にくるまで、レーキを下げてはいけません。レーキを早く下げてしまうと、ターフを傷つけたり、刈りかすやその他のゴミをバンカーの中に引きずりこんでしまったりします。レーキは、走行しながら下げてください。
バンカーを出る時には、前輪がバンカーを出た時を見計らってレーキを上昇させます。そのままスムーズにバンカーを出れば、ターフの中に砂を引きずり込んだりすることなく、きれいに出ることができます。
バンカーへの出入りのタイミングは、少しの練習と経験で、すぐに身に着けることができます。
均し板の突き出し長さを調整することにより、プロング(歯)の食い込み深さを調整することができます。
取り付けネジをゆるめて、均し板を上または下にずらして希望する位置にセットし、ネジで固定してください(図 12)。

ストップボルトのジャムナットをゆるめ、ボルト(図 13)を回転させて、レーキの左右方法の回転角度を調整する。ジャムナットを締めて調整を固定する。

砂がぬれているときやバンカー内に足跡が深く付いている場合は、仕上げレーキにオプションのウェイトを取り付けることができます。パーツ番号は P/N 18-7570; ご注文は Toro 代理店へ。
移動走行に移るときには、以下の操作を確実に行ってレーキをできるだけ高く上げてください。
レーキと昇降アセンブリをできるだけ低い位置まで下降させる。
昇降アームからチェーンを外して、もっと高い位置に取り付ける。
Note: 次の現場に到着したら、レーキが正しく動作するように、チェーンの位置を元のゆるい位置に戻してください。
レーキ作業が終了したら、機体を十分に清掃してください。この装置は砂地で使用することを目的としたものですが、砂は極めて研削性の高い物質ですから、作業後はなるべく完全に砂を落としておくことが大切です。作業ごとに(砂が乾いてこびりついてしまう前に)洗車すれば、通常のホース洗浄で十分にきれいになります。高圧洗浄器を使うと、回転部分などに砂粒を押し込んでしまう恐れがあり、逆に機械の磨耗を早めることになります。
Note: アタッチメントのアダプタがトラクションユニットのアダプタに引っかかってしまった時は、バールやドライバーなどをスロットに差し込んで外してください(図 14)。

アタッチメント側のアダプタのロックレバーの動きが悪くなってきたら、図 15に示す部分に薄くグリスを塗ってください。
